Contact us
Call us at
Available 6:00 AM – 5:00 PM (PST) Business Days
Download
Download Manuals, Datasheets, Software and more:
Feedback
4, 5 and 6 Series Software
Money saving bundles for the 4, 5 and 6 Series MSOs
- Offer better value with more functions at a much lower cost than equivalent individual options
- Make it cost-effective to purchase capabilities to cover future needs or needs across engineering teams
- Include the most frequently combined options for key applications and industries
- Provide flexibility to adjust year-to-year with lower cost 1-year subscriptions

Licenses To Fit Your Needs
| 1-year time-based (Subscription) License | This low-cost alternative lets you use the software for 1 year. Software updates and support are included. When the license expires a new license may be purchased. |
| Perpetual License | Use the software indefinitely. The license does not expire and includes updates/support for the first12-months. |
| Maintenance License | This license may be added to a perpetual license and extends the period of support of an original perpetual license for 12 months. |
4, 5 & 6 Series Software Purchasing Options
Select Items to see total below.
- 4, 5 & 6 Bundles
- Starter
- Pro Automotive
- Pro Compliance
- Pro Aerospace
- Pro Power
- Pro Serial
- Ultimate
- Maintenance
Starter
Description:
These bundles add capabilities that almost all engineers need for embedded systems design.
4, 5 or 6 Series MSOs equipped with a Starter Bundle (for example, 4-STARTER-PER) will be able to decode and trigger on I2 C, SPI, RS232/422/485/UART bus activity.
Includes an integrated arbitrary/function generator with 13 predefined functions and arbitrary waveforms. This is equivalent to adding -AFG, -SRCOMP and -SREMBD options.
Choose your series:
Subscription
4-STARTER-1Y- Pay Annually
- Updates Included with active subscription
Perpetual
4-STARTER-PER- Own the Software
- 1 year of updates included
- Purchase additional updates after 1st year of usage
Subscription
5-STARTER-1Y- Pay Annually
- Updates Included with active subscription
Perpetual
5-STARTER-PER- Own the Software
- 1 year of updates included
- Purchase additional updates after 1st year of usage
Subscription
6-STARTER-1Y- Pay Annually
- Updates Included with active subscription
Perpetual
6-STARTER-PER- Own the Software
- 1 year of updates included
- Purchase additional updates after 1st year of usage
Pro Automotive
Description:
Especially for ECU designers, this bundle provides outstanding system visibility for validations and troubleshooting.
It includes support for important automotive protocols, and serial standards compliance testing and debugging and:
- Starter Bundle included
- Automated decoding and triggering speeds debug.
Choose your series:
Subscription
4-PRO-AUTO-1Y- Pay Annually
- Updates Included with active subscription
Perpetual
4-PRO-AUTO-PER- Own the Software
- 1 year of updates included
- Purchase additional updates after 1st year of usage
Subscription
5-PRO-AUTO-1Y- Pay Annually
- Updates Included with active subscription
Perpetual
5-PRO-AUTO-PER- Own the Software
- 1 year of updates included
- Purchase additional updates after 1st year of usage
Subscription
6-PRO-AUTO-1Y- Pay Annually
- Updates Included with active subscription
Perpetual
6-PRO-AUTO-PER- Own the Software
- 1 year of updates included
- Purchase additional updates after 1st year of usage
Pro Compliance
Description:
Includes all currently available compliance options for your Windows®-equipped 5 or 6 Series MSO. All standards use the TekExpress engine for flexible configuration, full instrument control, informative prompts and comprehensive reporting
Run all tests specified in the standard, or selected tests. Automatic report generation gives you a jump on documentation.
- Includes Starter Bundle Plus
Choose your series:
Subscription
5-PRO-COMPL-1Y- Pay Annually
- Updates Included with active subscription
Perpetual
5-PRO-COMPL-PER- Own the Software
- 1 year of updates included
- Purchase additional updates after 1st year of usage
Subscription
6-PRO-COMPL-1Y- Pay Annually
- Updates Included with active subscription
Perpetual
6-PRO-COMPL-PER- Own the Software
- 1 year of updates included
- Purchase additional updates after 1st year of usage
Pro Aerospace
Description:
Gain fast visibility into aerospace systems.
Includes serial bus decoding for protocols used in the aerospace industry, as well as support for generic encoding schemes such as NRZ and Manchester. Mask and limit testing make it easy to automate testing of unique signals.
- Includes Starter Bundle
Choose your series:
Subscription
4-PRO-MILGOV-1Y- Pay Annually
- Updates Included with active subscription
Perpetual
4-PRO-MILGOV-PER- Own the Software
- 1 year of updates included
- Purchase additional updates after 1st year of usage
Subscription
5-PRO-MILGOV-1Y- Pay Annually
- Updates Included with active subscription
Perpetual
5-PRO-MILGOV-PER- Own the Software
- 1 year of updates included
- Purchase additional updates after 1st year of usage
Subscription
6-PRO-MILGOV-1Y- Pay Annually
- Updates Included with active subscription
Perpetual
6-PRO-MILGOV-PER- Own the Software
- 1 year of updates included
- Purchase additional updates after 1st year of usage
Pro Power
Description:
Gain fast visibility into aerospace systems.
Includes serial bus decoding for protocols used in the aerospace industry, as well as support for generic encoding schemes such as NRZ and Manchester. Mask and limit testing make it easy to automate testing of unique signals.
- Includes Starter Bundle
Choose your series:
Subscription
4-PRO-POWER-1Y- Pay Annually
- Updates Included with active subscription
Perpetual
4-PRO-POWER-PER- Own the Software
- 1 year of updates included
- Purchase additional updates after 1st year of usage
Subscription
5-PRO-POWER-1Y- Pay Annually
- Updates Included with active subscription
Perpetual
5-PRO-POWER-PER- Own the Software
- 1 year of updates included
- Purchase additional updates after 1st year of usage
Subscription
6-PRO-POWER-1Y- Pay Annually
- Updates Included with active subscription
Perpetual
6-PRO-POWER-PER- Own the Software
- 1 year of updates included
- Purchase additional updates after 1st year of usage
Pro Serial
Description:
A comprehensive kit of serial protocol support for embedded systems. These options automate bus decoding, eliminating the chore of hand decoding. Search capability makes it easy to zero in on specific bus activity.
Automated serial decoding provides system-level visibility without hand decoding.
- Includes Starter Bundle
Choose your series:
Subscription
4-PRO-SERIAL-1Y- Pay Annually
- Updates Included with active subscription
Perpetual
4-PRO-SERIAL-PER- Own the Software
- 1 year of updates included
- Purchase additional updates after 1st year of usage
Subscription
5-PRO-SERIAL-1Y- Pay Annually
- Updates Included with active subscription
Perpetual
5-PRO-SERIAL-PER- Own the Software
- 1 year of updates included
- Purchase additional updates after 1st year of usage
Subscription
6-PRO-SERIAL-1Y- Pay Annually
- Updates Included with active subscription
Perpetual
6-PRO-SERIAL-PER- Own the Software
- 1 year of updates included
- Purchase additional updates after 1st year of usage
Ultimate
Description:
The Ultimate Bundle offers the most capabilities and the highest savings in a single package.
- All the capabilities of the Starter Bundle, including embedded serial decode/trigger and integrated AFG
- All the capabilities of ALL Pro Bundles
- Increased record length on the 5 and 6 Series MSOs, – 500 Mpoints on the 5 Series MSO or 1 Gpoints on the 6 Series MSO.
- Wideband, synchronized spectrum analysis
- Spectrum View RF vs. time waveforms and triggering
- Expanded spectrum capture bandwidth
- Video triggering
Choose your series:
Subscription
- Pay Annually
- Updates Included with active subscription
Perpetual
4-ULTIMATE-PER- Own the Software
- 1 year of updates included
- Purchase additional updates after 1st year of usage
Subscription
5-ULTIMATE-1Y- Pay Annually
- Updates Included with active subscription
Perpetual
5-ULTIMATE-PER- Own the Software
- 1 year of updates included
- Purchase additional updates after 1st year of usage
Subscription
6-ULTIMATE-1Y- Pay Annually
- Updates Included with active subscription
Perpetual
6-ULTIMATE-PER- Own the Software
- 1 year of updates included
- Purchase additional updates after 1st year of usage
Maintenance
Description
Perpetual License Only
All perpetual-licensed software comes with 1 year of updates. Maintenance plans add 1 year of updates to existing Perpetual License for one year increments after 1st year of software purchase.
Selected Items
Total
Account Required In order to continue with your transaction, you would need to have a Tektronix account. Thank you.
Supported instruments
| Instrument Type | Model | KickStart App |
|---|---|---|
| SMU Instruments | 2400 Series, 2600 Series, 2650 Series, 6430 | I-V Characterizer |
| Oscilloscopes | TBS1000 Series, TBS2000 Series, 2 Series MSO, 3 Series MDO, 4 Series MSO, 5 Series MSO, 5 Series B MSO, 5 Series MSO Low Profile, 6 Series B MSO, MDO3000 Series, MDO4000 Series, MSO3000 Series, MSO4000 Series, DPO3000 Series, DPO4000 Series, TDS1000 Series, TDS2000 Series, and TDS200 Series | Scope |
| Data Acquisition Units | DAQ6510, DMM6500, 2700, 2701, 2750, 3706A | Data Logger |
| DMMs | DMM6500, DMM7510, DAQ6510, 2700, 2701, 2750, 2000, 2010, 2110 | DMM |
| Power Supplies | 2280S-32-6, 2280S-60-3, 2281S-20-6, 2220 Series, 2230 Series, 2231A-30-3, 2260B Series, 2200 Series, and 2306-LAN | Power Supply |
| Sensitive | 6517B, 6514, 6485, 6487, 6517A | DMM |
Starter Bundle
4, 5 or 6 Series MSOs equipped with a Starter Bundle (for example, 4-STARTER-PER) will be able to decode and trigger on I2C, SPI, RS232/422/485/UART bus activity as well as power measurements and analysis. Includes an integrated arbitrary/function generator with 13 predefined functions and arbitrary waveforms. This is equivalent to adding -AFG, -PWR, -SRCOMP and-SREMBD options.

| Included | Description | 4 Series | 5 Series | 6 Series |
|---|---|---|---|---|
| Starter Bundle |
|
Ultimate Bundle
The Ultimate Bundle offers the most capabilities and the highest savings in a single package. It includes:
- All the capabilities of the Starter Bundle, including embedded serial decode/trigger and integrated AFG
- All the capabilities of ALL Pro Bundles
- Increased record length on the 5 and 6 Series MSOs, – 500 Mpoints on the 5 Series MSO or 1 Gpoints on the 6 Series MSO.
- Wideband, synchronized spectrum analysis
- Spectrum View RF vs. time waveforms and triggering
- Expanded spectrum capture bandwidth
- Video triggering

| Included | Description | 4 Series | 5 Series | 6 Series |
|---|---|---|---|---|
| Starter Bundle |
|
|||
| All Pro Bundles | Automotive | |||
| Compliance | ||||
| Aerospace | ||||
| Power | ||||
| Serial | ||||
| These Additional Features | Spectrum View RF vs Time waveforms and triggering | |||
| Extended Spectrum View capture bandwidth | ||||
| Video triggering | ||||
| Extend record length to 500 Mpoints per channel | ||||
| Extend record length to 1 Gpoints per channel | ||||
| Floating (30 Day Trial) | ||||
| Node Locked Subscription (1 YR) License | ||||
| Node Locked Subscription (3 YR) License | ||||
| Node Locked Perpetual License | ||||
| Maintenance (Perpetual only) License | ||||
Pro Bundles
Pro Software Bundles
Developed with specific applications in mind:
Pro Automotive
Especially for ECU designers, this bundle provides outstanding system visibility for validations and troubleshooting. It includes support for important automotive protocols, and serial standards compliance testing and debugging
To the right, we are displaying a unique signal separation for Automotive Ethernet on 5 & 6 Series MSOs utilizing our Pro Automotive software.

*Requires solid-state drive with Windows operating system (options 5-WIN or 6-WIN)
![]() |
Pro ComplianceIncludes all currently available compliance options for your Windows® -equipped 5 or 6 Series MSO. All standards use the TekExpress engine for flexible configuration, full instrument control, informative prompts and comprehensive reporting. |
*Requires optional solid-state drive with Windows operating system (5-WIN / 6-WIN)
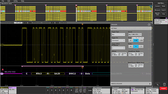
Pro Aerospace
Includes serial bus decoding for protocols used in the aerospace industry, as well as support for generic encoding schemes such as NRZ and Manchester. Mask and limit testing make it easy to automate testing of unique signals.

![]() |
Pro PowerAutomates a wide range of power measurements - from the AC line to point of load. Plus, automate common measurements such as true power, apparent power, reactive power, power factor and many more. 5 and 6 Series MSOs support advanced 3-phase motor drive analysis. Also includes decoding for popular power management buses. |
Pro Serial Decode
Especially for ECU designers, this bundle provides outstanding system visibility for validations and troubleshooting. It includes support for important automotive protocols, and serial standards compliance testing and debugging
To the right, we are displaying a unique signal separation for Automotive Ethernet on 5 & 6 Series MSOs utilizing our Pro Automotive software.











