Contact us
Call us at
Available 6:00 AM – 5:00 PM (PST) Business Days
Download
Download Manuals, Datasheets, Software and more:
Feedback
6 Series B MSO Mixed Signal Oscilloscope
Troubleshoot and validate high-speed designs with bandwidth that starts at 1 GHz and goes up to 10 GHz . Get accurate measurements with low noise and sample rate up to 50 GS/s . See more of your design with 6- and 8-channel models.
Up to 10GHz
Up to 50 GS/s
Up to 1 G
12 bits
Get to know the 6 Series B
Get to know the 6 Series B
- Performance Specifications
- A new standard in usability
- Built-in measurements and analysis
- Tackling high-speed clocks and data
- Multi-channel spectrum analysis
- From 3 V power rails to 3-phase drives
Lowest noise. More detail.
See signal details you couldn’t see before.
- Lowest input noise enabled by new TEK061 front-end ASICs
- 12-bit resolution at 5 GHz and up to 16-bit resolution at 200 MHz
- < 55 µV of noise at 1 mV/div and 1 GHz
- < 1.25 mV of noise at 50 mV/div and 10 GHz

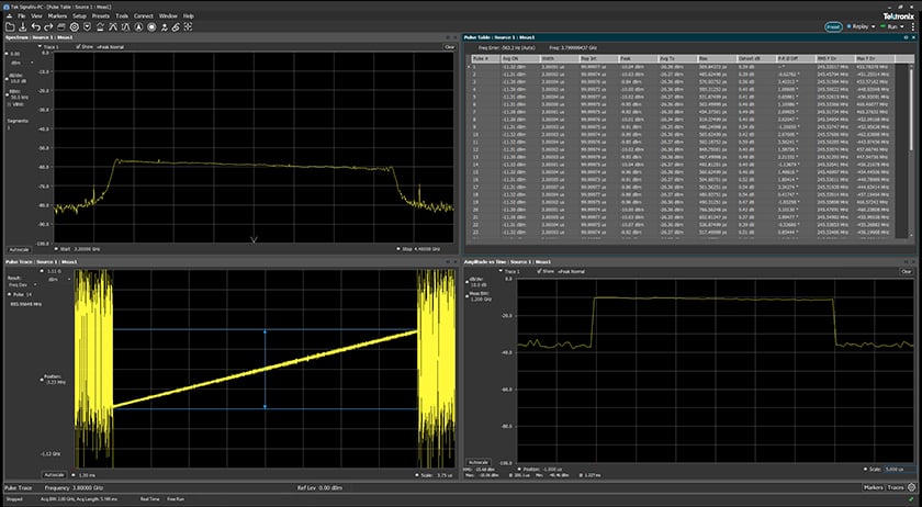
Synchronized multi-channel spectrum analysis
Unlock exciting capabilities with 4, 6 or 8 channels of spectrum analysis, and hardware digital downconverters (DDCs) in parallel with time domain signal processing.
- Any analog channel can be viewed as a waveform, spectrum, or both
- Plot and trigger on changes in RF frequency or magnitude
- Spectrums and time domain waveforms are synchronized to correlate RF and time domain events
- Spectrum controls such as center frequency and RBW are completely independent of time domain controls
Latest firmware update
Version: 2.22.7
Check out the latest new features:
- External CD/DVD drive peripheral support added to Linux-based 6 Series B MSOs
For instruments with advanced analysis options:
- Advanced Jitter Analysis (opt. DJA): New SJ@Freq Measurement measures sinusoidal jitter at specified frequency for PLL and jitter tolerance analysis.
- 3-Phase Inverter Motor Drive Analysis (opt. IMDA): Sin-Cos Sensor input now supported in DQ0 and all mechanical measurements to correlate rotational position.
- Wide Bandgap – Double Pulse Test Analysis (opt. WBG-DPT): Parallel Topology Analysis now includes Overshoot, Undershoot, and Damping Factor measurements.


Fidelity begins at the probe tip
With 4, 6 or 8 FlexChannel® inputs you can browse your circuits with the included 1 GHz probes. Connect high performance single-ended active probes or differential probes, or do both at once with TriMode probes. Connect a TLP058 logic probe and get 8 digital channels on any FlexChannel input to expand your system visibility.
- Built-in 1 MΩ and 50 Ω input terminations
- 1 GHz low-loading passive probe for each input, included
- TekVPI probe interfaces with 10W of probe power per channel for differential, current, power rail, and optically isolated probes
- TDP7700 Series 4, 6, 8 and 10 GHz TriMode probes -- perfect for measuring high-speed communications
Collaborate, Analyze, and Automate—Anywhere
Get fast, repeatable results and access your data from anywhere with powerful collaboration and automation tools.
- TekScope PC: Bring the same TekScope UX to your PC, so you can analyze waveforms, decode serial buses, and access oscilloscopes remotely. Upgrade for multi-scope analysis, jitter, and power measurements.
- TekDrive: Store and share waveforms right from your oscilloscope. Experience interactive, browser-based waveform viewing and seamless automation through full API support.
- eScope: Control your oscilloscope over any LAN with built-in eScope or Windows Remote Desktop.
- KickStart PC Software: Simplifies data capture and logging for your entire bench including oscilloscopes, function generators, power supplies, SMUs and more.
- dev.tek.com: Jumpstart your automation with Python packages, curated guides, examples, and more.


Specification Overview
Input Channels
4,6 or 8 FlexChannel inputs.
Each FlexChannel provides 1 analog signal input or 8 digital logic inputs with TLP0581 probe
Bandwidth 1
1, 2.5, 4, 6, 8, 10 GHz
Sample Rate
50 GS/s on 2 analog channels
25 GS/s on 4 analog channels
12.5 GS/s on > 4 analog channels
Record Length 1
Up to 1 Gpoints on 4 channels
Up to 500 Mpoints on > 4 channels
Signal Generator 1
13 standard waveform types, plus arbitrary
Digital Voltmeter 2
4 digit
Trigger Frequency Counter 2
8 digit
Display
15.6-inch (385 mm)
TFT color HD (1920 x 1080) resolution Capacitive (multi-touch) touchscreen
2 - Free with product registration
What's in the box?
- One TPP1000 1 GHz, low-C passive probe for each channel, with accessories
- Front cover with accessory pouch
- Power cord
- Printed Installation Manual covers safety and basic operation
- Comprehensive built-in online help
- Certificate of traceability
- 1-year warranty on the instrument and included probes

Choose a 6 Series MSO model to get a quote
| Model | Analog Bandwidth | Sample Rate | Record Length | Analog Channels | Digital Channels | Function Generator Output | List Price | Configure And Quote |
|---|---|---|---|---|---|---|---|---|
| MSO64B | 1 GHz - 10 GHz |
Up to 50 GS/s |
62.5 M - 1 G |
4 |
Up to 32 (optional) |
1 (optional) |
US $42,600 | Configure & Quote |
| MSO66B | 1 GHz - 10 GHz |
Up to 50 GS/s |
62.5 M - 1 G |
6 |
Up to 48 (optional) |
1 (optional) |
US $54,400 | Configure & Quote |
| MSO68B | 1 GHz - 10 GHz |
Up to 50 GS/s |
62.5 M - 1 G |
8 |
Up to 64 (optional) |
1 (optional) |
US $70,000 | Configure & Quote |
| Model | Analog Bandwidth | Sample Rate | Record Length | Analog Channels | Digital Channels | Function Generator Output | List Price | Configure And Quote |
|---|---|---|---|---|---|---|---|---|
| MSO64B | 1 GHz - 10 GHz |
Up to 50 GS/s |
62.5 M - 1 G |
4 |
Up to 32 (optional) |
1 (optional) |
US $42,600 | Configure & Quote |
| MSO66B | 1 GHz - 10 GHz |
Up to 50 GS/s |
62.5 M - 1 G |
6 |
Up to 48 (optional) |
1 (optional) |
US $54,400 | Configure & Quote |
| MSO68B | 1 GHz - 10 GHz |
Up to 50 GS/s |
62.5 M - 1 G |
8 |
Up to 64 (optional) |
1 (optional) |
US $70,000 | Configure & Quote |
| Tektronix 6 Series MSO |
Tektronix 5 Series MSO |
Keysight MXR-Series |
Rohde & Schwarz RTP Series |
Rohde & Schwarz RTO Series |
LeCroy WavePro HD |
|
|---|---|---|---|---|---|---|
| Detailed Comparison | -- | -- | Fact Sheet | Fact Sheet | Fact Sheet | Fact Sheet |
| Number of Analog Channels | 4, 6 or 8 | 4, 6 or 8 | 4 or 8 | 4 | 2 or 4 | 4 |
| Bandwidth Ranges | 1 GHz to 10 GHz | 350 MHz to 2 GHz | 500 MHz to 6 GHz | 4 GHz to 16 GHz | 600 MHz to 6 GHz | 2.5 GHz to 8 GHz |
| Max Bandwidth on 4 channels | 10 GHz | 2 GHz | 6 GHz | 8 GHz | 4 GHz | 4 GHz |
| Max Bandwidth on 8 channels | 5 GHz | 2 GHz | 6 GHz | -- | -- | -- |
| Upgradeable Bandwidth | Yes | Yes | Yes | Yes | Yes | No |
| Channel Input Impedance | 50 Ω, 1 MΩ | 50 Ω, 1 MΩ | 50 Ω, 1 MΩ | 50 Ω | 50 Ω, 1 MΩ | 50 Ω, 1 MΩ |
| Analog Sample Rate (on 4 Channels) | Up to 25 GS/s | Up to 6.25 GS/s | Up to 16 GS/s | Up to 20 GS/s | Up to 20 GS/s | Up to 10 GS/s |
| Analog Sample Rate (on 8 Channels) | Up to 12.5 GS/s | Up to 6.25 GS/s | Up to 16 GS/s | -- | -- | -- |
| Standard Record Length (on all channels) | 62.5 Mpts | 62.5 Mpts | 200 Mpts | 50 Mpts | 50 Mpts | 50 Mpts |
| Optional Record Length | 4 Ch: 1 Gpts >4 Ch: 500 Mpts |
500 Mpts | 400 Mpts | 1 Gpts | 1 Gpts | 2.5 Gpts |
| Integrated Arbitrary/Function Generator | 50 MHz (opt.) | 50 MHz (opt.) | 50 MHz (opt.) | None | 100 MHz (opt.) | None |
| Digital / Logic Analysis Channels (MSO) | Up to 64 (opt.) | Up to 64 (opt.) | 16 (opt.) | 16 (opt.) | 16 (opt.) | 16 (opt.) |
| Waveform Capture Rate (wfms / Sec) | >500,000 | >500,000 | 200,000 | 950,000 | >1,000,000 | Not Available |
| RMS Noise, 1mV/div, at 1 GHz, 4GHz, 10GHz | 54 µV, 93 µV, 201 µV | 254 µV, NA, NA | 73 µV, 132 µV, NA | NA, 270 µV, NA | 100 µV, 220 µV, NA | NA, 228 µV, NA |
| ADC Resolution | 12 bits | 12 bits | 10 bits | 8 bits | 8 bits | 12 bits |
| Operating System | Embedded OS Windows 10 (opt.) |
Embedded OS Windows 10 (opt.) |
Windows 10 | Windows 10 | Windows 7 | Windows 10 |
| Standard Probes | 1 GHz Passive 3.9 pF loading |
Up to 1 GHz Passive 3.9 pF loading |
500 MHz Passive 9.5 pF loading |
None | 500 MHz Passive 10 pF loading |
500 MHz Passive 10 pF loading |
| Standard Warranty | 1 year | 3 years | 1 years | 3 years | 3 years | 3 years |
Embedded Design and Debug
Debug and perfect your designs with serial bus decoders and power analysis. Save time and prevent errors compared to manual or offline decoding and analysis.
Highlights
- Over 30 serial bus decode and triggering options
- Search serial bus packets for system-level debugging
- Measure power rail timing, ripple and frequency response to increase power supply performance and efficiency
- Available built-in DMM and AFG can be activated to create an all-in-one design productivity tool.
The Starter Bundle provides a convenient package of essential design and debug tools.


Power Integrity and Power Management
Today’s boards can have 20 or more power rails. Many are less than 3 V and most have noise limits. Accurate noise measurements demand special attention.
Highlights
- Low measurement system noise
- Compatible with low-noise TPR Series power-rail probes
- Decoding options for SVID and SPMI
- Impedance measurements
Getting Started with Power Rail Measurements Application Note
Jitter Analysis
Clocks are the heart of every embedded system and digital communication link. Jitter and other clock distortion can impact system operation, and getting to the root cause can be challenging without the right analysis tools.
Highlights
- Standard phase noise, TIE, and frequency plots and histograms
- Advanced Jitter Analysis (option DJA) adds jitter decomposition and clock recovery
- Signal Integrity Modeling Software (option SIM) enables de-embed/embed for high-speed signals
Learn how to use the 6 Series MSO for Jitter Analysis


Vector Signal Analysis
Conduct advanced wideband RF analysis with up to 2 GHz analysis bandwidth with SignalVu-PC Vector Signal Analysis software.
- RF measurements
- Modulation analysis
- 5G NR measurements
- Error vector magnitude
- Pulsed RF measurements
Watch the Vector Signal Analysis Overview video
Get the details on SignalVu-PC Vector Signal Analysis Software
Serial Standards Compliance Testing
High speed digital interfaces rely on rigorous test procedures to ensure reliability and interoperability. Automated compliance testing software, available with the Pro-Compliance bundle, manages the whole testing process -- setup, making measurements, checking against limits, and generating detailed reports.
Highlights
- Ethernet 10/100/1000BASE-T, NBASE-T and XGBT
- Automotive Ethernet 10/100/1000BASE-T1
- MIPI D-PHY 1.2
- Automotive Ethernet 100/1000BASE-T1


Electromagnetic Interference (EMI) Troubleshooting
Each analog channel on the 6 Series MSO can show you a time domain waveform, a spectrum, or both. Time and frequency plots are synchronized to help you quickly determine which signals are the victims and which ones are the aggressors.
EMI Troubleshooting with the Latest-Generation Oscilloscopes
3-Phase Inverters, Motors and Drives
The Inverters, Motors, and Drives Analysis package(opt. IMDA), available in select Pro bundles, makes it easy to perform stable, reliable power measurements on 3-phase PWM systems.
Highlights
- Up to 8 analog input channels
- 3-phase wye, delta, and single-phase wiring configurations
- Comprehensive power and harmonics measurements
- Mechanical measurements
- DQ0 measurements

Essential Software for Today's Engineers
Unlock powerful automated measurements, in-depth waveform analysis, and industry-leading visualizations with our oscilloscope software bundles. Designed for specific workflows, these tools help you gain deeper insights—fast.
Whether you're debugging embedded systems or optimizing power efficiency, we have the right solution for you. Choose individual software options or save an average of 50% with a bundle:
- Starter Bundle – Essential embedded design and debug capabilities plus advanced power analysis for boosting power efficiency and signal integrity.
- Pro Bundle – Choose from six Pro Bundles to utilize Tektronix expertise with power, signal integrity, serial protocols, compliance, and industry-specific applications.
- Ultimate Bundle – Saves you an average of 90% by unlocking all available software options and bundles and 1G/ch record length, so your oscilloscope grows with your testing needs.
Choose the bundle that fits your project—and accelerate your workflow today.
Learn about subscription and perpetual licenses.
Download the software bundles features list
Subscription vs Perpetual License
Subscription: Get the latest features, updates, and support
Perpetual License: Get the software for life, with optional updates via a maintenance license
Bundles
Individual OptionsStarter: A must-have for every engineer
US $3,170
Subscription
US $7,580
Perpetual
Every engineer can elevate their analysis with the Starter Bundle. Get essential embedded design and debug capabilities plus advanced power analysis for boosting power efficiency and signal integrity:
Debug your interfaces with triggering and decoding of SPI, I2C, and RS232/485/422/UART
Improve your power system with switching analysis, PSRR, frequency response analysis/bode plots and impedance measurements
Test and troubleshoot faster with an on-board arbitrary function generator
Extend record length to 125M/ch
Select license option to continue
Pro: Designed to tackle any engineering challenge
The Pro Bundles are designed to tackle today’s design challenges. Gain deep insights, accelerate with automation, and utilize Tektronix expertise with power, signal integrity, serial protocols, compliance, and industry-specific applications. Choose the right bundle for your application to get an edge to innovate with precision.
Every Pro Bundle includes:
-
All analysis features included in the Starter Bundle
-
Record length upgrade to 250M/ch
-
Listed measurements and analysis capabilities
Serial Decode
A comprehensive kit of serial protocol support for embedded systems so you're ready for any project.
US $7,910
Subscription
US $19,700
Perpetual
- 1-Wire
- Audio
- CAN, CAN FD,
CAN XL - CXPI
- EtherCAT
- Ethernet
- eSPI
- eUSB
- FlexRay
- I3C
- Manchester
- LIN
- MDIO
- MIPI C-PHY
- MIPI D-PHY
- NFC
- NRZ
- PCIe Gen 1, 2, 3
- SDLC
- SMBus
- SPMI
- SVID
- USB 2.0
- USB 3.0
- Power Measurement and Analysis
Select license option to continue
Automotive
All the analysis you need for the connected car from ECU and infotainment to motors and drives.
US $7,910
Subscription
US $20,000
Perpetual
- Jitter analysis
- PAM3 analysis*
- Signal separation*
- 100BASE-T1 and 1000BASE-T1 compliance
- Multi-gigabit Automotive Ethernet compliance
- 10BASE-T1S compliance
- MIPI D-PHY compliance
- Inverter & motor drive analysis
- Double pulse testing
- 100BASE-T1 decoding
- CAN, CAN FD,
CAN XL decoding - CXPI decoding
- FlexRay decoding
- I3C decoding
- LIN decoding
- PSI5 decoding
- SENT decoding
- Power Measurement and Analysis
Select license option to continue
Aerospace & Defense
Serial bus decoding for key aerospace protocols, reliable signal validation, and efficiency analysis to support mission-critical designs.
US $7,910
Subscription
US $19,500
Perpetual
- Jitter Analysis
- Mask/Limit Testing
- Serial T/D
- Mil-Std-1553
- ARINC429
- Spacewire
- NRZ
- Power Measurement and Analysis
Select license option to continue
Power
Automate power measurements—from AC line to point of load. Analyze inverters, motors, and drives, and accelerate Wide Bandgap design. Characterize component and circuit frequency response.
US $10,100
Subscription
US $25,200
Perpetual
- Advanced Power Analysis
- Digital Power Management Analysis
- Double pulse testing
- SPMI decoding
- SVID decoding
- TDR measurements
- Inverter & Motor Drive Analysis with DQ0 and mechanical measurements
- Inverter ride‑through
Select license option to continue
Compliance
Comprehensive test automation with compliant reporting for leading serial standards.
US $7,580
Subscription
US $18,700
Perpetual
- 10/100/100BASE-T Ethernet with Multi-lane*
- 2.5G/5G/10G BASE-T Ethernet*
- 10BASE-T1L Industrial Ethernet*
- USB2.0*
- MIPI D-PHY 1.2*
- MIPI D-PHY 2.1*
- DDR3*
- Power Measurement and Analysis
- DJA
Select license option to continue
Signal Integrity
Analyze jitter and signal integrity. Open eye diagrams and ensure the fidelity of your high-speed signals.
US $7,910
Subscription
US $19,700
Perpetual
- Jitter Analysis
- PAM3 Analysis*
- LVDS Debug*
- DDR3 Debug
- Mask/Limit Testing
- User-Defined Filters
- Power Measurement and Analysis
Select license option to continue
Ultimate: Complete coverage for evolving needs
US $15,200
Subscription
US $37,300
Perpetual
Future-proof your investment. The Ultimate Bundle unlocks the full software suite, expanded record length, and powerful RF analysis tools ideal for IoT, radar, electronic warfare, and wireless applications.
What’s Included:
-
All-in-One Access: Includes all analysis features included in the Starter bundle and all Pro Bundles
-
Extended Record Length: Unlock 1G/ch for deep signal insight
-
Advanced RF Analysis with Spectrum View:
-
Visualize RF vs. Time: Power, frequency, and phase plotted over time
-
Extended Spectrum View Bandwidth for broader capture
-
RF Triggering and IQ Data Export for in-depth RF characterization
-
Optimize your workflow and be ready for whatever comes next—with the Ultimate Bundle.
Select license option to continue
* Indicates features that require 6-WIN
Access Digital Channels
| Upgrade | Description | Purchasing Details |
|---|---|---|
| TLP058 Logic Probe | Each probe accesses 8 digital channels on any FlexChannel input | Request a quote on this probe |
Add Instrument Functions
| Upgrade | Description | Purchasing Details |
|---|---|---|
| SUP6-AFG | Add arbitrary function generator | Request trial license Request a quote |
| SUP6-DVM | Add digital voltmeter / trigger frequency counter | Software upgrade license file provided upon registration. Register now. |
| SUP6-RL-1 | Extend record length to 125 Mpts / channel | Request trial license Request a quote |
| SUP6-RL-1T2 | Extent record length from 125 Mpts/channel to 250 Mpts/channel | Request trial license Request a quote |
| SUP6-RL-2 | Extend record length to 250 Mpts / channel | Request trial license Request a quote |
| SUP6-RL-3 | Extend record length from 62.5 M/ch to 500 M/ch | Request trial license Request a quote |
| SUP6-RL-1T3 | Extend record length from 125 M/ch to 500 M/ch | Request trial license Request a quote |
| SUP6-RL-2T3 | Extend record length from 250 M/ch to 500 M/ch | Request trial license Request a quote |
| SUP6-RL-4 | Extend record length from 62.5 M/ch to 1 G/ch | Request trial license Request a quote |
| SUP6-RL-1T4 | Extend record length from 125 M/ch to 1 G/ch | Request trial license Request a quote |
| SUP6-RL-2T4 | Extend record length from 250 M/ch to 1 G/ch | Request trial license Request a quote |
| SUP6-RL-3T4 | Extend record length from 500 M/ch to 1 G/ch | Request trial license Request a quote |
| SUP6B-LNX | Expansion solid state drive with embedded operating system | No trial available Request a quote |
| SUP6B-WIN | Expansion solid state drive with Windows 10 license | No trial available Request a quote |
Add Protocol Analysis
| Upgrade | Description | Purchasing Details |
|---|---|---|
| SUP6-RFNFC | NFC wireless protocol decoding and search | Request trial license Request a quote |
| SUP6-SR8B10B | 8b10b Protocol Decoder and Search | Request trial license Request a quote |
| SUP6-SRAERO | Aerospace serial triggering and analysis (MIL-STD-1553, ARINC429) | Request trial license Request a quote |
| SUP6-SRAUDIO | Audio serial triggering and analysis (I 2S, LJ, RJ, TDM) | Request trial license Request a quote |
| SUP6-SRAUTO | Automotive serial triggering and analysis (CAN, CAN FD, CAN XL, LIN, FlexRay) | Request trial license Request a quote |
| SUP6-SRAUTOEN1 | 100BASE-T1 automotive Ethernet protocol decode software | Request trial license Request a quote |
| SUP6-SRAUTOSEN | Automotive sensor serial triggering and analysis (SENT) | Request trial license Request a quote |
| SUP6-SRCOMP | Computer serial triggering and analysis (RS-232/422/485/UART) | Request trial license Request a quote |
| SUP6-SRCPHY | MIPI C-PHY protocol decoding and analysis | Request trial license Request a quote |
| SUP6-SRETHERCAT | EtherCAT protocol decoding and analysis | Request trial license Request a quote |
| SUP6-SRCXPI | CXPI protocol decoding and analysis | Request trial license Request a quote |
| SUP6-SRDPHY | MIPI D-PHY 1.2 (CSI-2, DSI-1) decoding and analysis | Request trial license Request a quote |
| SUP6-SREMBD | Embedded serial triggering and analysis (I 2C, SPI) | Request trial license Request a quote |
| SUP6-SRENET | Ethernet serial triggering and analysis (10Base-T, 100Base-TX) | Request trial license Request a quote |
| SUP6-SRESPI | eSPI protocol decoding and analysis | Request trial license Request a quote |
| SUP6-SREUSB2 | eUSB2 protocol decoding and analysis | Request trial license Request a quote |
| SUP6-SRI3C | MIPI I3C decoding and analysis | Request trial license Request a quote |
| SUP6-SRMANCH | Manchester protocol decoding and analysis | Request trial license Request a quote |
| SUP6-SRMDIO | MDIO protocol decoding and analysis | Request trial license Request a quote |
| SUP6-SRNRZ | NRZ Protocol Decoder and Search | Request trial license Request a quote |
| SUP6-SRONEWIRE | 1-Wire protocol decoding and analysis | Request trial license Request a quote |
| SUP6-SRPCIE321 | PCIe Gen 1, 2 and 3 protocol decoding and analysis | Request trial license Request a quote |
| SUP6-SRPM | Power Management serial triggering and analysis (SPMI) | Request trial license Request a quote |
| SUP6-SRPSI5 | PSI5 serial decode and analysis | Request trial license Request a quote |
| SUP6-SRSDLC | Synchronous Data Link Control protocol decoding and analysis | Request trial license Request a quote |
| SUP6-SRSMBUS | SMBus protocol decoding and analysis | Request trial license Request a quote |
| SUP6-SRSPACEWIRE | SpaceWire protocol decoding and analysis | Request trial license Request a quote |
| SUP6-SRSVID | SVID protocol decoding and analysis | Request trial license Request a quote |
| SUP6-SRUSB2 | USB 2.0 serial bus triggering and analysis (LS, FS, HS) (≥ 1 GHz model recommended for HS) | Request trial license Request a quote |
| SUP6-SRUSB3 | USB 3.x Protocol Decode and Search | Request trial license Request a quote |
Add Serial Compliance Testing
| Upgrade | Description | Purchasing Details |
|---|---|---|
| SUP6-AUTOEN-BND | Automotive Ethernet Compliance, Signal Separation, PAM3 Analysis, 100BASE-T1 Decode software | Request trial license Request a quote |
| SUP6-AUTOEN-SS | Signal Separation Solution (Min BW 1 GHz) using TekExpress Automation Platform | Request trial license Request a quote |
| SUP6-CMINDUEN10 | Industrial Ethernet (10Base-T1L Long reach) automated compliance test solution | Request trial license Request a quote |
| SUP6-PAM3 | PAM3 Automated Compliance Solution (Min BW 1 GHz) using TekExpress Automation Platform | Request trial license Request a quote |
| SUP6-CMAUTOEN | Automotive Ethernet (100Base-T1 and 1000BASE-T1) automated compliance test solution | Request trial license Request a quote |
| SUP6-CMAUTOEN10 | Automotive Ethernet (10BASE-T1S Short Reach) automated compliance test solution | Request trial license Request a quote |
| SUP6-CMAUTOEN10G | Automotive Ethernet (Multi-gigabit) automated compliance test solution | |
| SUP6-CMCPHY20 | MIPI C-PHY 2.0 Tx automated conformance test solution (requires option 6-DJA) | Request trial license Request a quote |
| SUP6-CMUSB2 | USB 2.0 automated pre-compliance test solution | Request trial license Request a quote |
| SUP6-CMENET | Ethernet (10/100/1000BASE-T) compliance test solution | Request trial license Request a quote |
| SUP6-CMENETML | Multilane Ethernet (10BASE-T, 100BASE-T, 1000BASE-T) automated compliance testing for 6 Series MSO, requires 6-CMENET and 6-WIN | Request trial license Request a quote |
| SUP6-CMDPHY | MIPI D-PHY 1.2 compliance test solution | Request trial license Request a quote |
| SUP6-CMDPHY21 | MIPI D-PHY 2.1 test automation software. Requires 6-DJA and 6-WIN | Request trial license Request a quote |
| SUP6-CMDPHY21UP | MIPI D-PHY 2.1 test automation software, upgrade from D-PHY 1.2 | Request trial license Request a quote |
| SUP6-CMNBASET | Ethernet (2.5/5GBASE-T) compliance test solution | Request trial license Request a quote |
| SUP6-CMXGBT | Ethernet (10GBASE-T) compliance test solution | Request trial license Request a quote |
| SUP6-DBLVDS | Automated LVDS test solution for 6 Series MSO oscilloscopes | Request trial license Request a quote |
Add Advanced Analysis
| Upgrade | Description | Purchasing Details |
|---|---|---|
| SUP6-DPM | Digital power management analysis software | Request trial license Request a quote |
| SUP6-DJA | Advanced jitter and eye analysis | Request trial license Request a quote |
| SUP6B-IMDA | Inverters, motors and drives analysis | Request trial license Request a quote |
| SUP6B-IMDA-DQ0 | DQ0 analysis for IMDA | Request trial license Request a quote |
| SUP6B-IMDA-MECH | Mechanical measurements for Inverters, Motors and Drives | Request trial license Request a quote |
| SUP6-MTM | Mask and limit testing | Request trial license Request a quote |
| SUP6-PWR | Power analysis | Request trial license Request a quote |
| SUP6-SV-BW-1 | Increase Spectrum View Capture Bandwidth to 2 GHz | Request trial license Request a quote |
| SUP6-SV-RFVT | Spectrum View RF versus time analysis and trigger | Request trial license Request a quote |
| SUP6-TDR | Time domain reflectometry TDR measurements and analysis | Request trial license Request a quote |
| SUP6-UDFLT | User-defined filter creation tool | Request trial license Request a quote |
| SUP6-VID | Analog video trigger (NTSC, PAL, SECAM) | Request trial license Request a quote |
Upgrade Bandwidth
| Upgrade | Description | Purchasing Details |
|---|---|---|
| SUP6B-BW4 | Bandwidth upgrade for 6 Series B MSO with 4 FlexChannel inputs. See datasheet for options. | |
| SUP6B-BW6 | Bandwidth upgrade for 6 Series B MSO with 6 FlexChannel inputs. See datasheet for options. | |
| SUP6B-BW8 | Bandwidth upgrade for 6 Series B MSO with 8 FlexChannel inputs. See datasheet for options. |
Add Memory Debug and Compliance
| Upgrade | Description | Purchasing Details |
|---|---|---|
| SUP6-DBDDR3 | DDR3 memory debug solution | Request trial license Request a quote |
| SUP6-CMDDR3 | DDR3 / LPDDR3 Compliance Test | Request trial license Request a quote |
| Datasheet Link | Probe | Description | Configure and Quote |
|---|---|---|---|
| View Datasheet | TCP0020 | Probe, AC/DC Current; 20 Amp; 50 MHz BW; TekVPI Interface; Certificate of Traceable Calibration Standard | Configure & Quote |
| View Datasheet | TCP0030A | Probe, AC/DC Current; 30 Amp DC, DC TO 120 MHZ; with TekVPI Interface; Certificate of Traceable Calibration Standard | Configure & Quote |
| View Datasheet | TCP0150 | Current Probe: 20 MHz, 5 mA to 212 A, AC/DC, TekVPI | Configure & Quote |
| View Datasheet | TCP312A | Probe, AC/DC Current; 30 Amp DC, DC-100MHZ, Certificate of Traceable Calibration Standard | Configure & Quote |
| View Datasheet | TCPA300 | Current Probe: 100 MHz, Amplifier (Requires Probe) | Configure & Quote |
| Datasheet Link | Probe | Description | Configure and Quote |
|---|---|---|---|
| View Datasheet | TDP0500 | Differential Probe: 500 MHz, 5X/50X, +/- 42V, TekVPI | Configure & Quote |
| View Datasheet | TDP1000 | Differential Probe: 1 GHz, 5X/50X, +/- 42V, TekVPI | Configure & Quote |
| View Datasheet | THDP0100 | Differential PROBE; 100 MHZ TekVPI DIFFERENTIAL HIGH VOLTAGE PROBE | Configure & Quote |
| View Datasheet | THDP0200 | Differential PROBE; 200 MHZ TekVPI DIFFERENTIAL HIGH VOLTAGE PROBE | Configure & Quote |
| View Datasheet | TMDP0200 | Differential PROBE; 200 MHZ TekVPI DIFFERENTIAL MEDIUM VOLTAGE PROBE;TMPD0200 | Configure & Quote |
| Datasheet Link | Probe | Description | Configure and Quote |
|---|---|---|---|
| View Datasheet | TPP0850 | High Voltage Probe: 800 MHz, 50X, 2.5 kV, Single-ended, TekVPI | Configure & Quote |
| Datasheet Link | Probe | Description | Configure and Quote |
|---|---|---|---|
| View Datasheet | TICP025 | 250 MHz Tektronix Isolated Current Probe | Configure & Quote |
| View Datasheet | TICP050 | 500 MHz Tektronix Isolated Current Probe | Configure & Quote |
| View Datasheet | TICP100 | 1 GHz Tektronix Isolated Current Probe | Configure & Quote |
| Datasheet Link | Probe | Description | Configure and Quote |
|---|---|---|---|
| View Datasheet | TIVP02 | IsoVu Gen. 2 optically isolated differential probe, 200 MHz, TekVPI, 2 m cable, includes 10X (TIVPMX10X) tip | Configure & Quote |
| View Datasheet | TIVP02L | IsoVu Gen. 2 optically isolated differential probe, 200 MHz, TekVPI, 10 m cable, includes 10X (TIVPMX10X) tip | Configure & Quote |
| View Datasheet | TIVP05 | IsoVu Gen. 2 optically isolated differential probe, 500 MHz, TekVPI, 2 m cable, includes 10X (TIVPMX10X) tip | Configure & Quote |
| View Datasheet | TIVP05L | IsoVu Gen. 2 optically isolated differential probe, 500 MHz, TekVPI, 10 m cable, includes 10X (TIVPMX10X) tip | Configure & Quote |
| View Datasheet | TIVP1 | IsoVu Gen. 2 optically isolated differential probe, 1 GHz, TekVPI, 2 m cable, includes 10X (TIVPMX10X) tip | Configure & Quote |
| View Datasheet | TIVP1L | IsoVu Gen. 2 optically isolated differential probe, 1 GHz, TekVPI, 10 m cable, includes 10X (TIVPMX10X) tip | Configure & Quote |
| Datasheet Link | Probe | Description | Configure and Quote |
|---|---|---|---|
| TLP058 | 8 channel general purpose logic probe for 5 and 6 Series MSO oscilloscopes. Includes accessory kit. | Configure & Quote |
| Datasheet Link | Probe | Description | Configure and Quote |
|---|---|---|---|
| View Datasheet | TDP1500 | Differential Probe: 1.5 GHz, 1X/10X, +/-8.5V, TekVPI | Configure & Quote |
| View Datasheet | TDP3500 | Differential Probe: 3.5 GHz, 5X, +/- 2V, TekVPI | Configure & Quote |
| View Datasheet | TDP4000 | 4 GHz, Differential Probe with TekVPI interface | Configure & Quote |
| View Datasheet | TDP7704 | 4 GHz, TriMode Probe with TekFlex connector, TekVPI+ interface | Configure & Quote |
| View Datasheet | TDP7706 | 6 GHz, TriMode Probe with TekFlex connector, TekVPI+ interface | Configure & Quote |
| View Datasheet | TDP7708 | 8 GHz, TriMode Probe with TekFlex connector, TekVPI+ interface | Configure & Quote |
| View Datasheet | TDP7710 | 10 GHz, TriMode Probe with TekFlex connector, TekVPI+ interface | Configure & Quote |
| Datasheet Link | Probe | Description | Configure and Quote |
|---|---|---|---|
| View Datasheet | TAP1500 | Active Probe: 1.5 GHz, 10X, Single-ended, TekVPI | Configure & Quote |
| View Datasheet | TAP2500 | Active Probe: 2.5 GHz, 10X, Single-ended, TekVPI | Configure & Quote |
| View Datasheet | TAP4000 | 4 GHz, Single Ended Probe with TekVPI interface | Configure & Quote |
| Datasheet Link | Probe | Description | Configure and Quote |
|---|---|---|---|
| View Datasheet | TPP0502 | Passive Probe: 500 MHz, 2X, TekVPI | Configure & Quote |
| View Datasheet | TPP1000 | Passive Probe: 1 GHz, 10X, TekVPI | Configure & Quote |
| Datasheet Link | Probe | Description | Configure and Quote |
|---|---|---|---|
| View Datasheet | TPR1000 | 1 GHz, Single-Ended TekVPI Power-Rail Probe with TPR4KIT Standard Accessory Kit | Configure & Quote |
| View Datasheet | TPR4000 | 4 GHz, Single-Ended TekVPI Power-Rail Probe with TPR4KIT Standard Accessory Kit | Configure & Quote |
| Datasheet / Manual | Accessory | Description |
|---|---|---|
| View Manual | HC5 | Hard transit case for the 5 and 6 Series MSO |
| View Manual | RM5 | Rackmount kit for the 5 and 6 Series MSO |
| View Datasheet | TPA-20MHZ | TekVPI-based 20 MHz filter |
Tektronix offers a range of calibration and warranty extension plans for purchase with your instrument to protect and maintain its performance over the years. With benefits from priority service to OEM expert maintenance to accident protection, invest now to avoid unplanned downtime and expense. Talk to your sales rep about adding a service plan to your instrument purchase.

| Service Plan Feature |
Total Protection (Opt. T3, T5) |
Tek Care (Opt. R3, R5) |
|---|---|---|
| Extension of factory warranty | ||
| Protection from manufacturer defects | ||
| Free factory certified calibration with repair (if necessary) | ||
| Free in-country shipping | ||
| Priority on-bench service | ||
| Coverage of user-caused EOS and ESD damage | ||
| Coverage from accidental damage | ||
| Coverage from normal wear and tear |
| Calibration Features: |
Z540 Calibration1 |
ISO 17025 Compliant1 |
ISO 17025 Accredited |
|---|---|---|---|
| Certificate of calibration and calibration label designed to meet audit requirements | |||
| Firmware updates, if applicable, along with safety and reliability updates ² | |||
| OEM procedures for measurements ² | |||
| Test data | Optional | ||
| Calibration record retention | |||
| Traceability | |||
| Uncertainty analysis | |||
| Independent verification by a ISO/IEC accredited organization (with logo on certificate) |
| Product/Option |
Description |
|---|---|
| Tektronix Opt. C3 | Calibration service 3 years. C3 provides for 2 calibration events during 3 years after shipment. Includes traceable calibration or functional verification where applicable, for recommended calibrations. Coverage includes the initial calibration plus 2-years calibration coverage. |
| Tektronix Opt. C5 | Calibration service 5 years. C5 provides for 4 calibration events during 5 years after shipment. Includes traceable calibration or functional verification where applicable, for recommended calibrations. Coverage includes the initial calibration plus 4-years calibration coverage. |
1 May be ISO 9001 in specific locations.
2 Standard with factory certified service.
Some limits apply, see program terms for details.
Need to Calibrate More than Just Your 6 Series?
Tektronix is a leading accredited calibration services provider for all brands of electronic test and measurement equipment, servicing more than 140,000 models from 9,000 manufacturers. With 100+ labs worldwide, Tektronix serves as your single global partner delivering tailored calibration programs with OEM quality at a market price. Onsite, local pickup and delivery, and other options available.













