
Contact us
Call
Call us at
Available 6:00 AM – 5:00 PM (PST) Business Days
Download
Download Manuals, Datasheets, Software and more:
Feedback
PSPL5575A 12 GHz Bias Tee Datasheet
PSPL5575A Datasheet
The products on this datasheet are no longer being sold by Tektronix.
View Tektronix Encore for reconditioned test equipment.
Check support and warranty status for these products.

PSPL5575A Datasheet
The PSPL5575A is a broadband coaxial bias insertion tee and DC blocking capacitor designed to pass fast rise pulses with minimum waveform distortion. The rise time is 30 ps with a -3 dB bandwidth extending from 10 kHz to 12 GHz. The PSPL5575A will safely carry 500 mA of DC current. However, core saturation limits the low frequency response at DC currents above 20 mA.
Key performance specifications
- 10 kHz to 12 GHz
- 30 ps rise time
- 50 V, 500 mA
Typical performance

1 db/div and 2 GHz/div Insertion Loss

5 dB/div and 2 GHz/div Return Loss

10 dB/div and 2 GHz/div Isolation (AC-DC)
Top to bottom: 500 ps/div, 100 ps/div, and 20 ps/div; 10 ps Step Response

2.5% rho/div and 200 ps/div; 35 ps TDR of AC port.
Specifications
| Parameter | Symbol | Units | Minimum | Typical | Maximum | Comments |
|---|---|---|---|---|---|---|
| Impedance | Z | ohms | 50 | |||
| Upper 3 dB frequency | fc,h | GHz | 10 | 12 | ||
| Lower 3 dB frequency | fc,l | kHz | 10 | |||
| Rise time | tr | ps | 30 | 35 | 10 – 90% | |
| Insertion loss | S21 | dB | 0.6 | 0.01 – 3 GHz | ||
| Input (AC), Return Loss | S11 | dB | RL > 18 dB – 1.2 dB / GHz * f (GHz) | 0.1 | ||
| Refl. Coefficient (35 ps TDR) | Γ | % | ±5
-6 |
t ≤ 100 ps
t > 100 ps |
||
| DC voltage | V | V | 50 | |||
| DC current | I | mA | 500 | |||
| Capacitance | C | μF | 0.02 | - 50%, + 80% | ||
| Inductance | L | mH | 8 | ±30% | ||
| Resistance | R | ohms | 0.6 | |||
| RF power | P | W | 3.5 | Average power | ||
| Isolation | S13 | dB | ≥30 | |||
| DC path bandwidth | fc,DC | kHz | 10 | |||
| Core Saturation
(-3 dB low freq.) |
fc,lsat | kHz |
≤10 70 300 |
DC Current
100 mA 500 mA |
||
| RF Connectors | SMA jacks (f) | |||||
| DC Connector | SMA jack (f) | |||||
| Warranty | One Year | |||||
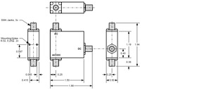
- Mechanical dimensions

Dimensions in inches; Tolerances: .XX = 0.01, .XXX = 0.05
Ordering information
Models
- PSPL5575A
- BIAS TEE, 12 GHz, 50 V

