お問い合わせ
ダウンロード
マニュアル、データシート、ソフトウェアなどのダウンロード:
フィードバック
ワイド・バンドギャップ – ダブル・パルス・テスト解析
4/5B/6シリーズMSO Opt. 4-WBG-DPT/5-WBG-DPT/6-WBG-DPTアプリケーション・データシート

パワー・エレクトロニクスにおいて使用される半導体材料は、シリコン半導体から、炭化ケイ素(SiC)や窒化ガリウム(GaN)などのワイド・バンドギャップ(WBG)半導体に移行しています。こうした半導体は自動車用途や産業用途において高い電力レベルで優れた性能を発揮するためです。SiC技術はその高い動作電圧レベルからEVパワー・トレインで活用されており、GaNは主にラップトップやモバイル・デバイス、その他のコンシューマ・デバイスの高速充電器に使用されています。
ダブル・パルス・テスト(DPT)は、ターン・オン、ターン・オフ、逆回復中に重要なパラメータの範囲を測定するための業界標準の技術です。
DPTでは、DUTはパワー・デバイスまたはダイオードのいずれかになります。パワー・デバイスには、Si、SiC、GaN MOSFETまたはIGBTを使用できます。
4/5B/6BシリーズMSOのワイドバンド・ギャップ・ダブル・パルス・テスト・アプリケーション(オプションWBG-DPT)は、正確なワイドバンド・ギャップ測定を提供し、デバイスとシステムの検証を容易にします。このアプリケーションは、当社のすべてのVPIプローブと互換性があり、当社のIsoVu™プローブと併用することで、SiCまたはGaNデバイスの隠れたすべてのアーチファクトを回路レベルで発見するのに役立ちます。
このアプリケーションは、JEDEC規格およびIEC規格に従って測定を自動化します。注釈付きのサイクルごとの解析、カスタム基準レベル設定での柔軟性、構成可能な統合ポイント、DUT設計に基づいて設定可能な電源プリセットなど、独自の機能を提供します。
WBG-DPTアプリケーションにより、設計者の時間とコストを節約できます。セット・アップと測定が迅速に行えるため、設計エンジニアとテスト・エンジニアはデバッグとターゲットの設計の改善に集中できます。
主な特長と仕様
- JEDECおよびIEC規格に準拠した18個のダブル・パルス・テスト・キー測定値
- SiCまたはGaNデバイスに加え、Si MOSFETおよびIGBTのテスト機能
- 目的のパルス領域(1番目、2番目、または複数パルスなど)を指定し、バッジのスカラ結果と相関
- 目的の領域を示す波形上のアノテーション
- 複数パルスのユース・ケースで目的のパルス領域を簡単にナビゲート
- ノイズの多い波形を解析する独自のエッジ調整アルゴリズム
- すべての測定および構成に対するプログラム可能なインタフェースで、テスト・システム・アプリケーションの完全な自動化を実現
- 自動およびカスタムの基準レベルのサポートにより、開始と停止の領域を正確に特定
- ゲート・ソースのヒステリシスレベル設定で間違ったエッジを回避
- 4/5/6シリーズB MSOの直感的なドラッグ・アンド・ドロップ・インタフェースを使用して、測定項目をすばやく追加、構成することが可能
- 逆回復(Trr)測定のためのオーバーラップされたプロット
- 検索方向(前方、後方)を追加し、効果的なパルス領域のデバッグを実現
- ダブル・パルス信号生成用のゲート・ドライバ(AFG31000シリーズ)制御のサポート
- スイッチング解析用のデスキュー機能
本アプリケーションは、次の参照規格に基づいて設計されています。
- ダブル・パルス・テスト(DPT)
- IEC 60747-9
- JEP182
- IEC 60747-8
- ダイオード逆回復
- JESD24-10
- IEC 60747-9
以下の測定が実行されます。
- ロー・サイド・スイッチング・パラメータおよびハイ・サイド・ダイオード逆回復測定
- ロー・サイドおよびハイ・サイド・スイッチングパラメータ
テスト・セットアップ
次の概略図は、ダブル・パルス・テストの測定のセットアップを示しています。これは、ロー・サイドとハイ・サイドの両方のスイッチングを備えたパワーMOSFET用のハーフブリッジ・ゲート・ドライバの例です。ハイ・サイドでは、ダイオード逆回復電流パラメータを測定するために、ソースからゲートへのピンが短絡しています。
4/5/6シリーズMSOは、ダブル・パルス・テストに最適です。ハイ・サイドまたはロー・サイドのスイッチングを個別にテストするには4チャンネルで十分ですが、ゲート電圧をソースおよびダイオードの逆回復パラメータとして監視する場合は、4つ以上のチャンネルが必要になる場合があります。そうしたケースでは6つまたは8つのチャンネルを持つオシロスコープが理想的です。
DPTスイッチング・パラメータの場合は、ロー・サイドでVds、Id、Vgsを取得する必要があります。同様に、ハイ・サイドとロー・サイドの両方のMOSFETをテストする場合は、ハイ・サイドのVgsをチェックする必要があります(以下のロー・サイド/ハイ・サイド設定のダブル・パルス・テストを参照してください)。通常、ダイオード逆回復はIrrとVrrを必要とするハイ・サイドで測定されます。テクトロニクスでは、エッジの誤検出を避けるために、ゲート電圧をクオリファイア・ソースとして推奨しています。
ハイ・サイドVgs測定を正確に行うためには、広い帯域幅、高いコモン・モード電圧、優れた同相除去性能を組み合わせた測定システムが必要です。テクトロニクスのIsoVuシステムは、完全なガルバニック絶縁に加えて、1 Ghzの帯域幅、2000 Vのコモン・モード電圧、および100万:1(120 dB)の同相除去比を提供します。これらの仕様を組み合わせることで、このような困難な測定が可能になります。
IsoVu測定システムは、設計で発生していることの詳細を表示し、測定を安定した、繰り返し可能なものにしてくれます。スイッチ・ノードとハイ・サイドおよびロー・サイドMOSFET間の寄生によるカップリングは明らかであり、IsoVu測定システムはこのデッド・タイムを正しく測定するのに十分な帯域幅を備えています。


ゲート・ドライバとしてのAFG31000
テクトロニクスのAFG31000シリーズは、任意波形生成機能、リアルタイム波形モニタ機能、大型タッチスクリーンを装備した、高性能AFG(任意波形/ファンクション・ジェネレータ)です。高度な波形生成/プログラミング機能や波形検証機能に加えて、最新のタッチスクリーン・インタフェースを備えたAFG31000シリーズはゲート・ドライバ・デバイスとして機能する理想的な機器です。AFG31000シリーズには、ダブル・パルス・テスト・アプリケーションが含まれています。このダウンロード可能なプラグイン・ソフトウェア・アプリケーションを使用すれば、電源、半導体市場でダブル・パルス・アプリケーションが利用可能になります。ダブル・パルス・テストのユーザ・インタフェースは、タッチ&スワイプ、またはポイント&クリック操作により、少なくとも2つのパルス幅を変化させることが可能です。絶縁されたゲート・ドライバにパルスを出力することで、MOSFETやIGBTなどのパワー・デバイスをトリガして通電を開始できます。AFG31000シリーズのダブル・パルス・テスト機能を使用すれば、設計エンジニアやテスト・エンジニアは、パルス幅の異なる電圧パルスをDUTに印加できます。設計者やテスト・エンジニアは、PCソフトウェアやマイクロコントローラを使用したさまざまな構成でのテストを実行する場合と比べてはるかに簡単にダブル・パルス・テストを実行できるため、時間を節約できます。
また、このアプリケーションでは、1番目のパルス、2番目のパルス、複数パルスといった関心のあるパルス領域を指定することもできます。この入力は、オシロスコープで取込んだ波形を検証および解析し、WBG測定を実行するために使用されます。
詳細については、AFG31000のアプリケーション・ノートを参照してください。
WBG-DPTアプリケーションからAFG 31000シリーズを構成して、必要な振幅とパルス幅のダブル・パルス信号を生成できます。このAFG出力刺激は、デバイスのスイッチング、タイミング、容量、逆回復パラメータを測定するために、パワー・デバイスのゲート・ドライバに与える必要があります。


電源
DUTの電源をオンにするには、DUTの要件に基づいて適切な電源を選択する必要があります。設計者は、DC電源またはソース・メジャー・ユニット(SMU)のいずれかを使用できます。SMUは電圧または電流を正確に印加すると同時に、電圧、電流を測定できる機器です。高次元の速度と精度、広範な動作範囲、優れた分解能、内蔵スイープ機能を提供する点で、一般的なDC電源とは異なっています。
ここでは、ダブル・パルス・テストに使用できるテクトロニクスの電源装置用の推奨オプションをいくつか紹介します。
- 高電圧電源:
- 2657 A高電圧ソース・メータ・ユニット(SMU)
- 2260B-800-2、プログラマブルDC電源
- ゲート・ドライブ回路への電源:
- 2230または2280SシリーズのDC電源
プロービングとアクセサリ
エンジニアが従来のシリコンデバイスからWBGデバイスへの設計の切り替えを検討する場合、次のような疑問が生じます。
- このテスト機器はSiCデバイスが示す高速スイッチング・ダイナミクスを正確に測定することができるか?
- ゲート・ドライブ性能とデッドタイムを正確に最適化するにはどうすればよいか?
- コモンモード・トランジェントは測定の精度に影響するのか?
- 観測されたリンギングは実際のものか、それともプローブ応答の結果か?
従来のゲート電圧測定方法では、MMCXコネクタ付きの標準差動プローブを使用します。これは、ハイ・サイドでのゲート電圧測定において重要です。SiCパワー・デバイスのゲート電圧の測定は困難なものです。これはオシロスコープのグランドに対して高いDCオフセットと高いdv/dtを持つことのあるノードを基準とする低電圧信号(約20 Vpp)であるためです。
テクトロニクスの絶縁プローブは、これらのフローティング・ゲートの測定を正確に行う上で重要な役割を果たします。このプローブは、非絶縁プローブでは隠されてしまう高速フローティング信号の検出に役立ちます。IsoVu™プローブ・テクノロジは、光絶縁を使用してコモン・モード干渉を事実上排除します。これにより、100 V/ns以上という高いスルー・レートの±60 kVの基準電圧で、正確な差動測定が可能になります。第2世代のIsoVuは5分の1のサイズでありながら、IsoVu技術のすべてのメリットを継承しています。
またこのプローブは、広い周波数帯域とダイナミック・レンジ、優れた同相除去比を兼ね備えているため、DPTテストのあらゆるニーズに応えることができます。
IsoVu測定システムは、業界標準のMMCXコネクタをテスト・ポイントの近くに挿入することで最高の性能を発揮します。これらのコネクタは、信号忠実度が高く、正確で再現性のある結果を得るために推奨されます。ロー・サイドでは、Vgsプロービング用にTPPとスクエア・ピンをMMCアダプタへ使用し、ハイ・サイドでは、TIVPとMMCXアクセサリを使用します。
電流プローブ
- Id測定を正確に行うには、WBG設定で電流プローブが必要です。テクトロニクスでは各種の電流プローブを用意しています。
- <mrk mtype="x-sdl-location" mid="cc6a37ac-4b4b-4284-ac78-99d2bfe947af" xmlns="urn:oasis:names:tc:xliff:document:1.2" />TCP0030A型プローブは、TekVPI™プローブ・インタフェースを装備したオシロスコープに直接接続して使用できる、高性能で使いやすいAC/DC電流プローブです。周波数帯域は120MHz以上であり、帯域が120MHzを超え、5Aと30Aの測定レンジが選択できます。また、難しい電流測定に求められる、1 mAという低電流の測定能力と優れた確度も提供します。
- より高い電流では、TCP0150型プローブでテストすることをお勧めします。テクトロニクスは、TCPのプローブ・ファミリに加えて、BNCコネクタを備え、BNCインタフェースに対応するあらゆる機器で利用できるTRCPシリーズ・ロゴスキー電流プローブも提供しています。ロゴスキー・プローブを使用することにより、バス・バーなどの大型の接続部品や、MOSFETまたはIGBTの小さなピンにも簡単に接続できます。
ロー・サイドでのDPTおよびハイ・サイドでのダイオード逆回復のセットアップに推奨されるプロービングの詳細は次のとおりです。
- ロー・サイド・プロービング
- Ch1: Vds - TPPまたはTHDPシリーズ電圧プローブ
- Ch2: Vgs - TPPシリーズ(MMCXアダプタ・チップ付き)
- Ch3: Id - TCPシリーズ電流プローブ
- ハイ・サイド・プロービング
- Ch4: Irr - TCP - シリーズ電流プローブ
- Ch5: Vds - THDPシリーズ電圧プローブ
ロー・サイドおよびハイ・サイドでのDPTに推奨されるプロービングの詳細は次のとおりです。
- ロー・サイド・プロービング
- Ch1: Vds - TPPまたはTHDPシリーズ電圧プローブ
- Ch2: Vgs - TPPシリーズ(MMCXアダプタ・チップ付き)
- Ch3: Id - TCPシリーズ電流プローブ
- ハイ・サイド・プロービング
- Ch4: Vgs - TIVP絶縁プローブ(MMCXアダプタ・チップ付き)
- Ch5:Vds - THDPシリーズ電圧プローブ
測定項目
オプションのWBG-DPTで提供される測定値は、下図に示すように、MOSFETやIGBTなどのパワー・デバイスをテストするために使用できます。

電源プリセット
プリセット設定は、指定したVdsおよびVgsレベルでオシロスコープに最適な垂直軸スケール、水平時間ベース、サンプル・レート、トリガのソースとレベル、パルス数を設定するのに便利です。

オート・レベルは、JEDEC/IEC規格に従ってパルス領域の開始と停止のレベルを示します。

デフォルトでは、パルス領域は規格に従って定義されています。たとえば、DPTのEonは2番目のパルスで測定され、Eoffは1番目のパルスで測定されます。ただし、パルスはカスタム要件に従って設定できます。複数のパルス設定を選択して、3つ以上のパルスをテストすることもできます。これにより、設計に基づいた優れた柔軟性がもたらされます。
一般に、設計者はダブル・パルス・テストを行うのではなく、異なるレベルのドレイン電流で複数パルスを使用してテストします。連続運転においてデバイスを複数回切り替える場合、これはパワー・デバイスに負荷がかかり、スイッチングの信頼性をチェックすることになる可能性があります。

この操作中は、複数のエッジのターン・オンおよびターン・オフのスイッチング・パラメータを測定することが重要です。複数パルスは測定設定の一部としてサポートされています。
実際のWBG波形は理想的ではなく、ノイズが多いため、カスタムの開始レベルと停止レベルをパーセント単位で指定することでソースを定義できます。これにより、特にVdsとIdにノイズが多く、振動が含まれている場合にデバッグが容易になります。

WBG デスキュー

WBGデスキューは、パワー・デバイスがMOSFETまたはIGBTの場合、ドレイン~ソース間の電圧(Vds)とドレイン電流(Id)、またはコレクタ~エミッタ間の電圧(Vce)とコレクタ電流(Ic)の間のスキューをそれぞれ計算します。このスキュー値は、オシロスコープでVdsまたはVce信号が構成されているソースに適用されます。
WBGデスキューは、従来のスコープを用いたデスキュー操作とは異なります。従来の方法では、プローブ間のスキューはテスト・セットアップで測定を開始する前に計算されます。WBG-DPTでは、測定システムのスキューはアクイジション後の操作として実行されます。
当社の方法では、WBGデスキューを実行するのにデバイスの接続を変更する必要はありません。このデスキューの方法では、取り込んだId、Vgs、回路パラメータ(プローブ抵抗、実効インダクタンス)に基づいてVdsをモデル化します。演算によってモデル化されたVdsが作成され、演算として表示されます。取り込まれたVds信号とモデル化されたVdsがオーバーラップされてスキューを計算し、このスキューが取得されたVds信号に適用されます。このデスキュー手順は、従来の方法に比べ簡単です。
スイッチング・パラメータ解析

Eon
MOSFETのターン・オン・エネルギーは、ターン・オン状態または指定されたレベルにおける、Idの10 %からVdsの10 %まで計算された電力波形の積分として測定されます。
IGBTのターン・オン・エネルギーは、ターン・オン状態または指定されたレベルにおける、Vgeの10 %からVceの2 %まで計算された電力波形の積分として測定されます。


Eoff
MOSFETのターン・オフ・エネルギーは、ターン・オフ状態または指定されたレベルにおける、Vdsの10% とIdの10 %の間で計算された電力波形の積分として測定されます。
IGBTのターン・オフ・エネルギーは、ターン・オフ状態または指定されたレベルにおける、Vgeの90 %からIcの2 %まで計算された電力波形の積分として測定されます。


Vpeak
電圧ピークは、コレクタ電流またはドレイン電流パルスのターン・オフ状態中のパワー・デバイスの最大電圧ピーク値です。通常、電圧ピークはEoff領域で測定されます。
Ipeak
電流ピークは、コレクタ電流またはドレイン電流パルスのターン・オン状態中のパワー・デバイスの最大電流ピーク値です。通常、電流ピークはEon領域で測定されます。
スイッチング・タイミング解析

Td(on)
MOSFETのターン・オン遅延時間は、ターン・オン状態または指定されたレベルにおける、Vgsの増加の10 %からVdsの減少の90 %までの時間間隔です。
IGBTのターン・オン遅延時間は、ターン・オン状態または指定されたレベルにおける、Vgeの増加の10 %からIcの増加の10 %までの時間間隔です。
Td(off)
MOSFETのターン・オフ遅延時間は、ターン・オフ状態または指定されたレベルにおける、Vgsの減少の90 %からVdsの増加の90 %までの時間間隔です。
IGBTのターン・オフ遅延時間は、ターン・オフ状態または指定されたレベルにおける、Vgeの減少の90 %からIcの減少の90 %までの時間間隔です。
Tr
MOSFETの立上り時間は、ターン・オン状態または指定されたレベルにおける、Vdsの90 %と10 %の間の時間間隔です。
IGBTの立上り時間は、ターン・オン状態または指定されたレベルにおける、Icの10 %と90 %の間の時間間隔です。
Tf
MOSFETの立下り時間は、ターン・オフ状態または指定されたレベルにおける、Vdsの10 %と90 %の間の時間間隔です。
IGBTの立下り時間は、ターン・オフ状態または指定レベルにおける、Icの90 %と10 %の間の時間間隔です。
Ton
ターン・オン時間は、ターン・オン遅延時間と立上り時間の合計です。これは、パワー・デバイスをオフ状態からオン状態に切り替える入力端子での電圧パルスの立上り間の時間間隔です。
Toff
ターン・オフ時間は、ターン・オフ遅延時間と立下り時間の合計です。これは、パワー・デバイスをオン状態からオフ状態に切り替える入力端子での電圧パルスの立下り間の時間間隔です。
d/dt
スイッチングd/dtは、電圧または電流がベースの基準レベルからトップの基準レベルに上昇するか、トップの基準レベルからベースの基準レベルに低下するときに、その変化率(スルー・レート)を測定します。

Tdt
デッドタイムは、同時スイッチング中のハイ・サイドMOSFETのオンにする時間とロー・サイドMOSFETのオンにする時間の間の時間遅延です。これは、あるゲート電圧の設定された立下がりエッジ・レベルと別のゲート電圧の設定された立上がりエッジ・レベルの間の時間間隔です。デフォルトの立上がりエッジと立下がりエッジのレベルは50%です。
逆回復解析


Trr
逆回復時間(Trr)とは、順方向から逆方向に変化するときに電流がゼロを通過する瞬間と、A点とB点の間の外挿された逆電流がゼロになる瞬間の時間間隔です。
Trrは、上図に示すように、リアクタがそれぞれのピーク逆回復電流Irrで応答する2つのタイム・インターバルTaとTbで構成されます。Taは、低下してきた順方向電流がゼロ電流軸と交差した瞬間に始まり、リアクタのIrrのピーク応答点で終了します。
逆回復電流の立上り時間(Ta)
Taは、逆回復電流が最大逆ピーク値IRMに達するまでにかかる時間として定義されます。
逆回復電流立下り時間(Tb)
Tbは、逆回復電流(または外挿された電流)が逆ピーク値からゼロに回復するまでにかかる時間として定義されます。したがって、TrrはTaとTbの和となります。
回復ソフト係数(RSF)
RSFは、逆回復電流の立上り時間(Ta)に対する逆回復電流の立下り時間時間(Tb)の比率として定義されます。
Qrr
逆回復電荷(Qrr)は、パワー・デバイスが指定された順方向電流条件から順方向バイアスのゲート条件を持つ指定された逆電圧条件に切り替わったときに、単一のコレクタ電流またはドレイン電流パルスの指定された積分時間中にパワー・デバイスから回復される電荷の合計です。
回復した電荷は次のように測定されます。

ここで、
t0は、電流がゼロを通過する瞬間です。
tiは指定された積分時間です(電流がIrrの2%に達したときになるのが望ましい)。
Err
逆回復エネルギー(Err)は、パワー・デバイスが指定された順方向電流条件から順方向バイアスのゲート条件を持つ指定された逆方向電圧条件に切り替わったときに、単一のコレクタ電流またはドレイン電流パルスの指定された積分時間中にパワー・デバイス内で消費されるエネルギーです。
スイッチング・エネルギーは、積分時間tiの間にデバイスの電圧と電流から製品が積分された結果です。

Irrm
逆回復電流(Irrm)は、逆回復時間間隔中に発生する最大逆電流です。
ダイオードd/dt
ダイオードd/dtは、指定された開始および停止の積分レベルにおける電圧または電流の変化率(スルー・レート)を測定します。ダイオードd/dtは立上りエッジまたは立下がりエッジの間に測定できます。



容量解析

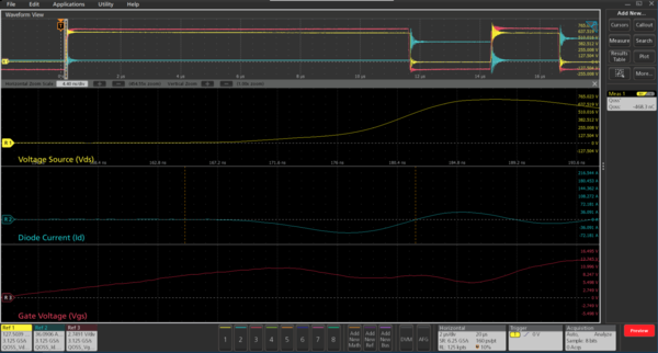
Qoss
WBG-DPTアプリケーションのQoss測定値は、各スイッチング・サイクル中にパワー・デバイスの寄生出力容量に供給する必要がある電荷です。これは出力電荷を表します。出力電荷を正確に測定することはとても重要です。WBGデバイスのスイッチング速度と、電源投入時のSiC MOSFETボディ・ダイオードの容量性特性に直接影響するものだからです。


このとき、
t1は、電流がゼロを通過するときのインスタンスです。
t2は、指定された時間間隔です(Vdsがピーク電圧の90 %に達したときが望ましい)。

仕様
Switching Parameter Analysis(スイッチング・パラメータ解析)測定パネル
| 測定 | 概要 |
|---|---|
| Eon | 設定されたレベルを使用し、ターン・オン領域においてパワー・デバイスで消散された電力を測定します。 |
| Eoff | 設定されたレベルを使用して、電源オフ領域中に電源で消費されるエネルギーを測定します。 |
| Vpeak | ターン・オフ領域でのパワー・デバイスのピーク電圧を測定します。 |
| Ipeak | ターン・オン領域でのパワー・デバイスのピーク電流を測定します。 |
Switching Timing Analysis(スイッチング・タイミング解析)測定パネル
| 測定 | 概要 |
|---|---|
| Td(on) | 設定されたレベルを使用して、ターン・オン領域でのパワー・デバイスのターン・オン遅延時間を測定します。 |
| Td(off) | 設定されたレベルを使用して、ターン・オフ領域でのパワー・デバイスのターン・オフ遅延時間を測定します。 |
| Tr | 設定されたレベルを使用して、ターン・オン領域でのパワー・デバイスの立上り時間を測定します。 |
| Tf | 設定されたレベルを使用して、ターン・オフ領域でのパワー・デバイスの立下り時間を測定します。 |
| Ton | パワー・デバイスのターン・オン時間を測定します。これは、ターン・オン遅延時間と立上り時間の合計です。 |
| Toff | パワー・デバイスのターン・オフ時間を測定します。これは、ターン・オフ遅延時間と立下り時間の合計です。 |
| d/dt | ドレイン~ソース間の電圧への変化率、または指定されたレベル間のドレイン電流の変化率を測定します。 |
| Tdt | 同時スイッチング時のパワー・デバイスの遅延時間を測定します。これは、最初のゲート電圧の立下がりエッジと2番目のゲート電圧の立上がりエッジ間の時間間隔です。 |
Diode Recovery Analysis(ダイオード・リカバリ解析)測定パネル
| 測定 | 概要 |
|---|---|
| Trr1 | 設定されたレベルを使用して、パワー・デバイスの逆回復時間を測定します。 |
| Qrr | 構成されたレベルを使用して、電源装置の逆回復充電を測定します。 |
| Err | 設定されたレベルを使用して、パワー・デバイスで消散された逆回復エネルギーを測定します。 |
| Irrm | 逆回復電流の統計を測定します。 |
| ダイオードd/dt | 指定されたレベル間の逆回復電圧または電流の変化率を測定します。 |
容量解析測定パネル
| 測定 | 概要 |
|---|---|
| Qoss | 各スイッチング・サイクル中にパワー・デバイスの寄生出力容量に供給する必要がある電荷を測定します。 |
- プロット
- アノテーション付き波形表示、Trr測定の回復プロット。
- レポート
- MHTおよびPDFフォーマット、CSVフォーマットによるデータのエクスポート
- 消磁/デスキュー(静的)
- 各チャンネルのメニューからデスキュー(電圧プローブと電流プローブ)や消磁(電流プローブ)を実行可能
- WBG デスキュー
- スイッチング・デバイス上でVdsとId間のデスキューを実行2
- 測定ソース
- ライブ信号(アナログ)、リファレンス波形、演算波形
- パス/フェイル
- 指定された制限値に対してWBG-DPT測定値をテストし、装置が故障した場合に実行するアクションを設定します2
ご注文の際は以下の型名をご使用ください。
モデル/ソフトウェア・ライセンス
| 製品名 | 型名 | サポートされる機器 | 利用可能な周波数帯域 |
|---|---|---|---|
| 機器の新規購入時のオプション | 4-WBG-DPT | 4シリーズB MSO(MSO44B型およびMSO46B型) |
|
| 製品アップグレード・オプション | SUP4-WBG-DPT | ||
| フローティング・ライセンス | SUP4-WBG-DPT-FL | ||
| 機器の新規購入時のオプション | 5-WBG-DPT | 5シリーズB MSO(MSO54B型、MSO56B型、MSO58B型) |
|
| 製品アップグレード・オプション | SUP5-WBG-DPT | ||
| フローティング・ライセンス | SUP5-WBG-DPT-FL | ||
| 機器の新規購入時のオプション | 6-WBG-DPT | 6シリーズB MSO(MSO64B型、MSO66B型、MSO68B型) |
|
| 製品アップグレード・オプション | SUP6-WBG-DPT | ||
| フローティング・ライセンス | SUP6-WBG-DPT-FL |
ソフトウェア・バンドル
| サポートされる機器 | バンドル・オプション | 概要 |
|---|---|---|
| 4シリーズB MSO | 4-PRO-POWER-1Y | Pro Power Bundle(1年更新ライセンス) |
| 4-PRO-POWER-PER | Pro Power Bundle(永続ライセンス) | |
| 4-ULTIMATE-1Y | Ultimate Bundle(1年更新ライセンス) | |
| 4-ULTIMATE-PER | Ultimate Bundle(永続ライセンス) | |
| 5シリーズB MSO | 5-PRO-POWER-1Y | Pro Power Bundle(1年更新ライセンス) |
| 5-PRO-POWER-PER | Pro Power Bundle(永続ライセンス) | |
| 5-ULTIMATE-1Y | Ultimate Bundle(1年更新ライセンス) | |
| 5-ULTIMATE-PER | Ultimate Bundle(永続ライセンス) | |
| 5-PRO-AUTO-1Y | Pro Automotive Bundle(1年更新ライセンス) | |
| 5-PRO-AUTO-PER | Pro Automotive Bundle(永続ライセンス) | |
| 6シリーズB MSO | 6-PRO-POWER-1Y | Pro Power Bundle(1年更新ライセンス) |
| 6-PRO-POWER-PER | Pro Power Bundle(永続ライセンス) | |
| 6-ULTIMATE-1Y | Ultimate Bundle(1年更新ライセンス) | |
| 6-ULTIMATE-PER | Ultimate Bundle(永続ライセンス) | |
| 6-PRO-AUTO-1Y | Pro Automotive Bundle(1年更新ライセンス) | |
| 6-PRO-AUTO-PER | Pro Automotive Bundle(永続ライセンス) |
推奨プローブ
| プローブ・モデル | 概要 | 数量 |
|---|---|---|
| TCP0030A、TCP0150、またはTRCPシリーズ | Id測定用の電流プローブ | 1 |
| TIVP02型、TIVP05型、またはTIVP1型 | ハイ・サイドVgs測定用の電圧プローブ | 1 |
| TPP0100、TPP0200、TPP0500B、または TPP1000 | ロー・サイドVgs測定用の電圧プローブ | 1 |
| THDP0100、THDP0200、TMDP0200、TPP08503またはTPP1000型1 | ロー・サイドVds測定用の電圧プローブ | 1 |
推奨ファンクション・ジェネレータと電源
推奨ファンクション・ジェネレータ、ゲート・ドライバ・ソース
| 型名 | アナログ・チャンネル | 周波数レンジ | プラグイン機能 |
|---|---|---|---|
| AFG31000シリーズ任意波形/ファンクション・ジェネレータ | 24 | 25 MHz、50 MHz、100 MHz、150 MHz、250 MHz | AFG31000のダブル・パルス・テスト・プラグイン・アプリケーション |
推奨される電源
| 型名 | 定格電圧レンジ | 定格電流 | 定格出力パワー |
|---|---|---|---|
| 2470 SMU | 最大1000 V | 最大1 A | 20 W |
| 2260B-800-2 | 0 - 800 V | 0 - 2.88 A | 720 W |
| 2657A型 | 最大3000 V | 最大120 mA | 180 W |
