
お問い合わせ
ダウンロード
マニュアル、データシート、ソフトウェアなどのダウンロード:
フィードバック
オシロスコープ、任意波形/ファンクション・ジェネレータ用制御ソフトウェア
TekBench™ソフトウェア・データ・シート
TekBench™は、当社のオシロスコープ、任意波形/ファンクション・ジェネレータを制御するためのソフトウェアです。直感的なインタフェースで制御でき、測定データの自動ロギング、周波数応答の自動測定のほか、必要なフォーマットによる波形のエクスポートも簡単に行えるため、時間や労力を節約できます。操作方法習得に時間を取られることなく、本来の業務に集中できます。
主な特長
- 計測器との接続が容易
- 直感的なインタフェースによる計測器の制御とモニタリング
- 必要なフォーマットでの測定結果のエクスポートが可能
- 測定データの自動ロギング
- 周波数応答の自動測定
アプリケーション
- 電子回路実習、回路設計演習
計測器との接続が容易
プラグ・アンド・プレイに対応したUSBインタフェースであるため、USBケーブルを使用するだけで計測器をコンピュータに接続できます。設定は一切必要なく、計測器はソフトウェアによって数秒で自動的に検出されます。

計測器とコンピュータをUSBインタフェースで接続
接続し終えたら、計測器のアイコンをダブルクリックします。選択された計測器がソフトウェアに自動的に読み込まれます。

選択されたオシロスコープがソフトウェアに読み込まれる
直感的なインタフェースによる計測器の制御とモニタリング
ソフトウェアに計測器が読み込まれると、全画面にインタフェースが表示されます。ユーザ・マニュアルを参照しなくても、目的のパラメータを一目で確認し、変更できます。次の例では、オシロスコープの各チャンネルでそれぞれ異なる測定項目が選択されています。フル・スクリーンの広い画面と使いやすいインタフェースが十分に活かされています。

広い画面を活かしたわかりやすいインタフェース
最大2台の計測器を同じ画面に表示できます。どちらの機器も直感的なインタフェースを備えており、簡単に制御/モニタリングできます。

2台の計測器を同じ画面に表示
必要なフォーマットでの測定結果のエクスポートが可能
オシロスコープの波形データは、最も重要な情報をもたらす測定結果の1つです。TekBench™では、波形データをCSVフォーマットでエクスポートしておくことで、オシロスコープで直接呼び出して利用できます。1ヘッダのないCSVデータにも対応しているため、他のアプリケーションでも簡単に解析できます。

波形エクスポート機能のインタフェース
さらに、*.MATフォーマットでもエクスポートできるため、MATLABで直接開けます。
数回クリックするだけで、オシロスコープのスクリーンショットをコンピュータに保存できます。ソフトウェアで自動更新が有効にされているときは、オシロスコープの表示画面が数秒おきに更新されます。2そのため、機器をリモートで監視することもできます。たとえば、実習で使用すればインストラクタの画面も随時更新されるため、教育分野にも最適です。

オシロスコープ画面の自動更新
1この機能はMDO3000シリーズ・オシロスコープでのみサポートされています。
2表示画面の更新速度は機種によって異なります。MDO3000シリーズ・オシロスコープでテストした結果では、1秒間隔で更新されています。
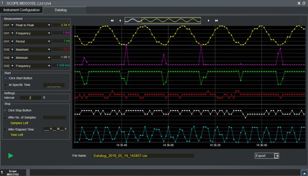
測定データの自動ロギング
単発で測定する代わりに、測定データの自動ロギング機能を使用して測定結果の変化を追跡し、設計をより詳細に検証できます。
TekBench™では、使用頻度の高い16種類の測定項目から自由に選択できます。最大6種類の測定項目を同時に測定し、測定データを自動的にロギングできます。2秒という短い間隔で測定を実行し、最大5日間にわたって測定結果を記録するように設定することも可能です。1

測定項目の選択
測定結果をトレンド・プロット・モードで表示すると、それぞれの測定項目が色分けされて表示されます。リスト・モードやヒストグラム・モードでも表示できるため、テスト結果をより詳細に解析できます。

記録された測定データ・ロギングの表示(トレンド・プロット・モード)
記録されたそれぞれの測定項目のデータは.csvファイルに自動的に保存されます。このファイルはエクスポート/インポートできるため、過去のテスト結果の解析に活用することもできます。
1無償バージョンのTekBench™でサポートされているテスト時間は最長30分間です。最長5日間のテストを実行するには、Opt. TEKBENCHFL-BASが必要です。
周波数応答の自動測定
電子回路実習では、周波数応答がよく測定されます。次の図は、周波数応答測定の接続を示しています。任意波形/ファンクション・ジェネレータの出力をDUT(被測定デバイス)の入力に接続し、オシロスコープをDUTの入出力に接続することで振幅の変化を測定します。

周波数応答テストの接続図
一般に、実習などで学生が測定を行う場合、任意波形/ファンクション・ジェネレータの出力周波数を設定し、オシロスコープで振幅の測定値を記録しなければなりません。つまり、周波数を変更しながら測定値を記録する、という手順を繰り返す必要があります。たとえば、100kHzから5MHzまでの周波数レンジ、サンプル数が101という条件でリニア・スイープ・モードで実行し、周波数応答をテストするとします。この場合、異なる周波数で100回以上にも及ぶテストを実行しなければならないため、すべて完了するまでに1時間以上かかってしまいます。こうした手法は手間がかかるだけでなく、ミスも起きやすくなります。
TekBench™を使用すれば、簡単な手順を実行するだけで、周波数応答テストを実行できます。
- AFGの出力振幅を設定する
- スイープの種類を選択し、サンプル数を入力する
- 開始ボタンをクリックする
テストが自動的に開始され、周波数応答曲線のプロット(周波数対ゲイン)1が作成されます。

周波数応答曲線
1ゲインは20 log10(出力振幅/入力振幅)です。
仕様
1対応機種は順次増える予定です。対応機種の一覧および最新版のソフトウェアについては、当社Webサイト(jp.tek.com/tekbench)を参照してください。
- オシロスコープの機種
テクトロニクスTBS2000シリーズ
テクトロニクスDPO/MSO2000Bシリーズ(オシロスコープ機能のみ)
テクトロニクスMDO3000シリーズ(オシロスコープ機能のみ)
- 任意波形/ファンクション・ジェネレータの機種
- テクトロニクスAFG31000シリーズ
- オシロスコープの機能
- 対応フォーマット(波形データのエクスポート)
- *.csv(MDO3000シリーズのみ)、*.csv(ヘッダなし)、*.mat
- 対応フォーマット(スナップショットのエクスポート)
- *.png、*.bmp、*.jpg、*.tif
- 測定データの記録
- サポートされる測定項目
- 周波数、周期、立上り時間、立下り時間、正のパルス幅、負のパルス幅、P-P、振幅、最大値、最小値、ハイ、ロー、正のオーバシュート、負のオーバシュート、平均値、RMS
- 同時可能な最大測定項目数
6(MDO3000シリーズ/TBS2000シリーズ)
3(MDO2000Bシリーズ/MSO2000Bシリーズ)
- 最小時間間隔
2秒(MDO3000シリーズ/TBS2000シリーズ)
5秒(MDO2000Bシリーズ/MSO2000Bシリーズ)
- 測定結果表示モード
- トレンド・プロット、リスト、ヒストグラム
- 周波数応答測定
- 対応機種
- テクトロニクスMDO3000シリーズ・オシロスコープ、テクトロニクスAFG31000シリーズ任意波形/ファンクション・ジェネレータ
- 周波数範囲
- 100kHz~20MHz
- スイープ・モード
- リニア、対数
- サンプル数
- 20~201
- 測定結果表示モード
- 周波数応答曲線、リスト
システム要件
- オペレーティング・システム
- Windows 7、Windows 10(32ビット)およびWindows 7、Windows 10(64ビット)
- CPU
- デュアル・コア2GHz以上
- RAM
- DDR3 4GB 以上
- ハード・ディスク
- 1GBの空き容量(推奨)
- 画面解像度
- 1366 × 768以上
- 計測器との通信インタフェース
- USB
ご発注の際は、以下の型名をご使用ください。
型名
- TekBench™
当社Webサイト(jp.tek.com/tekbench)から、以下の機能を備えた無償版のTekBench™をダウンロードしていただけます。
– オシロスコープの波形データ、画面のスナップショットの指定フォーマットによるエクスポート
– オシロスコープの測定データの記録(最長テスト時間:30分)
– 周波数応答の自動測定
オプション
- TEKBENCHFL-BAS
TekBench™ソフトウェア、フローティング・ライセンス、最長5日間の測定データの自動ロギングが可能



