
與我們聯絡
與 Tek 業務代表即時對談。 上班時間:上午 6:00 - 下午 4:30 (太平洋時間)
請致電
與 Tek 業務代表即時對談。 上班時間:上午 8:30 - 下午 5:30 (太平洋時間)
下載
下載手冊、產品規格表、軟體等等:
意見回饋
TekBench™ 是可以控制 Tektronix 示波器和任意函數產生器的電腦軟體。提供直覺式儀器控制、自動化量測資料錄、自動化頻率響應量測,以及輕鬆以所需格式匯出波形,省去額外的時間和精力。可讓使用者專注於實驗,而不是學習儀器。
主要功能
- 簡易的儀器連接
- 可控制和監控儀器的直覺式介面
- 以所需的格式輕鬆擷取和匯出結果
- 自動化量測資料記錄
- 自動化頻率響應量測
應用
- 專案實驗室和高階設計實驗室
簡易的儀器連接
由於隨插即用的 USB 介面,因此只需要一條 USB 纜線就可將儀器連接至電腦。不需要任何設定,軟體在幾秒內就會偵測到儀器。

透過 USB 介面與電腦連接的儀器
一旦連接後,按兩下儀器圖示,選取的儀器便會自動載入到軟體中。

選取的示波器已載入到軟體中
可控制和監控儀器的直覺式介面
當載入到軟體時,儀器會具有全螢幕的介面。使用者可以一眼就找到並變更參數,不須花時間研究使用者手冊。下列範例顯示在全螢幕介面中,在示波器的每個通道上選取不同量測是多麼簡單的事。

示波器全螢幕介面
相同螢幕上可顯示最多兩個儀器,且每個儀器都有直覺式介面,可讓您輕鬆控制和監控。

兩個儀器顯示在相同螢幕上
以所需的格式輕鬆擷取和匯出結果
示波器波形資料是最重要的測試結果之一。TekBench™ 可支援將波形資料匯出為 *.csv 格式,而示波器可直接叫出這種格式。1同時也支援無標頭的 *.csv 資料,方便於其他應用程式中輕鬆分析。

示波器波形匯出介面
此外,結果也可以匯出為 *.MAT 格式,以便在 MATLAB 中直接開啟。
只要按幾下滑鼠就能將示波器的螢幕截圖儲存到您的電腦。在軟體中啟用自動更新時,示波器的螢幕截圖就可以每秒更新一次。2這可讓您遠端監控儀器。更新的螢幕截圖也可以投射在實驗室中以協助講師。

示波器螢幕截圖自動更新
1此功能僅受到 MDO3000 系列示波器支援。
2螢幕截圖更新速度取決於儀器。測試中,MDO3000 系列示波器的更新速度為一秒。
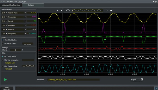
自動化量測資料記錄
使用量測資料記錄來追蹤量測結果的變化,而非執行單一量測,以深入瞭解設計。
TekBench™ 可讓您選取 16 個最常用的量測。資料記錄最多可供六個量測同時執行。每個量測結果的間隔可設定為最低 2 秒,而測試時間最多 5 天。1

量測值選取
結果可以顯示在趨勢圖模式中,每個量測會以不同顏色標示。也可以顯示在清單或分佈圖模式中,讓您深入瞭解結果。

在趨勢圖模式中顯示的量測資料記錄
每個量測資料記錄結果都會自動以 *.csv 檔案儲存。此檔案可以匯出和匯入到軟體,以便在未來分析時可存取先前的測試結果。
1TekBench™ 免費版本可支援最多 30 分鐘的測試時間。您需要選擇 TEKBENCHFL-BAS 才有最多 5 天的測試時間。
自動化頻率響應量測
在專案實驗室中,頻率響應是常用的量測。下列圖表顯示任意函數產生器連接至測試板的輸入,而示波器連接至其輸入和輸出,來量測振幅的變更。

頻率響應測試連接圖
在傳統實驗室中,學生必須設定任意函數產生器的輸出頻率並記錄示波器上的振幅量測。接著,他們必須變更頻率並記錄另一個量測。接下來的範例將頻率響應測試設定為 100 kHz 的開始到 5 MHz 的結束,在線性掃描模式中共具有 101 個樣本。學生必須在不同頻率上建立大約 100 個測試,這將花費一個多小時才能完成。這項測試方法不僅耗時,又十分容易出錯。
使用 TekBench™,只要幾個步驟就能完成頻率響應測試:
- 設定 AFG 輸出振幅
- 選取掃描類型並輸入樣本數目
- 按一下開始按鈕
測試便會自動開始,並根據頻率對比增益繪圖,1建立頻率響應曲線。

頻率響應曲線
1增益 = 20 log10(輸出振幅 / 輸入振幅)。
規格
1未來版本將支援更多儀器。如需支援儀器的清單以及最新軟體,請造訪 www.tek.com/tekbench
- 示波器機型
Tektronix TBS2000 系列
Tektronix DPO/MSO2000B 系列 (僅限示波器功能)
Tektronix MDO3000 系列 (僅限示波器功能)
- 任意函數產生器機型
- Tektronix AFG31000 系列
- 示波器功能
- 波形資料匯出格式
- *.csv (僅限 MDO3000 系列)、*.csv (無標頭)、*.mat
- 快照匯出格式
- *.png、*.bmp、*.jpg、*.tif
- 示波器量測資料記錄
- 支援的量測
- 頻率, 週期, 上升時間, 下降時間, 正脈波寬度, 負脈波寬度, 峰對峰, 振幅, 最大, 最小 ,高, 低, 正過衝, 負過衝, 平均, RMS
- 同時量測上限
6 (MDO3000 和 TBS2000 系列)
3 (DPO2000B 和 MSO2000B 系列)
- 最小時間間隔
2 秒 (MDO3000 和 TBS2000 系列)
5 秒 (DPO2000B 和 MSO2000B 系列)
- 結果顯示模式
- 趨勢圖、清單、分佈圖
- 頻率響應量測
- 支援的儀器
- Tektronix MDO3000 系列示波器、Tektronix AFG31000 系列任意函數產生器
- 頻率範圍
- 100 kHz 至 20 MHz
- 掃描模式
- 線性、對數
- 樣本
- 20 至 201
- 結果顯示模式
- 頻率響應曲線、清單
系統要求
- 作業系統
- Windows 7、Windows 10 32 位元和 Windows 7、Windows 10 64 位元
- CPU
- 雙核心 2GHz 或更高
- RAM
- 4GB DDR3 或更高
- 硬碟
- 1GB 有效磁碟空間 (建議)
- 螢幕解析度
- 1366 × 768 或更高
- 儀器通訊介面
- USB
訂購資訊
機型
- TekBench™
TekBench™ 是www.tek.com/tekbench提供的免費軟體,具有下列功能:
– 以所需的格式匯出示波器波形資料和螢幕快照
– 示波器量測資料記錄,測試時間最多 30 分鐘
– 自動化頻率響應量測
選項
- TEKBENCHFL-BAS
TekBench™ 軟體是浮動授權,可支援示波器量測資料記錄測試時間最多 5 天



