お問い合わせ
ダウンロード
マニュアル、データシート、ソフトウェアなどのダウンロード:
フィードバック
6シリーズMSO
ミックスド・シグナル・オシロスコープ・データ・シート
このデータ・シートの製品は、テクトロニクスでは販売終了となっています。
Tektronix Encoreプレミアム再生品を見るbr/>
上記製品のサポートと保証のステータスをチェックする

優れた性能
入力チャンネル数
- 4 (FlexChannel® 入力)
- 1 つの FlexChannel で以下の入力をサポートします。
- 1 つのアナログ信号入力 (波形表示、Spectrum View、または両方を同時)
- 8 つのデジタル・ロジック入力 (TLP058 型ロジック・プローブを使用)
周波数帯域(全アナログ・チャンネル)
- 1GHz、2.5GHz、4GHz、6GHz、8GHz(アップグレード可能)
サンプル・レート(全アナログ/デジタル・チャンネル)
- リアルタイム: 25GS/s
- 補間: 2.5 TS/s
レコード長(全アナログ/デジタル・チャンネル)
- 62.5Mポイント(標準)
- 125、250、500 M ポイント 、または 1 G ポイント (オプション)
波形取込みレート
- 500,000波形/秒以上
垂直分解能
- 12ビットADC
- 最高16ビット(ハイレゾ・モード)
標準のトリガ・タイプ
- エッジ、パルス幅、ラント、タイムアウト、ウィンドウ、ロジック、セットアップ/ホールド時間、立上り/立下り時間、パラレル・バス、シーケンス、ビジュアル・トリガ、ビデオ(オプション)、RF対時間(オプション)
- 外部トリガ:5VRMS以下、50Ω、400MHz(エッジ・トリガのみ)
標準解析機能
- カーソル:波形、垂直バー、水平バー、垂直/水平バー
- 測定:36
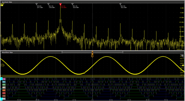
- Spectrum View: 周波数領域解析 (周波数領域と時間領域は独立して設定可能)
- FastFrameTM:セグメント・メモリ・アクイジション・モードにより、毎秒最大5,000,000フレーム以上の取込みが可能
プロット: タイム・トレンド、ヒストグラム、スペクトラム、および位相ノイズ
- 演算:基本波形演算、FFT、拡張数式エディタ
- 検索:任意のトリガ条件で検索が可能
- ジッタ: TIEおよび位相ノイズ
オプションの解析
- 拡張ジッタ/アイ・ダイアグラム解析ソフトウェア
- ユーザ定義フィルタリング
- 高度なSpectrum View
- RF対時間波形、トリガ、スペクトログラム、およびIQキャプチャ
- デジタル電源管理
- マスク/リミット・テスト
- LVDSのデバッグ/解析
- PAM3解析
- 拡張パワー測定/解析
- 拡張ベクトル信号解析 (SignalVu-PC)
プロトコルのトリガ、デコード、解析(オプション)
- I2C、SPI、eSPI、I3C、RS-232/422/485/UART、SPMI、SMBus、CAN、CAN FD、LIN、FlexRay、SENT、PSI5、CXPI、車載用Ethernet、MIPI C-PHY、MIPI D-PHY、USB 2.0、eUSB2、Ethernet、EtherCAT、オーディオ、MIL-STD-1553、ARINC 429、Spacewire、8B/10B、NRZ、マンチェスター、SVID、SDLC、1-Wire、MDIO、NFC
シリアル・コンプライアンス・テスト(オプション)
- Ethernet、USB 2.0、車載用 Ethernet、マルチギガビット車載用 Ethernet、産業用 Ethernet、MIPI D-PHY 1.2、MIPI D-PHY 2.1、MIPI C-PHY 2.0
メモリ解析(オプション)
- DDR3のデバッグ/解析/コンプライアンス・テスト
任意波形/ファンクション・ジェネレータ1
- 50 MHz 波形の生成
- 波形形式: 任意波形、正弦波、方形波、パルス波、ランプ波、三角波、DCレベル、ガウシアン、ローレンツ、指数立上り/立下り、Sin(x)/x、不規則ノイズ、ハーバサイン、カーディアック
デジタル電圧計2
- 4桁のAC実効値電圧、DC電圧、およびDC+AC実効値電圧測定
トリガ周波数カウンタ2
- 8桁
表示
- 15.6型(396 mm)TFTカラー
- 解像度:HD(1,920×1,080)
- 静電容量式(マルチタッチ)タッチスクリーン
拡張機能
- USBホスト(7ポート)、USB 3.0デバイス(1ポート)、LAN(10/100/1000 Base-T Ethernet)、Display Port、DVI-I、VGA
e*Scope®
- 標準のWebブラウザを介した、ネットワーク接続経由でのオシロスコープの遠隔表示/制御が可能
保証期間
- 3年間 (標準)
寸法
- 309mm×454mm×204mm(高さ×幅×奥行)
- 重量:<28.4 lbs.12.88 kg未満
低ノイズ性能と最高8GHz のアナログ周波数帯域を備えた6シリーズMSOは、GHzクラスのクロック/バス速度を持つ今日の組込みシステムの解析/デバッグに必要な、優れた信号忠実度を提供します。革新的なピンチ - スワイプ - ズーム操作に対応したタッチスクリーンによるユーザ・インタフェース、業界トップクラスの大型HDディスプレイ、チャンネルあたり1つのアナログ信号または8つのデジタル信号の測定が可能なFlexChannel®を4 チャンネル備えた6シリーズMSOは、今日、および将来予想される困難な課題にも対応できます。
優れた柔軟性を持ち、システム全体の広範囲な観測が可能なFlexChannel®技術
6シリーズMSOには、従来のミックスド・シグナル・オシロスコープ(MSO)の常識を超える新技術が取り入れられています。FlexChannel技術により、それぞれのチャンネル入力を1つのアナログ・チャンネル、8つのデジタル・チャンネル(TLP058型ロジック・プローブを使用)、またはそれぞれの領域を独立に設定してアナログとスペクトラムの同時表示として使用することができます 。従来にない、柔軟なチャンネル構成が可能です。
こうした構成は、TLP058型ロジック・プローブを着脱するだけで、いつでも簡単に変更できます。そのため、常に最適な数のデジタル・チャンネルを確保できます。

従来のMSOでは、デジタル・チャンネルはアナログ・チャンネルに比べてサンプル・レートが低く、レコード長も短いなど、さまざまなトレードオフがありました。 6 シリーズ MSO では、デジタル・チャンネルを新しいレベルで統合できます。デジタル・チャンネルでも、アナログ・チャンネルと同様に、高サンプル・レート(最高 25 GS/s)と長いレコード長(最大 250M ポイント)を利用できます。



優れた信号表示機能
6シリーズMSOに採用されている、15.6型(396 mm)ディスプレイは、業界トップ・クラスの大型ディスプレイで、さらに、解像度もトップクラスで、フルHDの解像度(1,920×1,080)を備えているため、重要なリードアウトや解析のための領域を確保しながら、多くの信号を同時に観測できます。
表示領域は、垂直方向のスペースを波形表示に最大に利用できるように、最適化されています。右側の結果バーを非表示にすると、画面の横幅全体を波形表示に使用できます。

6シリーズMSOは、最新技術のスタック表示モードを備えています。従来、オシロスコープでは同じ目盛にすべての波形を重ねて表示していたため、さまざまなトレードオフが生じていました。
それぞれの波形を表示するには、波形が重なり合わないように、波形の垂直軸スケールと位置を調整しなければならない。それぞれの波形で利用できるADコンバータのレンジがわずかしかないため、測定確度が低下する
測定確度を維持するためには、それぞれの波形の垂直軸スケールと位置を調整して、画面全体に表示する必要がある。波形が互いに重なり合うため、個々の波形では信号の細部まで識別しにくい
新しいスタック表示では、これらのトレードオフが解消されます。波形のオン/オフが行われると、自動的に水平波形の"スライス"(追加の目盛)が追加または削除されます。それぞれのスライスが、その波形のADコンバータの全レンジを使用します。すべての波形は、別々に表示されてはいますが、ADコンバータの全レンジが使用されているため、表示機能と確度が最大に生かされます。これらの処理は、波形が追加または削除されると、すべて自動的に行われます。スタック表示モードでは、チャンネル/波形バッジをディスプレイ下部の設定バーにドラッグ・アンド・ドロップするだけでチャンネルの順序を簡単に変更できます。スライスの内部にチャンネルのグループをオーバーレイすることもできるため、信号の表示を見ながら簡単に比較できます。
6シリーズMSOは、超大型ディスプレイを備えており、広い表示領域を確保できるため、信号だけでなく、プロット、測定結果テーブル、バス・デコード・テーブルなど、豊富な情報を表示できます。アプリケーションに合わせて、サイズや位置も簡単に変更できます。

タスクに集中できる使いやすいユーザ・インタフェース
設定バー:主要パラメータと波形の管理
ディスプレイ下部の設定バーには、波形、オシロスコープの動作に関連する各種のパラメータが、"バッジ"として一列に表示されます。設定バーを使用すると、使用頻度の高い波形管理タスクにすばやくアクセスできます。以下のような操作は、シングル・タップで実行できます。
- チャンネルをオンにする
- 演算波形の追加
- リファレンス波形の追加
- バス波形の追加
- オプションの任意波形/ファンクション・ジェネレータ(AFG)を有効にする
- オプションの内蔵デジタル・ボルトメータ(DVM)を有効にする
結果バー:解析と測定
ディスプレイ右側の結果バーは、タップするだけで、カーソル、測定、サーチ、測定/バス・デコード結果テーブル、プロット、メモなど、使用頻度の高い解析ツールにすばやくアクセスできます。
DVM/測定/サーチ結果バッジは、すべて結果バーに表示されるため、波形表示エリアを圧迫することはありません。波形表示エリアをさらに広くしたい場合には、結果バーを消すこともできます。もちろん、いつでも再表示できます。

オシロスコープに最適化されたタッチ操作
タッチ・インタフェースを備えたオシロスコープは、今では決して珍しいものではありません。しかし、それらはすべて、後から付け足した機能に過ぎませんでした。6シリーズMSOは、静電容量方式のタッチスクリーンを備えた15.6型ディスプレイと、タッチ操作に最適化されたユーザ・インタフェースを備えた業界初のオシロスコープです。
6シリーズMSOでは、スマホやタブレット、その他のタッチスクリーン対応デバイスでお馴染みのタッチ操作がサポートされています。
- 波形を左右上下にドラッグすることで、水平/垂直位置の調整やパン/ズーム表示が可能
- ピンチ操作により、水平または垂直方向のスケールの変更やズーム・イン/アウトが可能
- アイテムをゴミ箱にドラッグするか、画面の端までドラッグして削除
- 右側からスワイプ(結果バーを表示)または上側からスワイプ(ディスプレイの左上にメニューを表示)
操作性に優れた前面パネル操作部を使用して、馴染みのあるノブやボタンによる調整を行えるだけでなく、マウスやキーボードを使用することもできます。
可変フォント・サイズ
従来、オシロスコープのユーザ・インタフェースでは、波形やリードアウトの表示を最適化するために、フォント・サイズを固定して設計されてきました。すべてのユーザが同じ表示設定であれば問題になりませんが、そうではない場合もあります。ユーザは画面を長時間凝視しなければならないため、これは大きな問題であると認識しています。6シリーズMSOは、可変フォント・サイズを実現しており、好みに合わせて、12ポイント~20ポイントまで自由に設定できます。フォント・サイズを調整すると、ユーザ・インタフェースは連動して拡大縮小するため、アプリケーションに合わせて最適なサイズに設定することができます。


前面パネルによる操作
従来、オシロスコープ前面は、表面の約50%がディスプレイ、残りの50%が操作部という構成が一般的でした。6シリーズMSOは、前面の約85%がディスプレイで占められています。広い表示領域を確保するために、前面パネルの構造を見直し、重要性の高い操作については、従来からの簡単で直観的な操作を維持する一方で、ディスプレイ上のオブジェクトから各種の機能に直接アクセスできるようにしたことで、メニュー・ボタンの数を減らすことに成功しています。
操作部の周囲がLEDで色分けされるため、トリガ・ソースや垂直軸スケール/ポジション・ノブがどのチャンネルに割り当てられているのか一目でわかります。実行/停止やシングル・シーケンスといった機能については、大きな専用ボタンが右上の目立つ場所に配置されています。強制トリガ、トリガ・スロープ、トリガ・モード、デフォルト・セットアップ、オートセット、クイックセーブといった機能についても、すべて専用の前面パネル・ボタンを使用できます。
Windows環境の導入を選択可能
6シリーズMSO、Microsoft Windows™オペレーティング・システムを使用するかどうかを、ユーザ自身が選択できるようにした、最初のオシロスコープです。機器底部のアクセス・パネルを開くと、ソリッド・ステート・ドライブ(SSD)を接続するコネクタがあります。SSDが装着されていないときはオシロスコープ専用機として起動するため、他のプログラムをインストールして実行することはできません。

SSDが装着されている場合は、オープンなWindows10上にシステムが構成されるため、オシロスコープ・アプリケーションを最小化することでWindowsデスクトップにアクセスできます。もちろん、他のアプリケーションをインストールしたり、モニタを追加することで、デスクトップを拡張することができます。
Windowsを使用する、しないにかかわらず、オシロスコープの動作はまったく同じで、操作性、UIの操作方法にも違いはありません。
高チャンネル密度にも対応可能
6シリーズには、ロー・プロファイル・デジタイザLPD64型も用意されています。高さ2Uのコンパクトなサイズに4つのSMA入力チャンネルと補助トリガ入力、12ビットのA/Dコンバータを装備した6シリーズ・ロー・プロファイル・デジタイザは、高いチャンネル密度が求められるアプリケーションに対しても余裕を持って対応できます。

優れた性能
最高8GHzのアナログ周波数帯域、25GS/sのサンプル・レート、62.5Mポイントのレコード長(標準装備)、12ビットのADCを備えた6シリーズMSOは、優れた信号忠実度、分解能で波形の細部まで取込むことができます。
デジタル・フォスファ技術とFastAcq™高速波形取込み
設計上の問題をデバッグするためには、まず問題の存在を知る必要があります。FastAcqとデジタル・フォスファ技術により、デバイスの実際の動作を確認することができます。毎秒500,000波形以上という高速の波形取込レートにより、デジタル・システムでよく見られるラント・パルス、グリッチ、タイミング問題など、間欠的に発生する問題も非常に高い確率で観測することができます。まれにしか発生しないイベントをはっきりと表示させるため、輝度階調表示を使用することで、通常の信号特性に対する、まれなトランジェントの発生頻度を表示します。

業界トップクラスの垂直分解能と低ノイズ
大きな振幅の信号を取込みながら、信号の細部まで観察しなければならない場合でも、6シリーズMSOは、不要なノイズの影響を最小限に抑えながら、目的の信号を確実に取込める性能を備えています。6シリーズMSOの中心となる技術は、12ビットのADコンバータ(ADC)であり、従来の8ビットADCの16倍という優れた垂直分解能を実現しています。
新しいハイレゾ・モードでは、選択されたサンプル・レートに基づいて、ハードウェア・ベースの独自の有限インパルス応答(FIR)フィルタが適用されます。FIRフィルタは、そのサンプル・レートで利用可能な最高帯域幅を維持しながら、エイリアシングを抑制し、選択したサンプル・レートに対する使用可能帯域幅を上回る雑音をオシロスコープの増幅器やADCから除去します。
ハイレゾ・モードでは、常に最低でも12ビットの垂直分解能が確保され、625MS/s以下のサンプル・レートと200MHzの周波数帯域では垂直分解能は16ビットにまで拡張されます。次の表は、ハイレゾ・モードにおけるサンプル・レートごとの垂直分解能のビット数を示しています。
| サンプル・レート | 垂直分解能(ビット数) |
|---|---|
25GS/s | 8 |
12.5GS/s | 12 |
6.25GS/s | 13 |
3.125GS/s | 14 |
1.25GS/s | 15 |
625MS/s以下 | 16 |
新しい低ノイズのフロントエンド増幅器により、6シリーズMSOの信号解像能力をさらに向上させています。

新しいフロントエンド増幅器(TEK061)は低ノイズの優れたアクイジション性能を備えており、業界トップクラスの信号忠実度を実現し、高分解能で信号の細部まで正確に取り込めます。

微弱な高速信号を細部まで観測するために最も重要なのはノイズ性能です。計測システムに内在するノイズが大きいほど、信号の細部を正確に観測するのが困難になります。高速バスのトポロジによく見られる微弱な信号を細部まで観測するために、オシロスコープの垂直軸設定を高感度(10mV/div以下など)に設定している場合には、その影響はより顕著なものとなります。6シリーズMSOは新しいフロントエンドASICであるTEK061を搭載しているため、高感度設定であっても優れたノイズ性能を発揮します。以下の表では、6シリーズMSOと当社の旧機種のオシロスコープ(同じ周波数帯域に対応した製品)のノイズ性能(代表値)を比較しています。
| 周波数帯域 | V/div | 6シリーズMSO | DPO7000C | MSO/DPO70000C シリーズ |
|---|---|---|---|---|
1 GHz | 1 mV | 54.8µV | 90 µV 3 | - |
10 mV | 90.9µV | 279µV | - | |
100 mV | 941µV | 2.7 mV | - | |
4 GHz | 1 mV | 97.4µV | - | - |
10 mV | 192µV | - | 500µV | |
100 mV | 1.92 mV | - | 4.3 mV | |
8 GHz | 1 mV | 158µV | - | - |
10 mV | 342µV | - | 580µV | |
100 mV | 3.46 mV | - | 4.5 mV |
トリガ
デバイスの障害を検出するのは、デバッグの第1段階です。次に、原因を特定するために、想定されるイベントを取込まなければなりません。6シリーズMSOは、さまざまなタイプに対応した、高度なトリガ機能を提供しています。
- ラント
- ロジック
- パルス幅
- ウィンドウ
- タイムアウト
- 立上り/立下り時間
- セットアップ/ホールド時間違反
- シリアル・パケット
- パラレル・データ
- シーケンス
- ビデオ
- ビジュアル・トリガ
- RF周波数対時間
- RF振幅対時間
最大1Gポイントのレコード長により、数多くのイベントを取込むことができます。数千というシリアル・パケットでも1回で取込むことができ、高い分解能のままズーム表示して詳細に信号を観測し、信頼性の高い測定結果を記録できます。

ビジュアル・トリガ - 特定の信号をすばやく検出
複雑なバスから特定のサイクルを検出するには、何時間もデータを取込み、何千というアクイジションを調べる必要があります。そのイベントが発生したときのみ表示するようにトリガ設定できれば、この時間を短縮することができます。
ビジュアル・トリガは、6シリーズMSOのトリガ機能を拡張し、取込んだすべての波形取込をスキャンし、ディスプレイに表示されるエリア(図形形状)と比較します。マウスまたはタッチスクリーンにより無制限のエリアが設定でき、三角形、長方形、六角形、台形などの形状が作成でき、さまざまなトリガ動作に対応するエリアが設定できます。形状が作成できれば、必要に応じてカスタム形状を理想的なトリガ条件になるように編集することもできます。

重要な信号インベントにのみトリガすることで、手作業での取込み、アクイジションから検索するのに要する時間を大幅に短縮できます。秒、分の単位で重要なイベントが検出でき、短時間のうちにデバッグ/解析作業を終わらせることができます。ビジュアル・トリガは複数のチャンネルに対しても使用できるため、複雑なシステムのトラブルシューティングやデバッグにも最適です。

複数のエリアを定義すれば、オンスクリーンの編集機能を使用して、ブール論理式を使用した複雑なトリガ条件を設定できます。

TekVPIプローブ・インタフェース
TekVPI®プローブ・インタフェースは、プローブの使い勝手が格段に向上しています。安全性と信頼性に優れた接続が可能なだけでなく、TekVPIプローブの補正ボックス上には、多くのステータス・インジケータ、操作ボタンおよびプローブ・メニュー・ボタンが装備されています。このプローブ・メニュー・ボタンを押すと、すべてのプローブ設定や操作メニューがオシロスコープ上にプローブ・メニューとして表示されます。TekVPIインタフェースは、外部電源の必要なしに電流プローブを直接接続することができます。さらにTekVPIプローブは、USBまたはLAN経由でリモート制御できますので、自動試験装置においても汎用性の高いソリューションが可能になります。 6シリーズMSOの前面パネル・コネクタは、最高 40Wの電力給電が可能で、接続されたすべてのTekVPIプローブに十分な電力を供給できるため、プローブ専用の電源を追加する必要がありません。
汎用性に優れた高速受動電圧プローブ
6シリーズMSO全機種に付属する、TPPシリーズ受動電圧プローブは、広いダイナミック・レンジ、豊富なプロービング・オプション、堅牢な機械設計などの汎用プローブの特長と、アクティブ・プローブの優れた性能を併せ持っています。1GHzのアナログ周波数帯域により、信号の高周波成分も観測できます。また、容量負荷がわずか3.9pFと優れており、回路に及ぼす影響が最小に抑えられるため、長いグランド・リードも使用できます。
減衰比が2:1のTPPプローブ(オプション)も用意されているため、低電圧の測定にも対応できます。一般的な低い減衰比の受動プローブと違い、TPP0502型の周波数帯域は500MHzでありながら、容量負荷も12.7pFと抑えられています。

TDP7700シリーズTriModeプローブ
TDP7700シリーズTriModeプローブは、リアルタイム・オシロスコープに最適な優れた信号忠実度を実現しています。TDP7700シリーズは、6シリーズMSOの性能を生かすように設計されており、Sパラメータ・モデルに基づいたプローブ/チップの信号経路のフルAC補正の機能を備えています。プローブは、TekVPIプローブ・インタフェースを介してSパラメータをオシロスコープに通知します。6シリーズMSOではそのデータを取込み、きわめて高い信号忠実度でプローブ・チップからアクイジション・メモリまで信号を伝送することができます。チップ先端からわずか数ミリの位置にプローブの入力バッファが取り付けられた、はんだ付け用チップなど革新的な接続性能を備えたTDP7700シリーズ・プローブは、難度の高い接続が求められる最新の電子設計においても、優れた操作性を発揮します。

TriModeプロービングでは、一度セットアップするだけで、差動、シングルエンド、コモンモードの測定を確実に実施できます。この独自機能により、プローブの接続ポイントをつなぎかえることなく、差動測定、シングルエンド測定、コモンモード測定を切り替えながら、より効果的、効率的に作業を進めることができます。
IsoVu™光アイソレーション型測定システム
インバータの設計、電源の最適化、通信リンクのテスト、シャント抵抗による電流の検出、EMI/ESD問題のデバッグを行う場合、あるいはテスト・セットアップからグランド・ループを取り除きたい場合、コモンモード干渉があると正確な測定が困難になり、設計/デバッグ/評価/最適化といった作業に支障が生じていました。
当社の画期的な新技術IsoVuでは、光給電型光ファイバを使用することにより、完全なガルバニック絶縁を可能にしています。TekVPIインタフェースを搭載した6シリーズMSOで使用すると、大きなコモンモード電圧がある場合でも、高い周波数の差動信号を正確に測定できる機能を備えた、業界初の測定システムが実現します。
完全なガルバニック絶縁
最高1GHzの周波数帯域に対応
同相除去比(CMRR):DC~100MHzで120dB(100万:1)以上
同相除去比(CMRR):全帯域で80dB(10,000:1)
差動電圧のダイナミック・レンジ:最高2,500V
コモンモード電圧レンジ:60kV

IsoVuを使用したハイサイド・ゲート電圧測定

上の図は、標準差動プローブを使用したときのハイサイド・ゲート電圧と、光絶縁型プローブを使用したときのハイサイド・ゲート電圧との比較を示しています。オフおよびオンのときはどちらのプローブでも、デバイスのゲートがスレッショルド値の領域を通過した後に、ゲートにおいて高周波数リンギングが見られます。ゲートと電源ループのカップリングにより、ある程度のリンギングが予想されます。ただし、差動プローブの場合、リンギングの振幅は光絶縁型プローブで測定される振幅よりも著しく高くなります。これは、プローブ内でコモン・モード電流を誘起する基準電圧の変化、および標準差動プローブのアーチファクトが原因と考えられます。差動プローブによって測定された波形は、デバイスの最大ゲート電圧を通過しているように見えます。一方、光絶縁型プローブでは、測定精度が高いほどデバイスが仕様範囲内にあることが明らかになっています。ゲート電圧測定に標準差動プローブを使用するアプリケーション設計者は、ここに示したプローブおよび測定システムのアーチファクトと、デバイス定格の実際の違反を区別できない可能性があるため、注意が必要です。この測定時のアーチファクトが発生したときに、設計者はゲート抵抗を高くして、スイッチング過渡現象を遅くしようとしたり、リンギングを減らそうとするかもしれません。しかし、そのようにすると、SiC デバイスでの損失を不必要に増加させることになります。このため、適切なシステムを設計して性能を最適化するためには、デバイスの実際の変動を正確に反映する測定システムが不可欠となります。
豊富な解析機能
基本波形解析機能
プロトタイプの性能がシミュレーション結果と一致していて、プロジェクトの設計目標を満たしていることを検証するためには、注意深く解析を行う必要があります。そこには、立上り時間やパルス幅のチェックといった単純なものから、電力損失の解析、システム・クロックの特性評価、ノイズ発生源の調査といった高度なものまで、さまざまな作業が伴います。
6シリーズMSOは、豊富な解析ツールを標準で備えています。
- 波形/スクリーン・ベースのカーソル
- 36種類の自動測定結果にはレコードのすべてのインスタンスが含まれており、あるイベントから次のイベントへとナビゲートできるだけでなく、レコードの最小値または最大値をすばやく表示することも可能
- 基本波形演算
- 基本FFT解析
- フィルタや変数を使用した任意波形の数式編集などの高度な波形演算
- FastFrame™セグメント・メモリにより、オシロスコープのアクイジション・メモリを効率的に活用できるため、1つの波形レコードに数多くのトリガ・イベントを効率的に取込むことができ、イベント間の時間ギャップを無視できます。各セグメントは個別に、または重ねて表示できます。
測定結果テーブルには、測定結果についての総合的な統計表示のほか、現在のアクイジションと、すべてのアクイジションの両方を対象とした統計値も表示されます。

コールアウト

1:注:書込んだテキスト・ボックスを画面上に配置します。
2:矢印:書込んだテキスト・ボックスを配置し、画面上の特定の位置に矢印を追加します。
3:長方形:テキストを書込み、画面上にサイズ変更可能なボックスとして示される領域を作成します。
4:ブックマーク:トリガ・ポイントに関連する特定の時間に動的リードアウトを作成します。このリードアウトには、テキスト、信号の振幅、信号単位に加えて、ブックマークの基準ポイントを示す線とターゲットが含まれます。
テストの結果や手順を文書化することは、チーム間でデータを共有したり、後日の再測定、顧客レポートを作成する際に非常に重要です。画面上で数回タップするだけで、必要な数だけカスタム・コールアウトを作成できるため、テスト結果の具体的な詳細を文書化することができます。それぞれのコールアウトは、テキスト、位置、色、フォント・サイズ、フォントをカスタマイズできます。
ナビゲーションとサーチ
長いレコード長の波形から目的のイベントを探す場合、適切なサーチ・ツールがないと時間のかかる作業になります。今ではレコード長は数百万ポイントにもなり、目的のイベントを特定するためには数千画面をスクロールしなければなりません。
6シリーズMSOには、革新的なWave Inspector®という波形検索、操作ツールがあり、波形レコード内をすばやくパン、ズーム表示することができます。独自のフォースフィードバック・システムにより、波形レコードの最初から最後までをわずか数秒で移動できます。ディスプレイ上でドラッグやピンチ/拡大といったジェスチャを使用すれば、長いレコードでも目的の領域を効率的に調査できます。
サーチ機能では、独自に定義した条件でロング・メモリ上のイベントを検索できます。条件に該当するすべてのイベントには検索マークが付き、前面パネルまたはディスプレイのサーチ・バッジの戻る(←)、次へ(→)ボタンを押すことで、イベント箇所に簡単に移動することができます。サーチの種類には、エッジ、パルス幅、タイムアウト、ラント、ウィンドウ、ロジック、セットアップ/ホールド、立上り/立下り時間、パラレル/シリアル・バス・パケットのデータなどがあります。独自のサーチを定義することもできます。
サーチ・バッジのMin/Maxボタンを使用すると、検索結果の最小値および最大値にすばやくジャンプできます。

マスク/リミット・テスト(オプション)

シグナル・インテグリティにフォーカスしたい場合、または製造試験の合否条件を設定する場合にも、マスク・テストは、システム内の特定の信号の動作の特性評価をするための効率的なツールです。画面上にマスク・セグメントを描くことで、カスタム・マスクをすばやく作成できます。特定の要件に合わせてテストを調整し、マスク・ヒットが検出されたとき、またはテスト結果がパスまたはフェイルになったときに取るべきアクションを設定します。
リミット・テストは、信号の長期的な挙動を監視するために有効な手法であり、生産ラインのテストで新しい設計を特性評価したり、ハードウェアの性能を検証するのに役立ちます。リミット・テストは、ユーザが設定する垂直方向、水平方向のマージンを持った基準波形と測定信号を比較します。
マスク・テストやリミット・テストは、以下のように特定の要件に合わせて簡単にカスタマイズできます。
- 波形の数でテスト期間を定義
- 違反判定のためのスレッショルド値を設定
- 違反/不合格の数をカウントし、統計情報レポートを作成
- 違反時、テスト不合格時、およびテスト完了時のアクションを設定
ユーザ定義フィルタリング (オプション)
広い意味では、信号を処理するシステムはすべてフィルタと考えることができます。たとえば、オシロスコープのチャンネルは、3 dB ダウンのポイントがその帯域幅と呼ばれるローパス・フィルタとして動作します。任意の形状の波形の場合、いくつかの基本規則、前提条件、および制限の中で、定義された形状に変換できるフィルタを設計できます。
デジタル・フィルタには、アナログ・フィルタに勝るいくつかの大きな利点があります。たとえば、アナログ・フィルタ回路コンポーネントの許容値は高すぎるため、高次フィルタの実装が困難であり、不可能な場合すらあります。高次フィルタは、デジタル・フィルタとして簡単に実装できます。デジタル・フィルタは、無限インパルス応答 (IIR) または有限インパルス応答 (FIR) として実装できます。IIR または FIR フィルタの選択は、設計要件や用途に基づきます。
6シリーズMSOは、MATH任意関数により、指定されたフィルタを演算波形に適用することができます。Opt. 6-UDFLTは、この機能を深いレベルに掘り下げ、MATH任意基本関数以上のものを提供します。また、標準フィルタに対応し、用途中心のフィルタ設計に利用することができます。

6シリーズMSOでサポートされているフィルタ・タイプは次のとおりです。
- ローパス
- ハイ・パス
- バンド・パス
- バンド・ストップ
- オール・パス
- ヒルベルト
- 微分器
- カスタム
6シリーズMSOでサポートされているフィルター応答タイプには以下があります。
- バターワース
- チェビシェフ I
- チェビシェフ II
- 楕円
- ガウシアン
- ベッセル-トムソン

フィルタ設計は、編集が完了すると保存、呼び出し、適用が可能になります。
プロトコルのデコード/解析(オプション)
デバッグでは、1つまたは複数のシリアル・バスを観察することによって、システムのアクティビティの流れを追跡できると大変有効です。たった1つのシリアル・パケットであっても、手動でデコードしようとすると、かなり手間がかかります。長いメモリ長の場合だと、パケット数は数千にも達します。
取り込もうと試みているイベントが明確であり、シリアル・バスに特定のコマンドが送出されたときにそのイベントが発生するというのであれば、そのイベントでトリガできれば、効率よく解析できるはずです。残念ながら、エッジまたはパルス幅トリガを指定するだけで、こうしたトリガが可能になるわけではありません。

6シリーズMSOは、I2C、SPI、eSPI、I3C、RS-232/422/485/UART、SPMI、SMBus、CAN、CAN FD、LIN、FlexRay、SENT、PSI5、CXPI、車載用Ethernet、MIPI C-PHY、MIPI D-PHY、USB LS/FS/HS、eUSB2.0、Ethernet 10/100、EtherCAT、Audio(I2S/LJ/RJ/TDM)、MIL-STD-1553、ARINC 429、Spacewire、8B/10B、NRZ、Manchester、SVID、SDLC、1-Wire、MDIO、NFCなど、組込み設計によく使用される、ほとんどのシリアル・バスに対応できます。
プロトコル・サーチを使用すると、長いメモリ長でも効率的にシリアル・パケットを検索できるため、指定した特定のパケット内容を確実に検出できます。検出されたイベントには検索マークが付きます。前面パネルまたは結果バーに表示されるサーチ・バッジの戻る(←)ボタンや次へ(→)ボタンを押すだけで、マーク間をすばやく移動することができます。
ツールはシリアル・バスのために用意されたものですが、パラレル・バスでも機能します。6シリーズMSOでは、パラレル・バスも標準でサポートされています。パラレル・バスは、最大32ビット幅で、アナログ・チャンネルとデジタル・チャンネルを混在させることができます。
- シリアル・プロトコル・トリガを使用することで、パケットの開始、特定のアドレス、特定のデータ内容、固有の識別子、エラーなど、特定のパケット内容でトリガできる
- バス波形により、バスを構成するClock、Data、Chip Enableなどの個々の信号に沿ってわかりやすく表示でき、パケットの開始と終了、アドレス、データ、識別子、CRCなどのサブパケット・コンポーネントを簡単に識別できる
- バス波形は、表示された他の信号と時間相関が取れているため、被測定システムの異なる部分のタイミング関係も簡単に測定できる
- バス・デコード・テーブルには、アクイジションのすべてのデコードされたパケットが(一般的なソフトウェアのリスト表示と同様の)表形式で表示されるパケットにはタイムスタンプが付き、アドレス、データなど、コンポーネントごとにカラムとして連続にリスト表示される
NFCのデコード/解析(オプション)
多くの場合において、プロトコル・レベルの結果をパラメータの信号レベルまでトレースできないことから、NFCデザインの性能マージンを評価することは困難です。これはつまり、特に設計がトレードオフや周辺の電子機器によって干渉やシグナル・インテグリティの問題を受けやすくなっており、プロトコル・アナライザやRFシグナル・アナライザなどの複数の機器で時間のかかるデバッグを必要とする場合に、マージナル・パスがテスト・フローの後半で失敗する可能性があるということです。
6シリーズMSOのNFCプロトコル・デコード/検索オプションを使用することで、NFCリンクのトランザクションを表示し、プロトコル・レベルから基本的な信号レベルまで、標準での信号操作のすべてのステップで結果をトレースできるようになり、NFCチップ、タグ、リーダ、またはモバイル・デバイスがどのように動作しているかを正確に把握するためのインサイトが得られます。
NFCトランザクションは長くなることがあります。このソフトウェア・オプションは、他とは異なり、Spectrum Viewに使用されるハードウェアDDCからのデータを利用します。これにより、サンプル・レート圧縮が可能になり、転送時間とメモリが節約され、100ミリ秒、または数秒の信号データをもキャプチャして分析できます。
さらに、I/O信号は、テスト対象デバイスからのプローブとトリガに常に使用できるわけではないため、NFCの小さな変調指数を考慮すると、RFエンベロープ自体でトリガすることも難題となります。Spectrum Viewでは、RF対時間の波形とトリガを使用して13.56 MHzエンベロープでトリガできます。これも他の機器にはない独自のものです。
この機能により設計の初期検証が簡素化されます。また、障害が発生した場合の強力なデバッグ・ツールも、単一の機器で提供されます。

スペクトラム表示

多くの場合、周波数領域で1つまたは複数の信号を表示することで、問題のデバッグが容易になります。こうしたニーズに対応するために、従来からオシロスコープには演算ベースのFFT機能が内蔵されていました。しかし、FFTの使用には以下の2つの点で難点があることが知られていました。
第一に、周波数ドメイン解析を行う場合、スペクトラム・アナライザに通常搭載されている中心周波数、スパン、分解能帯域幅(RBW)といった項目が当然設定できると考えるはずです。ところがFFTを使用すると、サンプル・レート、レコード長、時間軸といった従来からのオシロスコープの設定を使用しなければなりません。周波数ドメインに目的の信号を表示するには、ある程度の経験と技術が必要です。
次に、FFTはアナログの時間ドメイン表示と同じアクイジション・システムによって駆動されていることが挙げられます。アナログ表示に合わせて取込み設定を最適化すると、目的の周波数ドメイン表示が得られません。期待通りの周波数領域表示が得られると、今度はアナログ表示に問題が生じます。演算ベースのFFTでは、両方の領域の表示を最適化することは事実上不可能です。
Spectrum Viewはこうした問題をすべて解決します。当社独自の特許技術により、それぞれのFlexChannelにデシメータ(時間領域)とデジタル・ダウンコンバータ(DDC)を配しています。2つの異なる取込み経路を使用することで、入力信号を時間領域表示と周波数領域表示の両方で同時に観測できます。それぞれの領域は、独立した取込み設定が可能です。それぞれのドメインには独立した取込み設定を使用できます。他社製品ではさまざまな種類の「スペクトラム解析」パッケージが提供されており使いやすさを謳っていますが、そうした製品にはすべて前述した通りの制限が見られます。本当に使いやすく、両方の領域で同時に最適な表示が得られる優れた機能を備えているのは、当社のSpectrum Viewだけです。
従来、RFチャンネル・パワー(CHP)、隣接チャンネル・パワー比(ACPR)、占有帯域幅(OBW)などのRF測定を実行するには、専用のスペクトラム・アナライザ、信号アナライザ、またはスペクトラム・アナライザ・ソフトウェアが必要でした。このようにハードウェアやソフトウェアを追加することで、複雑さが増し、コストが高くなります。Spectrum Viewを標準装備し、各チャンネルにRF測定機能を統合したことで、RFトランスミッタのCHP、ACPR、OBWをオシロスコープで直接検証できるようになったため、時間、作業スペース、コストを節約できます。
さらに、DDCは中心周波数ではなくスパンの関数になるため、従来のFFTと比較して信号を解像するために必要なサンプル・レートを大幅に削減できます。これにより、ファイル・サイズの縮小、周波数分解能の向上、スペクトラムの更新レートの高速化が可能になり、10数秒間のスペクトラム・データをキャプチャできる、応答性と正確性の高いソリューションが実現します。

RF信号変化の観測(オプション)
RF時間ドメイン波形は、時間とともに変化するRF信号の理解に役立ちます。Spectrum Viewの基盤であるI/Qデータから得られた、以下の3つのRF時間領域波形があります。
- 振幅 - スペクトルの瞬時振幅対時間
- 周波数 - 中心周波数に対するスペクトラムの瞬時周波数対時間
- 位相 - 中心周波数に対するスペクトラムの瞬時位相対時間
これらの波形は個別にオン/オフすることも、3つ同時に表示することもできます。
データは同相および直交(I&Q)サンプルとして保存され、時間領域データとI&Qデータの間で正確な同期が維持されます。
RF対時間の波形が有効になっている場合、IQデータをキャプチャしてファイルにエクスポートし、サード・パーティ・アプリケーション内で詳細な拡張分析を行うことができます。
X軸が周波数、Y軸が時間、色の変化が電力レベルを示すスペクトログラム表示(オプションRFVTに付属)により、時間の経過に伴う信号振幅と周波数成分の変化をより詳細に把握し、スペクトラム活動の変化がいつどこで発生するかを確認できます。これは、複雑なスプリアス信号や周波数ホッピング信号、マルチチャンネル信号、動的に変化する信号などのスペクトラム・データの傾向を表示するのに最適です。
スペクトログラムの利点は次のとおりです。
- FFTオーバーラップやスペクトラム時間を指定することなく、所定のスパンおよびアクイジションにおけるすべてのスペクトラム活動を即座に表示
- 時間相関カーソルと最大3つのオーバーレイされたスペクトラム・レースを使用して、時間内のさまざまな瞬間のスペクトラムをすばやく比較
- ディスプレイ解像度とFFTオーバーラップが自動的に最適化され、関心のあるスペクトラム活動をピンチしてズームイン
- 必要に応じて、中心周波数、スパン、RBW、振幅のカラースケーリングを調整して、目的の信号をすべて表示
- 使用可能な各オシロスコープのチャンネルでスペクトログラムをアクティブにし、中心周波数と振幅スケーリングを個別に設定することで、マルチチャンネルや非連続スペクトラムのトレンドを同時に表示


RF信号の変化でトリガ(オプション)
電磁干渉の発生源を見つける必要がある場合や、VCOの動作を理解する必要がある場合に、RF対時間のハードウェア・トリガを使用することで、RF信号の挙動を簡単に分離、捕捉し、検査できます。RF振幅対時間やRF周波数対時間のエッジ、パルス幅、およびタイムアウトでもトリガできます
SignalVu-PC(オプション)による包括的なベクトル信号解析
テクトロニクス 6 シリーズ MSO は、利用可能な解析ソフトウェアと組み合わせることで、4 チャンネル (8 GHz 周波数帯域マルチチャンネル) の複数ドメインのベクトル信号解析 (VSA) ソリューションとして、コスト効率の高いミッドレンジ性能を提供します
基本的なスペクトラム、振幅、周波数、位相対時間だけでなく、より高度な解析が必要な場合は、SignalVu-PCベクトル信号解析アプリケーションを利用できます。これにより、詳細なトランジェントRF信号解析やRFパルス特性解析、包括的なアナログ/デジタルRF変調解析が可能になります。
各チャンネルの専用DDCおよび5Gニュー・ラジオ(NR)SignalVu-PC VSAソフトウェアを使用した、5Gテストに対するテクトロニクスのミックスド・シグナル・オシロスコープ・ベースの手法は、5G NR設計を検証する新しい手法を提供します。これは、従来のFFTベースのオシロスコープの技術的限界を理由として従来のRFエンジニアがこれまで考えなかったものであり、時間領域、周波数領域、および変調領域を複数のチャンネルにおいて同時に解析するうえでメリットをもたらします。
- ビームフォーマ・キャリブレーションでは、時間領域と周波数領域用の個別のデジタル信号パスと、チャンネル間での位相の一致が重要です。
- また、デジタル・データとアナログ/RF データを同時に解析して、レイテンシーや変調確度を検証したり、電力効率またはシステム・レベルのデバッグを実行したりすることもできます。
5G NR トランスミッタ測定コアに対応する機能
5GNRオプション(5GNRNL-SVPC)は、3GPPのTS 38仕様のリリース15およびリリース16に従い、5G NR変調解析測定に対応しています。これには次のものが含まれます。
- アップリンクおよびダウンリンクのフレーム構造の分析
- ダウンリンクについては、FDDおよびTDDでサポートされるテスト・モデル
- アップリンクについては、FDDでサポートされるテスト・モデル
- 変調確度(エラー・ベクトル振幅(EVM)およびIQエラーを含む)
- チャンネル・パワー(CHP)
- 隣接チャンネル電力(ACP)
- スペクトラム・エミッション・マスク(SEM)
- 使用中帯域幅
- 電力対時間(PVT)
- 変調確度の全スカラー結果を示した概要表、ACP、CHP、SEMおよびOBW計測
- ドメイン間の連結計測の詳細分析およびトラブルシューティング、複数のマーカーを用いて結果の相関関係を示し、根本原因を突き止めます。
- SCPIコマンドを使用した測定の自動化、設定パラメータと測定結果の保存/呼び出し(.TIQまたは.CSV形式)
- 各コンポーネント・キャリアのPDSCHまたはPUSCHの設定可能なパラメータ

6シリーズ・オシロスコープでSignalVu-PCを動作させるには、以下の3項目が必要です。
- 機器でアプリケーションを実行する場合、Windows SSD(6-WIN)をオシロスコープにインストールする必要があります。
- I/Qデータを転送するには、Spectrum View RF対時間トレース(Opt. 6-SV-RFVT)をオシロスコープにインストールする必要があります。
- アプリケーションの基本機能(16種類以上のRF測定/表示機能を含む)を有効にするには、Connect(Opt. CONxx-SVPC)ライセンスをSignalVu-PCにインストールする必要があります。
各チャネルに装備されたRFデジタル・ダウンコンバータと統合された測定エンジンは、複雑なミックスド・シグナル/ミックスド・ドメイン解析のニーズを1つの装置でカバーしています。

拡張パルス解析機能(オプション)
6シリーズMSOで使用可能なチャンネルごとのDDCにより、個別のタイミング、トリガ、測定の構成など、すべてのチャンネルでRF信号を独立して解析することができます。この機能を拡張すれば、SignalVu-PC VSAソフトウェアを使用するときに、時間、周波数、変調領域を同時に評価できます。
拡張パルス解析オプション(SVPNL-SVPC)により、独立の、または協調的な制御および測定を使用して、共通のタイムベースで測定チャンネル全体の複数のレーダ信号を分析できるようになります。

ジッタ解析
6シリーズMSOには、標準でDPOJET Essentialsジッタ/タイミング解析ソフトウェアが内蔵されており、連続クロックとデータ・サイクルをシングルショットのリアルタイム取込みで測定できるようにオシロスコープの能力を拡張しています。これにより、タイム・インターバル・エラーや位相ノイズなどの重要なジッタ/タイミング解析パラメータが測定でき、システム・タイミング問題を検証することができます。
時間トレンドやヒストグラム・プロットなどの解析ツールで時間とともに変化するタイミング・パラメータのすばやい表示、あるいはスペクトラム解析でジッタや変調ソースの周波数や振幅の正確な表示が可能になります。
Opt. 6-DJAを使用すると、ジッタ解析機能を追加して、より高度なデバイス性能の特性評価が可能になります。31種類の測定機能により、広範囲なジッタ/アイ・ダイアグラム解析と分離アルゴリズムが追加され、今日の高速シリアル、デジタル/通信システム設計におけるシグナル・インテグリティ問題の検出が可能になります。Opt. 6-DJAを使用することで、アイ・ダイアグラム・マスク・テストによる自動パス/フェイル・テストも行えます。

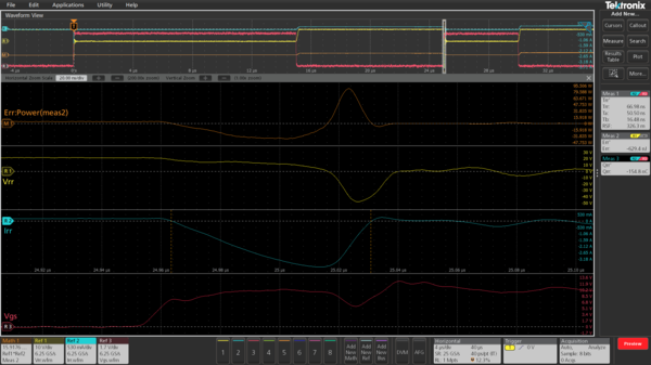
パワー解析(オプション)
6シリーズMSOは、オプションでパワー解析パッケージ(Opt. 6-PWR)が統合でき、電力品質、入力容量、突入電流、高調波、スイッチング・ロス、安全動作領域(SOA)、変調、リップル、磁気測定、効率、変調、タイミング、スルー・レート(dv/dtおよびdi/dt)、制御ループ応答(ボード線図)、電源電圧変動除去比(PSRR)などを優れた再現性で効率的に測定できます。
自動測定機能では、ボタンにタッチするだけで測定品質や再現性を最適化できるため、外部PCやソフトウェアの複雑なセットアップも一切不要です。

デジタル電源管理(オプション)
デジタル電源管理/解析(DPM)ソフトウェア・オプションを使用すれば、6シリーズMSOオシロスコープでのパワー・インテグリティ解析においてパワー・レールの自動測定が可能になります。このソリューションにより、パワー・レール・プローブを使用した複数のパワー・レールの同時解析と、受動プローブを使用した測定のシーケンシングの両方が可能になります。このソリューションは、ユーザのワーク・フローを考慮し、設計エンジニアの時間的なニーズに対応できるように設計されています。また、測定値、試験結果、プロット画像を含む自動レポートを生成できます。
主な測定値には、リップル、リップル・オン・リップル、パワー・シーケンシング、ジッタ解析、トランジェント解析、パワー・インテグリティ、シグナル・インテグリティ解析などがあります。
電源誘発ジッタ(PSIJ)測定により、シグナル・インテグリティに関わるエンジニアがハードウェア変更の影響をモデル化し、実際に変更を行う前にその有効性をテストすることができます。これは、インサイトと確信をもたらすツールとして機能します。この測定では、フィルタリングの前後で、アイ高さ、アイ幅、PJ、TIEなどの重要な結果が得られます。

インバータ/モータ・ドライブ解析(IMDA)(オプション)

三相電力を利用するシステムの設計や検証では、制御システムとパワー・エレクトロニクスをシステム全体の性能と相関させることが困難な場合があります。
この機能を使用すると、より詳細な解析が可能になるため、以下のようなシステムの設計/効率/信頼性を効果的に検証できます。
- 三相電力インバータ、コンバータ、電源装置、および DC-AC トポロジの車載用三相設計
- モータ (ブラシレス AC、ブラシレス DC、誘導、永久磁石、ユニバーサル、ステッパ、ロータ)
- ドライブ (AC、DC、可変周波数、サーボ)
Opt. 6-IMDA には、以下の自動測定機能が含まれます。
- 入力解析
- 位相図による電力品質
- 高調波
- 入力電圧
- 入力電流
- 入力電力
- リップル解析
- ライン・リップル
- スイッチング・リップル
- 出力解析
- 位相図
- 効率
- 機械電源
- システム効率
- 結線の構成
- 電圧 1/電流 1 - 1P2W
- 電圧 2/電流 2 - 1P3W
- 電圧 2/電流 2 - 3P3W
- 電圧 3/電流 3 - 3P3W
- 電圧 3/電流 3 - 3P4W
コンプライアンス・テスト
組込み機器の設計者が最も重視するのが、さまざまな組込み/インタフェース技術についてのコンプライアンス・テストです。これを確実に実施することで、デバイスはプラグフェストでロゴ認証を取得し、他の対応機器との互換性を保証できるようになります。
USB、Ethernet、メモリ、ディスプレイ、MIPIなどの高速シリアル規格のための仕様は、それぞれの規格のコンソーシアムや運営団体によって策定されます。こうしたコンソーシアムとも緊密に連携しながら、テクトロニクスはオシロスコープベースのコンプライアンス・アプリケーションを開発してきました。単にパス/フェイルの結果を示すだけではなく、不合格になった設計を効率的にデバッグできるように、ジッタ/タイミング解析といった関連する測定ツールを提供するなど、原因を詳細に解析するための機能を備えています。
これらの自動コンプライアンス・アプリケーションをフレームワークに組み込むことでさまざまなメリットが生まれます。
認証試験項目を完全にカバーした包括的なテストの実施
カスタマイズ可能な設定に基づき最適化されたアクイジションとテスト・シーケンスによるテスト時間の短縮
取込み済みの信号に基づいて解析できるため、必要な取込みが完了すれば、被測定デバイス(DUT)をセットアップから取り外すことも可能。異なるオシロスコープや別の場所で取り込まれた波形も解析できるため、高度なコラボレーションを生かしたテスト環境の構築が可能
アクイジション中に取り込まれた信号を確認できる信号検証機能
設計のデバッグに最適なパラメトリック測定機能の追加
カスタム・アイ・ダイアグラム/マスク・テストによる設計マージンの解析
セットアップ情報、結果、マージン、波形のスクリーンショット、プロット画像などを記載した複数フォーマットに対応した詳細なレポートの生成


ワイド・バンドギャップ・ダブル・パルス・テスト(オプション)

ワイド・バンドギャップ・ダブル・パルス・テスト・アプリケーション(オプション6-WBG-DPT)により、デバイスとシステムの検証を容易にする正確なワイド・バンドギャップ測定が可能になります。SiCまたはGaNデバイスに加え、Si MOSFETおよびIGBTもテストできます。このアプリケーションは、当社のすべてのVPIプローブと互換性があり、当社のIsoVu™プローブと併用することで、SiCまたはGaNデバイスの隠れたすべてのアーチファクトを回路レベルで発見するのに役立ちます。このアプリケーションは、JEDECおよびIEC規格に従って測定を自動化します。注釈付きのサイクルごとの解析、カスタム基準レベル設定での柔軟性、構成可能な統合ポイント、DUT設計に基づいて設定可能な電源プリセットなど、独自の機能を提供します。
以下の測定が実行されます。
- ロー・サイド・スイッチング・パラメータおよびハイ・サイド・ダイオード逆回復測定
- ロー・サイドおよびハイ・サイド・スイッチングパラメータ
豊富な機能であらゆるニーズに対応
拡張機能
6シリーズMSOは、複数の外部接続ポートを経由して、ネットワーク接続、PCへの直接接続、または他のテスト機器に接続することができます。
前面パネルには2個のUSB 2.0ホスト・ポートと1個のUSB 3.0ホスト・ポート、さらに後部パネルにも4個以上のUSB ホスト・ポート(USB 2.0×2、USB 3.0×2)が装備されており、スクリーンショット、機器の設定、波形データなどをUSBメモリに簡単に保存できます。USBホスト・ポートには、USBマウスやキーボードも接続でき、機器のコントロールやデータ入力に利用できます。
後部パネルにはUSBデバイス・ポートが装備されており、PCでリモート制御することができます。
後部パネルには10/100/1000BASE-T Ethernetポートがあり、計測器の制御に使用できます(LXI Core 2011にも対応)。
後部パネルの DVI-D、Display Port、およびVGAポートから、画面を外部モニタまたはプロジェクタに表示することができます。

自動試験装置(ATE)システムを迅速かつスムーズにアップグレード
自動化されたテスト・システムと密接に関わる仕事に従事している方なら、新しいモデルやプラットフォームへの移行に伴う苦労をよくご存じのはずです。新しい製品に対応するために、既存のコードベースを修正するのは、法外なコストがかかる場合があり、移行作業も複雑になります。そんな方に最適なソリューションをお届けします。
すべての6シリーズMSOには、プログラム・インタフェース(PI)トランスレータが搭載されています。有効にすると、PIトランスレータは、テスト・アプリケーションとオシロスコープの間の中間層として機能します。これは、一般的なDPO/MSO5000BシリーズおよびDPO7000Cシリーズ・プラットフォームのレガシ・コマンドのサブセットを認識し、即座に6シリーズMSOのサポートされているコマンドに変換します。トランスレータのインタフェースは、きわめて可読性に優れているため、どなたでも簡単に拡張することができます。動作をカスタマイズすることで、新しいオシロスコープに移行する際に必要な労力を最小限に抑えられます。
リモート操作による共同作業の効率化
離れた場所にいる設計チームと一緒に作業ができます。
内蔵のe*Scope®機能を使用すると、標準Webブラウザを通じて、ネットワーク経由でオシロスコープを制御することもできます。オシロスコープのIPアドレスまたはネットワーク名を入力するだけで、ブラウザにWebページが表示されます。離れた場所からでも、その場にいるのとまったく同じように、オシロスコープを制御できます。あるいは、Microsoft Windows Remote Desktop™機能を使用して、オシロスコープに直接接続し、リモート制御することもできます。
業界標準のTekVISA™プロトコル・インタフェースが含まれており、データ解析やドキュメンテーションなどのWindowsアプリケーションの利用や拡張も可能です。IVI-COM機器ドライバが含まれており、オシロスコープ上または外部PC上のプログラムから、LANまたはUSBTMC接続を使用して、オシロスコープと容易に通信することができます。

PCベースの解析とオシロスコープへのリモート接続
数々の受賞に輝くオシロスコープの解析機能をPCで利用できます。いつでもどこでも波形を解析できます。ベーシック・ライセンスでは、オシロスコープにリモート・アクセスしながら、波形の表示/解析、各種測定、および最も一般的なシリアル・バスのデコードを行うことができますアドバンスド・ライセンス・オプションでは、マルチスコープ解析、より多くのシリアル・バス・デコード・オプション、および電力測定などの機能が追加されます。

TekScope PC解析ソフトウェアは、以下のような機能を備えています。
- 機器をリモートで接続し、高速TekHSIデータ転送を用いる低遅延波形アップデートを有効にします。
- チームでデータをリモートで共有できるので、誰もが実際にオシロスコープを使用するのと変わらない操作感で測定や解析を実行可能
- 複数のオシロスコープの波形をリアルタイムに同期させることが可能
- オシロスコープにTekScope PC解析ソフトウェアが搭載されていない場合でも、高度な解析を行うことが可能
- テクトロニクスや他社の機器から、当社のオシロスコープ・セッション・ファイル/波形ファイルの呼び出しが可能
- サポートされている波形ファイル・フォーマット:.wfm、.isf、.csv、.h5、.tr0、.trc、.bin
TekDriveコラボレーション・テストおよび測定ワークスペース
TekDriveを使用すると、接続されているデバイスのあらゆる種類のファイルをアップロード、保存、整理、検索、ダウンロード、および共有できます。TekDriveは、シームレスなファイルの共有や呼び出しを実現するために、計測器にネイティブに統合されています。USBメモリは必要ありません。スムーズなインタラクティブ波形ビューアを使用して、ブラウザで直接、.wfm、.isf、.tss、.csvなどの標準ファイルの分析や確認を行います。TekDrive は、統合、自動化、セキュリティ強化を目的として設計されています。

任意波形/ファンクション・ジェネレータ(AFG)
オプションの任意波形/ファンクション・ジェネレータを追加すると、センサ信号のシミュレーション信号を出力できるほか、信号にノイズを付加してマージン・テストを実行することもできます。統合されたファンクション・ジェネレータは、最高 50 MHz の標準波形 (サイン、方形、パルス、ランプ/三角、DC、ノイズ、sin(x)/x (Sinc)、ガウシアン、ローレンツ、指数立上り/立下り、ハーバサイン、Cardiac) を出力します。AFGは最大128kポイントの波形を内蔵ストレージまたはUSBデバイスから読み込むことができます。
AFGの機能は当社のArbExpress(PCベースの波形作成/編集ソフトウェア)と互換性があり、複雑な波形を迅速かつ容易に作成できます。
デジタル・ボルトメータ(DVM)とトリガ周波数カウンタ
本機は4桁のデジタル・ボルトメータ(DVM)と8桁のトリガ周波数カウンタを内蔵しています。オシロスコープ付属のプローブを使用して、任意のアナログ入力を電圧計の測定対象にすることができます。トリガ周波数カウンタは、きわめて精度の高いリードアウトを備えており、トリガとして設定したイベントの周波数を確実に読み取れます。
DVMおよびトリガ周波数カウンタは、どちらも製品登録いただくと無償でアクティベートされて利用可能になります。
セキュリティ強化オプション
セキュリティ強化オプションであるOpt. 6-SECを使用することで、計測器のすべての入出力ポートおよびファームウェア・アップグレードに、パスワードによる保護の有効/無効を設定できます。さらに、Opt. 6-SECは、ユーザ設定/波形データを内部メモリに一切残さない機能も備えており、高度なセキュリティ・レベルを実現できます。この機能は、国家産業セキュリティ操作マニュアル(NISPOM)のDoD 5220.22-M方式(第8章)のほか、NISPOMに基づく国防保安局の機密情報システム認定/認証マニュアルに準拠しています。そのため、セキュリティが保護されたエリアの外部にも、安心して機器を持ち出すことができます。
必要にときに、必要な状況におけるヘルプ表示
6シリーズMSOには、役に立つ情報リソースが内蔵されており、疑問が生じても即座に回答が得られるため、マニュアルやWebサイトを参照する手間が省けます。
- 多くのメニューでは、グラフィカルなイメージと説明テキストが使用されており、機能の概要をすばやく把握できる
- すべてのメニューの右上には、クエスチョン・マークが表示されており、内蔵ヘルプ・システムのそのメニュー項目に関連する部分を直接参照できる
- ヘルプ・メニューには、ユーザ・インタフェースに関する簡単なチュートリアルが内蔵されているため、初心者でも短時間で操作方法を習得できる

仕様
すべての仕様は、特に断りのないかぎり保証値であり、すべての機種に適用されます。
モデル概要
| MSO64 | |
|---|---|
| FlexChannel 入力数 | 4 |
| 最大アナログ・チャンネル数 | 4 |
| 最大デジタル・チャンネル数(オプションのロジック・プローブを使用) | 32 |
| 周波数帯域(立上り時間の計算値) | 1GHz(400ps)、2.5GHz(160ps)、4GHz(100ps)、6GHz(66.67ps)、8GHz(50ps) |
| DCゲイン確度 | 50 Ω: フル・スケールの ±2.0%4 2 mV/div 以上 (2 mV/div では ±2.0%、1 mV/div では ±4%、代表値) 50Ω:フル・スケールの ±1.0%5 2 mV/div 以上 (2 mV/div ではフル・スケールの ±1.0%、1 mV/div では ±2%、代表値) 1 MΩ:±2.0%1、2 mV/div 以上 (2 mV/div では ±2%、1 mV/div および 500 μV/div では ±2.5%、代表値) 1 MΩ:フル・スケールの ±1.0%2、2 mV/div 以上 (2 mV/div ではフル・スケールの ±1.0%、1 mV/div および 500 μV/div ではフル・スケールの ±1.25%、代表値) |
| ADC 分解能 | 12ビット |
| 垂直分解能 | 8ビット@25GS/s、8GHz(全チャンネル) 12ビット@12.5GS/s、4GHz(全チャンネル) 13ビット@6.25GS/s(ハイレゾ)、2GHz(全チャンネル) 14ビット@3.125GS/s(ハイレゾ)、1GHz(全チャンネル) 15ビット@1.25GS/s(ハイレゾ)、500MHz(全チャンネル) 16ビット@6.25MS/s以下(ハイレゾ)、200MHz(全チャンネル) |
| サンプル・レート | 25GS/s(全アナログ/デジタル・チャンネル、分解能:40ps) |
| レコード長 | 62.5 Mポイント(全アナログ/デジタル・チャンネル)、125Mポイント(全アナログ/デジタル・チャンネル。オプション)、250Mポイント(全アナログ/デジタル・チャンネル。オプション)、500Mポイント(全アナログ/デジタル・チャンネル・オプション)、1Gポイント(全アナログ/デジタル・チャンネル・オプション) |
| 波形取込みレート | 500,000波形/秒以上(ピーク検出、エンベロープ・アクイジション・モード) 30,000波形/秒以上(その他のすべてのアクイジション・モード) |
| 任意波形/ファンクション・ジェネレータ(オプション) | 13種類の定義済み波形タイプ、最高50MHz出力 |
| DVM | 4桁のDVM(Webからの製品登録で無償) |
| トリガ周波数カウンタ | 8桁の周波数カウンタ(Webからの製品登録で無償) |
垂直軸システム-アナログ部
- 入力カップリング
- DC、AC
- 入力インピーダンス、1 MΩ (DCカップリング)
- 1MΩ ±1%
- 入力容量、1MΩ(DCカップリング)
- 14.5pF ±1.5pF
- 入力インピーダンス(50 Ω)、DCカップリング
- 50Ω ±3%
- 入力感度
- 1MΩ
- 500µV/div~10V/div(1-2-5シーケンス)
- 注:500 μV/divは 1 mV/div をデジタル・ズームで 2 倍に拡大したものです。
- 50 Ω
- 1mV/div~1V/div(1-2-5シーケンス)
- 注:1 mV/div は 2 mV/div をデジタル・ズームで 2 倍に拡大したものです。
- 最大入力電圧
2.3VRMS、100mV/div未満、ピークは≦±20V(パルス幅≦1μs)
5.5VRMS、100mV/div以上、ピークは≦±20V(パルス幅≦200μs)
1 MΩ:300 VRMS ()
4.5MHz~45MHzでは20dB/decadeの割合で低下(1MΩ)
45MHz~450MHzでは14dB/decadeの割合で低下、450MHz以上では5.5VRMS
- 有効ビット数(ENOB)、代表値
- 2mV/div、ハイレゾ・モード、50Ω、10MHz入力、フル・スクリーンの90%
周波数帯域 ENOB 4 GHz 5.9 3 GHz 6.1 2.5 GHz 6.2 2 GHz 6.35 1 GHz 6.8 500 MHz 7.2 350 MHz 7.4 250 MHz 7.5 200 MHz 7.75 20 MHz 8.8 - 50 mV/div、ハイレゾ・モード、50Ω、10MHz入力、フル・スクリーンの90%
周波数帯域 ENOB 4 GHz 7.25 3 GHz 7.5 2.5 GHz 7.6 2 GHz 7.8 1 GHz 8.2 500 MHz 8.5 350 MHz 8.8 250 MHz 8.9 200 MHz 9 20 MHz 9.8 - 2 mV/div、サンプル・モード、50Ω、10MHz入力、フル・スクリーンの90%
周波数帯域 ENOB 8 GHz 5.1 7 GHz 5.3 6 GHz 5.5 5 GHz 5.65 4 GHz 5.9 3 GHz 6.05 2.5 GHz 6.2 2 GHz 6.35 1 GHz 6.8 500 MHz 7.2 350 MHz 7.3 250 MHz 7.5 200 MHz 7.3 20 MHz 7.6 - 50mV/div、サンプル・モード、50Ω、10MHz入力、フル・スクリーンの90%
周波数帯域 ENOB 8 GHz 6.5 7 GHz 6.6 6 GHz 6.8 5 GHz 7 4 GHz 7.2 3 GHz 7.4 2.5 GHz 7.6 2 GHz 7.7 1 GHz 8.2 500 MHz 8.4 350 MHz 8.7 250 MHz 8.8 200 MHz 7.8 20 MHz 7.9
- DCゲイン確度
- ✓50 Ω
±2.0% 6(2 mV/div では ±2.0%、1 mV/div では ±4%、代表値)
フル・スケールの ±1.0%7 (2 mV/div ではフル・スケールの ±1.0%、1 mV/div では ±2%、代表値)
- ポジション・レンジ
- ±5div
- オフセット・レンジ(最大)
入力信号は、50Ω入力パスの最大入力電圧を超えることはできません。
V/div設定 最大オフセット・レンジ、50Ω入力 1 mV/div~99 mV/div ±1 V 100 mV/div~1V/div ±10 V V/div設定 最大オフセット・レンジ、1Ω入力 500µV/div~63mV/div ±1 V 64 mV/div~999 mV/div ±10 V
1 V/div~10 V/div ±100 V
- オフセット確度
±(0.005 ×|オフセット-ポジション|+DCバランス);オフセット、ポジション、DCバランスの単位はボルト
- 帯域の選択
- 8 GHzの機種、50Ω
- 20MHz、200MHz、250MHz、350MHz、500MHz、1GHz、2GHz、2.5GHz、3GHz、4GHz、5GHz、6GHz、7GHz、8GHz
- 6 GHzの機種、50Ω
- 20MHz、200MHz、250MHz、350MHz、500MHz、1GHz、2GHz、2.5GHz、3GHz、4GHz、5GHz、6GHz
- 4 GHzの機種、50Ω
- 20MHz、200MHz、250MHz、350MHz、500MHz、1GHz、2GHz、2.5GHz、3GHz、4GHz
- 2.5GHzの機種、50Ω
- 20MHz、200MHz、250MHz、350MHz、500MHz、1GHz、2GHz、2.5GHz
- 1 GHzの機種、50Ω
- 20MHz、200MHz、250MHz、350MHz、500MHz、1GHz
- 1MΩ
- 20MHz、200MHz、250MHz、350MHz、フル(500MHz)
- 帯域フィルタリングの最適化
- フラットネスまたはステップ応答
- ランダム・ノイズ(RMS、代表値)
- 50Ω(代表値)
50GS/s、サンプル・モード、RMS V/div 1 mV/div 2 mV/div 5 mV/div 10 mV/div 20 mV/div 50mV/div 100 mV/div 1 V/div 10 GHz 183μV 188 μV 228 μV 346 μV 602 μV 1.39 mV 3.58 mV 27.4 mV 9 GHz 167 μV 172 μV 208 μV 315 μV 549 μV 1.27 mV 3.22 mV 25 mV 8 GHz 153 μV 156 μV 192 μV 287 μV 501 μV 1.15 mV 2.94 mV 23.1 mV 7 GHz 139 μV 141 μV 175 μV 262 μV 457 μV 1.07 mV 2.68 mV 21.1 mV 6 GHz 124 μV 127 μV 156 μV 234 μV 412 μV 949 μV 2.39 mV 19 mV 25GS/s、ハイレゾ・モード、RMS V/div 1 mV/div 2 mV/div 5 mV/div 10 mV/div 20 mV/div 50mV/div 100 mV/div 1 V/div 5 GHz 111 μV 112 μV 134 μV 197 μV 338 μV 772 μV 1.99 mV 15.4 mV 4 GHz 97.4 μV 98.7 μV 117 μV 171 μV 291 μV 672 μV 1.73 mV 13.3mV 3 GHz 83.8 μV 85 μV 101 μV 144 μV 245 μV 559 μV 1.46 mV 11.2 mV 2.5 GHz 75.6 μV 76.6 μV 90.7 μV 128 μV 219 μV 498 μV 1.3 mV 9.85 mV 2 GHz 68.9 μV 69.9 μV 81.7 μV 116 μV 195 μV 444 μV 1.17 mV 8.78 mV 1 GHz 51.1 μV 51.8 μV 59.9 μV 82.9 μV 138 μV 314 μV 829 μV 6.22 mV 500 MHz 37.5 μV 38 μV 43.4 μV 60 μV 99.9 μV 230 μV 607 μV 4.61 mV 350 MHz 31.9μV 32.3 μV 36.9 μV 49.9 μV 82.1 μV 185 μV 499 μV 3.62 mV 250 MHz 28.1μV 28.5 μV 32.5 μV 44 μV 71.5 μV 161 μV 440 μV 3.19 mV 200 MHz 24.2 μV 24.5 μV 28 μV 37.9 μV 62.3 μV 140 μV 383 μV 2.78 mV 20 MHz 8.68 μV 8.8 μV 10.1 μV 13.8 μV 22.9 μV 52.8 μV 136 μV 1.04 mV - 1MΩ、ハイレゾ・モード(RMS)、代表値
V/div 1 mV/div 2 mV/div 5 mV/div 10 mV/div 20 mV/div 50mV/div 100 mV/div 1 V/div 500 MHz 186μV 202 μV 210 μV 236 μV 288 μV 522 μV 1.25 mV 13.4 mV 350 MHz 134 μV 138 μV 145 μV 163 μV 216 μV 391 μV 974 μV 10.6 mV 250 MHz 108 μV 110 μV 114 μV 131 μV 182 μV 374 μV 838 μV 9.63 mV 200 MHz 106 μV 108 μV 109 μV 117 μV 149 μV 274 μV 674 μV 8.01 mV 20 MHz 73 μV 73.2 μV 78.1 μV 99.6 μV 158 μV 361μV 801 μV 8.29 mV
- チャンネル間クロストーク(代表値)
70 dB以上(2 GHzまで)
60 dB以上(5GHzまで)
45dB以上(8 GHzまで)
(200mV/divに設定された任意の2チャンネルでの仕様)
垂直軸システム - デジタル部
- チャンネル数
- 接続されたTLP058型1本あたり8つのデジタル入力(D7-D0)(アナログ・チャンネルは使用不可)
- 垂直分解能
- 1ビット
- 最大入力トグル・レート
- 500 MHz
- 最小検出パルス幅(代表値)
300ps
- しきい値
- デジタル・チャンネルごとに1つのスレッショルド
- スレッショルド・レンジ
- ±40 V
- スレッショルド分解能
- 10 mV
- スレッショルド確度
±(100mV+校正後のスレッショルド値設定の3%)
- 入力ヒステリシス(代表値)
- 100mV(プローブ・チップ)
- 入力ダイナミック・レンジ(代表値)
- 30Vpp(Fin≦200MHz)、10Vpp(Fin>200MHz)
- 絶対最大入力電圧(代表値)
±42Vpeak
- 最小電圧スイング(代表値)
400mVp-p
- 入力インピーダンス(代表値)
- 100kΩ
- プローブ負荷(代表値)
- 2pF
フロントエンド/RFシステム(すべての測定値は代表値)
- 感度/ノイズ密度
- -157dBm/Hz(1mV/div、-38dBm、1.0001GHz CF、500kHzスパン、3kHz RBW)
- DANL
-163dBm/Hz(10MHz~6GHz)、1mV/div
-160dBm/Hz(6MHz~10GHz)、1mV/div
- ノイズ・フィギュア
- 17dBz(1mV/div、-38dBm、1.001GHz、500kHzスパン、3kHz RBW)
- SNR/ダイナミック・レンジ
- 112dB(入力キャリア:1GHz、スコープ入力範囲:0dBm、CF:1GHz、スパン:100MHz、RBW:1kHz、中心から±20MHzで測定)
- 絶対振幅確度
- ±1dB(0~8GHz)(最大BW:10GHz)
- 位相ノイズ(1GHz)
10 MHz オフセット: -140 dBc/Hz
1 MHz オフセット: -132 dBc/Hz
100 kHz オフセット: -118dBc/Hz
10 kHz オフセット: -118dBc/Hz
- EVM(256 QAM)
0.5%(20Mシンボル/s)
1.1%(800Mシンボル/s)
1.5%(1.2Gシンボル/s)
1.6%(2Gシンボル/s)
- SFDR
60 dB(3 GHz、5 GHzスパン)
70dB(2.35GHz、1.5GHzスパン)
- リターン・ロス(100mV/div未満)
12dB(5GHz未満)
8dB(5GHz~10GHz)
- 高調波歪
第 2 次高調波: -58 dBC (0 dBm、1 GHz 信号)
第 3 次高調波: -55 dBC (0 dBm、1 GHz 信号)
- 2トーン3次インターセプト・ポイント(99mV/div)
25dBm(10MHz~6GHz)
20dBm(6GHz~8GHz)
12dBm(8GHz~10GHz)
水平軸システム
- 時間軸レンジ
- 40 ps/div~1,000 s/div
- サンプル・レート・レンジ
6.25S/s~25GS/s(リアルタイム)
50GS/s~2.5TS/s(補間)
- レコード長の範囲
アナログおよびデジタル・チャンネルに適用されます。どのアクイジション・モードも最大レコード長は250Mポイント、最小レコード長は1Kポイント、サンプル・インクリメントは1です。
標準: 62.5Mポイント
Opt. 6-RL-1: 125Mポイント
Opt. 6-RL-2: 250Mポイント
- 時間軸レンジ
型名 1 K 10 K 100 K 1M 10M 62.5M 125M 250M 500M 1G MSO64型(標準)、62.5M 40ps~16s 400ps~160s 4ns~1,000s 2.5μs~1,000s - - - - MSO64型(Opt. 6-RL-1)、125M 40ps~16s 400ps~160s 4ns~1,000s 2.5μs~1,000s 5μs~1,000s - - - MSO64型(Opt. 6-RL-2)、250M 40ps~16s 400ps~160s 4ps~1,000s 2.5μs~1,000s 5μs~1,000s 10μs~1,000s - - Opt. 6-RL-3、500Mpts 40ps~16s 400ps~160s 4ps~1,000s 2.5us~1,000s 5us~1,000s 10us~1,000s 20us~1,000s - Opt. 6-RL-4: 1 Gpts 40ps~16s 400ps~160s 4ps~1,000s 2.5us~1,000s 5us~1,000s 10us~1,000s 20us~1,000s 40us~1,000s
- アパーチャ・タイム(サンプル・ジッタ)
記録時間 ジッタ(代表値) 1μs未満 80fs 1ms未満 130fs
- 時間軸確度
1ms以上の任意の時間間隔で ±1.0 × 10-7
説明 仕様 ファクトリ・トレランス ±12 ppb 校正時、周囲温度 25℃、1ms以上のタイム・インターバルにおいて
温度安定度 0~50 °C の動作温度範囲全域で ±20 ppb (十分にソーク時間をとった状態) 動作温度でテスト
エージング ±300 ppb 1年を超えると、25℃における周波数許容偏差が変化
- デルタ時間測定確度(公称値)

(ガウス・フィルタ応答から生じるエッジ形状を仮定)
特定の機器の設定および入力信号に対するデルタ時間測定確度(DTA)を計算するための公式は、次のとおりです(ナイキスト周波数を超える信号成分は無視できるものとします)。
SR 1 = 測定の第1ポイント近辺のスルー・レート(最初のエッジ)
SR 2 = 測定の第2ポイント近辺のスルー・レート(2番目のエッジ)
N = 入力換算ノイズ・リミット(保証値、(VRMS)
TBA = タイムベース確度または基準周波数誤差
t p = デルタ時間測定期間(秒)
- 最高サンプル・レートでの最長記録時間
2.5 ms (標準) または 5 ms (Opt.6-RL-1、125 M ポイント) または 10 ms (Opt.6-RL-2、250 M ポイント)
- 遅延時間範囲
- -10 div~5000 s
- デスキュー・レンジ
-125ns~+125ns(分解能:40ps。ピーク検出/エンベロープ・アクイジション・モード)
-125ns~+125ns(分解能:1ps。その他のアクイジション・モード)
- アナログ・チャンネル間の遅延時間、全帯域、代表値
10ps以下(2つのチャンネルの入力インピーダンスが50Ωに設定されており、同一のV/divまたは10mV/div以上でDCカップリングされている場合)
- 遅延、FlexChannel 間 (アナログとデジタル、代表値)
- 1 ns 未満 ns (TLP058 型およびオシロスコープの周波数帯域に合った受動プローブを使用する場合。帯域制限が適用されていない状態)
- 遅延、2つのデジタルFlexChannel間、代表値
- 320 ps
- 遅延、デジタルFlexChannelの2つのビット間、代表値
- 200ps
トリガ・システム
- トリガ・モード
- オート、ノーマル、シングル
- トリガ・カップリング
DC、HF除去(50KHz以上で減衰)、LF除去(50KHz未満で減衰)、ノイズ除去(感度が低下)
- トリガ・ホールドオフ範囲
- 0ns~ 10s
- トリガ帯域幅(エッジ/パルス/ロジック)、代表値
型名 トリガ・タイプ トリガ帯域幅 MSO64型(8 GHz) エッジ 8 GHz MSO64型(8 GHz) パルス、ロジック 4 GHz MSO64型(6 GHz) エッジ 6 GHz MSO64型(6 GHz) パルス、ロジック 4 GHz MSO64型(4GHz、2.5GHz、1GHz) エッジ、パルス、ロジック オシロスコープの帯域幅
- エッジタイプ・トリガ感度(DCカップリング、代表値)
パス レンジ 仕様 1MΩ経路(全機種) 0.5 mV/div ~ 0.99 mV/div 5mV(DC~機器の周波数帯域) 1mV/div以上 5mVまたは0.7divの大きい方(DC~500MHzまたは機器の最高周波数帯域)、6mVまたは0.8divの大きい方(500MHz~機器の最高周波数帯域) 50Ω経路 1 mV/div ~ 9.98 mV/div 3.0div(DC~機器の周波数帯域) 10 mV/div以上 1.0div未満(DC~機器の周波数帯域) ライン 電源電圧:90V~264V(電源周波数:50~60Hz) 103.5V~126.5V
外部トリガ入力 250mVPP、DC~400MHz
- エッジ・トリガ感度(DCカップリングなし、代表値)
トリガ・カップリング 感度(代表値) ノイズ除去 DCカップリング正弦の2.5倍 高周波除去 DC~50kHzではDCカップリング制限と同じ。50kHz以上の信号では減衰 低周波除去 50kHzを超える周波数ではDC カップリング制限の1.5倍。50kHz以下の信号では減衰
- トリガ・ジッタ(代表値)
1.5psRMS以下(サンプル・モード、エッジ・タイプ・トリガ)
2psRMS以下(エッジタイプ・トリガ、FastAcqモード)
40psRMS以下(エッジタイプ以外のトリガ・モード)
- トリガ・ジッタ、AUX入力(代表値)
40psRMS以下(サンプル・モード、エッジタイプ・トリガ)
- 機器間のAUX Inトリガのスキュー(代表値)
スキューが 1.5nsの機器の場合、ジッタはそれぞれの機器で±100ps、機器間の全体のスキューで1.7ns以下(個々のチャンネルを手動でデスキューした場合、機器のスキューの合計が異なる機器チャンネル間で200psに達する可能性がある)
パルス入力電圧が 1 Vpp 以上ではスキューが改善
- トリガ・レベル・レンジ
ソース レンジ 任意のチャンネル ±5div(画面中央から) 外部入力トリガ ±5 V ライン ライン電圧の約50%に固定 この仕様はロジックおよびパルスのスレッショルドに適用されます。
- トリガ周波数カウンタ
- 8桁(Webからの製品登録で無償)
- トリガ・タイプ
- エッジ:
- 任意のチャンネルの立上り、立下り、またはその両方。カップリング:DC、AC、ノイズ除去、HF除去、LF除去
- パルス幅:
正のパルスまたは負のパルスでトリガ。イベントは、時間または他チャンネルの論理状態で設定可能
- タイムアウト:
- 指定した時間にわたって、イベントがハイ、ロー、いずれかのままである場合にトリガ。イベントは、他チャンネルの論理状態で設定可能
- ラント:
- 2つのスレッショルド・レベルのうち、1つ目のスレッショルドを横切り、2つ目のスレッショルドを横切ることなく、再び1つ目のスレッショルド・レベルを横切る場合にトリガ。イベントは、時間または他チャンネルの論理状態で設定可能
- ウィンドウ:
- ユーザが調整可能な2つのスレッショルドと時間軸によって定義されたウィンドウに、信号が出入りするか、または範囲内/範囲外にとどまるイベントにトリガ。イベントは、時間または他チャンネルの論理状態で設定可能
- ロジック:
- ロジック・パターンが真または偽になるか、クロック・エッジが発生するタイミングでトリガ。すべてのアナログ、デジタルの入力チャンネルのパターン(AND、OR、NAND、NOR)は、ハイ、ロー、または ドント・ケア として定義。真になるロジック・パターンは時間クオリファイされる
- セットアップ&ホールド:
- 任意のチャンネルで、クロックとデータの間にセットアップ時間とホールド時間の違反がある場合にトリガ
- 立上り/立下り時間:
- 指定したパルス・エッジ・レートよりも速いまたは遅い場合にトリガ。スロープは正、負またはいずれかが選択可能。イベントは、他チャンネルの論理状態で設定可能
- ビデオ (Opt. 6-VID):
- NTSC、PAL、およびSECAMビデオ信号の全ライン、奇数ライン、偶数ライン、または全フィールドでトリガ
- シーケンス:
- AトリガがCイベントでリセットされた後のBイベントの回数、またはイベント数でトリガ。一般に、AおよびBトリガ・イベントには、任意のトリガ・タイプを設定できるが、AイベントまたはBイベントのどちらかがセットアップ/ホールドに設定されていて、もう片方のイベントをエッジに設定する必要がある場合には、ロジック・クオリフィケーションはサポートされない。EthernetおよびハイスピードUSB(480Mbps)もサポートされない
- ビジュアル・トリガ
- 標準トリガの機能を拡張し、すべての波形取込をスキャンし、ディスプレイに表示されるエリア(図形形状)と比較する。無制限の数のエリアを定義することができ、それぞれのエリアにクオリファイア (イン、アウト、ドント・ケア) を使用できる。ビジュアル・トリガの任意のエリアの組み合わせを使用して論理式を定義できるため、アクイジション・メモリに格納されるイベントを詳細にクオリファイできる。長方形、三角形、台形、六角形、ユーザ定義などの形状で定義可能
- パラレル・バス:
- パラレル・バスのデータ値でトリガ。パラレル・バスは1~ 32 ビット (デジタル・チャンネルおよびアナログ・チャンネルから)。バイナリまたはHexをサポート
- I2Cバス(Opt. 6-SREMBD):
- 10 MbpsまでのI2Cバスのスタート、リピーテッド・スタート、ストップ、、アドレス(7または10ビット)、データ、またはアドレスとデータでトリガ
- I3C バス (Opt. 6-SRI3C)
- 10 Mb/s までの I3C バスのスタート、リピーテッド・スタート、ストップ、アドレス、データ、I3C SDR ダイレクト、I3C SDR ブロードキャスト、ACK なし、T ビット・エラー、ブロードキャスト・アドレス・エラー、ホットジョイン、HDR 再開、HDR 終了でトリガ
- SPIバス(Opt. 6-SREMBD):
- 20Mbps以下のSPIバスのSS(Slave Select)、アイドル時間、またはデータ(1~16ワード)でトリガ
- RS-232/422/485/UARTバス(Opt. 6-SRCOMP):
- スタート・ビット、パケットの末尾、データ、およびパリティ・エラーでトリガ(15Mbpsまで)
- CANバス(Opt. 6-SRAUTO):
- 1MbpsまでのCANバスのフレームの開始、フレーム・タイプ(データ、リモート、エラー、オーバロード)、識別子、データ、識別子とデータ、フレームの最後、ミッシング・アクノレッジ、ビット・スタッフィング・エラーにトリガ
- CAN FDバス(Opt. 6-SRAUTO):
- 16MbpsまでのCAN FDバスのフレームの開始、フレームの種類(データ、リモート、エラー、またはオーバロード)、識別子(標準または拡張)、データ(1~8バイト)、識別子とデータ、フレームの終了、エラー(Ackなし、ビット・スタッフ・エラー 、FDフォーム・エラー、またはすべてのエラー)
- LINバス(Opt. 6-SRAUTO):
- 1MbpsまでのLINバスの同期、識別子、データ、IDとデータ、ウェイクアップ・フレーム、スリープ・フレーム、エラーにトリガ
- FlexRayバス(Opt. 6-SRAUTO):
- 10Mbps までの FlexRayバスのフレームの開始、インジケータ・ビット(ノーマル、ペイロード、ヌル、同期、スタートアップ)、フレームID,サイクル・カウント、ヘッダ・フィールド(インジケータ・ビット、識別子、ペイロード長、ヘッダCRC、サイクル・カウント)、識別子、データ、識別子とデータ、フレームの終了、エラーにトリガ
- SENTバス(Opt. 6-SRAUTOSEN):
- パケットの開始、高速チャンネルのステータスとデータ、低速チャンネルのメッセージIDとデータ、CRCエラーにトリガ
- SPMIバス(Opt. 6-SRPM):
- シーケンスの開始、リセット、スリープ、シャットダウン、ウェイクアップ、マスタ・リード、マスタ・ライト、レジスタ・リード、レジスタ・ライト、拡張レジスタ・リード、拡張レジスタ・ライト、拡張レジスタ・リード・ロング、拡張レジスタ・ライト・ロング、デバイス・ディスクリプタ・ブロック・マスタ・リード、デバイス・ディスクリプタ・ブロック・スレーブ・リード、レジスタ0ライト、バス所有権の転送、パリティ・エラーにトリガ
- USB 2.0 LS/FS/HSバス(Opt. 6-SRUSB2):
- 480MbpsまでのUSBバスのシンク、リセット、サスペンド、レジューム、パケットの終了、トークン(アドレス)パケット、データ・パケット、ハンドシェイク・パケット、スペシャル・パケット、エラーにトリガ
- Ethernetバス(Opt. 6-SRENET):
- 10BASE-Tおよび100BASE-TXバスのスタート・フレーム、MACアドレス、MAC Qタグ、MAC長/タイプ、MACデータ、IPヘッダ、TCPヘッダ、TCP/IPv4データ、パケットの終了、FCS(CRC)エラーでトリガ
- オーディオ(I2S、LJ、RJ、TDM)バス(Opt. 6-SRAUDIO):
- ワード・セレクト、フレーム・シンク、またはデータにトリガ。I2S/LJ/RJの最高データ・レートは12.5Mbps。TDMの最大データ・レートは25Mbps
- MIL-STD-1553バス(Opt. 6-SRAERO):
- MIL-STD-1553バス上のシンク、コマンド(送受信ビット、パリティ、サブアドレス/モード、ワード/モード・カウント、RTアドレス)、ステータス(パリティ、メッセージ・エラー、インストゥルメンテーション、サービス・リクエスト、ブロードキャスト・コマンド・レシーブ、ビジー、サブシステム・フラグ、ダイナミック・バス・コントロール・アクセプタンス(DBCA)、ターミナル・フラグ)、データ、時間(RT/IMG)、およびエラー(パリティ・エラー、シンク・エラー、マンチェスター・エラー、非連続データ)にトリガ
- ARINC 429バス(Opt. 6-SRAERO):
- 1MbpsまでのARINC 429バスのワードの開始、ラベル、データ、ラベルとデータ、ワードの終了、およびエラー(任意のエラー、パリティ・エラー、ワード・エラー、ギャップ・エラー)にトリガ
- RF 振幅対時間および RF 周波数対時間 (Opt. 6-SV-RFVT):
- エッジ、パルス幅、タイムアウト・イベントでトリガ
アクイジション・システム
- サンプル
- サンプル値の取込み
- ピーク検出
- すべての掃引速度において、160psまでのグリッチを取込み可能
- アベレージング
- 2~10,240波形
- 最大平均速度 = 180 波形/秒
- 高速なハードウェア平均化
短時間で多数の平均値を取得するための取得モードです。高速なハードウェア平均化では収集パスを最適化して、ストレージの切り捨てエラーを減らしたり、オプションのオフセット・ディザリング手法を使用して非線形の不完全部の微調整を行ったりします。この機能は、プログラム可能なインタフェース・コマンドを通じて使用できます。
2~1,000,000波形
最大平均速度 = 32,000 波形/秒
- エンベロープ
- 複数回の波形取込みから、最小値と最大値の包絡線を表示することでピーク値を検出
- ハイレゾ
それぞれのサンプル・レートに、固有の有限インパルス応答(FIR)フィルタを適用することで、そのサンプル・レートで利用可能な最高帯域幅を維持しながら、エリアシングを防止し、オシロスコープの増幅器やADCから、選択したサンプル・レートに対する使用可能帯域幅を上回る雑音を除去します。
ハイレゾ・モードでは、常に最低でも12ビットの垂直分解能が確保され、 625MS/s以下のサンプル・レートでは垂直分解能は16ビットにまで拡張されます。
- FastAcq®
FastAcqは、動的に変化する信号の解析や間欠的なイベントの取込に最適
最高波形取り込み速度:
- 500,000波形/秒以上(ピーク検出またはエンベロープ・アクイジション・モード)
- 30,000波形/秒以上(その他のすべてのアクイジション・モード)
- ロール・モード
- オート・トリガ・モードでは、40ms/divより遅いタイムベース速度において、画面の右から左に波形をスクロール表示。
- 履歴モード
- 最大レコード長を使用して、多くのトリガ・アクイジションを取得したり、目的のものが表示されたときに停止したり、保存されているすべてのトリガ・アクイジションを迅速に確認したりできます。
履歴に保存できるアクイジションの数は、(最大レコード長)/(現在のレコード長設定) です。
- FastFrame™アクイジション
アクイジション・メモリをセグメントに分割
最大トリガ・レートは5,000,000波形/秒以上
最小フレーム・サイズは50ポイント
最大フレーム数1,000 ポイント以上のフレーム・サイズでは、最大フレーム数はレコード長/フレーム・サイズ。
50ポイントのフレームでは、最大フレーム数は691,000
波形測定
- カーソル・タイプ
- 波形、垂直バー、水平バー、垂直/水平バー、ポーラ(XY/XYZプロットのみ)
- DC電圧測定確度、アベレージ・アクイジション・モード
測定の種類 DC確度(V) 16以上の波形の平均 ±((DC ゲイン確度) x ¦読み値 - (オフセット - ポジション) ¦ + オフセット確度 + 0.05 x V/div 設定) 16回以上のアベレージ2回のデルタ電圧(同じオシロスコープ設定と環境条件で測定) ±(DCゲイン確度 × ¦ 読み値 ¦+0.1div)
- 自動測定
36種類の自動測定項目。表示可能な測定項目の数に制限はなく、測定バッジとして個別に表示することも、または測定結果テーブルにまとめて表示することも可能
- 振幅測定
振幅、最大値、最小値、p-p、正のオーバシュート、負のオーバシュート、平均値、実効値、AC実効値、トップ、ベース、領域
- タイミング測定
周期、周波数、UI、データ・レート、正のパルス幅、負のパルス幅、スキュー、遅延、立上り時間、立下り時間、位相、立上りスルー・レート、立下りスルー・レート、バースト幅、正のデューティ比、負のデューティ比、レベル外の時間、セットアップ時間、ホールド時間、N周期、ハイ時間、ロー時間、最小になる時間、最大になる時間
- ジッタ測定(標準)
- TIEおよび位相ノイズ
- 測定結果の統計値
- 平均、標準偏差、最大値、最小値、母集団統計値は、現在のアクイジション、およびすべてのアクイジションのどちらでも利用可能
- リファレンス・レベル
- 自動測定で使用されるリファレンス・レベルは、%または単位でユーザ定義が可能リファレンス・レベルは、すべての測定にグローバルに設定することも、ソース・チャンネルまたは信号ごと、または測定ごとに個別に設定することも可能
- ゲーティング
- スクリーン、カーソル、ロジック、サーチ、または時間。測定を行うアクイジションの領域を指定する。ゲーティングはグローバル(グローバルに設定されたすべての測定に影響)にもローカル(測定にはすべて固有の時間ゲートを設定可能。スクリーン、カーソル、ロジック、サーチにはただ1つのローカル・ゲートのみを利用可能)にも設定可能
- 測定プロット
- ヒストグラム、タイム・トレンド、スペクトラム、アイ・ダイアグラム(TIE測定のみ)、位相ノイズ(位相ノイズ測定のみ)
- 測定リミット
- 測定値に対するユーザ定義可能なリミット値によるパス/フェイル・テスト。スクリーン・イメージの保存、波形の保存、システム・リクエスト(SRQ)、アクイジションの停止など、測定値がフェイルになった際のアクションの定義
- ジッタ解析(Opt. 6-DJA)で追加される機能
- 測定項目
ジッタ・サマリ、TJ@BER、RJ- δδ、DJ- δδ、PJ、RJ、DJ、DDJ、DCD、SRJ、J2、J9、NPJ、F/2、F/4、F/8、アイの高さ、アイの高さ@BER、アイの幅、アイの幅@BER、アイ・ハイ、アイ・ロー、Qファクタ、ビット・ハイ、ビット・ロー、ビット振幅、DCコモンモード、ACコモンモード(p-p)、差動クロスオーバ、T/nT比、SSC周波数偏差、SSC変調レート
- 測定プロット
- アイ・ダイアグラム、ジッタ・バスタブ
- 高速アイ・レンダリング: アイの境界を定義するユニット・インターバル (UI) を表示。周囲の UI の数もユーザ指定できるため視覚的なコンテキストが向上
- 完全なアイ・レンダリング: 有効なすべての UI (Unit Interval) が表示されます
- 測定リミット
- 測定値に対するユーザ定義可能なリミット値によるパス/フェイル・テスト。スクリーン・イメージの保存、波形の保存、システム・リクエスト(SRQ)、アクイジションの停止など、測定値がフェイルになった際のアクションの定義
- アイ・ダイアグラム・マスク・テスト
マスクのオートフィットを使用したマスクによる自動パス/フェイル・テスト
- パワー解析(Opt. 6-PWR)で追加される機能
- 測定項目
入力解析(周波数、VRMS、IRMS、電圧/電流クレスト・ファクタ、有効電力、皮相電力、無効電力、力率、位相角、高調波、突入電流、入力容量)
振幅解析(サイクル振幅、サイクル・トップ、サイクル・ベース、サイクル最大値、サイクル最小値、サイクル・ピーク)
タイミング解析(周期、周波数、負のデューティ・サイクル、正のデューティ・サイクル、負のパルス幅、正のパルス幅)
スイッチング解析(スイッチング・ロス、dv/dt、di/dt、安全動作領域、RDSon)
出力解析(電源リップル、スイッチング・リップル、効率、ターンオン時間、ターンオフ時間)
磁気解析(インダクタンス、I対Intg(V)、磁気損失、磁気プロパティ)
周波数応答解析(制御ループ応答ボード線図、電源電圧変動除去比、インピーダンス)
- 測定プロット
- 高調波バー・グラフ、スイッチング・ロス軌跡プロット、安全動作領域(SOA)
- 測定リミット
- 測定値に対するユーザ定義可能なリミット値によるパス/フェイル・テスト。スクリーン・イメージの保存、波形の保存、システム・リクエスト(SRQ)、アクイジションの停止など、測定値がフェイルになった際のアクションの定義
- デジタル電源管理(Opt. 6-DPM)で追加される機能
- 測定項目
- リップル解析(リップル)
- トランジェント解析(オーバシュート、アンダシュート、ターンオンのオーバシュート、DCレール電圧
- 電源シーケンス解析(ターンオン、ターンオフ)
- ジッタ解析(TIE、PJ、RJ、DJ、アイの高さ、アイの幅、アイ・ハイ、アイ・ロー)
- PI/SI解析(PSIJ)
- DDR3/LPDDR3メモリ・デバッグ/解析オプション(Opt. 6-DBDDR3)で追加される機能
- 測定項目
振幅測定(AOS、AUS、Vix(ac)、AOS Per tCK、AUS Per tCK、AOS Per UI、AUS Per UI)
時間測定(tRPRE、tWPRE、tPST、Hold Diff、Setup Diff、tCH(avg)、tCK(avg)、tCL(avg)、tCH(abs)、tCL(abs)、tJIT(duty)、tJIT(per)、tJIT(cc)、tERR(n)、tERR(m-n)、tDQSCK、tCMD-CMD、tCKSRE、tCKSRX)
- LVDSデバッグ/解析オプション(Opt. 6-DBLVDS)で追加される機能
- データ・レーン測定
汎用テスト(UI、立上り時間、立下り時間、データ幅、データ間スキュー(PN)、データ間スキュー(レーン間)、データ・ピーク・ツー・ピーク)
ジッタ・テスト(ACタイミング、クロック・データ・セットアップ時間、クロック・データ・ホールド時間、アイ・ダイアグラム(TIE)、TJ@BER、DJデルタ、RJデルタ、DDJ、ディエンファシス・レベル)
- クロック・レーン測定
汎用テスト(周波数、周期、デューティ・サイクル、立上り時間、立下り時間、クロック間スキュー(PN)、クロック・ピーク・ツー・ピーク
ジッタ・テスト(TIE、DJ、RJ)
SSC On(変調レート、平均周波数偏差)
波形演算
- 演算波形数
- 無制限
- 演算
- 波形および定数の加算、減算、乗算、除算
- 代数式
- 波形、スカラ、任意の変数、波形測定結果などを含めた広範な代数式を定義可能。複雑な数式を使用して、演算を重ねて実行できる。例:(Integral(CH1-Mean(CH1))× 1.414 × VAR1)
- 演算関数
- 反転、積分、微分、平方根、指数、Log 10、Log e、Abs、Ceiling、Floor、Min、Max、Degree、Radian、Sin、Cos、Tan、ASin、ACos、ATan
- 関係式
- >、<、≧、≦、=、≠のブール値の結果
- ロジック
- AND、OR、NAND、NOR、XOR、EQV
- フィルタ関数 (標準)
- ユーザ定義フィルタのロード。フィルタ係数を含むファイルを指定。
- フィルタ関数 (Opt. 6- UDFLT)
- フィルタ・タイプ
- ロー・パス、ハイ・パス、バンド・パス、バンド・ストップ、オール・パス、ヒルベルト、微分器、およびカスタム
- フィルタ応答タイプ
- バターワース、チェビシェフ I、チェビシェフ II、楕円、ガウシアン、およびベッセル-トムソン
- FFT関数
- スペクトラム(振幅、位相、実数および虚数)
- FFT垂直軸単位
振幅:リニアおよびログ (dBm)
位相:度、ラジアン、およびグループ遅延
- FFTの窓関数
- ハニング、方形、ハミング、ブラックマンハリス、フラットトップ2、ガウシアン、カイザー-ベッセル、Tek指数関数
スペクトラム表示
- 中心周波数
- アナログ帯域による制限あり
- スパン
- 74.5 Hz~1.25 GHz (標準)
74.5 Hz~2 GHz
粗調整(1-2-5シーケンス)
- RF測定
- Spectrum Viewのトレース・データおよび表示でのチャンネル・パワー(CHP)、隣接チャンネル・パワー比(ACPR)、占有帯域幅(OBW)の測定値
- RF対時間の波形
- 振幅対時間、周波数対時間、位相対時間(Opt. 6-SV-RFVTを使用)
- RF対時間トリガ
- RF振幅対時間/RF周波数対時間のエッジ、パルス幅、およびタイムアウト(Opt. 6-SV-RFVTを使用)
- スペクトログラム
- RF周波数対時間対振幅の表示。x軸で周波数、y軸で時間、色の変化で電力レベルを表示(オプション6-SV-RFVT)
- 分解能帯域幅(RBW)
93 μHz~62.5 MHz
93 μHz~100 MHz (Opt. 6-SV-BW-1)
- IQキャプチャ
- データは同相および直交(I&Q)サンプルとして保存され、時間領域データとI&Qデータの間で正確な同期が維持されます。
- RF対時間の波形が有効になっている場合(オプション6-SV-RFVTを使用)、IQデータをキャプチャしてファイルにエクスポートし、サード・パーティ・アプリケーション内で詳細な分析を行うことができます。
- 最大取込時間は、スパンおよびサンプル・レートによって異なります。25 GS/sおよび2 GHzスパンでは、最大取込時間は0.086秒です。1 GHzスパンでは、最大取込時間は0.172秒です。40 MHzスパンでは、最大取込時間は2.749秒です。1 MHzスパンでは、最大取込時間は87.961秒です。
- ウィンドウ・タイプと係数
ウィンドウ・タイプ 帯域幅係数 ブラックマンハリス 1.90 フラットトップ:2 3.77 ハミング 1.30 ハニング 1.44 カイザーベッセル 2.23 方形波 0.89
- スペクトラム時間
- FFTウィンドウ係数/RBW
- 基準レベル
- 基準レベルは、アナログ・チャンネルの Volts/Div 設定によって自動的に設定
設定範囲:-42 dBm~+44 dBm
- 垂直軸位置(Vertical Position)
- -100div~+100div
- 垂直軸単位
- dBm、dBµW、dBmV、dBµV、dBmA、dBµA
- 垂直軸スケーリング
- リニア、対数
- 水平スケーリング
- リニア、対数
- マルチチャンネル・スペクトラム解析
- 各FlexChannel入力は、Spectrum View、RF対時間の波形(オプションRFVTを使用)、スペクトログラム(オプションRFVTを使用)で構成できます。
- チャンネル間で同時に複数のRF測定を実行できます。
- Spectrum時間と中心周波数の設定は、ロックを解除してチャンネル間で個別に移動できます。Spectrum Viewチャンネルはすべて、同じスパン、分解能帯域幅、ウィンドウ・タイプを共有する必要があります。
検索
- サーチの数
- 無制限
- サーチ・タイプ
- エッジ、パルス幅、タイムアウト、ラント・パルス、ウィンドウ違反、ロジック・パターン、セットアップ/ホールド違反、立上り/立下り時間、バス・プロトコル・イベントなど、ユーザ指定の条件に基づいて、ロング・メモリ全体から該当するすべてのイベントの検索が可能。サーチ結果は波形ビューまたは結果テーブルに表示可能
保存
- 保存
- オシロスコープ、リモート・ネットワーク・ドライブ、または TekDrive コラボレーション・ワークスペースにファイルを直接保存します。
- 波形形式
- テクトロニクス波形データ(.wfm)、カンマ区切り値(.csv)、MATLAB(.mat)
- 波形ゲーティング
- カーソル、スクリーン、再サンプリング(n番目のサンプルごとに保存)
- スクリーン・キャプチャ形式
- ポータブル・ネットワーク・グラフィック (*.png)、24ビット・ビットマップ (*.bmp)、JPEG (*.jpg)
- セットアップ・タイプ
- テクトロニクス・セットアップ(.set)
- レポート形式
- Adobeポータブル・ドキュメント(.pdf)、シングル・ファイルのWebページ(.mht)
- セッション形式
- テクトロニクス・セッション・セットアップ(.tss)
ディスプレイ
- ディスプレイ・タイプ
- 15.6 型 (395 mm) 液晶TFTカラー・ディスプレイ
- ディスプレイ解像度
- 1,920×1,080(水平ピクセル×垂直ピクセル、HD)
- 表示モード
オーバーレイ:トレースが互いに重なり合って表示される従来からのオシロスコープの表示モード
スタック:各波形が固有のスライスに表示される表示モード。それぞれの波形は別々に表示されていても、フル・レンジのADCを活用できるスライスの内部にチャンネルのグループをオーバーレイすることもできるため、信号の表示を見ながら簡単に比較できます。
- ズーム
- すべての波形およびプロット表示で水平および垂直ズームをサポート
- 補間
- Sin(x)/x、直線
- 波形スタイル
- ベクタ、ドット、可変パーシスタンス、無限パーシスタンス
- 波形目盛
- 移動可能/固定目盛、グリッド/時間/フル/なしから選択可能
- カラー・パレット
ノーマル、反転(スクリーンショット)
個々の波形の色をユーザが選択可能
- フォント
- フォント・サイズは12~20まで選択可能(デフォルトは15)
- フォーマット
- YT、XY、XYZ
- 多言語ユーザ・インタフェース
- 英語、日本語、簡体字中国語、繁体字中国語、フランス語、ドイツ語、イタリア語、スペイン語、ポルトガル語、ロシア語、韓国語
- 多言語ヘルプ
- 英語版、日本語版、簡体字中国語版
任意波形/ファンクション・ジェネレータ(オプション)
- 動作モード
- オフ、連続、バースト
- ファンクションのタイプ
- 任意波形、正弦波、方形波、パルス波、ランプ波、三角波、DC レベル、ガウシアン、ローレンツ、指数立上り/立下り、Sin(x)/x、不規則ノイズ、ハーバーサイン、Cardiac
- 振幅レンジ
- 値はピーク・ツー・ピークの電圧
波形 50 Ω 1MΩ 任意波形 10 mV~2.5 V 20 mV~5 V 正弦波 10 mV~2.5 V 20 mV~5 V 方形波 10 mV~2.5 V 20 mV~5 V パルス 10 mV~2.5 V 20 mV~5 V ランプ波 10 mV~2.5 V 20 mV~5 V 三角形 10 mV~2.5 V 20 mV~5 V ガウシアン 10 mV~1.25 V 20 mV~2.5 V ローレンツ 10 mV~1.2 V 20 mV~2.4 V 指数立上り 10 mV~1.25 V 20 mV~2.5 V 指数立下り 10 mV~1.25 V 20 mV~2.5 V Sine(x)/x 10 mV~1.5 V 20 mV~3.0 V ランダム・ノイズ 10 mV~2.5 V 20 mV~5 V ハーバサイン 10 mV~1.25 V 20 mV~2.5 V カーディアック 10 mV~2.5 V 20 mV~5 V
- 正弦波
- 周波数レンジ
- 0.1 Hz~50 MHz
- 周波数の設定分解能
- 0.1 Hz
- 周波数確度
130ppm(周波数≦10kHz)、50ppm(周波数>10kHz)
これは正弦波、ランプ、方形波、パルス波形専用です。
- 振幅レンジ
- 20mVpp~5Vpp(オープン回路)、10mVpp~2.5Vpp(50Ω)
- 振幅フラットネス(代表値)
30MHzで±0.5dB(1kHzレベルにおいて)
50 MHzで±1.0 dB(1kHzレベルにおいて)
- 全高調波歪み(代表値)
1%(振幅:200mVpp以上、50Ω負荷)
2.5%(振幅:50mV以上、200mVpp未満、50Ω負荷)
- スプリアス・フリー・ダイナミック・レンジ(代表値)
40dB(Vpp≧0.1V)、30dB(Vpp≧0.02V)、50Ω負荷
- 方形波/パルス波
- 周波数レンジ
- 0.1 Hz~25 MHz
- 周波数の設定分解能
- 0.1 Hz
- 周波数確度
- 130ppm(周波数≦10kHz)、50ppm(周波数>10kHz)
- 振幅レンジ
- 20mVpp~5Vpp(オープン回路)、10mVpp~2.5Vpp(50Ω)
- デューティ・サイクル・レンジ
10%~90%または最小パルス(10ns)、どちらか長い方
最小パルス時間は、オン・タイムとオフ・タイムの両方に適用されるため、周波数が高くなると、10nsのオフ・タイムを維持するために、最大デューティが低下
- デューティ・サイクル分解能
- 0.1%
- 最小パルス幅(代表値)
- 10ns。オンまたはオフのいずれかの継続時間の最小値
- 立上り/立下り時間(代表値)
- 5ns、10%~90%
- パルス幅分解能
- 100ps
- オーバシュート(代表値)
- 6% 未満、100 mVpp を超える信号ステップ
これは正方向のトランジション (正のオーバシュート) および負方向のトランジション (負のオーバシュート) に適用される
- 非対称性(代表値)
- ±1% ±5ns、デューティ・サイクル50%のとき
- ジッタ(代表値)
- 60ps TIERMS、100 mVpp未満の振幅、40%~60%のデューティ・サイクル
方形波/パルス波、5 GHz 測定 BW
- ランプ/三角波
- 周波数レンジ
- 0.1 Hz~500 kHz
- 周波数の設定分解能
- 0.1 Hz
- 周波数確度
- 130ppm(周波数≦10kHz)、50ppm(周波数>10kHz)
- 振幅レンジ
- 20mVpp~5Vpp(オープン回路)、10mVpp~2.5Vpp(50Ω)
- シンメトリ
- 0%~100%
- シンメトリの分解能
- 0.1%
- レベルの範囲
±2.5V(オープン回路)
±1.25V(50Ω)
- 不規則ノイズの振幅レンジ
20mVpp~5 Vpp(オープン回路)
10mVpp~2.5Vpp(50Ω)
- Sin(x)/x
- 最高周波数
- 2 MHz
- ガウシアン・パルス、ハーバーサイン、ローレンツ・パルス
- 最高周波数
- 5 MHz
- ローレンツ・パルス
- 周波数レンジ
- 0.1 Hz~5 MHz
- 振幅レンジ
- 20mVpp~2.4Vpp(オープン回路)
10 mVpp~1.2 Vpp (50 Ω)
- カーディアック
- 周波数レンジ
- 0.1 Hz~500 kHz
- 振幅レンジ
- 20mVpp~5 Vpp(オープン回路)
10 mVpp~2.5 Vpp (50 Ω)
- 任意波形
- メモリ容量
- 1~128 k
- 振幅レンジ
- 20mVpp~5 Vpp(オープン回路)
10 mVpp~2.5 Vpp (50 Ω)
- 繰返しレート
- 0.1 Hz~25 MHz
- サンプル・レート
- 250 MS/s
- 信号振幅確度
- ±[(p-p振幅設定の1.5%)+(DCオフセット設定の1.5%)+1mV ](周波数=1kHz)
- 信号振幅分解能
1mV(オープン回路)
500μV(50Ω)
- DCオフセット・レンジ
±2.5V(オープン回路)
±1.25V(50Ω)
- DCオフセット分解能
1mV(オープン回路)
500μV(50Ω)
- DCオフセット確度
±[(絶対オフセット設定の1.5%)+1mV]
環境温度25℃から10℃ごとに3mVの不確実性を加算
デジタル・ボルトメータ(DVM)
- 測定項目
DC、ACRMS+DC、ACRMS、トリガ周波数カウント
- 電圧分解能
- 4桁
- 電圧確度
- DC:
±((1.5% × ¦読み値-オフセット-ポジション)+(0.5% × ¦(オフセット-ポジション)¦)+(0.1 × Volts/div))
30℃超過分1℃につき、¦読み値-オフセット-ポジション¦が0.100%の割合で低下
±5div(スクリーン中央から)の信号
- AC:
± 3%(40Hz~1kz)、40 Hz~1kHz範囲外に高調波成分が存在しない場合
AC、代表値: ±2%(20 Hz~10 kHz)
AC測定においては、VPPの入力信号が4~10divの間に収まり、画面に波形全体が表示されるように、入力チャンネルの垂直軸を設定する必要があります。
トリガ周波数カウンタ
- 分解能
8桁
- 確度
±(1カウント+時間軸確度×入力周波数)
信号は8mVppまたは2div以上でなければならない(どちらか大きな方)
- 最大入力周波数
10Hz~アナログ・チャンネルの最高周波数帯域
信号は8mVppまたは2div以上でなければならない(どちらか大きな方)
プロセッサのシステム
- ホスト・プロセッサ
- Intel i5-4400E、2.7 GHz、64 ビット、デュアル・コア・プロセッサ、8 GB システム RAM
- オペレーティング・システム
基本構成の機器: 組込みOS
Opt. 6-WIN をインストールした機器: Microsoft Windows 10
- OSを内蔵した標準SSD
- リムーバブル・ソリッド・ステート・ドライブ(250GB以上)
- Microsoft Windows 10 OS がインストールされたソリッド・ステート・ドライブ (SSD) (Opt. 6-WIN)
- SSDの容量:512 GB以上。フォーム・ファクタ:2.5インチSSD、SATA-3インタフェース。このドライブは、お客様によるインストールが可能で、Microsoft Windows 10 Enterprise IoT 2016 LTSB(64ビット)オペレーティング・システムのライセンスが含まれる
入出力ポート
- DisplayPortコネクタ
- 20ピンDisplayPortコネクタ。外部モニタやプロジェクタに接続し、ライブ波形などのオシロスコープ画面を表示
- DVIコネクタ
29ピン DVI-Iコネクタ。外部モニタやプロジェクタに接続し、ライブ波形などのオシロスコープ画面を表示
- VGA
DB-15 Feコネクタ。外部モニタやプロジェクタに接続し、ライブ波形などのオシロスコープ画面を表示。
- プローブ補正出力(代表値)
- 接続機能:
- コネクタは機器の前面右の下の部分に配置
- 振幅:
- 0~2.5 V
- 周波数:
- 1 kHz
- ソース・インピーダンス:
- 1kΩ
- 外部リファレンス入力
時間軸システムは外部10MHzリファレンス信号に位相ロック可能
リファレンス・クロックには2 つのレンジがある
10MHz±2ppmの高確度リファレンス・クロック、またはやや確度が劣る10MHz±1kppmのリファレンス・クロック
- USBインタフェース(ホスト、デバイス・ポート)
前面パネルの USB ホスト・ポート: USB 2.0 ハイスピード・ポート (x 2)、USB 3.0 スーパースピード・ポート (x 1)
後部パネル USB ホスト・ポート: USB 2.0 ハイスピード・ポート (x 2)、USB 3.0 スーパースピード・ポート (x 2)
後部パネル USB デバイス・ポート: USB 3.0 スーパースピード・デバイス・ポート (x 1。USBTMC対応)
- Ethernetインタフェース
- 10/100/1000Mbps
- 補助出力
後部パネルにBNCコネクタ。オシロスコープのトリガ、オシロスコープの内部リファレンス・クロック出力、またはAFGシンク・パルスのイベント出力において正または負のパルス出力が可能
特性 リミット Vout(HI) 開回路: 2.5V以上、50Ω負荷で接地: 1.0V以上 Vout(LO) 4mA以下の負荷: 0.7V以下、50Ω負荷で接地: 0.25V以下
- ケンジントン・ロック
- 後部パネルにケンジントン・ロック用のセキュリティ・スロットを装備
- LXI
クラス:LXI Core 2011
バージョン:1.4
電源
- パワー
- 消費電力
最大 400 W
- ソース電圧
100~240V ±10%(50Hz~60Hz)
115V ±10%(400Hz)
物理特性
- 寸法
高さ:12.2 in(309 mm) (脚をたたみ、ハンドルを後ろに回した状態)
高さ:14.6 in(371 mm) (脚をたたみ、ハンドルを上げた状態)
幅:17.9 in(454 mm) (ハンドル・ハブ間)
奥行:8.0 in(205 mm) (脚の後ろからノブ前面まで、ハンドルを上げた状態)
奥行:11.7 in(297.2 mm) (脚をたたみ、ハンドルを後ろに回した状態)
- 質量
- 13.52 kg 未満
- 冷却
- 通気のために、(機器の前面から見て)右側および後面に50.8mm以上の隙間を確保してください。
- ラックマウント・タイプ
- 7U (Opt. RM5 ラックマウント・キット)
環境仕様
- 温度
- 動作時
- +0 ℃~+50℃(+32 ゚F~+122 ゚F)
- 非動作時
-20 ℃~+60 ℃(-4 °F~140 °F)
- 湿度
- 動作時
40℃以下で相対湿度5%~90%(RH)
+40 °C 超、+50 °C 以下で相対湿度 5%~ 55% (RH)、結露なし
- 非動作時
- +60 ℃以下で相対湿度(RH)5~90%、結露のないこと
- 高度
- 動作時
- 3,000m(9,843 フィート)以下
- 非動作時
- 12,000m(39,370フィート)以下
EMC適合性および安全性
- 規制
CEマーク(EU)、UL認定(米国/カナダ)
RoHS準拠
ソフトウェア
- IVIドライバ
LabVIEW、LabWindows/CVI、Microsoft .NET、およびMATLABなど、一般的なアプリケーションの標準測定器プログラム・インタフェースを提供VISAを介してPython、C/C++/C#など数多くの言語に対応が可能。
- e*Scope®
標準Webブラウザを通じて、ネットワーク接続経由でオシロスコープの制御を可能にします。オシロスコープのIPアドレスまたはネットワーク名を入力するだけで、ブラウザにWebページが表示されます。このWebページから、設定、波形、測定値、画面イメージを転送および保存したり、オシロスコープの設定をWebブラウザから直接変更することもできます。
- TekDrive
- 接続されているデバイスのあらゆる種類のファイルをアップロード、保存、整理、検索、ダウンロード、および共有できます。TekDrive は、シームレスなファイルの共有や呼び出しを実現するために、6 シリーズ MSO にネイティブに統合されています。USB メモリは必要ありません。ビューアを使用して、ブラウザで直接、 .wfm, .isf, .tss, and .csv などの標準ファイルの分析や確認を行います。詳細については、http://www.tek.com/software/tekdrive を参照してください。
- SignalVu-PC
- 6 シリーズ MSO または別の Windows PC 上で直接実行できる、拡張ベクトル信号解析ソフトウェアです。Opt. 6-SV-RFVT が 6 シリーズ MSO にインストールされていなければなりません。Connect(CONxx-SVPC)ライセンスをSignalVu-PCにインストールする必要があります。xxは、ノード・ロック・ライセンスの場合はNL、フローティング・ライセンスの場合はFLです。
- LXI Webインタフェース
ブラウザのアドレス・バーにオシロスコープのIPアドレスまたはネットワーク名を入力するだけで、標準のWebブラウザ経由でオシロスコープと接続できます。Webインタフェースで、機器のステータスと構成、ネットワーク設定のステータスと変更、e*Scope Webベースのリモート・コントロールを通じた機器の制御を行うことができます。
- サンプル・プログラム
4/5/6シリーズ・プラットフォーム上でのプログラミングは簡単な作業ではありませんでした。プログラマ・マニュアルやGitHubサイトには、遠隔操作による自動化に役立つ数多くのコマンドやサンプル・プログラムが掲載されています。を参照してください。
ご注文の際は以下の型名をご使用ください。
以下のステップに従って、お客様の測定のニーズに合わせて、最適な機器とオプションを選択してください。
ステップ1
- 最初にMSO64の機種を選択します。
型名 FlexChannelの数 MSO64 4
全機種に付属 TPP1000型1GHzプローブ(4本)。 インストールおよび安全に関する取扱説明書(英語、日本語、簡体中国語版)
内蔵オンライン・ヘルプ 前面カバー(アクセサリ・ポーチの一部) 電源ケーブル 計量標準総合センターへのトレーサビリティと、ISO9001/ISO17025品質システム登録を文書化した校正証明書 本体は3年保証。 付属プローブは1年保証
ステップ2
- オシロスコープに必要な周波数帯域(アナログ・チャンネル)の選択
- 現時点で必要な周波数帯域を、以下の周波数帯域オプションから選択してください。アップグレード・オプションを購入することで、いつでもアップグレードできます。
周波数帯域オプション 周波数帯域 6-BW-1000 1 GHz 6-BW-2500 2.5 GHz 6-BW-4000 4 GHz 6-BW-6000 6 GHz 6-BW-8000 8 GHz 注:周波数帯域が 4、6、または 8 GHz の機種では、オシロスコープとの広帯域での接続を最適化するために、BNC-SMA アダプタの使用をご検討ください。当社部品番号 103-0503-XX
ステップ3
- 内蔵機能の追加(オプション・バンドルの追加)
オプション・バンドルには、3つのクラス(スターター、プロ、アルティメット)があり、予算やアプリケーションのニーズに応じて様々なオプションをご利用になれます。各バンドルの現在の内容の詳細については、当社ウェブ・サイトにアクセスして、ソフトウェア・バンドルのカタログをご覧くださいhttps://www.tek.com/document/brochure/software-bundles-for-the-4-5-and-6-series-mso-oscilloscopes。
- スターター・バンドルは、最も一般的なシリアル・バスのデコード、プロトコル解析、ハードウェア拡張オプションで構成されています。
- プロ・バンドルは、特定のアプリケーション(シリアル・トリガ/デコード、パワー・インテグリティ、シグナル・インテグリティ、車載、自動コンプライアンス・テスト、防衛/航空宇宙)に加えて、スターター・バンドルのすべてのオプションが含まれます。
- アルティメット・バンドルには、すべてのプロ・バンドルのすべてのオプションに加えて、スターター・バンドルのすべてのオプションが含まれます。
1年間ライセンス 永続的ライセンス バンドルの概要 6-STARTER-1Y 6-STARTER-PER 内容:I2C、SPI、RS-232/422/UARTシリアル・トリガ/解析、AFG(任意波形/ファンクション・ジェネレータ) 6-PRO-SERIAL-1Y 6-PRO-SERIAL-PER 内容:6-STARTERに加えて、250MS/Chのレコード長、選択したシリアル解析オプションを含む 6-PRO-POWER-1Y 6-PRO-POWER-PER 内容:6-STARTERに加えて、250MS/Chのレコード長、選択したパワー解析オプションを含む 6-PRO-SIGNAL-1Y 8 6-PRO-SIGNAL-PER 内容:6-STARTERに加えて、250MS/Chのレコード長、拡張ジッタ解析、および選択した解析オプションを含む 6-PRO-COMPL-1Y 1 6-PRO-COMPL-PER 内容:6-STARTERに加えて、250MS/Chのレコード長、拡張ジッタ解析、および選択した自動コンプライアンス・テスト・オプションを含む 6-PRO-AUTO-1Y 1 6-PRO-AUTO-PER 内容:6-STARTERに加えて、250MS/Chのレコード長、拡張ジッタ解析、および選択した車載用解析オプションを含む 6-PRO-MILGOV-1Y 6-PRO-MILGOV-PER 内容:6-STARTERに加えて、250MS/Chのレコード長、拡張ジッタ解析、マスク・テスト、および選択したシリアル解析オプションを含む 6-ULTIMATE-1Y 6-ULTIMATE-PER 内容:6-STARTER、すべての6-PROバンドル・オプションに加え、1 GS/Chのレコード長、RF対時間の波形、トリガ、スペクトログラム、IQキャプチャ、Spectrum Viewの取込帯域の拡張、ビデオ・トリガ・オプションを含む 購入したバンドルにはそれぞれ、以下の2種類のライセンス期間のオプションがあります。
- 1年間ライセンス:購入したバンドルのすべての機能と無償のアップグレードを1年間ご利用いただけます。1年を過ぎると、機能は無効になります。選択したバンドルには、1年間ライセンスを追加購入できます。
- 永続的ライセンス:購入したバンドルのすべての機能を永続的に有効にします。永続的ライセンスには、バンドルされた機能セットの1年間の無料アップグレードが含まれます。1年を過ぎると、前回のアップデートで有効になった機能セットの状態で凍結されます。
永続バンドルは、メンテナンス・ライセンスを購入することで、1年間のアクティベーション期間後も継続してアップグレードを受けられます。メンテナンス・ライセンスの情報は、以下のメンテナンス・ライセンスの表に記載されています。メンテナンス・ライセンスは、既存のStarter、Pro、またはUltimateのバンドル用に購入する必要があります。
メンテナンス・ライセンス 説明 6-STARTER-MNT-1Y 6シリーズMSOでの1年間のPerpetual Starter Bundle(永続スターター・バンドル)のアップデートが含まれています 6-PRO-MNT-1Y 6シリーズMSOでの1年間のPerpetual Pro Bundle(永続プロ・バンドル)のアップデートが含まれています 6-ULTIMATE-MNT-1Y 6シリーズMSOでの1年間のPerpetual Ultimate Bundle(永続アルティメット・バンドル)のアップデートが含まれています
ステップ 4
- 内蔵機能の追加
これらは機器本体と同時に注文できますが、後でアップグレード・キットとして購入することもできます。
機器オプション 内蔵機能 6-RL-1 レコード長を62.5Mポイント/チャンネルから125Mポイント/チャンネルに拡張 6-RL-2 レコード長を 62.5 M ポイント/チャンネルから 250 M ポイント/チャンネルに拡張 6-RL-3 レコード長を62.5Mポイント/チャンネルから500Mポイント/チャンネルに拡張
6-RL-4 レコード長を62.5Mポイント/チャンネルから1Gポイント/チャンネルに拡張
6-WIN 9 Microsoft Windows 10 オペレーティング・システムがインストールされたリムーバブル SSD の追加 6-AFG 任意波形/ファンクション・ジェネレータの追加 6-SEC 1011 機器の機密解除やすべてのUSBポート、ファームウェア・アップグレードにパスワードによる保護機能を設定できるなど、高度なセキュリティ機能が追加されます。
ステップ5
- オプション機能(プロトコルのトリガ、デコード、サーチ)の追加
- 現段階で必要なプロトコル・サポートを、以下の解析オプションから選択してください。アップグレード・キットを購入することで、いつでもアップグレードできます。
機器オプション サポートされているプロトコル 6-SRAERO 航空/宇宙通信用(MIL-STD-1553、ARINC 429) 6-SRAUDIO オーディオ(I2S、LJ、RJ、TDM) 6-SRAUTO 車載用(CAN、CAN FD、LIN、FlexRay、およびCANシンボル・デコード) 6-SRAUTOEN1 100BASE-T1車載用Ethernetシリアル解析 6-SRAUTOSEN 車載用センサ(SENT) 6-SRCOMP コンピュータ(RS-232/422/485/UART) 6-SRCPHY MIPI D-PHY (DSI-2、CSI-2 のデコード/サーチのみ) 6-SRCXPI CXPI(デコード・サーチのみ) 6-SRDPHY MIPI D-PHYV1.2 (DSI-1、CSI-2 のデコード/サーチのみ) 6-SREMBD 組込み(I2C、SPI) 6-SRENET Ethernet(10BASE-T、100BASE-TX) 6-SRESPI 型 eSPI (デコード/サーチのみ) 6-SR8B10B 8B/10B(デコード/サーチのみ) 6-SRI3C MIPI I3C 6-SRMANCH マンチェスター(デコード/サーチのみ) 6-SRMDIO MDIO(デコード・サーチのみ) 6-SRNRZ NRZ (デコード/サーチのみ) 6-SRONEWIRE 1-Wire (1-Wire デコード・サーチのみ) 6-SRPM 電源管理(SPMI) 6-SRPSI5 PSI5(デコード・サーチのみ) 6-SRSDLC 同期データ・リンク・コントロール・プロトコル・デコード/サーチ 6-SRSPACEWIRE SpaceWire(デコード・サーチのみ) 6-SRSVID SVID 6-SRUSB2 USB (USB2.0 LS、FS、HS) 6-SREUSB2 eUSB2.0(デコード・サーチのみ) 差動シリアル・バスの場合は、ステップ9の「アナログ・プローブ/アダプタ」の追加をチェックしてください。
- サードパーティのシリアル・バス・デコード/解析機能を追加
- サードパーティ製アプリケーションを利用することで、6シリーズMSOで使用するためのシリアル・バス・デコード/解析機能を導入できます。サードパーティ製ソフトウェア・アプリケーションを使用するには、Windows 10 SSD(Opt. 6-WIN)が必要です。
- 詳細については以下を参照してください。 https://prodigytechno.com/oscilloscope-based-protocol-decode-software/
ステップ6
- シリアル・バスのコンプライアンス・テストの追加
現段階で必要なコンプライアンス・テスト・パッケージを、以下のオプションから選択してください。アップグレード・キットを購入することで、いつでもアップグレードできます。以下の表のすべてのオプションには、Opt. 6-WIN(Microsoft Windows 10 オペレーティング・システムがインストールされたSSD)が必要です。
機器オプション 対応シリアル・バス 6-CMAUTOEN 車載用Ethernet(100BASE-T1および1000BASE-T1)自動コンプライアンス・テスト・ソリューション。 1000BASE-T1に2 GHz以上の周波数帯域が必要
6-CMAUTOEN10 車載用Ethernet(10BASE-T1S Short Reach)自動コンプライアンス・テスト・ソリューション。 6-CMAUTOEN10G 車載用 Ethernet (MultiGBase-T1) 自動コンプライアンス・テスト・ソリューション 6-AUTOEN-BND 車載用 Ethernet コンプライアンス、信号分離、PAM3 解析、100Base-T1 デコード・ソフトウェア (Opt. 6-DJA および 6-WINが必要) 6-AUTOEN-SS 車載用Ethernet信号分離 6-CMCPHY20 MIPI C-PHY 2.0 Tx テスト自動適合性テスト・ソリューション (Opt. 6-DJA が必要) 6-CMDPHY MIPI D-PHY 1.2の自動コンプライアンス・テスト・ソリューション 6-CMDPHY21 MIPI D-PHY 2.1 Txテスト自動コンプライアンス・テスト・ソリューション(Opt. 6-DJAが必要) 6-CMENET Ethernet自動コンプライアンス・テスト・ソリューション(10BASE-T/100Base-T/1000BASE-T)。 1000BASE-Tに1 GHz以上の周波数帯域が必要
6-CMENETML マルチレーンEthernet(10BASE-T/100Base-T/1000BASE-T)自動コンプライアンス・テスト・ソリューション 6-CMNBASET
2.5/5 GBASE-TEthernet自動コンプライアンス・テスト・ソリューション。 2.5GHzを推奨
6-CMXGBT
10 GBASE-T Ethernet自動コンプライアンス・テスト・ソリューション (4 GHz以上推奨)
6-CMUSB2 USB 2.0自動コンプライアンス・テスト・ソリューション TDSUSBF USBテスト・フィクスチャが必要
ハイスピードUSBには2GHz以上の帯域が必要
ステップ 7
- メモリ解析機能の追加
機器オプション 拡張解析機能 6-DBDDR3 DDR3/LPDDR3のデバッグ/解析 6-CMDDR3 DDR3/LPDDR3自動コンプライアンス・テスト・ソリューション(TekExpress自動プラットフォームを使用) Opt. 6-DBDDR3、6-DJA、および6-WIN(Microsoft Windows 10オペレーティング・システムがインストールされたSSD)が必要
DDR3のテストでは4GHz以上の周波数帯域が必要(8GHzを推奨)
ステップ 8
- データ解析機能の追加
機器オプション 拡張解析機能 6-DBLVDS TekExpress LVDS自動テスト・ソリューション(Opt. 6-DJAおよび6-WINが必要)
6-DJA 拡張ジッタ/アイ・ダイアグラム解析 6-DPM デジタル電源管理 6-MTM マスク/リミット・テスト 6-PAM3 PAM3解析(Opt. 6-DJAおよび6-WINが必要)
6-PS2 12 パワー・ソリューション・バンドル(Opt. 6-PWR、THDP0200型、TCP0030A型、067-1686-XX(デスキュー・フィクスチャ)) 6-PWR 13 パワー測定/解析 6-SV-BW-1 Spectrum Viewの取込み帯域を 2GHzに拡張 6-SV-RFVT Spectrum ViewでのRF対時間波形、トリガ、スペクトログラム、およびIQキャプチャ 6-UDFLT ユーザ定義フィルタ作成ツール 6-VID NTSC、PAL、SECAMビデオ・トリガ
6-WBG-DPT 型 ワイド・バンドギャップSiC/GaNダブル・パルス・テストの測定および分析
- ベクトル信号解析の追加
- SignalVu-PC は、6 シリーズ MSO または別の Windows PC で動作するスタンドアロン・アプリケーションであり、高度なベクトル信号解析を行います。SignalVu-PCを6シリーズMSOまたは別のWindows PCで動作させるには、3つのオプションが必要です。
- 機器でアプリケーションを実行する場合、Windows SSD(6-WIN)をオシロスコープにインストールする必要があります。
- I/Q データを転送するには、Spectrum View RF対時間トレース(Opt. 6-SV-RFVT)をオシロスコープにインストールする必要があります。
- アプリケーションの基本機能(16種類以上のRF測定/表示機能を含む)を有効にするには、Connect(CONxx-SVPC)ライセンスをSignalVu-PCにインストールする必要があります。
ステップ 9
- デジタル・プローブの追加
- FlexChannel入力にTLP058 型ロジック・プローブを接続するだけで、1 つのFlexChannel で8 つのデジタル・チャンネルを使用できます。
対応機種 注文番号 追加チャンネル数 MSO64 TLP058 プローブ (1~4 本) デジタル・チャンネル (8~32)
ステップ 10
- アナログ・プローブ/アダプタの追加
- その他の推奨プローブ/アダプタの追加
推奨プローブ/アダプタ 説明 TAP1500 1.5 GHz TekVPI® アクティブ・シングルエンド電圧プローブ、入力電圧 ±8 V TAP2500 2.5 GHz TekVPI® アクティブ・シングルエンド電圧プローブ、入力電圧 ±4 V TAP3500 3.5 GHz TekVPI® アクティブ・シングルエンド電圧プローブ、入力電圧 ±4 V TAP4000 4 GHz TekVPI® アクティブ・シングルエンド電圧プローブ、入力電圧 ±4 V TCP0020 20 A AC/DC TekVPI®電流プローブ、周波数帯域50 MHz TCP0030A 30A AC/DC TekVPI® 電流プローブ、周波数帯域 120 MHz TCP0150 150A AC/DC TekVPI®電流プローブ、周波数帯域20MHz TCPA300 100 MHz 電流プローブ、アンプ (プローブが必要)、自動スケーリングを提供する TPA-BNC アダプタの使用を推奨。 TCP312A DC-100 MHz、AC/DC 電流プローブ、30 A DC TRCP0300 30 MHz AC電流プローブ、250 mA~300 A TRCP0600 30 MHz AC電流プローブ、500mA~600 A TRCP3000 16MHz AC電流プローブ、500mA~3,000A TDP0500 500 MHz TekVPI®差動電圧プローブ、差動入力電圧±42 V TDP1000 1 GHz TekVPI®差動電圧プローブ、差動入力電圧±42 V TDP1500 1.5GHz TekVPI®差動電圧プローブ、差動入力電圧±8.5V TDP3500 3.5 GHz TekVPI®差動電圧プローブ、差動入力電圧±2 V TDP4000 4 GHz TekVPI®差動電圧プローブ、差動入力電圧±2 V TDP7704 4 GHz TriMode™ 電圧プローブ TDP7706 6 GHz TriMode™ 電圧プローブ TDP7708 8 GHz TriMode™ 電圧プローブ TDP7710 10 GHz TriMode™ 電圧プローブ THDP0100 ±6 kV、100 MHz TekVPI®高電圧差動プローブ THDP0200 ±1.5kV、200MHz TekVPI®高電圧差動プローブ TMDP0200 ±750 V、200MHz TekVPI®高電圧差動プローブ TPR1000 1GHz、シングルエンドTekVPI®パワーレール・プローブ(TPR4KITアクセサリ・キット付属) TPR4000 4 GHz、シングルエンドTekVPI®パワーレール・プローブ(TPR4KITアクセサリ・キット付属) TIVP02 絶縁プローブ、200 MHz、± 5 V~± 2,500 V (チップに応じて)、2 m ケーブル TIVP02L 絶縁プローブ、200 MHz、± 5 V~± 2,500 V (チップに応じて)、10 m ケーブル TIVP05 絶縁プローブ、500 MHz、± 5 V~± 2,500 V (チップに応じて)、2 m ケーブル TIVP05L 絶縁プローブ、500 MHz、± 5 V~± 2,500 V (チップに応じて)、10 m ケーブル TIVP1 絶縁プローブ、1 GHz、± 5 V~± 2,500 V (チップに応じて)、2 m ケーブル TIVP1L 絶縁プローブ、1 GHz、± 5 V~± 2,500 V (チップに応じて)、10 m ケーブル TPP0502 500MHz、2:1 TekVPI®受動電圧プローブ、入力容量12.7pF TPP0850 2.5kV、800MHz、50:1 TekVPI®受動高電圧プローブ P6015A 20kV、75MHz高電圧受動プローブ TPA-BNC 14 TekVPI®-TekProbe™ BNC変換アダプタ 103-0503-xx BNC-SMA アダプタ、定格 12 GHz TEK-DPG TekVPIデスキュー・パルス・ジェネレータ 067-1686-xx パワー測定用デスキュー/校正フィクスチャ 他のプローブについては、プローブ選択ツール(www.tek.com/probes)をチェックしてください。
ステップ 11
- アクセサリの追加
- 運搬/取り付け用アクセサリの追加
オプショナル・アクセサリ 説明 HC5 ハード・キャリング・ケース RM5 ラックマウント・キット GPIB-Ethernetアダプタ ICS Electronics社から直接4865B型(GPIB-Ethernetアダプタ)を購入可能
ステップ 12
- 電源ケーブル・オプションの選択
電源ケーブルのオプション 説明 A0 北米仕様電源プラグ(115V、60Hz) A1 ユニバーサル欧州仕様電源プラグ(220V、50Hz) A2 イギリス仕様電源プラグ(240V、50Hz) A3 オーストラリア仕様電源プラグ(240V、50Hz) A5 スイス仕様電源プラグ(220V、50Hz) A6 日本仕様電源プラグ(100V、50/60Hz) A10 中国仕様電源プラグ(50Hz) A11 インド仕様電源プラグ(50Hz) A12 ブラジル仕様電源プラグ(60Hz) A99 電源コードなし
ステップ 13
- 延長修理/校正オプションの追加
サービス・オプション 説明 T3 3 年間のトータル保証サービス・プランでは、通常使用による損傷、事故による破損 (ESD または EOS を含む) がすべて修理または交換の対象となるのに加えて、。 R3 標準保証期間を3年に延長。部品、作業、国内2日の発送を保証。保証がない場合よりも迅速な修理対応。すべての修理で校正とアップデートを実施。手続きは不要。電話一本で修理プロセスが開始。 C3 3 年間の校正サービス。必要に応じて、推奨される校正間隔でトレーサブル校正または機能検証が実施されます。保証期間には初回の校正に加えて、2 年間の校正サービスが含まれます。 T5 5 年間のトータル保証サービス・プランでは、通常使用による損傷、事故による破損 (ESD または EOS を含む) がすべて修理または交換の対象となるのに加えて、。 R5 標準保証期間を5年に延長。部品、作業、国内2日の発送を保証。保証がない場合よりも迅速な修理対応。すべての修理で校正とアップデートを実施。手続きは不要。電話一本で修理プロセスが開始。 C5 5 年間の校正サービス。必要に応じて、推奨される校正間隔でトレーサブル校正または機能検証が実施されます。保証期間には初回の校正に加えて、4 年間の校正サービスが含まれます。
購入後の機能アップグレード
- 機能アップグレードの追加
- 6シリーズ製品は購入後、様々な方法で機能を簡単に追加することができます。ノード・ロック・ライセンスの場合は、単一の製品のオプション機能が永続的に有効になります。フローティング・ライセンスの場合は、ライセンスが有効なオプションを対応機器間で簡単に移動できます。
| アップグレード機能 | ノード・ロック・ライセンス・アップグレード | フローティング・ライセンス・アップグレード | 説明 |
|---|---|---|---|
| 内蔵機能の追加 | SUP6-AFG | SUP6-AFG-FL | 任意波形/ファンクション・ジェネレータの追加 |
| SUP6-RL-1 | SUP6-RL-1-FL | レコード長を62.5Mポイント/チャンネルから125Mポイント/チャンネルに拡張 | |
| SUP6-RL-2 | SUP6-RL-2-FL | レコード長を62.5Mポイント/チャンネルから250Mポイント/チャンネルに拡張 | |
| SUP6-RL-3 | SUP6-RL-3-FL | レコード長を62.5Mポイント/チャンネルから500Mポイント/チャンネルに拡張 | |
| SUP6-RL-4 | SUP6-RL-4-FL | レコード長を62.5Mポイント/チャンネルから1Gポイント/チャンネルに拡張 | |
| SUP6-RL-1T2 | SUP6-RL-1T2-FL | レコード長を125Mポイント/チャンネルから250Mポイント/チャンネルに拡張 | |
| SUP6-RL-1T3 | SUP6-RL-1T3-FL | レコード長を125Mポイント/チャンネルから500Mポイント/チャンネルに拡張 | |
| SUP6-RL-1T4 | SUP6-RL-1T4-FL | レコード長を125Mポイント/チャンネルから1Gポイント/チャンネルに拡張 | |
| SUP6-RL-2T3 | SUP6-RL-2T3-FL | レコード長を250Mポイント/チャンネルから500Mポイント/チャンネルに拡張 | |
| SUP6-RL-2T4 | SUP6-RL-2T4-FL | レコード長を250Mポイント/チャンネルから1Gポイント/チャンネルに拡張 | |
| SUP6-RL-3T4 | SUP6-RL-3T4-FL | レコード長を500Mポイント/チャンネルから1Gポイント/チャンネルに拡張 | |
| プロトコル解析の追加 | SUP6-RFNFC | SUP6-RFNFC-FL | ISO/IEC 15693およびISO/IEC14443A(デコード/サーチのみ) |
| SUP6-SRAERO | SUP6-SRAERO-FL | 航空・宇宙通信用シリアル・トリガ/解析(MIL-STD-1553、ARINC 429) | |
| SUP6-SRAUDIO | SUP6-SRAUDIO-FL | オーディオ・シリアル・トリガ/解析(I2S、LJ、RJ、TDM) | |
| SUP6-SRAUTO | SUP6-SRAUTO-FL | 車載用シリアル・トリガ/解析(CAN、CAN FD、LIN、FlexRay、CANのシンボル・デコード) | |
| SUP6-SRAUTOEN1 | SUP6-SRAUTOEN1-FL | 100BASE-T1車載用Ethernetシリアル解析 | |
| SUP6-SRAUTOSEN | SUP6-SRAUTOSEN-FL | 車載用センサ・シリアル・トリガ/解析モジュール(SENT) | |
| SUP6-SRCOMP | SUP6-SRCOMP-FL | コンピュータ・シリアル・トリガ/解析(RS-232/422/485/UART) | |
| SUP6-SRCPHY | SUP6-SRCPHY-FL | MIPI C-PHY シリアル解析 (DSI-2、CSI-2) | |
| SUP6-SRCXPI | SUP6-SRCXPI-FL | CXPIシリアル・デコード/解析 | |
| SUP6-SRDPHY | SUP6-SRDPHY-FL | MIPI D-PHY V1.2(DSI-1、CSI-2)シリアル・デコード/解析 | |
| SUP6-SREMBD | SUP6-SREMBD-FL | 組込みシリアル・トリガ/解析 (I2C、SPI) | |
| SUP6-SRENET | SUP6-SRENET-FL | Ethernetシリアル・トリガ/解析(10BASE-Tおよび100BASE-TX) | |
| SUP6-SRESPI | SUP6-SRESPI-FL | eSPI シリアル・デコード/解析 | |
| SUP6-SRETHERCAT | SUP6-SRETHERCAT-FL | EtherCAT シリアル・デコード/解析 | |
| SUP6-SRI3C | SUP6-SRI3C-FL | MIPI I3C シリアル・トリガ/解析 | |
| SUP6-SRMANCH | SUP6-SRMANCH-FL | マンチェスター・シリアル・デコード/解析 | |
| SUP6-SRMDIO | SUP6-SRMDIO-FL | 管理用データ入出力(MDIO)シリアル・デコード/解析 | |
| SUP6-SR8B10B | SUP6-SR8B10B-FL | 8B/10Bシリアル・デコード/解析 | |
| SUP6-SRNRZ | SUP6-SRNRZ-FL | NRZシリアル・デコード/解析 | |
| SUP6-SRONEWIRE | SUP6-SRONEWIRE-FL | 1-Wire シリアル・デコード/解析 | |
| SUP6-SRPM | SUP6-SRPM-FL | 電源管理シリアル・トリガ/解析(SPMI) | |
| SUP6-SRPSI5 | SUP6-SRPSI5-FL | PSI5シリアル・デコード/解析 | |
| SUP6-SRSDLC | SUP6-SRSDLC | 同期データ・リンク・コントローラ・シリアル・デコード/解析 | |
| SUP6-SRSMBUS | SUP6-SRSMBUS-FL | SMBus シリアル・デコード/解析 | |
| SUP6-SRSPACEWIRE | SUP6-SRSPACEWIRE-FL | SpaceWireシリアル解析 | |
| SUP6-SRSVID | SUP6-SRSVID-FL | シリアルVID(SVID)シリアル・トリガ/解析 | |
| SUP6-SRUSB2 | SUP6-SRUSB2-FL | USB 2.0シリアル・バス・トリガ/解析(LS、FS、HS) | |
| SUP6-SREUSB2 | SUP6-SREUSB2-FL | 組込みUSB2(eUSB2)シリアル・デコード/解析 | |
| SUP6-CMXGBT | SUP6-CMXGBT-FL | 10 GBASE-TEthernet自動コンプライアンス・テスト・ソリューション。4GHz以上を推奨 | |
シリアル・コンプライアンスの追加 すべてのシリアル・コンプライアンス製品には、Opt. 6-WIN(Microsoft Windows 10オペレーティング・システムがインストールされたSSD)が必要 | SUP6-CMAUTOEN | SUP6-CMAUTOEN-FL | 車載用Ethernet自動コンプライアンス・テスト・ソリューション(100BASE-T1および1000BASE-T1) |
| SUP6-CMAUTOEN10 | SUP6-CMAUTOEN10-FL | 車載用Ethernet(10BASE-T1S Short Reach)自動コンプライアンス・テスト・ソリューション | |
| SUP6-CMAUTOEN10G | SUP6-CMAUTOEN10G-FL | 車載用 Ethernet (MultiGigBase-T1) 自動コンプライアンス・テスト・ソリューション (Opt 6-DJA が必要) | |
| SUP6-AUTOEN-BND | 車載用Ethernetコンプライアンス、信号分離、PAM3解析、100Base-T1シリアル解析(Opt. 6-DJAおよび6-WINが必要) | ||
| SUP6-AUTOEN-SS | SUP6-AUTOEN-SS-FL | 車載用Ethernet信号分離 | |
| SUP6-CMINDUEN10 | SUP6-CMINDUEN10-FL | 工業用Ethernet(10Base-T1L Long Reach)自動コンプライアンス・テスト・ソリューション | |
| SUP6-CMCPHY20 | SUP6-CMCPHY20-FL | MIPI C-PHY 2.0 Tx 自動適合性テスト・ソリューション (Opt. 6-DJA が必要) | |
| SUP6-CMDPHY | SUP6-CMDPHY-FL | MIPI D-PHY 1.2の自動コンプライアンス・テスト・ソリューション | |
| SUP6-CMDPHY21 | SUP6-CMDPHY21-FL | MIPI D-PHY 2.1 Tx 自動適合性テスト・ソリューション (Opt. 6-DJA が必要) | |
| SUP6-CMDPHY21UP | MIPI D-PHY 1.2 から MIPI D-PHY 2.1 自動適合テスト・ソリューションへのアップグレード | ||
| SUP6-CMENET | SUP6-CMENET-FL | Ethernet 自動コンプライアンス・テスト・ソリューション (10BASE-T、100BASE-T、および 1000BASE-T) | |
| SUP6-CMENETML | SUP6-CMENETML-FL | マルチレーンEthernet自動コンプライアンス・テスト・ソリューション(10BASE-T/100Base-T/1000BASE-T) | |
| SUP6-CMNBASET | SUP6-CMNBASET-FL | 2.5/5 GBASE-T Ethernet自動コンプライアンス・テスト(2.5GHzを推奨) | |
| SUP6-CMUSB2 | SUP6-CMUSB2-FL | USB 2.0自動コンプライアンス・テスト・ソリューション | |
| 拡張解析の追加 | SUP6-DBLVDS | SUP6-DBLVDS-FL | LDVSデバッグ/解析(Opt. 6-DJAおよび6-WINが必要) |
| SUP6-DJA | SUP6-DJA-FL | 拡張ジッタ/アイ・ダイアグラム解析 | |
| SUP6-DPM | SUP6-DPM-FL | デジタル電源管理 | |
| SUP6-MTM | SUP6-MTM-FL | マスク/リミット・テスト | |
| SUP6-PAM3 | SUP6-PAM3-FL | PAM3解析(Opt. 6-DJAおよび6-WINが必要) | |
| SUP6-PS2 | - | パワー・ソリューション・バンドル(Opt. 6-PWR、THDP0200型、TCP0030A型、067-1686-XX(デスキュー・フィクスチャ)) | |
| SUP6-PWR | SUP6-PWR-FL | 拡張パワー測定/解析 | |
| SUP6-SV-BW-1 | SUP6-SV-BW-1-FL | Spectrum Viewの取込み帯域を2GHzに拡張 | |
| SUP6-SV-RFVT | SUP6-SV-RFVT-FL | Spectrum ViewでのRF対時間波形、トリガ、スペクトログラム、およびIQキャプチャ | |
| SUP6-UDFLT | SUP6-UDFLT-FL | ユーザ定義フィルタ作成ツール | |
| SUP6-VID | SUP6-VID-FL | NTSC、PAL、SECAMビデオ・トリガ | |
| SUP6-WBG-DPT | SUP6-WBG-DPT-FL | ワイド・バンドギャップSiC/GaNダブル・パルス・テストの測定および分析 | |
| メモリ解析の追加 | SUP6-DBDDR3 | SUP6-DBDDR3-FL | DDR3/LPDDR3のデバッグ/解析 |
| SUP6-CMDDR3 | SUP6-CMDDR3-FL | DDR3/LPDDR3自動コンプライアンス・テスト・ソリューション(TekExpress自動プラットフォームを使用) Opt. 6-DBDDR3、6-DJA、およびMicrosoft Windows 10オペレーティング・システムがインストールされたSSDが必要 DDR3のテストでは4GHz以上の周波数帯域が必要(8GHzを推奨) | |
| デジタル・ボルトメータの追加 | - | - | デジタル・ボルトメータ(DVM)/トリガ周波数カウンタの追加 (www.tek.com/register6mso での製品登録で無償) |
| アップグレード機能 | アップグレード | 説明 |
|---|---|---|
| Windowsオペレーティング・システムの追加 | SUP6-WIN | Microsoft Windows 10オペレーティング・システムがインストールされたリムーバブルSSDの追加 |
購入後の周波数帯域のアップグレード
- 購入後に周波数帯域のアップグレードを購入する
- 6シリーズ製品は、購入後にアナログ周波数帯域をアップグレードできます。周波数帯域のアップグレードは、、現在の帯域、必要な帯域の組み合わせに基づいて購入してください。周波数帯域のアップグレードはすべて、ソフトウェア・ライセンスと新しい前面パネル・ラベルをインストールするだけですので、お客様自身で実施していただけます。
| アップグレード対象 | アップグレード前の帯域 | アップグレード後の帯域 | 帯域アップグレードの型名 |
|---|---|---|---|
MSO64 | 1 GHz | 2.5 GHz | SUP6-BW10T254 |
| 1 GHz | 4 GHz | SUP6-BW10T404 | |
| 1 GHz | 6 GHz | SUP6-BW10T604 | |
| 1 GHz | 8 GHz | SUP6-BW10T804 | |
| 2.5 GHz | 4 GHz | SUP6-BW25T404 | |
| 2.5 GHz | 6 GHz | SUP6-BW25T604 | |
| 2.5 GHz | 8 GHz | SUP6-BW25T804 | |
| 4 GHz | 6 GHz | SUP6-BW40T604 | |
| 4 GHz | 8 GHz | SUP6-BW40T804 | |
| 6 GHz | 8 GHz | SUP6-BW60T804 |

