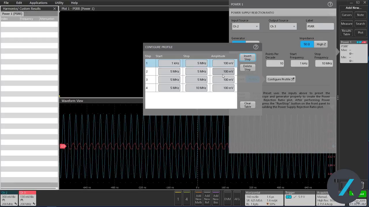
Learn how to get optimal results from your power supply design by checking the power supply rejection ratio. This video covers how DC-DC converters or low voltage drop-out regulators (LDOs), reject various frequency components injected into DC input. We cover how the measurements system measures both the modulated input and output AC voltage levels and then computes rejection ratio at each frequency within the swept band.
期間 0h 8m 55s







