

6シリーズB MSOは、非常に小さい入力ノイズと最高10GHzのアナログ周波数帯域により、GHzのクロックとバス・スピードを持った組込みシステムの解析やデバッグにおいて、優れた信号忠実度を実現しています。最新のピンチ・スワイプ・ズーム操作に対応した、タッチスクリーンによるユーザ・インタフェース、大型HDディスプレイ、1つのチャンネルにつき、1つのアナログ信号または8つのデジタル信号測定が可能なFlexChannel™入力を最大8チャンネル備えた6シリーズB MSOは、今日、および将来予想される困難な課題にも対応できます。
6シリーズB MSOは、シンプルでありながら優れた測定、解析機能を備えています。GHzのクロック、シリアル・バスのジッタ解析が簡単に実行できます。統合された測定機能により、統計解析を日常の測定に取り入れることができます。同じように簡単なドラッグ&ドロップ操作で、高度な測定、日常的な測定を追加することができます。
6シリーズB MSOには、以下の4つの独自解析機能があります。
1. マルチチャンネルのスペクトラム解析と同期したSpectrum View機能
問題点をデバッグする場合、周波数ドメインで1つまたは複数の信号を観測できれば、デバッグが簡単になることがあります。オシロスコープには演算ベースのFFT機能を搭載しているものもあり、長い間このようなニーズに対応してきました。しかし、FFTは以下の2つの理由で使い方が難しいのです。
まず、周波数ドメインを解析する際、スペクトラム・アナライザでは中心周波数、スパン、分解能帯域幅(RBW)などの設定によって容易に目的のスペクトラムを観測することができます。しかし、FFTを使用する場合、サンプル・レート、レコード長、時間/divといった従来のオシロスコープ操作に縛られ、周波数ドメインで必要な表示にするために、頭の中で変換を行う必要があります。
またFFTは、アナログの時間ドメイン表示を行うのと同じアクイジション・システムによって処理されます。アナログ表示のために適切なアクイジション設定にすると、周波数ドメインの表示が思い通りになりません。周波数ドメインで思い通りの表示にすると、アナログ表示が思い通りになりません。従来からあるオシロスコープのFFTでは、両方のドメインで最適な表示にすることはほとんど不可能です。
Spectrum View機能は、このすべての問題を解決します。テクトロニクス特許の技術により、各FlexChannel入力において、時間ドメイン用の信号処理回路と、周波数ドメイン用のデジタル・ダウンコンバータの両方を備えています。2つの異なったアクイジション経路により、時間ドメイン、周波数ドメインにおけるアクイジション設定を個別に設定しながら同時に観測できます。使いやすさを謳った、さまざまな「スペクトラム解析」パッケージが各メーカから提供されていますが、いずれも上記のような制約があります。優れた操作性と、両方のドメインでの同時観測を両立しているのはSpectrum Viewだけです。

デモを見る:Spectrum Viewによる、複数チャンネルでのスペクトラム解析
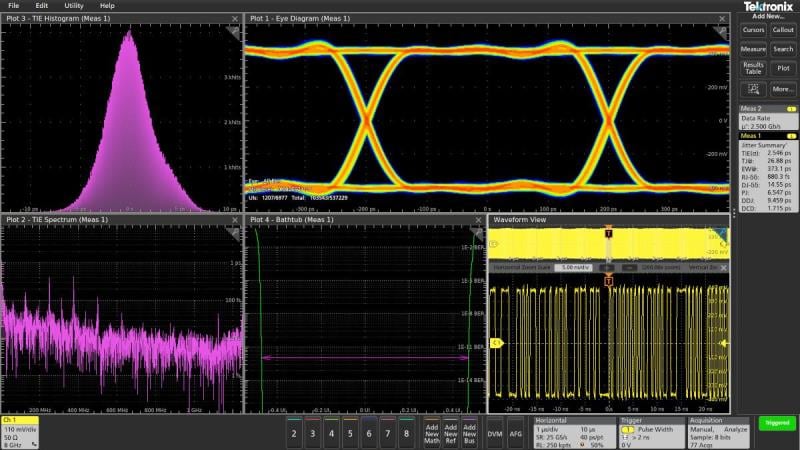
2. 拡張ジッタ解析による、クロック信号品質の迅速な特性評価
6シリーズB MSOは、DPOJET Essentialsジッタ/アイ・パターン解析ソフトウェアとシームレスに統合しており、オシロスコープによる測定機能を強化し、連続クロック、データ・サイクルをシングルショットのリアルタイム取込みで測定することができます。これにより、タイム・インターバル・エラーや位相ノイズなど、重要なジッタ/タイミング解析パラメータが測定でき、システム・タイミング問題の特性評価に役立ちます。
タイム・トレンドやヒストグラムなどの解析ツールにより、時間とともに変化するタイミング・パラメータの変化がすばやく表示されます。さらに、スペクトラム解析により、ジッタや変調ソースの正確な周波数、振幅がすばやく表示されます。
Opt. 6-DJAは、デバイスの詳細な性能評価に役立つジッタ解析機能を追加します。31種類の測定項目が追加されており、総合的なジッタ/アイ・ダイアグラム解析とジッタ分離アルゴリズムにより、今日の高速シリアル、デジタル/通信システム設計におけるシグナル・インテグリティの問題検出が容易になります。Opt. 6-DJAはアイ・ダイアグラム・マスク・テスト機能も備えており、合否の自動テストも行えます。

デモを見る: 6シリーズB MSOによる高速シリアル/ジッタ・テスト
3. 拡張パワー解析による、迅速、再現性に優れた電源測定
6シリーズB MSOは、オシロスコープの自動測定に統合されたOpt. 6-PWRパワー解析パッケージも搭載可能で、電源品質、インラッシュ電流、高調波、スイッチング損失、SOA(安全動作領域)、リップル、磁気測定、効率、制御ループ応答(ボード線図)、PSRR(電源電圧変動除去比)の、迅速で、再現性に優れた解析が行えます。
外付け電源、または複雑なソフトウェアのセットアップが不要であり、簡単なボタン操作の自動測定で、迅速、再現性のある測定が可能になります。

デモを見る:電源のボード線図/解制御ループ応答の測定
4. 変調信号のためのベクトル・シグナル解析
6シリーズB MSOと解析ソフトウェアを組み合せることで、4チャンネル、10GHz帯域、または8チャンネル、5GHz帯域の、コスト効率に優れた、ミッドレンジ性能のマルチチャンネル、マルチドメインのベクトル・シグナル解析(VSA)ソリューションが可能になります。
基本的なスペクトラム、振幅、周波数、位相対時間以外の解析が必要な場合は、SignalVu PCベクトル・シグナル解析アプリケーションが利用できます。このアプリケーションを使用することで、トランジェントRF信号の詳細な解析、RFパルスの詳細な特性評価、包括的なアナログおよびデジタルRF変調の解析が可能になります。
例えば、テクトロニクスのミックスド・シグナル・オシロスコープ・ベースの5G New Radioテストへのアプローチは、各チャンネルに搭載された専用のデジタル・ダウンコンバータとSignalVu PC VSAソフトウェアにより、従来のFFTベースのオシロスコープの技術的制約によりRFエンジニアがこれまで考えられなかった5G NRデザインの検証への新しいアプローチとなります。

デモを見る: 5G New Radioのベクトル・シグナル解析
詳細については、当社Webサイトをご覧ください。6シリーズB MSOのデータ・シートもダウンロードできます。
