| Signal Fidelity and Measurement Accuracy* | |
|
Tektronix MSO/DPO5000B ✔ 2 GHz bandwidth ✔ 10 GS/s max sampling rate ✔ 1 GHz, 3.9 pF standard probe on 1 GHz and 2 GHz models ![]() |
Agilent MSO/DSO-X 4000A Series ✗ 1.5 GHz bandwidth ✗ 5 GS/s max sampling rate ✗ 700 MHz, 9.5 pF standard probe ![]() |

| Waveform Capture Rate | |
|
Tektronix MSO/DPO5000B ✔ >250K waveforms per sec ✔ Color graded persistence display ✔ Single button activation ![]() |
Agilent X 4000A Series ✔ >1,000 K waveforms per sec ✗ Single color persistence display only in “Run” mode ✔ Default always on ![]() |
| Measurements | |
|
Tektronix MSO/DPO5000B ✔ Two multipurpose controls for convenient cursor contro ✔ Automated measurements can be gated by cursors or by any of the 4 zooms ✔ Automatic measurements based on signal data values |
Agilent X 4000A Series ✗ Single, multiplexed cursor control ✔ Automated measurements can be gated by zoom or cursors ✗ Automatic measurements based on displayed data points |
| Graphical Triggering | |
|
Tektronix MSO/DPO5000B ✔ Visual Trigger is standard and is integrated into the trigger setup interface ✔ Up to 8 user-definable regions ✔ Visual Trigger areas can be associated with any of the analog channels ✔ Visual Trigger areas can be moved, resized, and shapes can be modified ✔ Visual Trigger setup can be horizontally scaled and used with search ![]() |
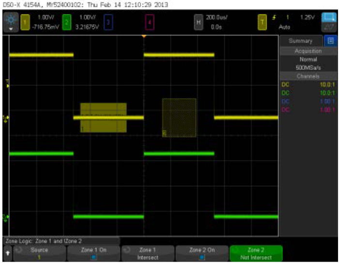
Agilent X 4000A Series ✔ Zone triggering is standard and has a separate front panel button user interface ✗ Limited to 2 rectangular zones max. ✗ Limited to a single analog channel ✗ Zones can be moved, but not resized, and shape can’t be modified ✗ Zone triggering can’t be horizontally scaled significantly and doesn’t work with search ![]() |
| Automated Search | |
|
Tektronix MSO/DPO5000B ✔ Simultaneously search for up to 8 different events ✔ Search on variety of digital features including Setup/Hold, Logic, serial or parallel buses ✔ Search based on signal data values, reliably finding specified events (see below, finding 3 runts and 3 glitches) ![]() |
Agilent X 4000A Series ✗ Search for a single event at a time ✗ Limited search capabilities – no Setup/Hold, Logic, or parallel bus. ✗ Search based on displayed data points and does not reliably find events (see example, showing “>=0 events found”) ![]() |
| Digital Channels | |
|
Tektronix MSO5000B ✔ Record lengths up to 40 Mpoints, even with analog channels on. ✔ Channel-to-channel skew 500 ps typical. ✔ MagniVu extends digital channel timing resolution down to 60.6 ps. ✔ Bus waveforms can be moved within the display. Up to 16 buses. ✔ Event table for parallel bus decode. ![]() |
Agilent MSO-X 4000A Series ✗ Maximum record length 2 Mpoints with no analog channels on, reduced with analog channels on. ✗ Channel-to-channel skew 2 ns typical. ✗ Digital channel sample rate of 1.25 GS/s gives 800 ps timing resolution. ✗ Bus waveforms anchored to bottom of the display. ✗ No event table for parallel bus decode. ![]() |








