
Contact us
Call
Call us at
Available 6:00 AM – 5:00 PM (PST) Business Days
Download
Download Manuals, Datasheets, Software and more:
Feedback
PSPL5589 2.8 GHz High Current Bias Tee Datasheet
PSPL5589 Datasheet
The products on this datasheet are no longer being sold by Tektronix.
View Tektronix Encore for reconditioned test equipment.
Check support and warranty status for these products.

PSPL5589 Datasheet
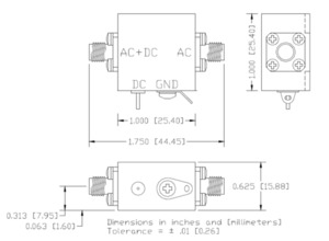
The PSPL5589 High Current Bias Tee is intended for frequency domain, high current applications. Unlike most high current bias tees that typically are specified for only an octave band, this bias tee can typically cover a decade. The DC input is a solder terminal feed-thru capacitor.
Key performance specifications
- 0.3 GHz to 2.8 GHz
- 100 V, 7 A
Typical performance

Insertion Loss, S21. 0.5 dB/div, top line is the 0 dB reference.

Return Loss, S11. 5 dB/div, top line is the 0 dB reference.
Specifications
| Parameter | Symbol | Units | Minimum | Typical | Maximum | Comments |
|---|---|---|---|---|---|---|
| Impedance | Z | ohms | 50 | |||
| Frequency range | f | GHz | 0.3 to 2.8 0.45 to 2.6 | IL 10 dB IL 15 dB | ||
| Insertion loss | S21 | dB | 0.05 | At 1.5 GHz | ||
| Input (AC), Return loss | S11 | dB | >25 | Mid band, AC port | ||
| DC voltage | V | V | 100 | |||
| DC current | I | A | 7 | |||
| Capacitance (bypass) | C | nF | 22 | |||
| Capacitance | C | nF | 1 | |||
| Inductance | L | nH | 51 | |||
| Resistance | R | ohms | 0.015 | |||
| RF power | P | W | 100 | Average power | ||
| Isolation | S13 | dB | >50 | |||
| DC path bandwidth | fc,DC | kHz | 275 | |||
| Temperature | T | °C | -55 | +125 | Storage and operating | |
| RF connectors | SMA jacks (f) | |||||
| DC connector | Solder pin | |||||
| Warranty | One year | |||||
Ordering information
Models
- PSPL5589
- BIAS TEE, 0.3-2.86 GHz, 100 V, 7 A

