Application bundles are a great alternative to purchasing individual options, especially if you plan to address diverse applications with your oscilloscope. Compared to individual options, these specially designed bundles:
- Offer better value with more functions at a much lower cost than equivalent individual options
- Make it cost-effective to purchase capabilities to cover future needs or needs across engineering teams
- Include the most frequently combined options for key applications and industries
- Provide flexibility to adjust year-to-year with lower cost 1-year subscriptions
Three Levels of Application Bundles
Starter Bundle
| These bundles add capabilities that almost all engineers need for embedded systems design. |
| 4, 5 or 6 Series MSOs equipped with a Starter Bundle (for example, 4-STARTER-PER) will be able to decode and trigger on I2 C, SPI, RS232/422/485/UART bus activity as well as power measurements and analysis. Includes an integrated arbitrary/function generator with 13 predefined functions and arbitrary waveforms. This is equivalent to adding -AFG, -SRCOMP, -SREMBD and -PWR options. |
Pro Bundles
| Specially designed to empower engineers in particular applications and industries.See pages 4 through 9 for details on specific bundles | |||||
| Any Pro Bundle includes the capabilities enabled with the Starter Bundle + Extended record length to help you take better advantage of advanced analysis capabilities. | |||||
| Serial Decode (4, 5, 6 Series) | Power (4, 5, 6 Series) | Signal Integrity (5, 6 Series) | Standards Compliance (5, 6 Series) | Automotive (4, 5, 6 Series) | Aerospace (4, 5, 6 Series) |
| A comprehensive kit of serial protocol support for embedded systems. Eliminates the need to decode by hand. | Automates a wide range of power measurements – from the AC line to point of load. | Essential tools for engineers analyzing jitter and signal integrity of highspeed clocks and data lines. | Comprehensive test automation with full instrument control and reporting for testing to the leading serial standards. | For ECU designers – decoding for automotive protocols, and automated compliance testing for key communications standards. | Serial bus decoding for key aerospace protocols and mask testing for testing unique signals. |
Ultimate Bundle
| Everything listed above for the most capabilities and highest savings. |
| All of the capabilities of the Starter Bundle + All capabilties of ALL Pro Bundles. |
| Spectrum View RF vs. time waveforms + Extended Spectrum View capture bandwidth. Video triggering. Maximum available record length for the 5 and 6 Series MSOs. |
LICENSE CHOICES TO FIT YOUR NEEDS
| 1-year time-based License | This low-cost alternative lets you use the software for 1 year. Software updates and support are included. When the license expires a new license may be purchased. |
| Perpetual License | Use the software indefinitely. The license does not expire and includes updates/support for the first 12-months. |
| Maintenance License | Maintenance licences may be added to a perpetual license and extends the period of support of an original perpetual license for 12 months. |
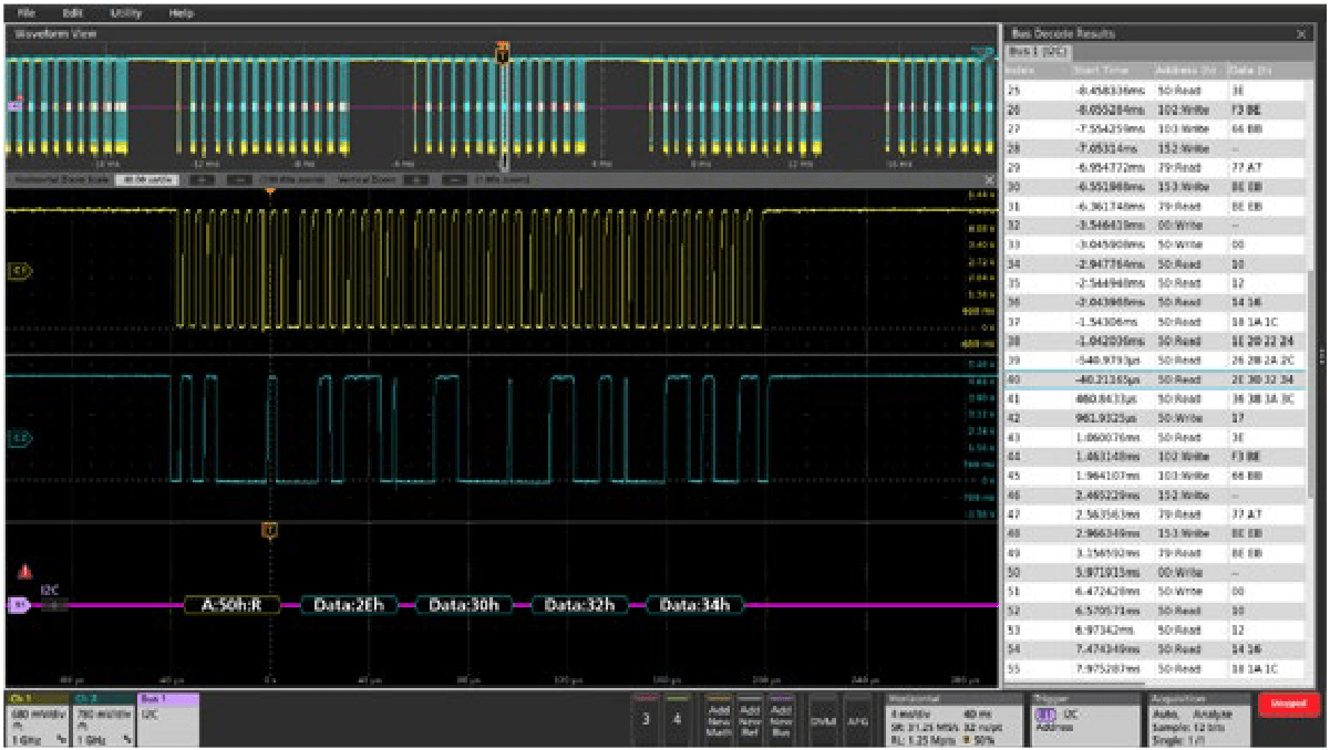
Pro Bundle | SERIAL DECODE
A comprehensive kit of serial protocol support for embedded systems. These options automate bus decoding, eliminating the chore of hand decoding. Search capability makes it easy to zero in on specific bus activity.

| Included | Description | 4 Series MSO | 5 Series MSO | 6 Series MSO |
| Starter Bundle | Embedded serial decode/trigger and integrated AFG (See page 3 for details.) | ✔ | ✔ | ✔ |
| 4-RL-1 | Extend record length to 62.5 million sample points per channel | ✔ | ||
| 5-RL-125M | Extend record length to 125 million sample points per channel | ✔ | ||
| 6-RL-2 | Extend record length to 250 million sample points per channel | ✔ | ||
| PWR | Advanced power measurements and analysis (includes PSRR, control loop analysis & impedance measurement) | ✔ | ✔ | ✔ |
| RFNFC | NFC serial decoding and analysis | ✔ | ✔ | ✔ |
| SR8B10B | 8B10B serial decoding and analysis | ✔ | ✔ | |
| SRAERO | Aerospace serial bus triggering and analysis (MIL-STD-1553, ARNIC 429) | ✔ | ✔ | ✔ |
| SRAUDIO | Audio serial triggering and analysis (I2S, LJ, RJ, TDM) | ✔ | ✔ | ✔ |
| SRAUTO | Automotive serial triggering and analysis (CAN, CAN FD, CAN XL, LIN, FlexRay) | ✔ | ✔ | ✔ |
| SRAUTOEN1 | 100BASE-T1 protocol decode and analysis | ✔ | ✔ | |
| SRAUTOSEN | SENT serial decoding and analysis | ✔ | ✔ | ✔ |
| SRCPHY | MIPI C-PHY X.X (CSI-2/DSI-2) serial decoding and analysis | ✔ | ✔ | |
| SRCXPI | CXPI serial decoding and analysis | ✔ | ✔ | ✔ |
| SRDHPY | MIPI D-PHY 1.2 (CSI/DSI) decoding and analysis | ✔ | ✔ | |
| SRENET | Ethernet serial triggering and analysis (10BASE-T, 100BASE-T) | ✔ | ✔ | ✔ |
| SRESPI | eSPI serial decoding and analysis | ✔ | ✔ | ✔ |
| SRETHERCAT | EtherCAT serial decoding and analysis | ✔ | ✔ | ✔ |
| SREUSB2 | eUSB 2.0 serial decoding and analysis | ✔ | ✔ | ✔ |
| SRI3C | I3C serial decoding and analysis | ✔ | ✔ | ✔ |
| SRMANCH | Manchester serial decoding and analysis | ✔ | ✔ | ✔ |
| SRMDIO | MDIO serial decoding and analysis | ✔ | ✔ | ✔ |
| SRNRZ | NRZ serial decoding and analysis | ✔ | ✔ | ✔ |
| SRONEWIRE | 1-Wire serial decoding and analysis | ✔ | ✔ | ✔ |
| SRPM | Power Management serial triggering and analysis (SPMI) | ✔ | ✔ | ✔ |
| SRPSI5 | PSI5 serial decoding and analysis | ✔ | ✔ | ✔ |
| SRSDLC | SDLC Serial decoding and analysis | ✔ | ✔ | ✔ |
| SRSMBUS | SMBus serial decoding and analysis | ✔ | ✔ | ✔ |
| SRSPACEWIRE | Spacewire serial decoding and analysis | ✔ | ✔ | ✔ |
| SRSVID | SVID analysis | ✔ | ✔ | ✔ |
| SRUSB2 | USB 2.0 serial triggering and analysis (LS, FS, HS) | ✔ | ✔ | ✔ |
| SRUSB3 | USB 3.0 serial decode and analysis (USB 3.0) | ✔ | ||
| 1 YR Licenses | 4-PRO-SERIAL-1Y | 5-PRO-SERIAL-1Y | 6-PRO-SERIAL-1Y | |
| Perpetual Licences | 4-PRO-SERIAL-PER | 5-PRO-SERIAL-PER | 6-PRO-SERIAL-PER | |
Pro Bundle | POWER
Automates a wide range of power measurements - from the AC line to point of load. Also includes decoding for popular power management buses.


| Included | Description | 4 Series MSO | 5 Series MSO | 6 Series MSO |
| Starter Bundle | Embedded serial decode/trigger and integrated AFG (See page 3 for details.) | ✔ | ✔ | ✔ |
| 4-RL-1 | Extend record length to 62.5 million sample points per channel | ✔ | ||
| 5-RL-125M | Extend record length to 125 million sample points per channel | ✔ | ||
| 6-RL-2 | Extend record length to 250 million sample points per channel | ✔ | ||
| 3PHASE | 3-Phase power analysis | ✔ | ||
| DPM | Digital power management and analysis | ✔ | ✔ | |
| IMDA | 3-Phase inverters, motors and drives analysis | ✔ | ✔ | |
| IMDADQ0 | DQ0 measurements for IMDA | ✔ | ✔ | |
| IMDA-MECH | Mechanical measurements for IMDA | ✔ | ✔ | |
| PWR | Advanced power measurements and analysis (includes PSRR, control loop analysis & impedence measurement) | ✔ | ✔ | ✔ |
| SRPM | SPMI serial bus triggering and analysis | ✔ | ✔ | ✔ |
| SRSVID | SVID serial bus analysis | ✔ | ✔ | ✔ |
| WBG-DPT | Wide bandgap SiC/GaN double pulse test measurements | ✔ | ✔ | ✔ |
| 1 YR Licenses | 4-PRO-POWER-1Y | 5-PRO-POWER-1Y | 6-PRO-POWER-1Y | |
| Perpetual Licences | 4-PRO-POWER-PER | 5-PRO-POWER-PER | 6-PRO-POWER-PER | |
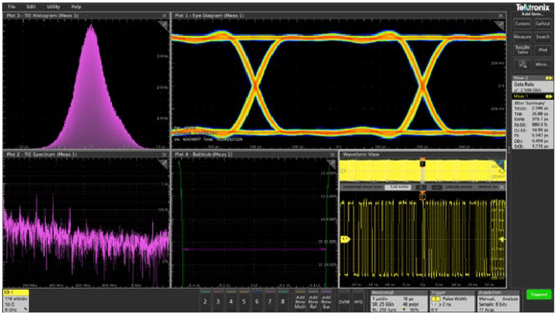
Pro Bundle | SIGNAL INTEGRITY
Essential tools for engineers validating and troubleshooting high-speed clocks and data lines. Quickly measure and deconstruct jitter. Automatically evaluate signal shapes and measurement limits with mask and limit testing.


| Included | Description | 5 Series MSO | 6 Series MSO |
| Starter Bundle | Embedded serial decode/trigger and integrated AFG (See page 3 for details.) | ✔ | ✔ |
| 5-RL-125M | Extend record length to 125 million sample points per channel | ✔ | |
| 6-RL-2 | Extend record length to 250 million sample points per channel | ✔ | |
| DBDDR3 | DDR3/LPDDR3 analysis and debug solution | ✔ | |
| DBLVDS | Automated LVDS test solution* | ✔ | ✔ |
| DJA | Advanced jitter analysis | ✔ | ✔ |
| MTM | Mask and limit testing | ✔ | ✔ |
| PAM3 | PAM3 signal analysis* | ✔ | ✔ |
| PWR | Advanced power measurements and analysis (includes PSRR, control loop analysis & impedance measurement) | ✔ | ✔ |
| TDR | Time domain reflectometry (TDR) measurements and analysis | ✔ | ✔ |
| UDFLT | User-defined filter creation tool | ✔ | ✔ |
| 1 YR Licenses | 5-PRO-SIGNAL-1Y | 6-PRO-SIGNAL-1Y | |
| Perpetual Licences | 5-PRO-SIGNAL-PER | 6-PRO-SIGNAL-PER | |
Pro Bundle | STANDARDS COMPLIANCE
Includes all currently available compliance options for your Windows® -equipped 5 or 6 Series MSO. All standards use the TekExpress engine for flexible configuration, full instrument control, informative prompts and comprehensive reporting.

| Included | Description | 5 Series MSO | 6 Series MSO |
| Starter Bundle | Embedded serial decode/trigger and integrated AFG (See page 3 for details.) | ✔ | ✔ |
| 5-RL-125M | Extend record length to 125 million sample points per channel | ✔ | |
| 6-RL-2 | Extend record length to 250 million sample points per channel | ✔ | |
| CMCPHY20 | MIPI C-PHY 2.0 TX compliance testing (requires Opt. DJA)* | ✔ | |
| CMDPHY21 | MIPI D-PHY 2.1 conformance testing (requires Opt. DJA)* | ✔ | |
| CMENET | Ethernet (10/100/1000BASE-T) compliance testing* | ✔ | ✔ |
| CMENETML | Multilane Ethernet option for CMENET (10/100/1000BASE-T)* | ✔ | ✔ |
| CMINDUEN10 | Industrial Ethernet (10BASE-T1L Long reach) automated compliance testing* | ✔ | ✔ |
| CMUSB2 | USB2 automated compliance testing* | ✔ | ✔ |
| CMDDR3 | DDR3 automated compliance testing* | ✔ | |
| CMDHPY | D-PHY-Tx 1.2 automated compliance testing* | ✔ | |
| CMNBASET | NBASE-T automated compliance testing* | ✔ | |
| CMXGBT | XGbT automated compliance testing* | ✔ | |
| DBDDR3 | DDR3/LPDDR3 analysis and debug* | ✔ | |
| DJA | Advanced jitter analysis | ✔ | ✔ |
| PWR | Advanced power measurements and analysis (includes PSRR, control loop analysis & impedance measurement) | ✔ | ✔ |
| 1 YR Licenses | 5-PRO-COMPL-1Y | 6-PRO-COMPL-1Y | |
| Perpetual Licences | 5-PRO-COMPL-PER | 6-PRO-COMPL-PER | |
Pro Bundle | AUTOMOTIVE
Especially for ECU designers, this bundle provides outstanding system visibility for validations and troubleshooting. It includes support for important automotive protocols, and serial standards compliance testing and debugging.


| Included | Description | 4 Series MSO | 5 Series MSO | 6 Series MSO |
| Starter Bundle | Embedded serial decode/trigger and integrated AFG (See page 3 for details.) | ✔ | ✔ | ✔ |
| 4-RL-1 | Extend record length to 62.5 million sample points per channel | ✔ | ||
| 5-RL-125M | Extend record length to 125 million sample points per channel | ✔ | ||
| 6-RL-2 | Extend record length to 250 million sample points per channel | ✔ | ||
| AUTOEN-SS | Signal separation for 100/1000BASE-T1 signals* | ✔ | ✔ | |
| CMAUTOEN | Automotive Ethernet (100/1000BASE-T1) automated compliance testing* | ✔ | ✔ | |
| CMAUTOEN10 | Automotive Ethernet (10BASE-T1S Short Reach ) automated compliance testing* | ✔ | ✔ | |
| CMAUTOEN10G | Multi-Gigabit Ethernet (2.5G/5GBASE-T1) automated compliance testing* | ✔ | ||
| CMDPHY | D-PHY-Tx 1.2 automated compliance testing* | ✔ | ||
| CMDPHY21 | MIPI D-PHY 2.1 conformance testing | ✔ | ||
| DJA | Advanced jitter analysis | ✔ | ✔ | |
| IMDA | 3-phase inverters, motors and drives analysis | ✔ | ✔ | |
| IMDA-DQO | DQ0 measurements for IMDA | ✔ | ✔ | |
| IMDA-MECH | Mechanical measurements for IMDA | ✔ | ✔ | |
| PAM3 | PAM3 signal analysis* | ✔ | ✔ | |
| PWR | Advanced power measurements and analysis (includes PSRR, control loop analysis & impedance measurement) | ✔ | ✔ | ✔ |
| SRAUTO | Automotive serial decoding, triggering and analysis (CAN, CAN FD, CAN XL, LIN, FlexRay) | ✔ | ✔ | ✔ |
| SRAUTOEN1 | 100BASE-T1 protocol decode and analysis | ✔ | ✔ | |
| SRAUTOSEN | SENT serial decoding and analysis | ✔ | ✔ | ✔ |
| SRCXPI | CXPI serial decoding and analysis | ✔ | ✔ | ✔ |
| SRI3C | I3C serial decoding and analysis | ✔ | ✔ | ✔ |
| SRPSI5 | PSI5 serial decoding and analysis | ✔ | ✔ | ✔ |
| WBG-DPT | Wide bandgap SiC/GaN double pulse test measurements | ✔ | ✔ | ✔ |
| 1 YR Licenses | 4-PRO-AUTO-1Y | 5-PRO-AUTO-1Y | 6-PRO-AUTO-1Y | |
| Perpetual Licences | 4-PRO-AUTO-PER | 5-PRO-AUTO-PER | 6-PRO-AUTO-PER | |
Pro Bundle | AEROSPACE
Includes serial bus decoding for protocols used in the aerospace industry, as well as support for generic encoding schemes such as NRZ and Manchester. Mask and limit testing make it easy to automate testing of unique signals.

| Included | Description | 4 Series MSO | 5 Series MSO | 6 Series MSO |
| Starter Bundle | Embedded serial decode/trigger and integrated AFG (See page 3 for details.) | ✔ | ✔ | ✔ |
| 4-RL-1 | Extend record length to 62.5 million sample points per channel | ✔ | ||
| 5-RL-125M | Extend record length to 125 million sample points per channel | ✔ | ||
| 6-RL-2 | Extend record length to 250 million sample points per channel | ✔ | ||
| DJA | Advanced jitter analysis | ✔ | ✔ | |
| PWR | Advanced power measurements and analysis (includes PSRR, control loop analysis & impedance measurement) | ✔ | ✔ | ✔ |
| MTM | Mask and limit testing | ✔ | ✔ | ✔ |
| SRMANCH | Manchester serial decoding and analysis | ✔ | ✔ | ✔ |
| SRAERO | Aerospace serial bus triggering and analysis (MIL-STD-1553, ARINC 429) | ✔ | ✔ | ✔ |
| SRNRZ | NRZ serial decoding and analysis | ✔ | ✔ | ✔ |
| SRSPACEWIRE | SpaceWire serial bus decoding and analysis | ✔ | ✔ | ✔ |
| 1 YR Licenses | 4-PRO-MILGOV-1Y | 5-PRO-MILGOV-1Y | 6-PRO-MILGOV-1Y | |
| Perpetual Licences | 4-PRO-MILGOV-PER | 5-PRO-MILGOV-PER | 6-PRO-MILGOV-PER | |
Ultimate Bundle
The Ultimate Bundle offers the most capabilities and the highest savings in a single package.

It includes:
- All the capabilities of the Starter Bundle, including embedded serial decode/trigger and integrated AFG
- All the capabilities of ALL Pro Bundles
- Increased record length on the 5 and 6 Series MSOs, – 500 Mpoints on the 5 Series MSO or 1 Gpoints on the 6 Series MSO.
- Wideband, synchronized spectrum analysis
- Spectrum View RF vs. time waveforms and triggering
- Expanded spectrum capture bandwidth
- Video triggering
| Included | Description | 4 Series MSO | 5 Series MSO | 6 Series MSO |
| Starter Bundle | 4, 5 or 6 Series MSOs equipped with a Starter Bundle will be able to decode and trigger on I2C, SPI, RS232/422/485/UART bus activity. An integrated arbitrary/function generator with 13 predefined functions and arbitrary waveforms are included. | ✔ | ✔ | ✔ |
| ALL Pro Bundles | Serial Decode | ✔ | ✔ | ✔ |
| Power | ✔ | ✔ | ✔ | |
| Signal Integrity | ✔ | ✔ | ||
| Standards Compliance | ✔ | ✔ | ||
| Automotive | ✔ | ✔ | ✔ | |
| Aerospace | ✔ | ✔ | ✔ | |
| These Addional Features | Spectrum View RF vs Time waveforms and triggering | ✔ | ✔ | ✔ |
| Extended Spectrum View capture bandwidth | ✔ | ✔ | ✔ | |
| Video triggering | ✔ | ✔ | ✔ | |
| Extend record length to 500 Mpoints per channel | ✔ | |||
| Extend record length to 1 Gpoints per channel | ✔ | |||
| 1 YR Licenses | 4-ULTIMATE-1Y | 5-ULTIMATE-1Y | 6-ULTIMATE-1Y | |
| Perpetual Licences | 4-ULTIMATE-PER | 5-ULTIMATE-PER | 6-ULTIMATE-PER | |
For more information, pricing, and to determine which Application Bundle is right for your needs please contact your local Tektronix account manager.
Find more valuable resources at TEK.COM
Copyright © Tektronix. All rights reserved. Tektronix products are covered by U.S. and foreign patents, issued and pending. Information in this publication supersedes that in all previously published material. Specification and price change privileges reserved. TEKTRONIX and TEK are registered trademarks of Tektronix, Inc. All other trade names referenced are the service marks, trademarks or registered trademarks of their respective companies.
3/2024 48W-73761-8

