Contactez-nous
Chat en direct avec un représentant Tek. Service disponible de 9 h à 17 h, CET jours ouvrables.
Appelez-nous au
Disponible de 9 h à 17 h CET jours ouvrables.
Télécharger
Télécharger des manuels, des fiches techniques, des logiciels, etc. :
Feedback
Spectrum View : nouvelle approche d'analyse spectrale avec un oscilloscope
NOUVEAUX OSCILLOSCOPES MULTI-DOMAINES
Analyse corrélée et simultanée des domaines temporel, numérique et RF
200 MHz à 8 GHz -12 bits.

4 Series MSO
- 200MHz à 1.5 GHz / 12 bits
- Corrélation Multi-domaines
- 2 à 6 x voies analogiques
- 8 à 48 x voies digitales
- 2 to 6 x voies RF

5 Series MSO
- 350 MHz à 1.5 GHz / 12 bits
- Corrélation Multi-domaines
- 4 à 8 x voies analogiques
- 8 à 64 x voies digitales
- 4 à 8 x voies RF

6 Series MSO
- 1GHz à 8 GHz / 12 bits
- Corrélation Multi-domaines
- 4 x voies analogiques
- 8 à 32 x voies digitales
- 4 x voies RF

Le débogage des systèmes embarqués implique souvent la recherche d’évènements difficiles à identifier en examinant simplement les signaux dans les domaines temporels ou fréquentiels. L’analyse de leur évolution simultanée dans ces deux domaines peut cependant fournir des informations pertinentes. L'analyse multi-domaine est particulièrement utile lorsqu’il s’agit par exemple de résoudre les problématiques suivantes :
• Comment évolue la tension de ma ligne d’alimentation lors de la transmission sans fil de données ?
- D'où proviennent les perturbations à chaque accès mémoire ?
- Combien de temps faut-il à ma boucle de verrouillage de phase (PLL) pour se stabiliser après une mise sous tension ?
L'analyse multi-domaine peut permettre de répondre à de telles questions en offrant la possibilité de visualiser de façon synchronisée la forme d'onde dans le domaine temporel et le spectre des signaux. Jusqu'à récemment, l'oscilloscope multi-domaine MDO4000C de Tektronix était le seul oscilloscope capable de réaliser une analyse synchronisée des signaux dans les domaines temporels et fréquentiels en permettant le contrôle indépendant de l’affichage des formes d'onde et des spectres.
Pour permettre l’analyse multi-domaine des signaux, les oscilloscopes à signaux mixtes MSO des Séries 4, 5 et 6 proposent l’outil d'analyse Spectrum View. Disponible en option sur les MSO Série 4, cette fonction est intégrée en standard sur les MSO Séries 5 et 6. Elle présente plusieurs atouts :
- Utilisation des commandes familières d’un analyseur de spectre (fréquence centrale, excursion de fréquence ou span, RBW ou largeur de bande de résolution)
- Optimisation indépendante de l’affichage dans les domaines temporels et fréquentiels
- Visualisation de la forme d'onde d’un signal ainsi que de son spectre sans se connecter sur deux entrées distinctes
- Corrélation précise des événements survenant dans le domaine temporel et les mesures du domaine fréquentiel (et vice versa)
- Amélioration considérable de la résolution fréquentielle
- Augmentation du taux de rafraîchissement de l'affichage du spectre

FIGURE 1. Spectrum View permet d'afficher simultanément les formes d’onde analogiques ainsi que le spectre des signaux en ajustant indépendamment les paramètres de visualisation dans chaque domaine.
Une nouvelle architecture
Spectrum View met en œuvre une architecture matérielle brevetée intégrée aux instruments. Pour comprendre son fonctionnement, il est important de noter que les convertisseurs analogiques-numériques (CAN) des oscilloscopes numériques opèrent généralement à leur fréquence d'échantillonnage maximale. Le flux d'échantillons est ensuite transmis à un décimateur qui conserve seulement une partie d’entre eux. Aux vitesses d’acquisition les plus rapides, tous les échantillons sont néanmoins conservés. Aux vitesses moins élevées, on part du principe que l'utilisateur ne s’intéresse qu’aux signaux les plus lents. Dans ce cas, seule est conservée une fraction des échantillons du signal numérisé par le convertisseur analogique-numérique. Le but du décimateur est d’utiliser la plus faible longueur d'enregistrement possible à un taux d'échantillonnage approprié à la visualisation dans le domaine temporel des signaux étudiés.
A chacune des entrées FlexChannel des MSO Séries 4, 5 et 6 est associée un convertisseur analogique-numérique de 12 bits de résolution intégré sur un circuit ASIC personnalisé. Comme le montre la figure 2, chaque convertisseur transmet par deux chemins les données numérisées à haute vitesse. L'un de ces chemins conduit à des décimateurs matériels qui déterminent la cadence à laquelle les échantillons du domaine temporel sont stockés. La seconde voie mène à des convertisseurs de fréquence numériques également intégrés sur l’ASIC. Cette approche permet de contrôler de façon indépendante les acquisitions dans les domaines temporels et fréquentiels. Ce qui permet d'optimiser l’affichage à la fois de la forme d'onde et du spectre d'un signal donné. De plus, l’utilisation de la profondeur mémoire d'enregistrement, qui est importante mais néanmoins limitée comme pour tout oscilloscope, est ainsi beaucoup plus efficace.

FIGURE 2. Les convertisseurs de fréquence numériques (downconverters) implémentés sur un circuit ASIC personnalisé intégré aux MSO des séries 4, 5 et 6 de Tektronix permettent la visualisation simultanée des formes d'onde et du spectre des signaux avec la possibilité de les ajuster indépendamment.

FIGURE 3. Lorsque le domaine temporel est optimisé pour un traitement FFT classique, certains détails font défaut pour l’analyse spectrale d’un tel signal d'horloge à spectre étalé.

FIGURE 4. Lorsque l’affichage de la FFT du signal horloge est optimal, l’affichage de sa forme d’onde dans le domaine temporel n'est plus exploitable.
Fonction Spectrum View avec contrôles indépendants comparée à une FFT classique
Les analyseurs de spectre sont conçus spécifiquement pour la visualisation des signaux dans le domaine fréquentiel. Ils ne sont cependant pas toujours facilement disponibles dans un laboratoire. Les ingénieurs ont, en revanche, presque toujours un oscilloscope à portée de main. De ce fait, ils s’en servent autant que possible. C'est pourquoi les oscilloscopes proposent depuis des décennies des fonctions d’analyse FFT (transformée de Fourier rapide). La difficulté de mettre en œuvre une analyse FFT est cependant notoirement connue. Et cela pour deux principales raisons.
Premièrement, pour effectuer l'analyse d’un signal dans le domaine fréquentiel, il est aisé avec un analyseur de spectre de définir le spectre d'intérêt en ajustant les paramètres tels que la fréquence centrale, l’excursion de fréquence (span) et la largeur de bande de résolution (RBW). Alors que dans la plupart des cas, avec un oscilloscope, une FFT ne peut être configurée que via les contrôles traditionnels tels que le taux d'échantillonnage, la longueur d'enregistrement et la base de temps. Il est donc difficile d’obtenir l’affichage spectral souhaité.
Deuxièmement, même si l’oscilloscope propose des fonctions de contrôle semblables à celles d’un analyseur de spectre, la FFT est pilotée par le même système d'acquisition qui gère l’affichage du signal analogique dans le domaine temporel. La modification de la fréquence centrale, de l’excursion de fréquence (span) et de la largeur de bande de résolution (RBW) modifiera de manière imprévue et indésirable l'échelle horizontale, la fréquence d'échantillonnage et la longueur d'enregistrement de l’oscilloscope. Une fois que le spectre du signal souhaité est affiché, l’affichage des formes d’ondes des autres signaux dans le domaine temporel n'est plus possible.
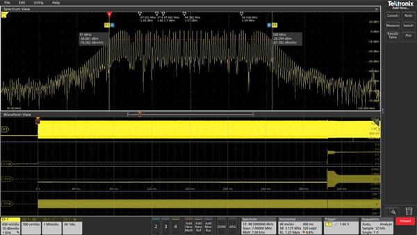
Lorsque l’on modifie l'échelle horizontale, la fréquence d'échantillonnage ou la longueur d'enregistrement pour obtenir à nouveau la vue souhaitée dans le domaine temporel, la vue FFT n'est plus utilisable. Les deux captures d'écran suivantes, prises avec un MDO3000, montrent par exemple les affichages de la forme d’onde dans le domaine temporel ainsi que la FFT du signal d'une horloge à spectre étalé de 97 MHz à 100 MHz. Sur la figure 3, la vue dans le domaine temporel permet de visualiser aisément le signal d'horloge, mais la FFT ne présente pas une résolution suffisante pour être exploitée.


Spectrum View permet d'ajuster le domaine fréquentiel en utilisant des paramètres familiers telles que la fréquence centrale, l’excursion de fréquence (span) et la largeur de bande de résolution (RBW).
Le réglage de ces paramètres n'interagissant pas avec la mise à l'échelle temporelle, il est ainsi possible, comme le montre la figure 5, d'optimiser les deux affichages indépendamment.
Temps Spectral
Un indicateur à l'écran intitulé Temps Spectral est utilisé dans la fenêtre Spectrum View pour indiquer où se situe le spectre affiché dans le domaine temporel. La largeur de l'indicateur de Temps Spectral est simplement le facteur de fenêtre divisé par la largeur de bande de résolution (voir l'annexe pour plus d'informations sur les facteurs de fenêtre). Vous pouvez déplacer l’indicateur de Temps Spectral tout au long de l'acquisition pour visualiser comment le spectre fréquentiel évolue au fil du temps. Il est même possible de réaliser cette exploration sur une acquisition figée.
Sur les figures 6 à 9, nous avons capturé la séquence de démarrage de l'horloge à spectre étalé évoquée précédemment. L'indicateur de Temps Spectral apparaît très étroit sur les captures d'écran. Il est donc mis en évidence par un carré rouge afin de guider l’utilisateur. Dans ce cas, le Temps Spectral est de 1,9 (facteur de fenêtre) / 10 000 (RBW), soit une largeur de 190 µs.

FIGURE 5. En observant le même signal d'horloge à spectre étalé que celui représenté sur les figures 3 et 4, Spectrum View permet d’optimiser simultanément les affichages aussi bien dans le domaine temporel que fréquentiel.

FIGURE 6. L’indicateur de Temps Spectral (carré rouge) est placé au début de l'acquisition, avant l'événement déclencheur. Comme prévu, il n'y a pas de signaux de forte amplitude dans le domaine fréquentiel puisque l'horloge n’a pas encore été mise en marche.

FIGURE 7. L’indicateur de Temps Spectral est placé environ 20 ms après la mise en marche de l'horloge. Notez que le spectre de l’horloge n'est pas encore étalé, puisqu’il présente simplement un pic à 94 MHz.

FIGURE 8. L’indicateur de Temps Spectral est placé environ 300 ms après la mise en marche de l'horloge. Notez que le spectre de l’horloge est maintenant étalé, mais qu’il occupe une plus large bande de fréquences que prévu. La largeur du spectre étalé doit normalement se situer entre les curseurs représentés à l’écran.

FIGURE 9. L’indicateur de Temps Spectral est placé environ 324 ms après la mise en marche de l'horloge. Notez que le spectre de l'horloge est maintenant convenablement étalé et se situe dans la plage de fonctionnement spectrale prévue.
RF vs. formes d'onde en fonction du temps
Les données I&Q sous-jacentes utilisées pour créer les spectres délivrés par Spectrum View peuvent également être exploitées pour le calcul de formes d'onde RF en fonction du temps. Ce qui permet de vérifier comment les différentes caractéristiques de la forme d'onde RF varient sur l'ensemble de l'acquisition, et pas uniquement à l’endroit où se situe l’indicateur de Temps Spectral. Trois types de formes d'onde sont disponibles :
- Magnitude - La magnitude instantanée du spectre en fonction du temps
- Fréquence - La fréquence instantanée du spectre par rapport à la fréquence centrale en fonction du temps
- Phase - La phase instantanée du spectre par rapport à la fréquence centrale en fonction du temps
Chacune de ces traces peut être indépendamment activée et désactivée, et toutes les trois peuvent être affichées simultanément.
Ces formes d'onde sont illustrées sur les figures 10 à 12 ci-dessous et révèlent des informations complémentaires concernant le signal étudié. Sur chacune des images, quatre formes d’ondes sont présentées dans le domaine temporel dans la fenêtre Waveform View. Celle du haut correspond à la forme d’onde analogique du signal, la suivante, à la magnitude RF en fonction du temps, puis est représentée l’évolution de la fréquence RF en fonction du temps, et enfin celle de la phase RF en fonction du temps.

FIGURE 10. l est très facile d’examiner le comportement de l’horloge à spectre étalé en observant l’évolution de la magnitude et de la fréquence en fonction du temps. La courbe de magnitude en fonction du temps révèle que le signal s’active à un très faible niveau lors du déclenchement et la courbe de fréquence en fonction du temps dévoile que le signal se maintient à une seule fréquence pendant environ les 300 premières millisecondes. À ce moment, nous constatons que l'amplitude du signal augmente de manière significative et la fréquence commence à changer.

FIGURE 11. En effectuant maintenant un zoom sur la période qui nous intéresse (à environ 300-320 ms après l'événement déclencheur), nous observons clairement que les fluctuations d'amplitude et les variations de fréquences surviennent sur une plage plus large que prévue.

FIGURE 12. En zoomant davantage, nous visualisons clairement la modulation de fréquence triangulaire mise en oeuvre. La mesure automatique dont la valeur apparaît dans la barre de résultats confirme que le taux de modulation obtenu de 39,07 kHz est correct.
Corrélation temporelle avec d'autres signaux
Outre de dévoiler comment un signal du domaine fréquentiel évolue au cours du temps, l’indicateur de Temps Spectral vous permet de corréler temporellement les événements dans le domaine fréquentiel avec d'autres signaux pertinents de votre système. Sur la figure 13, nous avons capturé le démarrage de la boucle à verrouillage de phase intégrant l'oscillateur commandé en tension (PLL/VCO).
- Le canal 1 (jaune) correspond au signal d'activation de l’oscillateur (VCO).
- Le canal 2 (cyan) correspond à la tension de la boucle à verrouillage de phase (PLL).
- Le canal 3 (non illustré), configuré en huit canaux numériques, sonde le bus SPI qui contrôle la boucle à verrouillage de phase (PLL/VCO).
- Le canal 4 correspond à la sortie RF.
Analyse multicanal
Pour une application de dépannage plus complexe, comme l’illustre la figure 14, Spectrum View peut être mis en œuvre sur plusieurs canaux. Le spectre de chacun des signaux d’entrée s’affiche de la même couleur que les deux formes d'onde analogiques correspondantes. Notez que chaque entrée dispose maintenant de son propre indicateur de Temps Spectral. Par défaut, tous les indicateurs sont verrouillés et se déplacent ensemble lorsque vous parcourez toute l'acquisition. La visualisation de spectres corrélés temporellement sur tous les canaux est ainsi assurée. Cet exemple illustre le démarrage d'un signal d'horloge capté via les deux canaux connectés en deux points distincts d’un circuit.
Pour une application de dépannage très avancée, les indicateurs de Temps Spectral peuvent être déverrouillés et déplacés indépendamment les uns des autres. En outre, la fréquence centrale de chaque spectre peut être décalée indépendamment, mais tous les canaux sur lesquels la fonction Spectrum View est appliquée doivent partager la même l’excursion de fréquence (span), la même largeur de bande de résolution et le même type de fenêtre.
Vers une analyse plus efficace des systèmes
Pour analyser et déboguer efficacement des systèmes embarqués, il faut avant tout disposer une vision globale du comportement des signaux impliqués. Comment comprendre pourquoi un système ne fonctionne pas comme prévu sans savoir de façon précise et synchrone comment les signaux se comportent dans les domaines temporels et fréquentiels ? Cela n’est pas possible. Les ingénieurs le savent depuis longtemps, mais ils étaient jusqu’à présents contraints par les limites des fonctions d’analyse FFT proposées par les oscilloscopes traditionnels.
Spectrum View, grâce une technologie ASIC de nouvelle génération, résout ces problèmes et offre de significatives avancées :
- Utilisation des paramètres familiers à l’analyse spectrale (fréquence centrale, excursion de fréquence ou span, largeur de bande de résolution)
- Optimisation indépendante des affichages dans les domaines temporels et fréquentiels
- Amélioration du taux de rafraîchissement de l'affichage du spectre
- Amélioration considérable de la résolution spectrale
- Visualisation de la forme d'onde d’un signal et de son spectre sans diviser le chemin du signal
- Facilité d’investigation grâce à la visualisation de l’évolution du spectre d’un signal au fil du temps tout au long de son acquisition
- Corrélation facile et précise des événements du domaine temporel et ceux du domaine fréquentiel

FIGURE 13.Pour nous focaliser sur la phase de mise en marche de l'horloge, nous pouvons déclencher l'acquisition en nous référant à la forme d'onde de l'amplitude RF en spécifiant un seuil et un front en optant pour un mode de déclenchement RF en fonction du temps. (Notez que cette mesure a été effectuée avec un firmware plus récent que les mesures présentées sur les figures 10 à 12).

FIGURE 14.Nous avons déclenché l’acquisition sur le signal de commande du bus SPI qui indique à l'oscillateur (VCO) que safréquence doit se caler 2,4 GHz. Grâce à l’indicateur de Temps Spectral, nous pouvons parcourir l’ensemble de l'acquisition et vérifier que la sortie RF s'est stabilisée à 2,4 GHz. Ensuite, mesure avec des curseurs de l'intervalle de temps entre l'événement déclencheur et la position de l’indicateur de Temps Spectral révèle qu'il a fallu 304 μs pour que le signal de sortie atteigne la fréquence souhaitée.

FIGURE 15. Lorsque l’application de débogage l'exige, plusieurs canaux peuvent être analysés simultanément. Ici, deux canaux illustrent la phase de démarrage d'un signal d'horloge capté en deux points distincts d’un circuit.
ANNEXE
UN EXEMPLE DÉTAILLÉ :
FFT CONVENTIONNELLE VS. SPECTRUM VIEW
Les analyses FFT conventionnelles doivent relever bien d’autres défis que de rendre plus aisée leur mise en œuvre qui oblige bien souvent les ingénieurs à faire certains compromis. Prenons par exemple une tonalité à 900 MHz dont nous souhaitons examiner le bruit de phase à 50 kHz de part et d’autre de cette tonalité avec une résolution de 100 Hz. Idéalement, voici les paramètres qui permettent d’obtenir la vue spectrale appropriée :
- Fréquence centrale : 900 MHz
- Excursion de fréquence ou span : 100 kHz
- Largeur de bande de résolution ou RBW : 100 Hz
FFT réalisée avec un oscilloscope conventionnel
Lors de la réalisation d’une FFT avec un oscilloscope traditionnel, les paramètres d'échelle horizontale, de fréquence d'échantillonnage et de longueur d'enregistrement sont déterminants. Ils doivent être considérés dans leur ensemble afin d’obtenir l’affichage du spectre FFT souhaité.
L'échelle horizontale détermine la durée totale de l’acquisition. Dans le domaine fréquentiel, le temps total acquis détermine votre résolution. Plus la durée d’acquisition est importante, meilleure sera la résolution fréquentielle.
Pour obtenir une résolution de 100 Hz, l’acquisition doit théoriquement être réalisée sur une durée d’au moins 10 ms (1/100Hz). Mais en réalité, cette durée doit être pratiquement doublée. Les premières et dernières acquisitions introduisent en effet des discontinuités (et donc des erreurs) dans le spectre résultant. Pour minimiser ces discontinuités, on multiplie le signal temporel acquis par une fonction de pondération dite "fenêtre" FFT. La plupart des fenêtres FFT présentent une forme en cloche ou gaussienne tendant vers zéro au début et à la fin du signal. Le spectre qui en résulte est principalement déterminé par la partie médiane de l'enregistrement du signal. Chaque type de fenêtre est associé à une constante. Pour cet exemple, l'utilisation d'une fenêtre de type Blackman-Harris avec un facteur de 1,90 nécessiterait que nous réalisions une acquisition durant :
10 ms ×1,9=19 ms
Le taux d'échantillonnage détermine la fréquence maximale du spectre, où Fmax est égale au taux d’échantillonnage divisé par deux. Pour un signal de 900 MHz, le taux d'échantillonnage doit être d'au moins 1,8 Géch./s. Avec un oscilloscope de la série 5 par exemple, nous échantillonnerions à 3,125 GS/s (qui est le premier taux d'échantillonnage supérieur à 1,8 GS/s disponible).
Nous pouvons maintenant déterminer la longueur d’enregistrement. Il s'agit simplement de la durée d’acquisition multipliée par le taux d'échantillonnage. Dans ce cas, cela correspond à :
19 ms × 3,125 Géch.⁄s = 59 375 Mpoints
Certains instruments ne disposent même pas d’une telle capacité mémoire. Et même lorsque l’oscilloscope possède une longueur d'enregistrement suffisante, le nombre maximal de points utilisé pour réaliser une FFT est limité sur de nombreux oscilloscopes car un traitement FFT réclame de très importantes capacités de calcul. Les oscilloscopes Tektronix de génération précédente permettent par exemple de réaliser une FFT sur environ 2 Mpoints maximum. En reprenant l’exemple du signal de 900 MHz (qui nécessite un taux d'échantillonnage élevé), l’acquisition ne pourrait être effectuée que sur environ 1/30ème de la durée nécessaire. Ce qui se traduirait par une résolution fréquentielle 30 fois plus mauvaise que celle que vous souhaitez.
Comme l'illustre cet exemple, la configuration nécessaire à l’affichage du spectre souhaité exige la prise en compte des interactions complexes entre l'échelle horizontale, le taux d'échantillonnage et la longueur de l'enregistrement. En outre, du fait qu’en réalité, la longueur d'enregistrement est forcément limitée, cela oblige à de fâcheux compromis. L'observation de signaux de haute fréquence avec une résolution fréquentielle satisfaisante réclame des capacités d’enregistrement de données extrêmement importantes qui sont souvent indisponibles sur un oscilloscope, coûteuses et très longues à traiter. Bien que certains progiciels d'analyse spectrale tentent de palier à ces inconvénients, tous les oscilloscopes proposant une fonction de traitement FFT sont confrontés à ce jour aux limites décrites ci-dessus.
Spectrum View
Voyons maintenant comment Spectrum View relève ce défi grâce sa plate-forme matérielle de conversion numérique de fréquences (abaisseur de fréquence).
La durée totale d’acquisition détermine toujours la résolution fréquentielle. Nous devons également appliquer une fenêtre FFT et acquérir des données pendant 19 ms. Sur les MSO Séries 4, 5 et 6, le convertisseur analogique/numérique transmet les données numérisées dans le domaine temporel à un décimateur pour créer la vue de la forme d'onde dans le domaine temporel, mais il les envoie également au convertisseur de fréquence numérique.
Comme on pouvait s'y attendre, l’exploitation d’un convertisseur de fréquence numérique a un impact important sur le taux d'échantillonnage requis. Le convertisseur transpose la fréquence centrale d'intérêt de 900 MHz à 0 Hz. L’excursion de fréquence ou span de 100 kHz est maintenant réduite de 50 kHz passant ainsi à 50 kHz. Pour échantillonner convenablement un signal de 50 kHz, une fréquence d'échantillonnage de 125 kéch./s suffit. Notez qu'en insérant le convertisseur abaisseur de fréquence numérique dans le processus d'acquisition, la fréquence d'échantillonnage requise devient une fonction de l’excursion de fréquence, et non de la fréquence centrale.
Dans ce cas, la durée d’enregistrement nécessaire, qui reste régie par la même relation que précédemment, est maintenant de :
19 ms ×125 kéch.⁄s = 2375 points
Les données sont enregistrées sous forme d'échantillons en phase et en quadrature (I&Q) et une synchronisation précise est maintenue entre les données du domaine temporel et les données I&Q. Pour rappel, dans le cadre d’un traitement FFT classique, la longueur d'enregistrement requise était de 59 375 Mpoints. Grâce à la transposition de fréquence, l'enregistrement nécessite seulement 2 375 points, soit une réduction de 99,996 %.
Pour obtenir le spectre souhaité, nous devons maintenant effectuer une FFT sur un enregistrement de données I&Q de seulement 2 375 points. Cette réduction spectaculaire du nombre de points présente plusieurs avantages majeurs :
◦ Le taux de rafraîchissement est significativement amélioré
◦ Il est possible de traiter de beaucoup plus longues périodes et obtenir ainsi une bien meilleure résolution en fréquences pour l'analyse spectrale.
◦ La vue souhaitée dans le domaine fréquentiel peut être capturée sans modifier de quelque manière que ce soit la vue du domaine temporel

