Spectrum View:在示波器上執行頻域分析的新方法
示波器

圖 1. Spectrum View 支援在每個域中同時具有獨立控制的類比和頻譜視圖。
針對嵌入式系統進行除錯通常需要尋找一些線索,而這些線索很難透過一次只查看一個域來發現。有時需要同時觀察時域和頻域的訊號可以提供重要的深入見解。混合域分析對於回答以下問題尤其有用:
- 當我傳輸無線資料時,我的電源軌電壓發生了什麼變化?
- 每次存取記憶體時,發射都來自哪裡?
- 開機後,我的 PLL 需要多長時間才能穩定?
透過在同步視圖中提供時域波形和頻域頻譜的視圖,混合域 分析將有助使用者解決此類問題。直到最近為止,Tektronix MDO4000C 混合域示波器是唯一能夠提供同步時域和頻域分析,並獨立控制波形和頻譜視圖的示波器。
為了滿足這一需求,4、5 和 6 系列 MSO 混合訊號示波器提供了一個強大的分析工具:Spectrum View。這是 4 系列 MSO 的選配功能,但為 5 系列和 6 系列 MSO 的標配功能。Spectrum View 具備了幾個關鍵功能:
- 支援使用熟悉的頻譜分析控制功能 (中心頻率、跨距和 RBW)
- 允許分別最佳化時域和頻域顯示
- 可在波形視圖和頻譜視圖中查看訊號,而無需將訊號拆分為不同的輸入
- 實現時域事件和頻域量測的精確關聯 (反之亦然)
- 顯著提高頻域中可達到的頻率解析度
- 提高頻譜顯示的更新率

圖 2. 在自訂 ASIC 上實作的數位下變頻器可透過 Tektronix 4、5 和 6 系列 MSO 的獨立控制功能提供同時的波形和頻譜視圖。
全新架構
Spectrum View 使用儀器內建的專利硬體。若要瞭解其運作原 理,請務必注意,數位示波器通常是以最大取樣率來執行其類 比數位轉換器 (ADC)。然後將 ADC 取樣串流傳送至抽取器,抽取器將會保留每輪的第 N 個取樣。以最快的掃描速度保留所有取樣。在較低的掃描速度下,假射使用者正在查看較慢的訊 號,並且保留了一部分 ADC 取樣。簡而言之,抽取器的目的是使記錄長度盡可能小,同時仍提供足夠的取樣率以查看時域中感興趣的訊號。
4、5 和 6 系列 MSO 中,每個 FlexChannel 輸入的後面是一個自訂 ASIC 中的 12 位元 ADC。如圖 2 所示,每個 ADC 透過兩條路徑傳送高速數位化資料。一條路徑通向硬體抽取器,硬體抽取器會決定時域取樣的儲存速率。第二種路徑通向也在硬體上實作的數位下變頻器。這種方法能夠獨立控制時域和頻域的擷取,允許最佳 化給定訊號的波形和 Spectrum View。同時還可以更有效地利用這些儀器中可用的長卻有限的記錄長度。

圖 3. 在使用傳統 FFT 最佳化時域的情況下,此展頻式時脈訊號上缺少頻域細節。
具有獨立控制功能的 Spectrum View 與傳統 FFT
儘管頻譜分析儀是專為查看頻域中的訊號而設計,但並非是隨手可及的儀器。另一方面,實驗室內幾乎均備有示波器,因此工程師傾向於盡可能地使用示波器。因此,示波 器數十年來一直採用以數學運算為基礎的 FFT (快速傅立葉變換)。然而,眾所周知,FFT 由於兩個原因而導致難以使用。
首先,在進行頻域分析時,頻譜分析儀控制功能 (例如中心頻率、跨距和解析度頻寬 (RBW)) 可輕鬆定義感興趣的頻譜。但是,在大多數情況下,示波器 FFT 僅支援傳統控制功能,例如取樣率、記錄長度和時間/格,因此很難獲得所需的視圖。
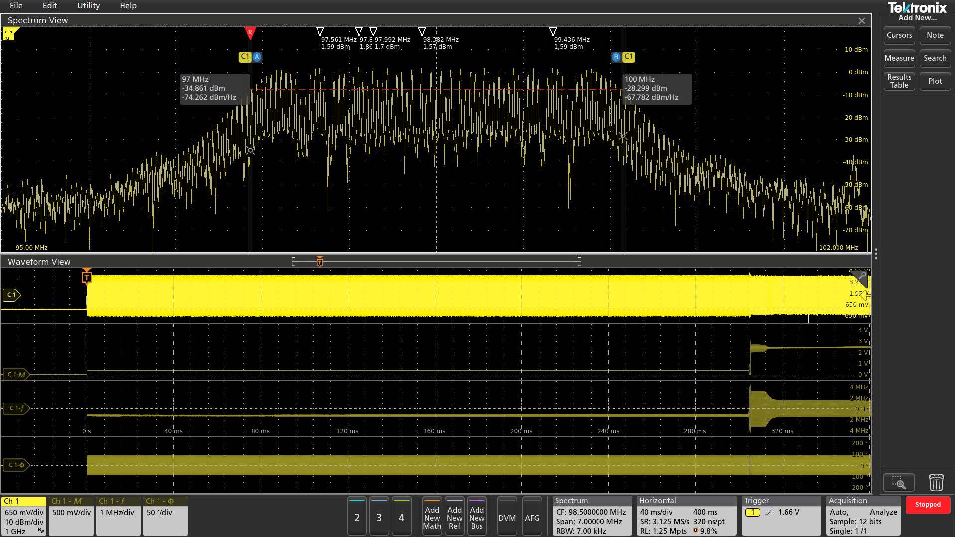
其次,即使示波器提供了頻譜分析儀風格的控制功能,FFT 仍是由與用於類比時域視圖的擷取系統相同的擷取系統驅動。若變更中心頻率、跨距或解析度頻寬,將以意外和無法預料的方式變更示波器的水平刻度、取樣率和記錄長度。一旦獲得了所需的頻域視圖,其他訊號的時域視圖將無法再使用。當對水平刻度、取樣率或記錄長度進行調整以再次獲得所需的時域視圖 時,FFT 視圖將無法再使用。例如,從 MDO3000 擷取的兩個螢幕擷取畫面說明了從 97 MHz 移到 100 MHz 的展頻式時脈的時域和 FFT 視圖。在圖 3 中,時域視圖可清楚顯示時脈,但是 FFT 沒有足夠的解析度可用。在圖 4 中,FFT 顯示了時脈的展頻特性,但是時域視圖已不再有用。

圖 4. 最佳化 FFT 視圖後,時脈訊號的時域視圖現在已不再有用。

Spectrum View 提供了使用熟悉的中心頻率、跨距和 RBW 控制來調整頻域 的功能。

同時,由於這些控制功能不會隨時域縮放,因此可以獨立地最佳化兩個視圖,如圖 5 所示。

圖 5. 查看與圖 3 和圖 4 相同的擴頻時脈訊號,Spectrum View 可同時提供時域和頻域的最佳化視圖。
頻譜時間
螢幕上的一個稱為「頻譜時間」(Spectrum Time) 的指標用來指示 Spectrum View 視窗中顯示的頻譜來自何時何地。頻譜時間指標的寬度就是視窗因數除以解析度頻寬 (如需更多有關視窗因數的資訊,請參見附錄)。您可以在整個擷取範圍內移動頻譜時間,查看頻域視圖如何隨時間變化。 您甚至可以在停止擷取的情況下執行。
在圖 6 至 9 中,我們擷取了前述展頻式時脈的啟動序列。在螢幕擷取畫面中「頻譜時間」指標顯得非常窄小,圖中將以紅色方框強調顯示以利識別。在本例中,頻譜時間為
1.9 (視窗因數) / 10,000 (RBW) = 190µs 寬。

圖 6. 頻譜時間 (以紅色方框強調顯示) 放置在擷取內容的前段,即觸發事件之前。一如預期,由於時脈尚未開啟,因此頻域中沒有任何強訊號。

圖 7. 頻譜時間放置在時脈開啟後約 20 ms 的位置。請注意,時脈尚未擴展頻譜,僅位於 94 MHz。

圖 8. 頻譜時間放置在時脈開啟後約 300 ms 的位置。請注意,時脈現在出現擴展頻譜行為,但使用的頻譜超出了預期。游標顯示預期的擴展頻譜寬度。

圖 9. 頻譜時間放置在時脈開啟後約 324 ms 的位置。請注意,時脈現在出現擴頻行為,並在預期的頻譜操作範圍內
「射頻與時間」波形
用於建立 Spectrum View 顯示的頻譜的基礎 I&Q 資料亦可用於計算「射頻與時間」波形,這些波形會顯示射頻波形的各種特性在整個擷取過程中如何變化,而不僅僅是頻譜時間的位置。提供三種類型的波形:
- 振幅 – 頻譜的瞬時振幅與時間的關係
- 頻率 – 頻譜的瞬時的瞬時頻率相對於中心頻率與時間的關係
- 相位 – 頻譜的瞬時相位相對於中心頻率與時間的關係
每一條軌跡均可獨立開啟和關閉,且這三條軌跡可以同時顯示。 您還可以使用射頻與時間觸發 (RF vs Time Trigger) 功能觸發這些波形。
些波形顯示在下面的圖 10-13 中,其中顯示了有關所關注的訊號的其他資訊。每個圖像的「波形視圖」中均顯示了四個時域波形。最上面的是訊號的類比視圖。接下來是「射頻振幅與時間」波形,然後是「射頻頻率與時間」波形、「射頻相位與時間」波形。最後,另一個「射頻振幅與時間」波形在「射頻與時間」波形上的位準觸發了擷取。

圖 10. 透過查看「振幅與時間」和「頻率與時間」波形,即可明顯看出展頻式時脈的情況。「振幅與時間」軌跡顯示訊號在位準極低的觸發點開啟,而「頻率與時間」軌跡顯示訊號在前 300ms 內停留在單一頻率上。此時,我們看到訊號的振幅顯著增加,且頻率開始變化。

圖 11. 我們現在放大所關注的時間段 (觸發事件後大約 300-320 ms)。請注意,我們可以清楚地看到振幅波動和頻率變化超出了應有的範圍。

圖 12. 我們現在進一步放大,可以輕鬆查看正在使用的三角頻率調變,並可透過結果欄中的自動量測結果來確認我們獲得了 39.07 kHz 的正確調變率。

圖 13. 為了聚焦於時脈開啟,我們可使用「射頻與時間觸發」設定來指定閾值和邊緣來觸發射頻振幅波形 (註:此量測是使用比圖 10-12 更新的韌體進行)。

圖 14. 我們在 SPI 匯流排命令上觸發,此命令會告訴 VCO 要調到什麼頻率。在本例中是 2.4 GHz。利用移動頻譜時間功能,我們能夠捲動瞭解整個擷取過程,看看射頻輸出何時穩定在 2.4 GHz。然後,我們可以使用游標量測頻譜時間觸發器事件的位置,並觀看到其花費了 304μs 使輸出達到所需的頻率。
與其他訊號的時間相關性
除了顯示頻域訊號隨時間變化之外,Spectrum time 還允許您將頻域內的事件與系統中感興趣的其他訊號進行時間關聯。在圖 14 中,我們擷取了PLL/VCO 的啟動序列。
- 通道 1 (黃色) 是 VCO 啟用訊號。
- 通道 2 (青色) 是 PLL 電壓。
- 通道 3 (未顯示) 配置為八個數位通道,並正在探測控制 PLL/VCO 的 SPI 匯流排。
- 通道 4 是射頻輸出。

圖 15. 當除錯任務需要時,可以同時分析多個通道。此處兩個通道顯示一個時脈訊號從電路中兩個不同的點開始。
多通道分析
對於更複雜的疑難排解,Spectrum view 可用於多個通道,如圖 15 所示。 這兩種用顏色編碼的類比波形都有相應的頻譜。請注意,現在每個通道都有一個頻譜時間指標。預設情況下,所有頻譜時間指標都鎖定在一起,並一起移動觀測。這確保您在所有通道上都能看到與時間相關的頻譜。在本例中,這兩個通道顯示了時脈訊號從電路中的兩個不同點的啟動。
若要進行更進階的疑難排解,可以不鎖定頻譜時間,並彼此獨立地移動。此外,每個頻譜的中心 頻率可以獨立移動,但是所有的 Spectrum View 通道則必須共用相同的跨距、解析度頻寬和視窗類型。
尋求更有效的系統分析
高效的嵌入式系統分析和除錯不僅始於洞察力,也將會以洞察力完美收尾。如果沒有對時域和頻域的精確、同步的洞察力,您如何能找出系統無法如預期運作的真正原因?答案是不能, 工程師們早就意識到了這一點,但受限於傳統示波器 FFT 的局限性而有志難伸。
由下一代 ASIC 技術支援的 Spectrum View 不僅解決了這些挑戰,並提供了許多重大的進展:
- 支援使用熟悉的頻譜分析控制功能 (中心頻率、跨距和RBW)
- 允許分別最佳化時域和頻域顯示
- 提高頻譜顯示的更新率
- 顯著提高頻域中可實現的頻率解析度
- 可在波形視圖和頻譜視圖中查看訊號,而無需分割訊號路徑
- 輕鬆調查頻域視圖如何隨時間變化以及整個擷取過程。
- 輕鬆、準確地關聯時域事件和頻域事件
附錄
詳細的範例:
傳統 FFT 與 Spectrum View
傳統 FFT 所面臨的挑戰遠遠超出了易用性。為了說明工程師必須考慮的效能權衡,假設我們有一個 900 MHz 的音調,並要以 100 Hz 的解析度在音調的任何一側查看其高達 50 kHz 的相位雜訊。理想情況下,頻譜視圖應具有以下設定:
- 中心頻率:900 MHz
- 頻距:100 kHz
- RBW:100 Hz
傳統示波器 FFT
使用傳統示波器 FFT、水平刻度、取樣率和記錄長度設定決定 FFT 的運作方式,必須整體考慮以產生所需的視圖。
水平刻度可確定擷取的總時間。在頻域中,擷取的總時間決定了您的解析度。您擷取的時間越多,您在頻域中獲得的解析度就越高。
若要解析 100 Hz,我們至少需擷取 (1/100 Hz) = 10 ms 的時間。但是,實際上,我們需擷取將近兩倍的時間。擷取的開始和結束會 在結果頻譜中引入不連續性 (並因此帶來誤差)。為了最小化這些不連續性,擷取的記錄需以 FFT「視窗」倍數增長。大多數 FFT 視窗具有鐘形或高斯形狀,其兩端極低,而中間較高。顯示的結果頻譜主要由記錄的中間部分驅動。每個視窗類型均有一個與之關聯的 常數。對於此範例,使用因數為 1.90 的 Blackman-Harris 視窗類型將要求我們擷取:
10 ms ×1.9=19 ms
取樣率確定頻譜中的最大頻率,其中 Fmax = SR / 2。對於 900 MHz 訊號,我們需要至少 1.8 GS/s 的取樣率。以 5 系列的類比取樣為例,我們將以 3.125 GS/s (第一個可用取樣率高於 1.8 GS/s) 進行取樣。
Sample rate determines the maximum frequency in the spectrum, where Fmax = SR/2. For a 900 MHz signal, we need a sample rate of at least 1.8 GS/s. Using the analog sampling on the 5 Series as an example, we would sample at 3.125 GS/s (first available sample rate above 1.8 GS/s).
現在我們可以確定記錄長度。這只是擷取時間 * 取樣率。在本例中是:
19 ms ×3.125 GS⁄s = 59.375 M 點
根據儀器的不同,此記錄長度甚至可能無濟於事。而且,即 使示波器具有足夠的記錄長度,但許多示波器仍會限制 FFT 的最大長度,因為儀器需進行極密集的計算。例如,上一代 Tektronix 示波器的最大 FFT 長度約為 2 M 點。假設您仍希望看到 900 MHz 訊號 (需要高取樣率),則必須擷取所需時間的大約 1/30,導致頻域中的解析度比所需解析度差 30 倍。
如本例所示,若要設定所需的視圖,即需要瞭解水平刻度、取樣率和記錄長度之間的複雜互動。此外,有限的記錄長度迫使工程師必須向現實妥協,而且,若在頻域中以良好的解析度觀察高頻訊號,則需要非常長的資料記錄,而這些資料記錄通常不可用,或者處理起來既昂貴又費時。儘管某些頻譜分析套件試圖管理這些權衡要素,但迄今為止所有的示波 器 FFT 仍皆面臨上述限制。
Spectrum View
現在,讓我們看看具有硬體數位下變頻的 Spectrum View 如何應對相同的挑戰。
所擷取的總時間仍會確定頻域中的解析度。 我們亦需套用 FFT 視窗並擷取 19 ms 的資料。在 4、5 和 6 系列 MSO 中, ADC 會將數位化的時域資料傳送至抽取器以建立時域波形視圖,但同時也會將資料傳送至數位下變頻器 (DDC)。
如您所料,DDC 對所需的取樣率具有深遠的影響。DDC 將關注的中心頻率從 900 MHz 移至 0 Hz。現在,100 kHz 跨距從 -50 kHz 到 50 kHz。若要充分取樣 50 kHz 訊號,我們只需要125 kS/s 的取樣率即可。請注意,透過將 DDC 插入擷取程序,則所需的取樣率將成為跨距函數,而不是中心頻率的函數。
記錄長度由與以前相同的關係控制,但現在是:
19 ms ×125 kS⁄s = 2375 點
資料儲存為同相和正交 (I&Q) 取樣,並在時域資料和 I&Q 資料之間保持精確的同步。請記住,在傳統的 FFT 中,所需的記錄長度為 59.375 M 點。下變頻的記錄僅需要 2,375 點 (資料減少了 99.996%)。
現在,我們對 2,375 點 I&Q 記錄執行 FFT,獲得所需的頻譜。資料點數量的顯著減少帶來了幾個重要的優點:
- 更新速度有效提高
- 可處理更長的時間跨距,因此可在頻譜分析中獲得更好的頻率解析度
- 可擷取所需的頻域視圖,而無需以任何方式變更時域視圖

