輸入通道
- 2 或 4 類比
- 16 數位 1
- 1 台頻譜分析儀
頻寬 1
- 100 MHz、200 MHz、350 MHz、500 MHz 或 1 GHz
取樣率
- 類比通道最高 5 GS/s (1 GHz 機型)、2.5 GS (其他所有機型)
- 數位通道最高 8.25 GS/s (121 ps 解析度)
記錄長度
- 所有通道為 10 M 點
與我們聯絡
與 Tek 業務代表即時對談。 上班時間:上午 6:00 - 下午 4:30 (太平洋時間)
請致電
與 Tek 業務代表即時對談。 上班時間:上午 8:30 - 下午 5:30 (太平洋時間)
下載
下載手冊、產品規格表、軟體等等:
意見回饋
3 系列 MDO 具有同類產品中最大的顯示器、獲得提升的低位準訊號量測準確度,以及領先業界的探棒效能,為桌上型示波器建立了全新標準。當您在測試 IoT 的基頻設計,或是僅進行單純的 EMI 探測,3 系列具備真正的內建硬體頻譜分析儀,能為您提供優秀的射頻測試效能和受保證的射頻規格。
最高 1 GHz
10 M 點
2 或 4
最高 5 GS/s

示波器探棒在量測訊號路徑中是很重要的元件,且不容忽視。當您購買 3 系列 MDO 時,您會免費獲得業界最佳的探棒。由於您的示波器具有業界最佳的 3.9 pF 負載,TPP 系列探棒將會是您每日最想優先使用的探棒。
查看探棒如何影響您的量測
參閱 Tektronix 探棒如何改善準確度
特性
當您在量測低位準訊號時,降低儀器雜訊位準以改善量測精確度非常重要。在 3 系列 MDO 中使用的新前端可幫助您改善雜訊量測,效率提升可達 40%。當您在評估示波器效能時,請務必仔細檢查示波器的隨機雜訊規格。並非所有示波器都是以同樣標準製造,也並非所有示波器製造商都會測試和發佈其產品的隨機雜訊規格。

輸入通道
頻寬 1
取樣率
記錄長度
頻譜分析儀 1
訊號產生器 1
數位伏特計 2
觸發記頻器 2
進階分析 1
通訊協定支援 1
顯示器
重量
無論是頻譜分析儀專家還是偶爾使用者,都可以有效運用內建的頻譜分析儀。3 系列有別於提供 FFT「頻譜分析」的其他示波器,具備真正的內建頻譜分析儀。
立即擁有所有需要的除錯工具,或在需要時再添加。
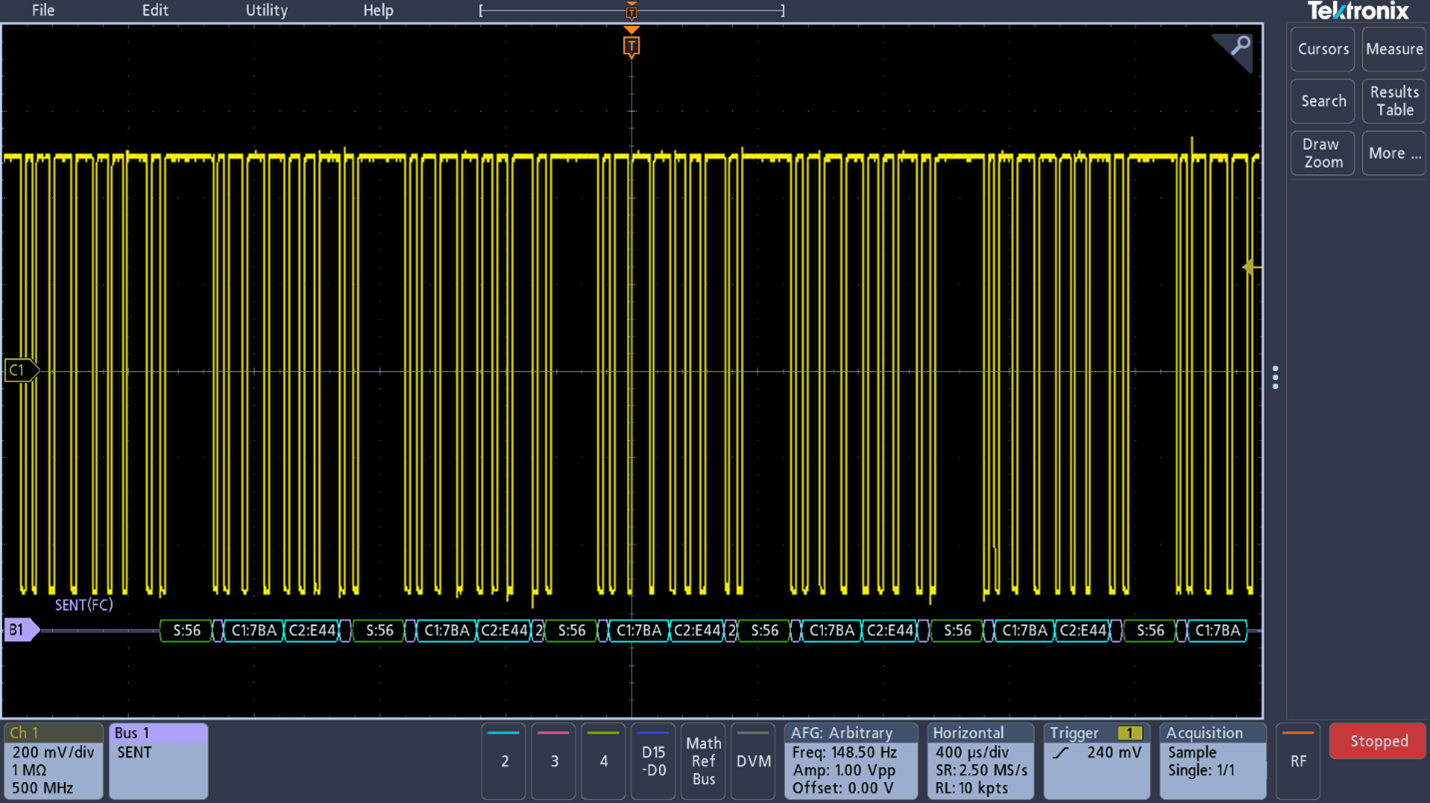
SENT 通訊協定解碼功能
我們持續致力於提供客戶最需要的產品增強功能,其中一項就是新的韌體更新,準備安裝在您的 3 系列 MDO 上。 此更新新增了 SENT 通訊協定解碼分析,能實現視覺化或整體系統作業,並進行系統層級除錯。

是否已有具備 3-BND 選項的 3 系列 MDO? 立即取得更新。

| Tektronix 3 系列 MDO |
Tektronix MDO3000 |
Keysight 3000T X-系列 |
LeCroy Wavesurfer 3000Z |
Rohde & Schwarz RTM3000 系列 |
|
|---|---|---|---|---|---|
| 頻寬 | 100 MHz 至 1 GHz | 100 MHz 至 1 GHz | 100 MHz 至 1 GHz | 100 MHz 至 1 GHz | 100 MHz 至 1 GHz |
| 類比通道 | 2 或 4 | 2 或 4 | 2 或 4 | 4 | 2 或 4 |
| 數位通道 (選配) | 16 | 16 | 16 | 16 | 16 |
| 類比取樣率 (所有通道) | 2.5 GS/s 或 5 GS/s | 2.5 GS/s 或 5 GS/s | 2.5 GS/s | 1 GS/s 或 2 GS/s | 2.5 GS/s |
| 標準記錄長度 (所有通道) | 10 M | 10 M | 2 M | 10 M | 40 M |
| 整合式頻譜分析儀 | 1 GHz (標準)、 3 GHz (選配) |
最高 3 GHz | 否 | 否 | 否 |
| 整合式任意/函數產生器 (選配) | 50 MHz | 50 MHz | 20 MHz | 25 MHz | 25 MHz |
| 串列匯流排解碼與觸發 | 是 | 是 | 是 | 是 | 是 |
| 顯示器 | 11.6 吋觸控 (1920 x 1080) |
9 吋 (800 x 480) |
8.5 吋觸控 (800 x 480) |
10.1 吋觸控 (1024 x 600) |
10.1 吋觸控 (1280 x 800) |
| 標準保固 | 3 年 | 3 年 | 3 年 | 3 年 | 3 年 |

3 系列 MDO 提供自動觸發、解碼和串列匯流排搜尋選項,協助您克服系統層級的挑戰。您可以選購個別選項或經濟實惠的套件。
3 系列提供電源測試解決方案,以協助在現今切換速度更高、雜訊限制更嚴格的挑戰下迅速獲得解答。


如不查明電磁干擾故障的根本原因,出貨可能會受阻。內建頻譜分析儀的 3 系列 MDO 將協助您迅速找出電磁干擾的源頭。
透過邏輯通道和內建頻譜分析儀,超越交流和直流理論,並覆蓋混合訊號設計。Tek 示波器因其可靠而享負盛名,是業界實驗室中最常見的示波器品牌。

| 升級 | 說明 | 購買細節 |
|---|---|---|
| SUP3 AFG | 新增任意函數產生器 | 索取報價 |
| SUP3 MSO | 新增 16 個數位通道;包括 P6316 數位探棒和配件 | 索取報價 |
| SUP3 SA1 | 頻譜分析儀輸入頻率範圍增加至 9 kHz – 1 GHz、且擷取頻寬增加至 1 GHz。 | 索取報價 |
| SUP3 SA3 | 頻譜分析儀輸入頻率範圍增加至 9 kHz –- 3 GHz,且擷取頻寬增加至 3 GHz | 索取報價 |
| SUP3 DVM | 新增數位電壓計/觸發計頻器 | 註冊時將提供軟體升級授權金鑰。 立即註冊 |
| SUP3 SEC | 提升增強儀器安全性,可讓您以密碼保護來控制所有開啟/關閉儀器連接埠及儀器韌體更新功能 | 索取報價 |
| 升級 | 說明 | 購買細節 |
|---|---|---|
| SUP3 BND | 應用套件 (包括所有串列選項和電源分析) | 索取報價 |
| SUP3 SRAERO | 航太串列觸發和分析 (MIL-STD-1553、ARINC429) | 索取報價 |
| SUP3 SRAUDIO | 音訊串列觸發與分析 (I2S、LJ、RJ、TDM) | 索取報價 |
| SUP3 SRAUTO | 汽車串列觸發與分析 (CAN、CAN FD、LIN、FlexRay) | |
| SUP3 SRAUTOSEN | 單邊緣半位傳輸解碼 (SENT) | |
| SUP3 SRCOMP | 電腦串列觸發與分析 (RS-232/422/485/UART) | 索取報價 |
| SUP3 SREMBD | 嵌入式串列觸發與分析 (I2C、SPI) | 索取報價 |
| SUP3 SRUSB2 | USB 2.0 串列匯流排觸發與分析 (低速、全速、高速) | 索取報價 |
| 升級 | 說明 | 購買細節 |
|---|---|---|
| SUP3 PWR | 功率分析 | 索取報價 |
| 升級 | 說明 | 購買細節 |
|---|---|---|
| SUP3 BWxTy2 | 將 MSO32 頻寬從 x 升級至 y,其中 x 和 y 為數百 MHz | |
| SUP3 BWxTy4 | 將 MSO34 頻寬從 x 升級至 y,其中 x 和 y 為數百 MHz |
| 產品規格表連結 | 探棒 | 說明 | 配置與報價 |
|---|---|---|---|
| 檢視產品規格表 | TAP1500 | 主動式探棒:1.5 GHz、10X、單端、TekVPI | 配置和報價 |
| 檢視產品規格表 | TAP2500 | 主動式探棒:2.5 GHz、10X、單端、TekVPI | 配置和報價 |
| 產品規格表連結 | 探棒 | 說明 | 配置與報價 |
|---|---|---|---|
| 檢視產品規格表 | ADA400A | 放大器,差動;微伏,差動 - 可追溯校驗標準證書 | 配置和報價 |
| 檢視產品規格表 | TDP1500 | 差動探棒:1.5 GHz、1X/10X、+/-8.5V、TekVPI | 配置和報價 |
| 檢視產品規格表 | TDP3500 | 差動探棒:3.5 GHz、5X、+/- 2V、TekVPI | 配置和報價 |
| 產品規格表連結 | 探棒 | 說明 | 配置與報價 |
|---|---|---|---|
| 檢視產品規格表 | TPP0100 | 被動探棒:100 MHz、10X、BNC | 配置和報價 |
| 檢視產品規格表 | TPP0200 | 被動探棒:200 MHz、10X、BNC | 配置和報價 |
| 檢視產品規格表 | TPP0250 | 被動探棒:250 MHz、10X、TekVPI | 配置和報價 |
| 檢視產品規格表 | TPP0500B | 被動探棒:500 MHz、10X、TekVPI | 配置和報價 |
| 檢視產品規格表 | TPP0502 | 被動探棒:500 MHz、2X、TekVPI | 配置和報價 |
| 檢視產品規格表 | TPP1000 | 被動探棒:1 GHz、10X、TekVPI | 配置和報價 |
| 產品規格表連結 | 探棒 | 說明 | 配置與報價 |
|---|---|---|---|
| P6316 | MSO 探棒;16 通道通用探棒 | 配置和報價 |
| 產品規格表連結 | 探棒 | 說明 | 配置與報價 |
|---|---|---|---|
| 檢視產品規格表 | A621 | 電流探棒:50 kHz,10 mA 至 2000 A,交流,BNC | 配置和報價 |
| 檢視產品規格表 | A622 | 電流探棒:100 kHz、10 mA 至 100 A、AC/DC、BNC | 配置和報價 |
| 檢視產品規格表 | TCP0020 | 探棒,交流/直流電流;20 Amp;50 MHz 頻寬;TekVPI 介面;可追溯校驗標準證書 | 配置和報價 |
| 檢視產品規格表 | TCP0030A | 探棒,交流/直流電流;30 Amp 直流,直流至 120 MHZ;配備 TekVPI 介面;可追溯校驗標準證書 | 配置和報價 |
| 檢視產品規格表 | TCP0150 | 電流探棒:20 MHz、5 mA 至 212 A、AC/DC、TekVPI | 配置和報價 |
| 檢視產品規格表 | TCP303 | 探棒;交流/直流電流;DC-15MHZ,150A 直流,可追溯校驗標準證書 | 配置和報價 |
| 檢視產品規格表 | TCP305A | 探棒,交流/直流電流;50Amp 直流,DC-50MHZ,可追溯校驗標準證書 | 配置和報價 |
| 檢視產品規格表 | TCP312A | 探棒,交流/直流電流;30 Amp 直流,DC-100MHZ,可追溯校驗標準證書 | 配置和報價 |
| 檢視產品規格表 | TCP404XL | 探棒;交流/直流電流;DC-2MHZ,500A 直流,750A 直流,依工作週期遞減,可追溯校驗標準證書 | 配置和報價 |
| 產品規格表連結 | 探棒 | 說明 | 配置與報價 |
|---|---|---|---|
| 檢視產品規格表 | TPP0850 | 高壓探棒:800 MHz、50X、2.5 kV、單端、TekVPI | 配置和報價 |
| 產品規格表連結 | 探棒 | 說明 | 配置與報價 |
|---|---|---|---|
| 檢視產品規格表 | TDP0500 | 差動探棒:500 MHz、5X/50X、+/- 42V、TekVPI | 配置和報價 |
| 檢視產品規格表 | TDP1000 | 差動探棒:1 GHz、5X/50X、+/- 42V、TekVPI | 配置和報價 |
| 檢視產品規格表 | THDP0100 | 差動式探棒;100 MHZ TekVPI 差動式高壓探棒 | 配置和報價 |
| 檢視產品規格表 | THDP0200 | 差動式探棒;200 MHZ TekVPI 差動式高壓探棒 | 配置和報價 |
| 檢視產品規格表 | TMDP0200 | 差動式探棒;200 MHZ TekVPI 差動式中壓探棒;TMPD0200 | 配置和報價 |
適用於 3 系列 MDO 的硬殼運送箱 (含前外蓋)
適用於 3 系列示波器的機架安裝套件
適用於 3 系列示波器的軟質提袋 (含前護蓋)
| 產品規格表 | 配件 | 說明 |
|---|---|---|
| 119414600 | 探棒組;RF 量測,近場探棒組,被動,手持式 | |
| HC3 | 適用於 3 系列 MDO 的硬殼運送箱 (含前外蓋) |
|
| RM3 | 適用於 3 系列示波器的機架安裝套件 |
|
| SC3 | 適用於 3 系列示波器的軟質提袋 (含前護蓋) |
|
| 檢視 產品規格表 | TEK-DPG | 配件,偏移校正脈波產生器訊號源,配備 TekVPI 示波器介面 |
| 檢視 產品規格表 | TEK-USB-488 | USB 至 IEEE488 (GPIB) 通訊轉接器,適用於遵循 USBTMC-USB488 標準的 TEKTRONIX 儀器 |
| 檢視 產品規格表 | TPA-BNC | TekProbe-BNC 至 TekVPI 的探棒轉接器 |
| TPA-N-VPI | N 類型接頭轉 TekVPI 的探棒轉接器 |