연락처
텍트로닉스 담당자와 실시간 상담 6:00am-4:30pm PST에 이용 가능
전화 문의
9:00am-6:00PM KST에 이용 가능
다운로드
매뉴얼, 데이터 시트, 소프트웨어 등을 다운로드할 수 있습니다.
피드백
4 제품군 B MSO는 벤치 오실로스코프의 성능, 분석 기능, 전반적인 사용자 경험에 대한 새로운 표준을 선보입니다. 디버깅과 임베디드 시스템 및 전력 컨버터를 검증하는 데 이상적입니다. 이 장비의 2세대는 새로운 처리 플랫폼을 통합하고, 응답력을 2배 이상 높이고, 원격 작동 및 제어를 전체적으로 지원해 측정과 데이터 전송 기능을 획기적으로 향상시킵니다. 4개 또는 6개의 FlexChannel®을 입력한 모델로 디자인에 높은 가시성을 더했습니다. 고해상도 12비트 샘플링으로 새롭고 명암대비가 뚜렷한 13.3인치 HD 디스플레이에서 정확한 측정이 가능합니다. 또한 동기화된 다중 채널 스펙트럼 분석이 노이즈 찾기와 RF 측정을 용이하게 합니다. 탁월한 측정 성능과 더불어 직관적이며 수상 경력에 및나는 사용자 인터페이스를 선보여 빠르고 정확한 결과를 쉽게 얻을 수 있습니다.
주요 성능 사양
입력 채널
- 4개 또는 6개의 FlexChannel® 입력
- 각 FlexChannel은 다음을 제공합니다.
- 파형보기, 스펙트럼 보기로 표시할 수 있는 하나의 아날로그 신호
- TLP058 로직 프로브가 포함된 8개의 디지털 로직 입력
대역폭(모든 아날로그 채널)
- 200MHz, 350MHz, 500MHz, 1GHz, 1.5GHz(업그레이드 가능)
샘플링 속도(전체 아날로그/디지털 채널)
- 실시간: 6.25GS/s
레코드 길이(전체 아날로그/디지털 채널)
- 31.25Mpts 표준(62.5Mpts 옵션 업그레이드)
파형 캡처 속도
- 500,000파형/s 초과
수직 해상도
- 12비트 ADC
- 고해상도 모드에서 최대 16비트
표준 트리거 유형
- 에지, 펄스 폭, 런트, 타임아웃, 윈도우, 로직, 설정 및 홀드, 상승/하강 시간, 병렬 버스, 시퀀스, 시각적 트리거, 비디오(옵션), RF vs 시간(옵션)
- 보조 트리거 ≤ 300VRMS(에지 트리거만 해당)
표준 분석
- 커서: 파형, 수직 막대, 수평 막대, 수직/수평 막대
- 측정: 36
- 스펙트럼 보기: 주파수 및 시간 도메인의 독립적인 제어를 통한 주파수 도메인 분석
- FastFrame™: 최대 트리거 속도가 초당 5,000,000개 파형을 초과하는 세그먼트화된 메모리 획득 모드
도표: 시간 추이, 히스토그램, 스펙트럼,
- 연산: 기본 파형 산술, FFT 및 고급 등식 편집기
- 검색: 임의 트리거 기준에 따라 검색
옵션 분석
- 고급 스펙트럼 보기
- RF 대 시간 추적, 트리거, 스펙트로그램, IQ 캡처
- 마스크/한계 테스트
- 고급 파워 측정 및 분석
- 3상 전기적 분석(6채널 모델 전용)
옵션 프로토콜 트리거, 디코드, 분석
I2C, SPI, eSPI, I3C, RS-232/422/485/UART, SPMI, SMBus, CAN, CAN FD, LIN, FlexRay, SENT, PSI5, CXPI, USB 2.0, eUSB2, 이더넷, EtherCAT, 오디오, MIL-STD-1553, ARINC 429, Spacewire, NRZ, 맨체스터, SVID, SDLC, 1선, MDIO, NFC
임의/함수 발생기(옵션, 업그레이드 가능)
- 50MHz 파형 발생
- 파형 유형: 임의, 사인파, 사각파, 펄스, 램프, 삼각파, DC 레벨, 가우스, 로렌츠, 지수 상승/감쇠, 사인(x)/x, 랜덤 노이즈, 하버사인(Haversine), 카디악
디지털 전압계(제품 등록 시 무료 제공)
- 4자리 AC RMS, DC 및 DC+AC RMS 전압 측정
트리거 8자리 주파수 카운터(제품 등록 시 무료 제공)
- 8자리
디스플레이
- 338mm(13.3인치) 광학 결합 어셈블리
- 고화질(1,920 x 1,080) 해상도
- 용량(다중 터치) 터치스크린
연결성
- USB 2.0 호스트, USB 3.0 호스트, USB 2.0 장치(포트 6개), LAN(10/100/1000 Base-T 이더넷), HDMI 고화질(1,920 x 1,080 해상도) 디스플레이에 연결 필요
보증 기간
크기
- 286.99mm(11.299인치) H x 405mm(15.9인치) W x 155mm(6.1인치) D
- 무게: MSO44B: 7.3kg(16lbs) 미만, MSO46B: 7.5kg(16.55lbs) 미만
채널 부족으로 인해 확인 및 디버깅 프로세스가 다시 느려지게 하지 마십시오!
4 시리즈 B MSO는 13.3인치 고화질(1,920 x 1,080) 디스플레이가 탑재된 4채널 및 6채널 모델을 통해 복잡한 시스템에 향상된 가시성을 제공합니다. 이 디스플레이는 광학 접합 디스플레이로 탁월한 대비와 시야각을 자랑합니다. 임베디드 시스템, 3상 전원 파워 일렉트로닉스, 자동차 일렉트로닉스, 파워 서플라이 시스템, 직류-직류 전원 컨버터 등의 많은 애플리케이션의 경우 장치 성능을 확인 및 특성화하고 까다로운 시스템 문제를 디버그하기 위해 4개 이상의 아날로그 신호를 관찰해야 합니다.
대부분의 엔지니어들은 특히 어려운 문제를 디버깅하면서 더 큰 시스템 가시성 및 컨텍스트를 원하지만 그들이 사용하는 스코프가 2개 또는 4개 아날로그 채널로 제한되어 있음을 떠올릴 수 있습니다. 두 번째 스코프 사용에는 트리거 포인트를 조정하기 위한 상당한 노력, 2개 디스플레이에 걸친 시간 관계 결정의 어려움, 까다로운 문서화가 수반됩니다.
6채널 스코프가 4채널 스코프보다 50% 비용이 더 들 것으로 추정할 수 있지만 놀랍게도 4채널 모델과 비교하여 추가 비용은 6채널 모델의 경우 ~20%, . 현재 및 향후 프로젝트를 예정대로 유지할 수 있기 때문에 아날로그 채널 추가는 그 자체로 이득이 될 수 있습니다.

FlexChannel® 기술을 통한 최대 유연성 제공 및 시스템 가시성 확장
4 제품군 B MSO는 혼합 신호 오실로스코프(MSO)의 기능을 재정의합니다. FlexChannel 기술을 통해 각 채널 입력은 단일 아날로그 채널, 8개 디지털 로직 입력(TLP058 로직 프로브 사용) 또는 각 도메인에 대해 독립적인 획득 컨트롤이 있는 동시 아날로그 및 스펙트럼 보기로서 사용될 수 있습니다. 이 기술이 제공하는 유연성 및 구성 가능성을 상상해 보십시오.
6 FlexChannel 모델을 사용하면 6개 아날로그 및 제로 디지털 신호를 볼 수 있도록 장비를 구성할 수 있습니다. 또는 5개 아날로그 및 8개 디지털 신호. 또는 4개 아날로그 및 16개 디지털 신호, 3개 아날로그 및 24개 디지털 신호 등. 단순히 TLP058 로직 프로브를 추가하거나 제거하여 언제라도 구성을 변경할 수 있으므로 항상 적정한 수의 디지털 채널을 가지게 됩니다.

이전 세대 MSO의 경우 아날로그 채널과 비교하여 샘플링 속도가 더 낮고 레코드 길이가 더 짧은 디지털 채널과의 트레이드오프가 필요했습니다. 4 제품군 B MSO는 새로운 수준의 통합 디지털 채널을 제공합니다. 디지털 채널은 아날로그 채널로 동일한 높은 샘플링 속도(최대 6.25 GS/s) 및 긴 레코드 길이(최대 62.5M 포인트)를 공유합니다.



전례 없는 신호 보기 기능
탁월한 338mm(13.3인치) 디스플레이는 동급 최대의 크기를 자랑합니다. 또한 풀 HD 해상도(1,920 x 1,080)로 최고 해상도 디스플레이를 자랑하며, 중요한 판독 및 분석을 위한 충분한 공간으로 많은 신호를 동시에 볼 수 있습니다.
보기 영역은 최대 수직 공간을 파형에 사용할 수 있도록 최적화되어 있습니다. 오른쪽의 결과 모음은 숨길 수 있으며, 이를 통해 파형 보기는 디스플레이의 전체 폭을 사용할 수 있습니다.

4 제품군 B MSO 는 혁신적인 새 스택 표시 모드를 제공합니다. 역사적으로 스코프는 동일한 계수선에 모든 파형을 중첩하여 트레이드오프가 어려웠습니다.
각 파형을 보이게 하려면 파형이 중첩되지 않도록 각 파형을 수직 스케일 및 위치로 조정합니다. 각 파형은 작은 비율의 사용 가능한 ADC 범위를 사용하므로 측정의 정확도가 떨어집니다.
측정 정밀도를 위해 전체 디스플레이가 포함되도록 수직으로 스케일 및 위치를 조정합니다. 파형은 서로 중첩하기 때문에 개별 파형에 대한 신호 세부 사항을 구분하는 것이 어렵습니다.
새로운 스택 디스플레이는 트레이드오프를 제거합니다. 파형이 생성 및 제거되는 동안 추가적인 수평 파형 ‘슬라이스’(추가 계수선)를 자동으로 추가 및 제거합니다. 각 슬라이스는 파형에 대한 전체 ADC 범위를 나타냅니다. 모든 파형은 전체 ADC 범위를 사용하면서 서로 시각적으로 분리되어 최고 가시성 및 정확도를 제공합니다. 또한 이러한 모든 작업은 파형이 추가 또는 제거될 때 자동으로 수행됩니다! 디스플레이 하단의 설정 모음에 채널 및 파형 배지를 끌어놓기 하여 채널을 스택 표시 모드에서 쉽게 재정렬할 수 있습니다. 또한 채널의 그룹이 슬라이스 내에 중첩되어 신호의 시각적 비교가 단순화될 수 있습니다.
또한 대형 디스플레이는 신호뿐 아니라 도표, 측정 결과표, 버스 디코드 표를 위한 많은 보기 영역을 제공합니다. 애플리케이션에 맞게 다양한 보기의 크기를 쉽게 조정하고 이동할 수 있습니다.

사용하기 매우 간편한 사용자 인터페이스를 사용하여 현재 작업에 집중할 수 있습니다
설정 모음 - 주요 매개 변수 및 파형 관리
파형 및 스코프 작동 매개 변수는 디스플레이 하단을 따라 이어지는 설정 모음의 “배지” 제품군에 표시됩니다. 설정 모음을 사용하면 가장 일반적인 파형 관리 작업에 즉시 액세스할 수 있습니다. 한 번 누르면 다음을 할 수 있습니다.
- 채널 켜기
- 연산 파형 추가
- 레퍼런스 파형 추가
- 버스 파형 추가
- 통합 AFG(임의/함수 발생기)를 옵션으로 제공
- DVM(통합 디지털 전압계)를 옵션으로 제공
결과 모음 - 분석 및 측정
디스플레이 오른쪽의 결과 모음에는 커서, 측정, 검색, 측정 및 버스 디코드 결과표, 도표 및 참고 등의 가장 일반적인 분석 도구에 한 번 누름으로 바로 액세스할 수 있는 기능이 포함되어 있습니다.
DVM, 측정 및 검색 결과 배지는 파형 보기 영역을 희생시키지 않고 결과 모음에 표시됩니다. 추가 파형 보기 영역을 위해 결과 모음을 언제라도 해제하고 원래대로 되돌릴 수 있습니다.

마침내 알맞게 구현된 터치 상호 작용
오실로스코프에는 수년간 터치스크린이 포함되었습니다. 그러나 터치인터페이스는 나중에 생각한 것입니다. 4 제품군 B MSO의 디스플레이는 정전식 터치스크린을 포함하며 업계 최초로 터치 전용으로 만들어진 오실로스코프 사용자 인터페이스를 제공합니다.
전화 및 태블릿에서 사용하고 터치 활성화 장치에서 예상되는 터치 상호 작용이 지원됩니다.
- 파형을 왼쪽/오른쪽 또는 위/아래로 끌어서 수평 및 수직 위치를 조정하거나 확대/축소된 보기를 보여줌
- 핀치 및 확장하여 스케일을 변경하거나 수평 또는 수직 방향으로 줌 인/줌아웃함
- 항목을 휴지통으로 드래그하거나 화면 가장자리 밖으로 드래그하여 삭제합니다
- 오른쪽에서 안쪽으로 스와이프하여 결과 모음을 나타내거나 위에서 아래로 스와이프하여 디스플레이의 왼쪽 상단 모서리의 메뉴에 액세스함
매끄러운 반응형 전면 패널 컨트롤의 경우 익숙한 노브 및 버튼으로 조정할 수 있고 그 밖의 상호 작용 방법으로 마우스나 키보드를 추가할 수 있습니다. 
변수 글꼴 사이즈
지금까지는 오실로스코프 사용자 인터페이스를 파형 및 판독 값 보기에 최적화된 고정 글꼴 크기로 설계했습니다. 이러한 설계는 모든 사용자가 동일한 보기 기본 설정이라면 상관없겠지만, 보통은 그렇지 않습니다. 사용자가 화면을 보면서 상당한 시간을 보낸다는 것을 Tektronix는 인지하고 있습니다. 4 제품군 B MSO 이 제품군은 최소 12포인트에서 최대 20포인트까지 다양한 글꼴 크기를 사용자 기본 설정으로 제공합니다. 글꼴 크기를 조정하면 사용자 인터페이스가 동적으로 확장되므로 애플리케이션에 가장 적합한 크기를 쉽게 선택할 수 있습니다.


전면 패널 컨트롤의 세부 사항에 유의
일반적으로 스코프의 앞면은 대략 50% 디스플레이와 50% 컨트롤입니다. 4 제품군 B MSO 디스플레이는 장비 앞면의 약 75% 를 차지합니다. 이를 위해 디스플레이의 개체를 통해 직접 액세스되는 기능을 위한 메뉴 버튼의 수를 줄이고 단순한 직관적인 작동을 위한 중요한 컨트롤을 유지하는 간소화된 전면 패널이 있습니다.
컬러 코딩된 LED 표시등 링은 트리거 소스 및 수직 스케일/위치 노브 지정을 가리킵니다. 대형, 전용 실행/정지 및 싱글 시퀀스 버튼이 오른쪽 상단에 눈에 잘 띄게 배치되어 있고, 강제 트리거, 트리거 기울기, 트리거 모드, 기본값 설정, 자동 설정 및 빠른 저장 기능 같은 기타 기능은 모두 전용 전면 패널 버튼으로 제공합니다.
성능 차이 경험
디지털 포스퍼 기술 및 FastAcq™ 고속 파형 캡처
설계 문제를 디버그하려면 우선 문제점이 있는지 확인해야 합니다. FastAcq 기능을 사용한 디지털 포스퍼 기술을 통해 장치의 실제 작동을 빠르게 파악할 수 있습니다. 또한 FastAcq의 초당 500,000파형이 넘는 빠른 파형 캡처 속도로 런트 펄스, 글리치, 타이밍 문제 등 디지털 시스템에서 흔히 발생하는 간헐적 문제를 파악할 수 있습니다. 드물게 발생하는 이벤트에 대한 가시성을 더욱 강화하기 위해 명암 그레이딩은 드문 이상 신호가 정상 신호 특성에 비해 얼마나 자주 발생하는지 나타냅니다.

업계의 선두적인 수직 해상도
4 제품군 B MSO는 작은 신호 세부 사항을 보는 중에 진폭이 높은 신호를 캡처해야 할 경우 원하지 않는 노이즈의 효과를 제거하면서 관심 신호를 캡처하기 위한 성능을 제공합니다. 장비의 핵심에는 전형적인 8비트 ADC 수직 해상도의 16배를 제공하는 12비트 ADC(아날로그-디지털 변환기)가 있습니다.
새로운 고해상도 모드는 선택한 샘플링 속도를 기준으로 하드웨어 기반의 고유한 FIR(유한 임펄스 응답) 필터를 적용합니다. FIR 필터는 해당 샘플링 속도에서 가능한 최대 대역폭을 유지하면서도, 앨리어싱을 방지하고 오실로스코프 증폭기 및 ADC에서 노이즈를 제거하면서 샘플링 속도에서 사용 가능한 수준 이상의 대역폭을 유지합니다. 고해상도 모드는 항상 12비트 이상의 수직 해상도를 제공하고 125MS/s 이하의 샘플링 속도에서 16비트의 수직 해상도로 항상 확장합니다.
새로운 낮은 노이즈 프런트 엔드 증폭기를 통해 여러분의 미세 신호 세부 사항 분석 기능이 더욱 향상됩니다.

트리거링
장치의 오류를 발견한 후에는, 다음 단계로 관심 있는 이벤트를 캡처하여 근본 원인을 식별해야 합니다. 4 제품군 B MSO는 다음을 포함한 고급 트리거의 완전한 세트를 제공합니다.
- 런트
- 로직
- 펄스 폭
- 창
- 타임아웃
- 상승/하강 시간
- 셋업 앤 홀드 위반
- 시리얼 패킷
- 병렬 데이터
- 시퀀스
- 비디오
- 시각적 트리거
- RF vs 시간(옵션)
최대 62.5M 포인트 의 레코드 길이까지 관심 있는 이벤트를 많이 캡처할 수 있습니다. 단일 획득으로 수천 개의 시리얼 패킷까지 캡처하므로 세밀한 신호 정보를 고해상도로 확대하여 신뢰할 수 있는 측정을 보여줍니다.

비주얼 트리거 – 관심 있는 신호를 신속하게 찾을 수 있음
복잡한 버스의 올바른 사이클을 찾으려면 관심 있는 이벤트에 대한 수천 개의 획득을 오랫동안 수집하고 살펴봐야 합니다. 원하는 이벤트를 분리하는 트리거를 정의하면 디버깅 및 분석 작업의 속도를 높일 수 있습니다.
비주얼 트리거는 모든 파형 획득을 살펴보고 이를 화면 영역(기하학 모양)과 비교하여 장비의 트리거링 기능을 확장합니다. 마우스나 터치스크린을 사용하여 영역을 무제한으로 만들 수 있으며, 다양한 모양(삼각형, 직사각형, 육각형 또는 부등변 사각형)을 사용하여 원하는 트리거 동작을 지정할 수 있습니다. 모양이 만들어지면 서로 편집하여 사용자 정의 모양 및 이상적인 트리거 상태를 만들 수 있습니다. 여러 개의 영역이 정의되면 화면 편집 기능을 사용하여 복잡한 트리거 상태를 설정하는 데 부울린(Boolean) 로직 방정식을 사용할 수 있습니다.

가장 중요한 신호 이벤트에서만 트리거하면 시각적 트리거가 획득을 캡처하고 수동으로 조사하는 시간을 줄일 수 있습니다. 몇 초 또는 몇 분 안에 중요한 이벤트를 찾아 디버깅 및 분석 작업을 완료할 수 있습니다. 또한 시각적 트리거는 여러 개의 채널에 걸쳐 작동하여 복잡한 시스템 문제 해결 및 디버깅 작업에 유용성을 확장합니다.

정확한 고속 프로빙
TPP 시리즈 패시브 전압 프로브는 높은 동적 범위, 유연한 연결 옵션, 견고한 기계 설계 등 범용 프로브의 모든 이점을 제공하는 동시에 액티브 프로브의 성능을 제공합니다. 최대 1GHz 아날로그 대역폭에서 신호의 고주파수 구성 요소를 볼 수 있으며, 용량 부하가 3.9pF로 매우 낮기 때문에 회로에 미치는 역효과가 최소화되며 접지 리드선이 더 길어도 무방합니다.
TPP 프로브의 2X 버전인 저감쇠(옵션)를 사용하여 저전압을 측정할 수 있습니다. 다른 저감쇠 패시브 프로브와 달리 TPP0502는 광대역이며(500MHz) 용량 부하가 낮습니다(12.7pF).

TekVPI 프로브 인터페이스
TekVPI® 프로브 인터페이스는 간편한 프로빙 사용법의 표준을 제시합니다. 인터페이스에서 제공하는 안전하고 안정적인 연결 외에도 많은 TekVPI 프로브는 보정 박스 자체에 상태 표시기 및 컨트롤과 프로브 메뉴 버튼을 제공합니다. 이 버튼을 누르면 오실로스코프 화면에 프로브 관련 설정 및 컨트롤이 모두 제공되는 프로브 메뉴가 표시됩니다. TekVPI 인터페이스를 사용하면 별도의 전원 공급 없이 현재 프로브를 바로 연결할 수 있습니다. USB 또는 LAN을 통해 TekVPI 프로브를 원격으로 제어할 수 있으므로 ATE 환경에서 다양한 용도로 사용할 수 있는 솔루션입니다. 4 제품군 B MSO는 추가 프로브 전원 공급기 없이도 연결된 모든 TekVPI 프로브에 전력을 공급하기에 충분한 최대 80W의 전력을 전면 패널 커넥터에 제공합니다.
IsoVu™ 절연 측정 시스템
인버터를 설계, 전원 공급기의 최적화, 통신 링크 테스트, 전류 단락 레지스터 측정, EMI/ESD 이슈 디버깅, 또는 시험 설정 과정에서 접지 루프 제거 시, 엔지니어들은 일반 모드 간섭으로 인해 지금까지 ‘육안으로 식별이 어려운 부분’의 설계, 디버깅, 평가 및 최적화 작업에 영향을 받았습니다.
Tektronix의 혁신적인 IsoVu 기술에서는 완전한 전기적 절연을 위해 광학 통신 및 PoF(Power over Fiber)를 사용합니다. TekVPI 인터페이스를 갖춘 4 제품군 B MSO와 함께 사용하면 다음과 같은 기능을 통해 큰 일반 모드 전압에서 광대역, 차동 신호를 정확하게 확인할 수 있는 유일무이한 측정 시스템입니다.
- 완전한 전기적 절연
- 최대 1GHz 대역폭
- 100MHz에서 1,000,000~1(120dB) 일반 모드 제거
- 전체 대역폭에서 10,000~1(80dB) 일반 모드 제거
- 최대 2,500V 차동 동적 범위
- 60kV 일반 모드 전압 범위

IsoVu로 고압측 게이트 전압 측정
다음 이미지는 표준 디퍼런셜 프로브와 광학 절연 프로브의 고압측 게이트 전압을 비교해서 보여줍니다. 끈 상태와 켠 상태 모두에서 장치의 게이트가 임계값 영역을 통과한 후 고주파 링잉이 나타나는 것을 관찰할 수 있습니다. 게이트와 전원 루프의 커플링으로 약간의 링잉이 나타날 것으로 예상됩니다. 하지만 디퍼런셜 프로브의 경우, 링잉은 광학 절연 프로브로 축정한 것보다 확연히 높은 진폭을 보여주고 있습니다. 이는 변화하는 기준 전압이 프로브 내 일반 모드 전류를 유발하기 때문에, 그리고 표준 디퍼런셜 프로브의 아티팩트 때문일 가능성이 높습니다. 디퍼런셜 프로브로 측정한 파형이 장치의 최대 게이트 전압을 통과하는 것으로 보이는 것에 반해, 광학 절연 프로브의 보다 정확한 측정은 장치가 규격 내에 있음을 확실하게 보여줍니다. 게이트 전압 측정 시 표준 디퍼런셜 프로브를 사용하는 애플리케이션 디자이너는 주의를 기울여 주시기 바랍니다. 여기에서 표시되는 프로빙 및 측정 시스템 아티팩트 사이의 차이점이나 장치 등급의 실제 위반 여부를 구분하기 어려울 수 있기 때문입니다. 이 측정 아티팩트는 일시적 스위칭의 속도를 늦추고 링잉을 감소시키기 위해 디자이너가 게이트 저항을 증가시키도록 할 수 있습니다. 하지만 이로 인해 반드시 SiC 장치에서 손실이 증가하지는 않습니다. 이와 같은 이유로, 시스템을 적절하게 디자인하고 성능을 최적화하기 위해 장치의 실제 역동을 정확하게 반영하는 측정 시스템을 갖추는 것이 필수적입니다. 
신속한 통찰력을 위한 포괄적 분석
기본 파형 분석
프로토 타입의 성능이 시뮬레이션과 일치하고 프로젝트의 설계 목적에 부합하는지 확인하려면 상승 시간 및 펄스 폭의 간단한 확인에서부터 정교한 파워 손실 분석, 시스템 클럭의 특성화 및 노이즈 소스 조사에 이르는 신중한 분석이 필요합니다.
4 제품군 B MSO는 다음을 비롯한 포괄적인 표준 분석 도구 세트를 제공합니다.
- 파형 및 화면 기반 커서
- 36가지 자동 측정 기능. 측정 결과에는 레코드의 모든 인스턴스, 한 발생에서 다음 발생까지 탐색 기능, 레코드에서 발견되는 최소 또는 최대 결과의 즉시 보기가 포함됩니다.
- 기본 파형 연산
- 기본 FFT 분석
- 필터와 변수를 사용하는 임의 등식 편집을 포함한 고급 파형 연산
- 시간 및 주파수 도메인의 독립적 제어를 통한 스펙트럼 보기 주파수 도메인 분석
- FastFrame™ 세그먼트화된 메모리를 사용하면 단일 레코드에서 여러 트리거 이벤트를 캡처하는 한편 관심 있는 이벤트 사이의 큰 시간 차이를 없애 오실로스코프의 획득 메모리를 효율적으로 사용할 수 있습니다. 세그먼트를 개별적으로 또는 오버레이로 보고 측정할 수 있습니다.
표준 진폭 및 시간 측정은 관련 정보를 표시하기 위해 시각적 막대와 표식으로 된 파형 표시를 주석으로 답니다. 측정 결과표는 현재 획득과 모든 획득에 대한 통계를 사용하여 측정 결과에 대한 포괄적인 통계 보기를 제공합니다.

호출
- 참고: 화면에서 텍스트 상자를 쓰고 위치를 조정합니다.
- 화살표: 텍스트 상자를 쓰고 위치를 조정한 다음, 화면의 특정 위치에 화살표를 추가합니다.
- 직사각형: 텍스트를 쓰고 크기 조정이 가능한 상자가 지시하는 대로 화면의 특정한 영역 위에 윤곽선을 그립니다.
- 북마크: 트리거 포인트와 연관된 특정한 시간에 동적 판독값을 생성합니다. 이 판독값은 텍스트, 신호의 진폭, 신호 단위, 북마크 기준 포인트를 지시하는 라인 및 타겟을 포함합니다.
테스트 결과 및 방법을 문서화하는 것은 팀 간에 데이터 공유, 나중에 측정을 재생성, 고객 보고서 제공 등의 상황에서 중요합니다. 화면을 몇 번 탭 하면 필요한 만큼 많은 사용자 정의 호출을 생성할 수 있습니다. 테스트 결과의 특정 세부 사항을 문서화할 수 있습니다. 각 호출에서 텍스트, 위치, 색상, 글자 크기 및 글꼴을 사용자 정의할 수 있습니다.

탐색 및 검색
긴 파형 레코드에서 관심 있는 이벤트를 찾는 일은 올바른 검색 도구가 없다면 시간 소모적인 작업이 될 수 있습니다. 현재와 같이 레코드 길이가 수백만 데이터 포인트가 넘는 상황에서는 이벤트를 찾기 위해 문자 그대로 수천 개의 신호 활동 화면을 스크롤해야 할 수 있습니다.
4 제품군 B MSO는 혁신적인 Wave Inspector® 컨트롤을 통해 업계에서 가장 포괄적인 검색 및 파형 탐색 기능을 제공합니다. 또한 레코드 패닝과 확대/축소를 더욱 신속하게 제어할 수 있습니다. 고유한 포스 피드백 시스템으로 레코드의 한 쪽 끝에서 다른 끝으로 몇 초 만에 이동할 수 있습니다. 또는 디스플레이 자체에서 직관적인 드래그 및 핀치/확장 제스처를 사용하여 긴 레코드에 대한 관심 영역을 조사합니다.
검색 기능을 사용하면 자동으로 장시간의 획득을 검색하여 사용자 정의 이벤트를 찾을 수 있습니다. 발생한 모든 이벤트가 검색 표시로 강조 표시되므로 디스플레이의 검색 배지 또는 전면 패널에서 확인할 수 있는 이전(←) 및 다음(→) 버튼을 사용하여 간편하게 이벤트를 탐색할 수 있습니다. 검색 유형에는 에지, 펄스 폭, 타임아웃, 런트, 창, 로직, 셋업 앤 홀드, 상승/하강 시간 및 병렬/시리얼 버스 패킷 콘텐츠가 포함됩니다. 원하는 대로 고유한 많은 검색을 정의할 수 있습니다.
검색 배지에서 최소 및 최대 버튼을 사용하여 검색 결과의 최소 및 최대 값으로 빨리 이동할 수 있습니다.

마스크 및 한계 테스트(옵션)
신호 무결성에 중점을 두든 생산을 위한 합격/불합격 조건을 설정하든 마스크 테스트는 시스템에서 특정 신호의 동작을 특정하는 데 효율적인 도구입니다. 화면에 마스크 세그먼트를 그려서 사용자 정의 마스크를 신속하게 만듭니다. 사용자의 특정한 요구 사항에 맞도록 테스트를 조정하여, 마스크 적중이 등록될 때 또는 전체 테스트가 통과 또는 실패할 때 취할 조치를 설정합니다.
한계 테스트는 신호의 장기적 동작을 모니터링하는 통찰력 있는 방법으로 새로운 설계를 특성화하거나 생산 라인 테스트 중에 하드웨어 성능을 확인하는 데 도움이 됩니다. 한계 테스트는 라이브 신호를 사용자 정의 수직 및 수평 허용 오차를 사용하여 동일한 신호의 양호한 버전 또는 "골든" 버전과 비교합니다.
그리고
- 여러 파형의 테스트 기간을 정의하고,
- 테스트 실패의 기준이 되는 위반 임계값을 설정하며
- 통계 정보와 함께 위반/실패 수를 카운트하고,
- 위반, 테스트 실패, 테스트 완료 시 작업을 설정

프로토콜 디코드 및 분석(옵션)
디버깅 중의 하나 이상의 직렬 버스에 대한 트래픽을 관찰하여 시스템을 통한 활동의 흐름을 추적하는 것이 중요할 수 있습니다. 단일 시리얼 패킷을 수동으로 디코딩하는 데 몇 분이 걸릴 수 있으며, 더구나 획득 시간이 길 수 있는 수천 개의 패킷은 말할 것도 없습니다.
특정 명령을 직렬 버스를 거쳐 보낼 때 캡처하려는 관심 있는 이벤트를 알고 있는 경우 그 이벤트에 대해 트리거할 수 있다면 근사하지 않겠습니까? 유감스럽게도 그것은 단순히 에지 또는 펄스 폭 트리거를 지정하는 것처럼 쉽지 않습니다.

4 제품군 B MSO는 임베디드 설계에서 발견되는 가장 일반적인 직렬 버스 작업을 위하여 I2C, SPI, eSPI, I3C, RS-232/422/485/UART, SPMI, SMBus, CAN, CAN FD, LIN, FlexRay, SENT, PSI5, CXPI, , , USB LS/FS/HS, eUSB 2.0, 이더넷 10/100, EtherCAT, 오디오(I 2 S/LJ/RJ/TDM), MIL-STD-1553, ARINC 429, Spacewire NRZ, Manchester, SVID, SDLC, 1선, MDIO, NFC를 포함하는 견고한 도구 세트를 제공합니다.
프로토콜 검색을 사용하면 시리얼 패킷의 긴 획득을 철저히 검색하고, 지정하는 특정 패킷 콘텐츠가 포함된 시리얼 패킷을 찾을 수 있습니다. 발생한 각 이벤트는 검색 표시로 강조 표시됩니다. 전면 패널의 또는 결과 모음에 표시되는 검색 배지의 이전(←) 및 다음( →) 버튼을 눌러 신속하게 표시를 탐색할 수 있습니다.
직렬 버스에 대해 설명된 도구는 병렬 버스에도 사용됩니다. 장비에서 병렬 버스에 대한 지원이 기본으로 제공됩니다. 병렬 버스는 폭이 최대 48비트이며 아날로그와 디지털이 결합된 채널을 포함할 수 있습니다.
- 시리얼 프로토콜 트리거링을 통해 패킷 시작, 특정 주소, 특정 데이터 콘텐츠, 고유한 식별자 및 오류를 포함하여 특정 패킷 콘텐츠에 대해 트리거할 수 있습니다.
- 버스 파형에서는 버스를 구성하는 클럭, 데이터 및 칩 사용 같은 개별 신호에 대해 정교한 통합 보기를 제공합니다. 이 보기를 사용하면 패킷의 시작/끝 위치와 주소, 데이터, 식별자, CRC 등의 하위 패킷 구성 요소를 손쉽게 식별할 수 있습니다.
- 버스 파형은 다른 모든 표시된 신호에 맞춰 조정된 시간으로서, 테스트 중인 시스템의 다양한 부품에 대해 타이밍 관계를 손쉽게 측정할 수 있게 해줍니다.
- 버스 디코드 표는 소프트웨어 목록의 경우와 매우 유사하게 획득에서 디코드된 모든 패킷을 볼 수 있도록 표로 정리하여 제공합니다. 패킷에는 시간이 표시되며 주소, 데이터 등의 각 구성 요소 열에 패킷이 연속으로 나열됩니다.
NFC 디코드 및 분석(옵션)
NFC 디자인의 성능 마진을 평가하는 일은 대개 어렵습니다. 프로토콜 레벨 결과를 파라메트릭 신호 레벨에 이르기까지 자세하게 추적할 수 없기 때문입니다. 이 때문에 마진 통과가 추후 테스트 플로우에서는 실패로 나타날 수 있으며, 특히 디자인이 디자인상의 단점과 근처 전자 기기에 의해 발생된 간섭 및 신호 무결성에 예민한 경우 더욱 그렇습니다. 이는 프로토콜 분석기 및 RF 신호 분석기 같은 여러 개의 장비에 걸쳐 시간이 많이 소모되는 디버깅 작업을 요구합니다.
4 제품군 B MSO 위 제품군에서 이용하실 수 있는 NFC 프로토콜 디코드 및 검색 옵션은 사용자에게 NFC 링크 트랜잭션 현황을 볼 수 있도록 가시성을 제공합니다. 또한 프로토콜 수준부터 근본적인 신호 레벨에 이르기까지 표준에 따른 신호 조작의 모든 단계에 걸쳐 결과를 추적할 수 있어 NFC, 칩, 태그, 리더, 모바일 장치가 어떻게 실행되고 있는지 정확한 인사이트를 얻으실 수 있습니다.
NFC 트랜잭션에는 시간이 오래 걸립니다. 하지만 이 소프트웨어 옵션은 샘플링 속도 압축을 허용하며 스펙트럼 보기에 사용되는 하드웨어 DDC로부터 획득한 데이터를 고유한 방식으로 사용합니다. 덕분에 전송 시간과 메모리를 절약하고, 단일 데이터에 대해 100밀리세컨드, 심지어는 몇 초 분량의 데이터를 캡처하고 분석할 수 있습니다.
그뿐만 아니라, I/O 신호가 항상 피시험 장치에서 프로빙이나 트리거를 할 수는 없는 일입니다. NFC의 작은 변조 인덱스를 고려했을 때, RF 엔벨로프에서의 트리거링은 그 자체로 쉬운 일이 아닙니다. 하지만 스펙트럼 보기를 이용하시면 시간 형적 및 트리거 외에도 RF를 사용해 13.56MHz 엔벨로프에서 트리거링을 할 수 있습니다. 이 역시 장비 중에서도 남다른 개성을 자랑합니다.
이 기능은 선제적인 디자인 검증을 간결화하고, 실패가 발생했을 때 단 하나의 장비로 강력한 디버깅 도구 역시 제공합니다.

스펙트럼 보기
주파수 도메인에서 하나 이상의 신호를 봄으로써 문제를 디버하기가 종종 더 쉬워집니다. 이러한 요구를 충족하기 위해 오실로스코프에는 수십 년의 노력이 담긴 연산 기반 FFT가 포함됩니다. 그러나 FFT는 두 가지 주요한 이유로 사용하기 어려운 것으로 알려져 있습니다.
첫째, 주파수 도메인 분석 수행 시 일반적으로 스펙트럼 분석기에서 발견하는 중심 주파수, RBW(범위 및 해상도 대역폭) 같은 컨트롤에 대해 생각합니다. 그러나 그 후 FFT를 사용하려면 샘플링 속도, 레코드 길이 및 시간/div 같은 기존 스코프 컨트롤 등 문제에 부닥치고, 주파수 도메인에서 보기를 찾으려면 모든 정신적 번역을 실행해야 합니다.
둘째, FFT는 아날로그 시간 도메인 보기를 제공하는 것과 동일 획득 시스템에서 구동됩니다. 획득 설정을 아날로그 보기로 최적화하면 주파수 도메인 보기가 마음에 들지 않게 됩니다. 주파수 도메인 보기가 원하는 상태로 되면 아날로그 보기가 마음에 들지 않게 됩니다. 연산 기반 FFT를 사용하면 두 도메인에서 모두 최적의 보기를 얻는 것은 사실상 불가능합니다.
스펙트럼 보기가 이 모든 것을 바꿉니다. Tektronix의 특허 기술은 시간 도메인을 위한 데시메이터와 각 FlexChannel 뒤의 주파수 도메인을 위한 디지털 다운 컨버터(DDC)를 제공합니다. 이 두 경로를 통해 각 도메인에 대한 독립적인 획득 설정으로 입력 신호의 시간 도메인 보기와 주파수 도메인 보기를 모두 동시에 관찰할 수 있습니다. 다른 제조업체들은 사용 간편성을 주장하는 다양한 ‘스펙트럼 분석’ 패키지를 제공하지만 모두 위에 설명된 한계를 가지고 있습니다. 스펙트럼 보기만이 뛰어난 사용 간편성과 두 도메인에서 최적의 보기를 동시에 확보할 수 있는 기능을 제공합니다.
일반적으로 RF 채널 파워(CHP), 인접 채널 파워 비율(ACPR), 점유 대역폭(OBW) 등 RF 측정 수행은 전용 스펙트럼, 신호 분석기, 또는 스펙트럼 분석 소프트웨어를 필요로 합니다. 이 추가 하드웨어 또는 소프트웨어는 측정을 더욱 복잡하게 하고 많은 비용을 소요합니다. 스펙트럼 보기를 포함해 이용 가능한 표준은 각 채널에 RF 측정을 통합해 사용자의 시간, 벤치 공간, 비용을 절약합니다. 또한 오실로스코프에서 직접 RF 전송기 CHP, ACPR, OBW를 검증할 수도 있습니다.
또한 DDC는 중심 주파수가 아닌 범위의 기능이 되기 때문에 요구되는 샘플링 속도를 현저하게 줄여 규약 상의 FFT에 비교되는 신호를 해결합니다. 덕분에 파일 사이즈를 줄이고, 주파수 해상도를 높이고, 스펙트럼 업데이트 속도를 증가시켜 더욱 반응력이 좋고 정확한 솔루션을 생성하며, 10’s의 스펙트럼 데이터도 캡처할 수 있습니다.


RF 신호 변화 시각화(옵션)
RF 시간 도메인 추적을 이용하면 시간에 따라 달라지는 RF 신호에서 나타나는 현상을 쉽게 이해할 수 있습니다. 스펙트럼 보기의 기본 I 및 Q 데이터에서 파생된 세 가지 RF 시간 도메인 추적이 있습니다.
- 진폭 - RF 입력의 순간적 진폭 대 시간.
- 주파수 – 중앙 주파수 대 시간에 대한 스펙트럼의 순간 주파수.
- 위상 - 중앙 주파수의 상대적인 스펙트럼의 순간 위상 대 시간
각 추적은 독립적으로 켜고 끌 수 있으며 세 가지 모두 동시에 표시할 수 있습니다.
데이터는 동상 및 직교(I&Q) 샘플로 저장되며, 시간 도메인과 I&Q 데이터 사이의 정확한 동기화가 유지됩니다.
RF 대 시간 추적이 활성화되면 제3자 애플리케이션 내에서 고급 분석을 진행하기 위해 IQ 데이터를 캡처하고 파일로 내보낼 수 있습니다.
x축에 주파수, y축에 시간, 전력 레벨을 다양한 색깔로 표시하는 스펙트로그램 화면(RFVT 옵션 포함)은 시간에 따른 신호 진폭 및 주파수 컨텐츠의 변화에 대해 향상된 인사이트를 제공합니다. 이를 통해 스펙트럼 활동이 언제 어디에서 발생하는지 확인할 수 있습니다. 따라서 복잡한 가상 신호, 주파수 호핑 신호, 다중 채널 신호, 역동적 신호를 진단할 때와 같이 스펙트럼 데이터에서 추이를 표시할 때 이상적입니다.
스펙트로그램의 장점으로는 다음이 있습니다.
- 모든 스펙트럼 활동을 주어진 범위에서 확인하고 즉시 획득할 수 있으며, 이 때 FFT 중첩이나 스펙트럼 시간을 특정하지 않아도 됩니다
- 시간 상관 커서 및 최대 3개의 중첩된 스펙트럼 추적을 사용해 서로 다른 시간대의 지점에서 빠르게 스펙트럼을 비교할 수 있습니다
- 최적화된 디스플레이 해상도 및 FFT 중첩으로 관심 있는 스펙트럼 활동을 집어 줌 인 할 수 있습니다
- 필요한 대로 중심 주파수, 범위, RBW, 진폭 색 스케일링을 조정해 관심 있는 신호를 모두 확인할 수 있습니다
- 사용 가능한 오실로스코프 채널마다 스펙트로그램을 활성화하고 독립적으로 중심 주파수와 진폭 스케일링을 설정해 다중 채널 또는 비연속 스펙트럼으로 추이를 확인할 수 있습니다


RF 신호에서 교체 트리거하기(옵션)
전자기 간섭의 원인을 찾거나 VCO의 동작을 이해해야 하는 경우, RF 대 시간에 대한 하드웨어 트리거를 통해 RF 신호 동작을 쉽게 분리, 캡처 및 이해할 수 있습니다. RF 진폭 vs 시간 및 RF 주파수 대 시간의 에지, 펄스 폭 및 타임아웃 동작을 트리거합니다.
전력 분석(옵션)
4 제품군 B MSO 이 제품군은 전력 품질, 입력 커패시턴스, 돌입 전류, 고조파, 스위칭 손실, SOA(안전 동작 영역), 변조, 리플, 효율성, 진폭 및 타이밍 측정, 및 슬루율(dv/dt 및 di/dt)
측정 자동화를 통해 외부 PC나 복잡한 소프트웨어 설정의 필요없이 버튼을 누르면 측정 품질 및 반복성이 최적화됩니다.
고급 전력 분석 패키지(옵션)는 전력 분석 패키지 및 자기 측정, 제어 루프 응답(보드 선도) 및 전원 공급 제거비(PSRR)기능을 활용하는 모든 기능을 제공합니다. 더 자세한 정보는 주문 정보 섹션을 참고해 주세요.

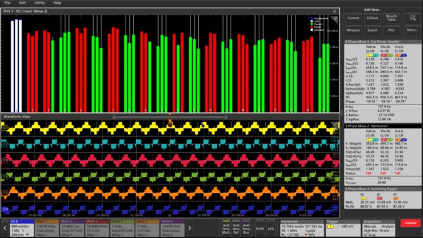
3상 전기적 분석(옵션)

3상 전력 시스템에 대한 측정과 분석은 본래 1상 시스템에 비해 복잡할 수밖에 없습니다. 오실로스코프가 높은 샘플링 속도로 전압과 전류 파형을 캡처할 수는 있지만, 그 데이터로부터 핵심 전원 측정을 생성하려면 사후 계산이 요구됩니다. 오실로스코프를 기반으로 한 3상 솔루션은 최대 16피트의 고해상도 획득 모드를 사용한 덕분에 보다 높은 샘플링 속도 및 더 긴 레코드 길이로 3상 전압과 전류 파형을 캡처합니다. 또한, 3상 솔루션은 자동화된 측정 기능의 도움으로 핵심 전원 테스트 결과를 생성합니다. PWM 신호에 대해 정확한 제로 교차를 추출하는 것이 아주 중요하기 때문에, 펄스 폭 변조(PWM)을 기반으로 한 전력 컨버터는 측정을 복잡하게 만들 수 있습니다. 그렇기 때문에 디자이너에게 오실로스코프가 검증 및 문제 해결을 할 수 있는 도구로 추천됩니다.
이 소프트웨어는 PWM 시스템의 중요한 3상 전력 측정을 간소화하기 위해 전력 분석을 자동화할 수 있도록 특별히 설계되었습니다. 이를 통해 엔지니어는 디자인과 관련된 인사이트를 더욱 빠르게 얻을 수 있습니다. Tektronix의 3상 분석 솔루션은 장비에서 개선된 사용자 인터페이스, 6개의 아날로그 입력 채널, ‘Hi Res’ 모드(16 비트)를 활용할 수 있도록 해 엔지니어의 디자인이 더욱 개선되고 효율적인 3상 시스템을 갖출 수 있도록 돕습니다. 이 솔루션은 지원되는 전기적 측정에 대해 빠르고, 정확하며, 재측정이 가능한 결과를 제공합니다. 전기 자동차에 사용되는 것처럼 DC를 3상 AC 컨버터로 측정하도록 구성할 수도 있습니다.

주요 기능 및 사양:
- 3상 PWM 신호를 정확하게 분석합니다.
- 고유의 오실로스코프 기반 페이저 다이어그램이 구성된 배선 쌍을 대상으로 VRMS, IRMS, VMAG, IMAG, 위상 관계를 한 눈에 보기 쉽게 표시합니다.
- 페이저 다이어그램과 동시에 드라이브 입력/출력 전압 및 전류 신호를 시간 도메인에서 확인해 3상 디자인을 디버깅합니다.
- 3상 자동 설정 기능은 3상 신호를 획득할 수 있도록 최적화된 수평, 수직, 트리거, 획득 파라미터를 구성합니다.
- IEEE-519 표준에 따르거나 사용자 정의 한계를 사용해 3상 고조파를 측정합니다.
- 4 제품군 B MSO에서 직관적인 드래그 앤 드롭 인터페이스를 통해 빠르게 측정값을 추가하고 구성합니다.
- DC-AC 토폴로지를 위한 인버터 및 자동화된 3상 디자인을 분석합니다.
- 분석 중 PWM으로 필터링한 에지 검정기 파형을 표시합니다.
- 특정한 측정을 분석하는 중에 기록 또는 사이클 모드별 테스트 결과를 표시합니다.
- 특정한 측정에 대한 시간 추이 및 획득 추이 도표를 지원합니다.
- 특정 배선에 대해 수학적으로 ‘라인 간’에서 ‘라인과 중립 사이’로 변환할 수 있도록 지원합니다.
측정 개요
4 제품군 B MSO의 3상 분석은 핵심 전기적 측정을 자동화하며, 이는 아래와 같은 세 가지 카테고리로 분류됩니다.
- 입력 분석
- 출력 분석
- 리플 분석
이들 각 섹션은 3상 애플리케이션에 필수적인 핵심 측정을 포함합니다.
광대역 밴드갭 이중 펄스 테스트(옵션)
광대역 밴드갭 이중 펄스 테스트 애플리케이션은 정확한 광대역 밴드갭 측정치를 제공해 장치와 시스템 검증을 더욱 쉽게 만들어줍니다. SiC 또는 GaN 장치를 테스트할 수 있으며, Si MOSFET 및 IGBT 역시 테스트가 가능합니다. 이 애플리케이션은 Tektronix IsoVu™ 프로브와 함께 사용 시 Tektronix VPI와 호환이 가능합니다. 회로 레벨에서 SiC 또는 GaN 장치의 숨겨진 모든 아티팩트를 발견하는 데 도움을 줍니다. 이 애플리케이션은 JEDEC 및 IEC 표준에 따라 자동화된 측정치를 제공합니다. 또한 주석이 달린 사이클별 분석, 사용자 정의 기준 레벨 설정을 갖춘 유연성, 구성 가능한 통합 포인트, DUT 디자인을 기반으로 설정 가능한 전원 사전 설정 등 특별한 기능을 제공합니다.
다음과 같은 측정이 실행됩니다.
- 낮은 쪽의 스위칭 매개 변수 및 높은 쪽의 다이오드 역복구 측정
- 낮은 쪽 및 높은 쪽의 스위칭 매개 변수

사용자의 필요에 맞춘 디자인
연결성
4 제품군 B MSO에는 계측기를 네트워크에 연결하거나 PC 또는 다른 테스트 장비에 직접 연결하는 데 사용할 수 있는 여러 가지 포트가 포함되어 있습니다.
- 전면의 USB 2.0 포트 3개 및 3개의 추가 USB 2.0 호스트 포트가 후면 패널에 있어 쉽게 화면 샷, 장비 설정 및 파형 데이터를 USB 일괄 저장 장치에 전송할 수 있습니다. 또한 장비 제어 및 데이터 입력을 위해 USB 마우스와 키보드를 USB 호스트에 연결할 수 있습니다.
- 후면 패널의 USB 장치 포트는 PC에서 원격으로 오실로스코프를 제어하는 데 유용합니다.
- 계측기 후면의 표준 10/100/1000BASE-T 이더넷 포트는 손쉬운 네트워크 연결을 가능하게 하며 LXI Core 2011 호환성을 제공합니다.
- 장비 후면의 HDMI 포트 를 통해 1,920 x 1,080 해상도로 외부 모니터 또는 프로젝터의 장비 디스플레이를 복제할 수 있습니다.
공동 작업을 향상하기 위한 원격 작업
세계 반대편에 있는 설계 팀과의 협업이 필요합니까?
오실로스코프의 IP 주소 또는 네트워크 이름을 입력하면 브라우저에 웹 페이지가 표시됩니다. 직접 하는 것과 꼭 같은 방법으로 내장된 터치스크린을 사용해 오실로스코프를 원격으로 제어합니다.
데이터 분석 및 문서화를 위해 Windows 애플리케이션을 사용 및 향상할 수 있도록 업계 표준 TekVISA™ 프로토콜이 포함되어 있습니다. 또한 외부 PC에서 LAN 또는 USBTMC 연결을 사용하여 오실로스코프와 쉽게 통신할 수 있도록 IVI-COM 장비 드라이버가 포함됩니다.
PC 기반 분석 및 사용자 스코프에 원격 연결
수상 경력을 자랑하는 오실로스코프를 사용자의 PC에 설치해서 분석 기능을 활용해보십시오. 언제 어디서나 파형 분석이 가능합니다. 기본 라이센스를 통해 파형 보기 및 분석, 다양한 유형의 측정 실행, 가장 흔한 시리얼 버스 디코딩을 하실 수 있습니다. 그뿐만 아니라, 이와 동시에 오실로스코프에 원격으로 접근하실 수 있습니다. 고급 라이센스 옵션을 이용하시면 다중 스코프 분석, 더 많은 시리얼 버스 디코딩 옵션, 파워 측정까지 하실 수 있습니다.

TekScope PC 분석 소프트웨어의 키 기능 중에는
- Tektronix 및 기타 공급 업체에서 만든 장비의 Tektronix 오실로스코프 세션 및 파형 파일 호출 기능도 있습니다.
- 지원되는 파형 파일 형식으로는 .wfm, .isf, .csv, .h5, .tr0, .trc, .bin이 있습니다.
- Tektronix 4/5/6 제품군 MSO에 원격으로 연결해 실시간으로 데이터를 획득할 수 있습니다.
- 원격으로 동료와 데이터를 공유할 수 있어 동료가 오실로스코프 앞에 있는 것처럼 분석을 실행하고 측정할 수 있습니다.
- 여러 오실로스코프의 파형을 실시간으로 동기화할 수 있습니다.
- 오실로스코프에 TekScope PC 분석 소프트웨어가 없어도 고급 분석을 실행할 수 있습니다.
TekDrive 협력 테스트 및 측정 작업 공간
TekDrive를 사용하시면 연결된 모든 장치에서 모든 파일 형식을 업로드, 저장, 구성, 검색, 다운로드, 공유할 수 있습니다. TekDrive는 파일을 원활하게 공유하고 호출할 수 있도록 장비에 기본적으로 통합되어 있으므로 USB 스틱이 필요하지 않습니다. 매끄러운 인터랙티브 파형 보기와 함께 .wfm, .isf, .tss, and .csv 같은 표준 파일을 브라우저에서 직접 분석하고 탐색할 수 있습니다. TekDrive는 통합, 자동화, 보안을 목적으로 구축되었습니다.

AFG(임의/함수 발생기)
계측기에는 설계 내에서 센서 신호 시뮬레이션을 수행하거나 신호에 노이즈를 추가하여 마진 테스트를 수행할 수 있는 통합 임의/함수 발생기(옵션)가 포함되어 있습니다. 통합 함수 발생기는 사인파, 사각파, 펄스, 램프/삼각파, DC, 노이즈, 사인(x)/x(Sinc), 가우스, 로렌츠, 지수 상승/하강, 하버사인 및 카디악을 위해 최고 50MHz의 사전 정의 파형 출력을 제공합니다. AFG는 내부 파일 위치 또는 USB 대용량 저장 장치에서 최대 128k 포인트 크기의 파형 레코드를 로드할 수 있습니다.
AFG 기능은 Tektronix의 ArbExpress PC 기반 파형 생성 및 편집 소프트웨어와 호환되므로 복잡한 파형을 빠르고 쉽게 생성할 수 있습니다.
DVM(디지털 전압계) 및 트리거 주파수 계수기
장비에는 통합 4자리 DVM(통합 디지털 전압계) 및 8자리 트리거 주파수 계수기가 있습니다. 모든 아날로그 입력은 이미 범용 오실로스코프에 장착된 동일한 프로브를 사용하여 전압계의 소스가 될 수 있습니다. 주파수 계수기는 트리거하는 중에 트리거 이벤트의 매우 정확한 주파수 판독 값을 제공합니다.
DVM과 트리거 주파수 계수기는 무료로 사용할 수 있으며 제품 등록 시 활성화됩니다.
도움말 기능
몇 개의 유용한 리소스가 포함되어 있어 매뉴얼을 뒤적거리거나 웹 사이트에 접속할 필요 없이 빠르게 질문에 대한 답을 얻으실 수 있습니다.
- 그래프 이미지 및 설명 텍스트는 많은 메뉴에서 빠른 기능 개요를 제공하는 데 사용됩니다.
- 모든 메뉴에는 해당 메뉴에 적용되는 통합 도움말 시스템의 부분으로 바로 이동할 수 있도록 질문 표시 아이콘이 오른쪽 상단에 포함되어 있습니다.
- 도움말 메뉴에는 새 사용자가 몇 분 내에 장비를 이해할 수 있도록 간략한 사용자 인터페이스 튜토리얼이 포함되어 있습니다.

사양
별도 표시된 경우를 제외하고는 모든 모델에 모든 사양이 적용됩니다.
모델 개요
| 4채널 모델 | 6채널 모델 | ||
|---|---|---|---|
| FlexChannel 입력 | 4 | 6 | |
| 최대 아날로그 채널 | 4 | 6 | |
| 최대 디지털 채널(옵션 로직 프로브 포함) | 32 | 48 | |
| 보조 트리거 입력 | 300V 이하 RMS(에지 트리거만 해당) | ||
| 대역폭(계산된 상승 시간) | 200 MHz, 350 MHz, 500 MHz, 1 GHz, 1.5 GHz | ||
| DC 게인 정확도 | 50Ω: ±1.0%,(1mV/Div 및 500µV/Div 설정에서 ±2.5%), 30°C 초과 0.100%/°C에서 줄임 | ||
| 1MΩ 및 250kΩ: ±1.0%,(1mV/Div 및 500µV/Div 설정에서 ±2.0%), 30°C 초과 0.100%/°C에서 줄임 | |||
| ADC 해상도 | 12비트 | ||
| 수직 해상도 | 6.25GS/s에서 8비트 | ||
| 3.125GS/s에서 12비트 | |||
| 1.25GS/s(고해상도)에서 13비트 | |||
| 625MS/s(고해상도)에서 14비트 | |||
| 250MS/s(고해상도)에서 15비트 | |||
| 125MS/s(고해상도) 이상에서 16비트 | |||
| 샘플링 속도 | 모든 아날로그/디지털 채널에서 6.25GS/s(160ps 해상도) | ||
| 레코드 길이(표준) | 모든 아날로그/디지털 채널에서 31.25M 포인트 | ||
| 레코드 길이(옵션) | 모든 아날로그/디지털 채널에서 62.5M 포인트 | ||
| 파형 캡처 속도, 일반 | >500,000wfms/s | ||
| 임의/함수 발생기(옵션) | 최대 50MHz 출력에서 13개의 미리 정의된 파형 | ||
| DVM | 4자리 DVM(제품 등록 시 무료) | ||
| 트리거 주파수 계수기 | 8자리 주파수 계수기(제품 등록 시 무료) | ||
수직 시스템
- 대역폭 선택
50 Ω: 모델에 대한 20MHz, 250MHz 및 전체 대역폭 값
1 MΩ: 20 MHz, 250 MHz, 500 MHz
- 입력 커플링
- DC, AC
- 입력 임피던스
- 50Ω ± 1%
- 1MΩ ± 1%, 13.0pF ± 1.5pF 포함
- 입력 민감도 범위
- 1MΩ
- 1-2-5 순서로 500µV/div~10V/div
- 50Ω
- 1-2-5 순서로 500µV/div ~1V/div
- 장비 대역폭 구성에 따라 500μV/div은 1mV/div의 2배 디지털 줌 또는 2mV/div의 4배 줌에 해당됨
- 최대 입력 전압
- 50Ω: 피크가 ≤ ±20V인 5VRMS(DF ≤ 6.25%)
- 1MΩ: 300VRMS,
- 4.5MHz~45MHz에서 20dB/decade로 줄임, 45MHz~450MHz에서 14dB 줄임 450MHz 초과, 5.5VRMS
- 유효 비트(ENOB), 일반
- 고해상도 모드, 50Ω, 90% 전체 화면의 10MHz 입력
대역폭 ENOB 1.5GHz 7.1 1GHz 7.6 500MHz 7.9 350MHz 8.2 250MHz 8.2 20MHz 8.9
- 랜덤 노이즈, RMS, 일반
- 1.5GHz 제외 모든 모델, 고해상도 모드(RMS), 50Ω, 일반
V/div 1GHz 500MHz 350MHz 250/200MHz 20MHz 1mV/div 280μV 210μV 150μV 125μV 75μV 2mV/div 280μV 210μV 150μV 125μV 75μV 5mV/div 300μV 230μV 185μV 135μV 75μV 10mV/div 330μV 260μV 220μV 160μV 80μV 20mV/div 420μV 350μV 270μV 230μV 110μV 50mV/div 800μV 780μV 570μV 460μV 200μV 100mV/div 1.65mV 1.29mV 1.04mV 1.04mV 480μV 1V/div 13.0mV 10.0mV 8.95mV 8.95mV 3.78mV - 모든 모델, 고해상도 모드(RMS), 1 MΩ, 일반
V/div 500MHz 350MHz 250/200MHz 20MHz 1mV/div 200μV 150μV 120μV 70μV 2mV/div 210μV 150μV 120μV 70μV 5mV/div 220μV 160μV 130μV 70μV 10mV/div 230μV 170μV 150μV 75μV 20mV/div 300μV 230μV 220μV 100μV 50mV/div 550μV 450μV 450μV 200μV 100mV/div 1.35mV 1.00mV 1.03mV 480μV 1V/div 15.0mV 11.5mV 11.5mV 5.80mV
- 위치 범위
- ±5 구간
- 오프셋 정확도
- ±(0.010 X |오프셋 - `위치 | + DC 균형)
- DC 균형은 0.2div(500μV/div에서 0.4div)
- 누화(채널 절연), 일반
- 동일한 V/div 설정을 갖는 2개의 채널에 대해 정격 대역폭까지 200:1 이상
수직 시스템 - 디지털 채널
- 채널 수
- 설치된 TLP058당 디지털 입력 8개(D7-D0)(아날로그 채널 1개와 상쇄)
- 수직 해상도
- 1비트
- 감지 가능한 최소 펄스 폭, 일반
- 1ns
- 임계값
- 디지털 채널당 임계값 1개
- 임계값 범위
- ±40V
- 임계값 분해능
- 10mV
- 임계값 정확도
±[교정 후 임계값 설정의 100mV + 3%]
- 입력 히스테리시스, 일반
- 프로브 팁에서 100mV
- 입력 동적 범위, 일반
- Fin ≤ 200MHz의 경우 30Vpp, Fin > 200MHz의 경우 10Vpp
- 절대 입력 전압 준수, 일반
- ±42V 피크
- 최소 전압 범위, 일반
- 400mV 피크-피크
- 입력 임피던스, 일반
- 100kΩ
- 프로브 부하, 일반
- 2pF
수평 시스템
- 시간 기반 범위
- 20ps/div~1,000s/div
- 샘플 속도 범위
- 1.5625S/s~6.25GS/s(실시간)
- 12.5GS/s~500GS/s(보간)
- 레코드 길이 범위
- 표준
- 단일 샘플 증분에서 1k 포인트 - 31.25M 포인트
- 옵션
- 62.5Mpts
- 균열 불확도
- 기간이 100ms 이하인 장비에 대해 ≤ 0.450fs + (10-11 * 측정 기간)RMS
- 시간축 정확도
- 1ms 이상의 시간 간격에 대해 ±2.5 x 10-6
설명 사양 초기 상태 허용 오차 1ms미만의 모든 간격에 대해 교정 시±5.0 x10-7 , 주변 온도 25 °C 온도 안정성, 일반 ±5.0 x10-7 , 작동 온도에서 테스트됨 크리스털 수명 ±1.5 x 10-6 . 1년 이상 동안 25°C의 주파수 허용 오차 변화
- 델타 시간 측정 정밀도, 공칭

(가우스 필터 응답의 결과로 생긴 에지 모양 가정)
제공된 장비 설정 및 입력 신호에 대한 DTA(델타 시간 측정 정밀도)를 계산하는 공식은 나이퀴스트 주파수 위에 있는 신호 내용을 중요하지 않은 것으로 가정합니다. 여기서 다음이 적용됩니다.
SR 1 = 측정 시 첫 번째 점 주위의 슬루율(첫 번째 에지)
SR 2 = 측정 시 두 번째 점 주위의 슬루율(두 번째 에지)
N = 입력 참조 보증 노이즈 제한(VRMS)
TBA = 시간 기반 정확도 또는 기준 주파수 오류
t p = 델타 시간 측정 기간(초)
- 최고 샘플링 속도의 최대 기간
- 5ms(표준) 또는 10ms(옵션)
- 시간 기반 지연 시간 범위
- -10 구간에서 5,000s
- 지연시간 보정 범위
- 40ps 해상도로 -125ns - +125ns(피크 탐지 및 엔벨로프 획득 모드), 1ps 해상도로 -125ns~+125ns(기타 모든 획득 모드).
- 아날로그 채널 간 지연, 전체 대역폭, 일반
입력 임피던스가 50Ω으로 설정되고, DC 커플링의 Volts/div가 동일하거나 10mV/div를 넘는 모든 두 채널에서 100ps 이하
- 아날로그 및 디지털 FlexChannel 간 지연, 일반
- 3ns, 스코프의 대역폭(대역폭 한도는 적용되지 않음)과 일치하는 TLP058 및 패시브 프로브 사용 시
- 두 디지털 FlexChannel 간 지연, 일반
- FlexChannel의 비트 0에서 기타 FlexChannel의 비트 0까지 3ns
- 디지털 FlexChannel 유형의 임의 2비트 간 지연, 일반
- 160ps
트리거 시스템
- 트리거 모드
- 자동, 일반 및 싱글
- 트리거 커플링
DC, 고주파 제거(50kHz 초과 감쇠), 저주파 제거(50kHz 미만 감쇠), 노이즈 제거(민감도 감소)
- 트리거 홀드오프 범위
- 0ns~20초
- 에지 유형 트리거 민감도, DC 커플링, 일반
경로 범위 사양 1MΩ 경로(모든 모델) 0.5mV/div~0.99mV/div DC~장비 대역폭의 4.5div ≥ 1mV/div 5mV 또는 0.7div 중 더 큰 값 50Ω 경로(모든 모델) DC 및 500MHz/장비 대역폭(둘 중 더 낮은 값) 간 주파수에 대해 5.6mV 또는 0.7div 중 더 큰 값 해당되는 경우, 500MHz를 초과하는 주파수에 대해 7mV 또는 0.8div 중 더 큰 값
- 트리거 지터, 일반
- ≤7psRMS(샘플 모드 및 에지-유형 트리거 사용 시)
- 트리거 레벨 범위
- 이 사양은 로직 및 펄스 임계값에 적용됩니다.
소스 범위 모든 채널 화면 중앙에서 ±5div 보조 입력 트리거, 일반 ±8V 라인 라인 전압의 약 50%에서 고정됨
- 트리거 유형
- 에지:
- 모든 채널에서 포지티브, 네거티브 또는 두 가지 기울기. 커플링에는 DC, AC, 노이즈 제거, HF 제거 및 LF 제거가 포함됩니다.
- 펄스 폭:
포지티브나 네거티브 펄스의 폭에 대해 트리거합니다. 이벤트는 검정된 시간 또는 로직이 될 수 있습니다.
- 타임아웃:
- 지정한 시간 동안 높음, 낮음 또는 모두로 유지되는 이벤트에서 트리거합니다. 이벤트는 검정된 로직이 될 수 있습니다.
- 런트:
- 첫 번째 임계를 교차한 후에, 다시 첫 번째 임계를 교차하기 전에 두 번째 임계 교차를 실패한 펄스에서 트리거 합니다. 이벤트는 검정된 시간 또는 로직이 될 수 있습니다.
- 윈도우:
- 두 개의 사용자 조정 가능한 임계값으로 정의한 창에 들어가거나, 나오거나, 내부 또는 외부에 유지되는 이벤트에서 트리거합니다. 이벤트는 검정된 시간 또는 로직이 될 수 있습니다.
- 로직:
- 로직 패턴이 참값으로 전환되거나, 거짓 값으로 전환되거나, 클럭 에지와 동시에 발생할 때 트리거합니다. 높음, 낮음 또는 관계없음으로 정의된 모든 입력 채널에 대해 지정된 패턴(AND, OR, NAND, NOR)입니다. 참값으로 전환되는 로직 패턴은 시간 검정될 수 없습니다.
- 셋업 앤 홀드:
- 임의 입력 채널에 나타나는 클럭과 데이터 사이의 셋업 시간 및 홀드 시간 모두를 위반할 경우에 트리거합니다.
- 상승/하강 시간:
- 지정된 수치보다 빠르거나 느린 펄스 에지 속도에서 트리거합니다. 기울기는 포지티브, 네거티브 중의 하나가 될 수 있습니다. 이벤트는 검정된 로직이 될 수 있습니다.
- 동영상 (옵션 4-VID):
- NTSC, PAL 및 SECAM 비디오 신호의 모든 라인, 홀수, 짝수 또는 모든 필드에서 트리거
- 시퀀스:
- B 이벤트에서 X번 트리거하거나, C 이벤트에서 재설정된 A 트리거 후에 N 이벤트에서 트리거합니다. 일반적으로 A 및 B 트리거 이벤트는 다음과 같은 몇 가지 예외를 제외하고는 어떤 트리거 유형으로도 설정할 수 있습니다. 즉, A 이벤트 또는 B 이벤트를 셋업/홀드로 설정하면 다른 이벤트를 에지로 설정해야 하며 이더넷 및 고속 USB(480Mbps)가 지원되지 않을 경우 로직 검정이 지원되지 않습니다.
- 시각적 트리거
- 모든 파형 획득을 스캔하여 화면 영역(기하학 모양)과 비교함으로써 표준 트리거를 검증합니다. 무제한 영역 수는 각 영역의 검정기로 In, Out 또는 Don't Care로 정의될 수 있습니다. 부울린 수식은 획득 메모리에 저장되는 이벤트를 자세히 검정하기 위해 모든 시각적 트리거 영역의 조합을 사용하여 정의될 수 있습니다. 모양에는 직사각형, 삼각형, 사다리꼴, 육각형 및 사용자 정의 모양이 포함됩니다.
- 병렬 버스:
- 병렬 버스 데이터 값에서 트리거합니다. 병렬 버스 크기는 디지털/아날로그 채널에서 1비트~48비트가 될 수 있습니다. 2진수와 16진수를 지원합니다.
- I2C 버스(옵션 4-SREMBD):
- I2C 버스의 시작, 반복된 시작, 정지, 누락된 승인, 주소(7비트 또는 10비트), 데이터 또는 주소 및 데이터에서 최대 10Mb/s까지 트리거
- I3C 버스(옵션 4-SRI3C):
- 시작 시 트리거, 반복 시작, 중지, 주소, 데이터, I3C SDR 직접, I3C SDR 방송, 누락된 승인, T비트 오류, 방송 주소 오류, 핫 조인 HDR 재시작, 최대 10Mb/s의 I3C 버스에서 HDR 종료
- SPI 버스(옵션 4-SREMBD):
- SPI 버스에서 Slave Select, 유휴 시간 또는 데이터(1-16단어)에서 최대 20Mb/s까지 트리거
- RS-232/422/485/UART 버스(옵션 4-SRCOMP):
- 시작 비트, 패킷 끝, 데이터 및 패리티 오류에서 최대 15Mb/s까지 트리거
- CAN 버스(옵션 4-SRAUTO):
- CAN 버스에서 최대 1Mb/s까지 프레임 시작, 프레임 유형(데이터, 원격, 오류, 오버로드), 식별자, 데이터, 식별자 및 데이터, 프레임 끝, 누락된 승인 및 비트 스터핑 오류에서 트리거합니다.
- CAN FD 버스(옵션 4-SRAUTO):
- CAN FD 버스에서 프레임 시작, 프레임 유형(데이터, 원격, 오류 또는 오버로드), 식별자(표준 또는 확장), 데이터(1-8바이트), 식별자 및 데이터, 프레임 끝, 오류(누락된 승인, 비트 스터핑 오류, FD 양식 오류 또는 모든 오류) 를 최대 16Mb/s까지 트리거합니다.
- LIN 버스(옵션 4-SRAUTO):
- LIN 버스에서 동기화, 식별자, 데이터, ID 및 데이터, 해제 프레임, 대기 프레임 및 오류에서 최대 1Mb/s까지 트리거
- FlexRay 버스(옵션 4-SRAUTO):
- FlexRay 버스에서 프레임 시작, 표시기 비트(보통, 페이로드, Null, 동기, 시동), 프레임 ID, 사이클 수, 헤더 필드(표시기 비트, 식별자, 페이로드 길이, 헤더 CRC 및 사이클 수), 식별자, 데이터, ID 및 데이터, 프레임 끝 및 오류에서 최대 10Mb/s까지 트리거합니다.
- SENT 버스(옵션 4-SRAUTOSEN)
- 패킷 시작, 고속 채널 상태/데이터, 저속 채널 메시지 ID/데이터 및 CRC 오류에서 트리거합니다.
- SPMI 버스(옵션 4-SRPM):
- 시퀀스 시작 조건, 리셋, 절전, 종료, 해제, 인증, Master Read, Master Write, Register Read, Register Write, Extended Register Read, Extended Register Write, Extended Register Read Long, Extended Register Write Long, Device Descriptor Block Master Read, Device Descriptor Block Slave Read, Register 0 Write, Transfer Bus Ownership 및 패리티 오류에서 트리거합니다.
- USB 2.0 LS/FS/HS 버스(옵션 4-SRUSB2):
- USB 버스의 동기, 리셋, 일시 중단, 다시 시작, 패킷 끝, 토큰(주소) 패킷, 데이터 패킷, 핸드셰이크 패킷, 특수 패킷, 오류에서 최대 480Mb/s까지 트리거합니다.
- 이더넷 버스(옵션 4-SRENET):
- 10BASE-T 및 100BASE-TX 버스의 프레임 시작, MAC 주소, MAC Q-tag, MAC 길이/유형, MAC 데이터, IP 헤더, TCP 헤더, TCP/IPV4 데이터, 패킷 끝 및 FCS(CRC) 오류에서 트리거합니다.
- 오디오(I2S, LJ, RJ, TDM) 버스(옵션 4-SRAUDIO):
- 워드 선택, 프레임 동기 또는 데이터에서 트리거합니다. I2S/LJ/RJ의 최대 데이터 속도는 12.5Mb/s입니다. TDM의 최대 데이터 속도는 25Mb/s입니다.
- MIL-STD-1553 버스(옵션 4-SRAERO):
- MIL-STD-1553 버스에서 동기, 명령(전송/수신 비트, 패리티, 하위 주소/모드, 단어 카운트/모드 카운트, RT 주소), 상태(패리티, 메시지 오류, 장비, 서비스 요청, 수신된 방송 명령, 사용 중, 하위 시스템 플래그, 동적 버스 제어 수락, 터미널 플래그), 데이터, 시간(RT/IMG) 및 오류(패리티 오류, 동기화 오류, 맨체스터 오류, 비연속적 데이터)에서 트리거합니다.
- ARINC 429 버스(옵션 4-SRAERO):
- ARINC 429 버스의 워드 시작, 레이블, 데이터, 레이블 및 데이터, 워드 끝 및 오류(모든 오류, 패리티 오류, 워드 오류, Gap 오류)에서 최대 1Mb/s까지 트리거합니다.
- RF 진폭 vs 시간 및 RF 주파수 vs 시간(옵션 4-SV-RFVT):
- 에지, 펄스 폭 및 타임아웃 이벤트에서 트리거
획득 시스템
- 샘플링
- 샘플링된 값 획득
- 피크 탐지
- 최대 640ps 와 같이 좁은 글리치(glitch)도 모두 스윕 속도로 캡처합니다.
- 평균화
- 2 - 10,240개 파형
- 빠른 하드웨어 평균화
- 짧은 시간에 많은 수의 평균을 획득하기 위한 획득 모드입니다. 빠른 하드웨어 평균화로 획득 경로를 최적화해, 스토리지 제거 에러를 줄이고 옵션인 오프셋 디더링 기술을 통해 미세 스케일 비선형성 결함을 평활화합니다. 이 기능은 프로그래밍 인터페이스 명령을 통해 사용할 수 있습니다.
- 2~1,000,000개 파형
- 최대 평균화 속도 = 32,000개 파형/초
- 엔벨로프
- 최소-최대 엔벨로프는 여러 획득에 걸쳐 피크 감지 데이터 반영
- 고해상도
각 샘플링 속도에 고유한 FIR(유한 임펄스 응답) 필터를 적용하여 앨리어싱을 방지하고 선택한 샘플링 속도에 사용할 수 있는 대역폭을 넘어서는 오실로스코프 증폭기 및 ADC의 노이즈를 제거하면서도 해당 샘플링 속도에 가능한 최대 대역폭을 유지합니다.
고해상도 모드는 항상 12비트 이상의 수직 해상도를 제공하고 125 MS/s 이하의 샘플링 속도에서 16비트의 수직 해상도로 항상 확장합니다.
- FastAcq®
FastAcq는 500,000wfms/s보다 빠른 속도로 캡처하여 동적 신호를 분석하고 특수 이벤트를 포착하도록 장비를 최적화합니다(1개 채널 활성화, 모든 채널 활성화 100K wfms/s 초과).
- 롤 모드
- 자동 트리거 모드일 때 40ms/div보다 느린 시간축 속도로 디스플레이 전체에서 오른쪽에서 왼쪽으로 롤링 동작을 통해 순차적 파형 포인트를 스크롤합니다.
- 내역 모드
- 최대 레코드 길이를 활용해 수많은 트리거된 획득을 캡처할 수 있고, 관심을 끄는 내역이 있으면 멈출 수 있습니다. 또한 저장된 모든 트리거된 획득을 빠르게 검토할 수 있습니다.
내역에 저장된 획득 중 사용 가능한 획득의 수는 (최대 레코드 길이)/(현재 레코드 길이 설정)으로 계산됩니다.
- FastFrame™
획득 메모리가 세그먼트로 구분됩니다.
최대 트리거 속도 초당 5,000,000개 파형 초과
최대 프레임 크기 = 50포인트
최대 프레임 수: 프레임 크기가 1,000포인트 이상인 경우 최대 프레임 수 = 레코드 길이/프레임 크기
50포인트 프레임의 경우 최대 프레임 수 = 1,500,000입니다.
파형 측정
- 커서 유형
- 파형.수직 막대.수평 막대, 수직 및 수평 막대, 축(XY/XYZ 도표만 해당)
- DC 전압 측정 정밀도, 평균 획득 모드
측정 유형 DC 정밀도(볼트 단위) 평균 16개 파형 이상 ±((DC 게인 정확도) * |판독값 - (오프셋 - 위치)| + 오프셋 정확도 + + 0.1 * V/div 설정) 같은 오실로스코프 설정과 주변 조건에서 획득한 16개 이상 파형의 두 평균 간 델타 전압 ±(DC 게인 정확도 * |판독값| + +0.05div)
- 자동 측정
- 개별 측정 배지로 또는 측정 결과표에 한꺼번에 36개가 제한 없이 표시될 수 있음
- 진폭 측정 기능
- 진폭, 최대, 최소, 피크 대 피크, 포지티브 오버슈트, 네거티브 오버슈트, 평균, RMS, AC RMS, 탑, 베이스 및 구역
- 타이밍 측정
- 기간, 주파수, 단위 간격, 데이터 속도, 포지티브 펄스 폭, 네거티브 펄스 폭, 스큐, 지연, 상승 시간, 하강 시간, 위상, 상승 회전율, 하강 회전율, 버스트 폭, 포지티브 듀티 사이클, 네거티브 듀티 사이클, 시간 외부 레벨, 설정 시간, 보류 시간, 기간 N-주기, 높은 시간 및 낮은 시간, 최소 시간 및 최대 시간
- 측정 통계
- 평균, 표준 편차, 최대값, 최소값 및 채우기 통계를 현재 획득 및 모든 획득 둘 다에 대해 사용할 수 있습니다.
- 기준 레벨
- 자동 측정을 위한 사용자 정의 가능한 기준 레벨은 퍼센트나 다른 단위로 지정할 수 있습니다. 기준 레벨을 모든 측정에 대해 전역으로, 소스 채널 또는 신호 별로 또는 각 측정에 대해 고유하게 설정할 수 있습니다.
- 게이팅
- 화면, 커서, 로직, 검색 또는 시간. 측정을 실시하기 위한 획득 영역을 지정합니다. 게이팅은 전역(전역으로 설정된 모든 측정에 영향을 미침) 또는 지역(모든 측정은 고유한 시간 게이트을 설정할 수 있음. 하나의 지역 게이트만이 화면, 커서, 로직 및 검색 작업에 사용될 수 있음)으로 설정할 수 있습니다.
- 측정 도표
- 히스토그램, 시간 추이 및 스펙트럼
- 측정 한계
- 측정값에 대한 사용자 정의 제한에 대한 pass/fail 테스트. 측정값 실패에 대한 조치는 화면 캡처 저장, 파형 저장, SRQ(시스템 요청) 및 수집 중지를 포함합니다
- 3상 전기 분석(옵션 4-3PHASE)은 다음을 추가합니다.
- 측정
입력 분석(전력 품질, 고조파, 입력 전압, 입력 전류, 입력 전력)
리풀 분석(라인 리플, 스위칭 리플)
출력 분석(페이저 다이어그램)
- 측정 도표
고조파 막대 그래프, 위상 다이어그램
- 전력 분석 (옵션 4-PWR-BAS) 및 고급 전력 분석(옵션 4-PWR) 은 다음을 추가합니다.
- 측정
입력 분석(주파수, VRMS, IRMS, 전압 및 전류 크레스트 팩터, 유효 전력, 피상 전력, 리액티브 전력, 전력 계수, 위상 각도, 고조파, 유입 전류, 입력 커패시턴스)
진폭 분석(사이클 진폭, 사이클 탑, 사이클 베이스, 사이클 최대, 사이클 최소, 사이클 피크-피크)
타이밍 분석(기간, 주파수, 네거티브 듀티 사이클, 포지티브 듀티 사이클, 네거티브 펄스 폭, 포지티브 펄스 폭)
스위칭 분석(스위칭 손실, dv/dt, di/dt, 안전 동작 영역, RDSon)
출력 분석(라인 리플, 스위칭 리플, 효율성, 활성화 시간, 비활성화 시간)
자기 분석(인덕턴스, I 대 Intg(V), 자기 손실, 자시 속성)옵션 4-PWR만 해당
주파수 응답 분석(제어 루프 응답 보드 선도, 전원 공급 제거비, 임피던스)옵션 4-PWR만 해당
- 측정 도표
- 고조파 막대그래프, 스위칭 손실 궤도 도표 및 안전 동작 영역
- 측정 한계
- 측정값에 대한 사용자 정의 제한에 대한 pass/fail 테스트. 측정값 실패에 대한 조치는 화면 캡처 저장, 파형 저장, SRQ(시스템 요청) 및 수집 중지를 포함합니다
파형 연산
- 연산 파형 수
- 무제한
- 산술
- 파형 및 스칼라 더하기, 빼기, 곱하기, 나누기
- 대수 수식
- 파형, 스칼라, 사용자 조정 변수 및 파라메트릭 측정 결과와 같은 광범위한 대수 수식을 정의합니다. 복잡한 등식을 사용하여 연산을 수행합니다. 예(Integral (CH1 - Mean(CH1)) X 1.414 X VAR1)
- 연산 기능
- 반전, 미분, 적분, 제곱근, 지수, 대수 10, 대수 e, 절대값, 상한, 하한, 최소, 최대, 도, 라디안, 사인, 코사인, 탄젠트, 역사인, 역코사인 및 역탄젠트
- 관계
- 부울린 비교 결과 >, <, ≥, ≤, =, ≠
- 로직
- AND, OR, NAND, NOR, XOR, EQV
- 필터링 기능(표준)
- 사용자 정의 가능한 필터를 로딩합니다. 사용자는 필터의 계수가 포함된 파일을 지정합니다.
- FFT 기능
- 스펙트럼 진폭 및 위상 및 실제/가상 스펙트럼
- FFT 수직 단위
진폭: 선형 및 로그(dBm)
위상: 도, 라디안, 그룹 지연
- FFT 윈도우 기능
- 해닝, 직사각형, 해밍, 블랙맨-해리스, Flattop2, 가우스, 카이저 베셀(Kaiser-Bessel) 및 Tek 지수형
스펙트럼 보기
- 중심 주파수
- 장비 아날로그 대역폭에 의해 제한됨
- 범위
- 18.6Hz~312.5MHz
18.6Hz~500MHz(옵션 4-SV-BW-1 포함)
1-2-5 시퀀스에서 보통 조정
- RF 측정
- 채널 파워(CHP), 인접 채널 파워 비율(ACPR), 점유 대역폭(OBW), 스펙트럼 보기 추적 데이터 및 디스플레이에서의 측정
- RF 대 시간 추적
- 진폭 대 시간, 주파수 대 시간, 위상 대 시간(옵션 4-SV-RFVT 포함)
- RF vs 시간 트리거
- RF 진폭 vs 시간 및 RF 주파수 대 시간의 에지, 펄스 폭 및 타임아웃 동작을 트리거합니다(옵션 4-SV-RFVT 포함)
- 스펙트로그램
- RF 주파수 대 지산 대 진폭 디스플레이(x축에 주파수, y축에 시간, 파워 레벨은 다양한 색깔로 표시, 옵션 4-SV-RFVT)
- RBW(해상도 대역폭)
18.6μHz~15.625MHz
18.6μHz~25MHz(4-SV-BW-1 옵션 포함)
- IQ 캡처
- 데이터는 동상 및 직교(I&Q) 샘플로 저장되며, 시간 도메인과 I&Q 데이터 사이의 정확한 동기화가 유지됩니다.
- RF 대 시간 추적이 활성화되면(옵션 4-SV-RFVT 포함) 제3자 애플리케이션 내에서 고급 분석을 진행하기 위해 IQ 데이터를 캡처하고 파일로 내보낼 수 있습니다.
- 최대 획득 시간은 범위와 샘플링 속도에 따라 달라집니다. 6.25GS/s 및 500MHz에서 최대 획득 시간은 0.021초입니다. 312.5MHz 범위의 경우, 최대 획득 시간은 0.043초입니다. 40MHz 범위의 경우, 최대 획득 시간은 0.172초입니다. 1MHz 범위의 경우, 최대 획득 시간은 10.995초입니다.
- 윈도우 유형 및 계수
윈도우 유형 계수 블랙맨-해리스(Blackman-Harris) 1.90 플랫탑(Flat-Top) 2 3.77 해밍(Hamming) 1.30 해닝 1.44 카이저-베셀(Kaiser-Bessel) 2.23 직사각형 0.89
- 스펙트럼 시간
- FFT 윈도우 계수/RBW
- 기준 레벨
- 기준 레벨은 아날로그 채널 Volts/div 설정에 의해 자동으로 설정됨
- 설정 범위: -42dBm~+44dBm
- 수직 위치
- -100div~+100div
- 수직 단위
- dBm, dBµW,dBmV, dBµV,dBmA, dBµA
- 수평 스케일링
- 선형, 로그
- 다중 채널 스펙트럼 분석
- 각 FlexChannel 입력은 스펙트럼 보기, RF 대 시간 추적(RFVT 옵션 포함), 스펙트로그램(RFVT 옵션 포함)으로 구성될 수 있습니다.
- 여러 RF 측정이 다양한 채널에 걸쳐 동시에 실행될 수 있습니다.
- 스펙트럼 시간 및 중심 주파수 설정은 다양한 채널에 걸쳐 잠금 해제되고 각자로부터 독립적으로 이동될 수 있습니다. 모든 스펙트럼 보기 채널은 반드시 같은 범위, 해상도 대역폭, 윈도우 유형을 공유해야 합니다.
검색
- 검색 수
- 무제한
- 검색 유형
- 긴 레코드를 검색하여 에지, 펄스 폭, 타임아웃, 런트 펄스, 윈도우 위반, 로직 패턴, 셋업/홀드 위반, 상승/하강 시간 및 버스 프로토콜 이벤트를 비롯하여 사용자가 지정한 모든 조건이 발생하는 모든 경우를 찾습니다. 파형 보기 또는 결과 표에서 검색 결과를 볼 수 있습니다.
저장
- 저장
- 오실로스코프에 직접 파일을 저장하거나, 원격 네트워크 드라이브 또는 나의 TekDrive 협력 작업 공간에 직접 저장합니다.
- 파형 유형
- Tektronix 파형 데이터(.wfm), 쉼표로 분리된 값(.csv), MATLAB(.mat)
- 파형 게이팅
- 커서, 화면, 재샘플링(모든 순차의 샘플을 저장)
- 화면 캡처 유형
- 이동식 네트워크 그래픽(* .png)
- 설정 유형
- Tektronix 설정(.set)
- 보고서 유형
- Adobe Portable Documents(.pdf), 단일 파일 웹 페이지(.mht)
- 세션 유형
- Tektronix 세션 설정(.tss)
디스플레이
- 디스플레이 유형
- 13.3인치 (338mm) 광학 결합 LCD 디스플레이
- 디스플레이 해상도
- 1920 수평 × 1080 수직 픽셀
- 디스플레이 모드
오버레이: 추적이 서로 오버레이되는 기존 오실로스코프 표시
스택: 각 파형이 자체 슬라이스에 배치되고 다른 파형과 시각적으로 분리되면서 전체 ADC 범위를 활용할 수 있는 표시 모드입니다. 또한 채널의 그룹이 슬라이스 내에 중첩되어 신호의 시각적 비교가 단순화될 수 있습니다.
- 줌
- 수평 및 수직 주밍이 모든 파형 및 도표 보기에서 지원됩니다.
- 보간
- Sin(x)/x 및 선형
- 파형 형태
- 벡터, 점, 가변 잔상 및 무한 잔상
- 눈금
- 이동 가능 및 고정 계수선, Grid, Time, Full, None 사이에서 선택 가능
- 컬러 팔레트
보통, 화면 캡처를 위해 반전
개별 파형 색상은 사용자가 선택 가능
- 형식
- YT, XY 및 XYZ
- 현지 언어 사용자 인터페이스
- 영어, 프랑스어, 독일어, 이탈리아어, 스페인어, 일본어, 포르투갈어, 중국어 간체, 중국어 번체, 한국어, 러시아어
- 로컬 언어 도움말
- 영어, 일본어, 중국어 간체
임의-함수 발생기(옵션)
- 함수 유형
- 임의, 사인파, 사각파, 펄스, 램프, 삼각파, DC 레벨, 가우스, 로렌츠, 지수 상승/감쇠, Sin(x)/x, 랜덤 노이즈, 하버사인(Haversine), 카디악
- 사인파
- 주파수 범위
- 0.1Hz~50MHz
- 주파수 설정 분해능
- 0.1Hz
- 주파수 정확도
- 130ppm(주파수 ≤10kHz), 50ppm(주파수 > 10kHz)
- 이 사양은 사인, 램프, 펄스 파형에만 해당됩니다.
- 진폭 범위
- 20mVpp~5Vpp에서 Hi-Z로, 10mVpp~2.5Vpp에서 50Ω으로
- 진폭 플랫 상태, 일반
- 1kHz에서 ±1.0dB
- 20mVpp 미만 진폭의 경우 1kHz에서 ±1.5dB
- 총 고조파 왜곡, 일반
- 200mVpp 이상 진폭의 경우 50Ω 로드에 대해 1.5%
- 50mV 초과 및 200mVpp 미만 진폭의 경우 50Ω 로드에 대해 3.5%
- 이 사양은 사인파에만 해당합니다.
- 스퓨리어스 없는 동적 범위, 일반
- 35dB(Vpp 0.2V 이상), 50Ω 로드
- 구형파 및 펄스파
- 주파수 범위
- 0.1Hz~25MHz
- 주파수 설정 분해능
- 0.1Hz
- 주파수 정확도
- 130ppm(주파수 ≤10kHz), 50ppm(주파수 > 10kHz)
- 진폭 범위
- 20mVpp~5Vpp에서 Hi-Z로 10mVpp~2.5Vpp에서 50Ω으로
- 듀티 사이클 범위
- 10%~90% 또는 10ns 최소 펄스 중 더 큰 값
- 최소 펄스 시간은 ON 및 OFF 시간 둘 다에 적용되므로 최대 듀티 사이클은 더 높은 주파수에서 감소하여 10ns OFF 시간을 유지합니다.
- 듀티 사이클 분해능
- 0.1%
- 최소 펄스 폭, 일반
- 10ns ON 또는 OFF 기간의 최소 시간입니다.
- 상승-하강 시간, 일반
- 6ns, 10%~90%
- 펄스 폭 분해능
- 100ps
- 오버슈트, 일반
- 100mVpp를 초과하는 신호 단계에 대해 < 6%(편의 사양)
- 포지티브 지향 변환(+오버슈트) 및 네거티브 지향(-오버슈트) 변환의 오버슈트에 적용됩니다.
- 비대칭, 일반
- 50% 듀티 사이클에서 ±1% ±5ns
- 지터, 일반
- < 60ps TIERMS, ≥ 100mVpp 진폭, 40%-60% 듀티 사이클
- 램프파 및 삼각파
- 주파수 범위
- 0.1Hz~500kHz
- 주파수 설정 분해능
- 0.1Hz
- 주파수 정확도
- 130ppm(주파수 ≤10kHz), 50ppm(주파수 > 10kHz)
- 진폭 범위
- 20mVpp~5Vpp에서 Hi-Z로 10mVpp~2.5Vpp에서 50Ω으로
- 가변 대칭
- 0% - 100%
- 대칭 분해능
- 0.1%
- DC 레벨 범위
±2.5V에서 Hi-Z로
±1.25V에서 50Ω으로
- 랜덤 노이즈 진폭 범위
20mVpp~5Vpp에서 Hi-Z로
10mVpp - 2.5Vpp에서 50Ω으로
- Sin(x)/x
- 최대 주파수
- 2MHz
- 가우스 펄스, 하버사인(Haversine) 및 로렌츠(Lorentz) 펄스
- 최대 주파수
- 5MHz
- 로렌츠(Lorentz) 펄스
- 주파수 범위
- 0.1Hz~5MHz
- 진폭 범위
- 20mVpp~2.4Vpp에서 Hi-Z로
10mVpp~1.2 Vpp에서 50Ω으로
- 카디악
- 주파수 범위
- 0.1Hz~500kHz
- 진폭 범위
- 20mVpp~5Vpp에서 Hi-Z로
10mVpp~2.5Vpp에서 50Ω으로
- 임의
- 메모리 용량
- 1 - 128k
- 진폭 범위
- 20mVpp~5Vpp에서 Hi-Z로
10mVpp~2.5Vpp에서 50Ω으로
- 반복 속도
- 0.1Hz~25MHz
- 샘플링 속도
- 250MS/s
- 신호 진폭 정확도
- ±[(피크-피크 진폭 설정의 1.5%) + (절대 DC 오프셋 설정의 1.5%) + 1mV](주파수 = 1kHz)
- 신호 진폭 분해능
1mV(Hi-Z)
500μV(50Ω)
- 사인 및 램프 주파수 정확도
- 1.3 x 10-4(주파수 ≤10kHz)
- 5.0 x 10-5(주파수 >10kHz)
- DC 오프셋 범위
±2.5V에서 Hi-Z로
±1.25V에서 50Ω으로
- DC 오프셋 분해능
1mV(Hi-Z)
500μV(50Ω)
- DC 오프셋 정확도
±[(절대 오프셋 전압 설정의 1.5%) + 1mV]
25°C 주변 온도에서 10°C 변경당 불확실성 3mV 추가
DVM(디지털 전압계)
- 측정 유형
DC, ACRMS+DC, ACRMS
- 전압 분해능
- 4자리
- 전압 정확도
- DC:
±((1.5% * |판독 값 - 오프셋 - 위치|) +(0.5% * |(오프셋 - 위치)|) +(0.1 * V/div))
30°C 초과의 |판독 값 - 오프셋 - 위치| 0.100%/°C에서 감소
화면 중앙에서 ±5 구간 신호
- AC:
40Hz~1kHz 범위 외부의 고조파 성분이 없는 ± 3% (40Hz~1kHz)
AC, 일반: ± 2%(20Hz~10kHz)
AC 측정의 경우 입력 채널 수직 설정이 4~10구간을 감당하도록 VPP 입력 신호를 허용해야 하며 화면에 완전히 보여야 합니다.
트리거 주파수 계수기
- 분해능
- 8자리
- 정확도
±(1카운트 + 시간 기반 정확도 * 입력 주파수)
신호는 8mVpp 또는 2div 이상(둘 중 더 큰 쪽)이어야 합니다.
- 최대 입력 주파수
- 10Hz - 아날로그 채널의 최대 대역폭
- 신호는 8mVpp 또는 3div 이상(둘 중 더 큰 쪽)이어야 합니다.
프로세서 시스템
- 호스트 프로세서
- 1.5GHz(HFM)/3.0 GHz(Turbo)의 Intel x6413E. Elkhart Lake 4-Core.
- 운영 체제
- 폐쇄형 Linux
- 내부 저장 장치
- 64GB eMMC
입력/출력 포트
- HDMI 비디오 포트
29핀 HDMI 커넥터
지원되는 해상도: 1920 x 1080 @ 60Hz (유일함). 장비 전원을 켜기 전에 모니터를 부착해야 합니다.
- 프로브 보정기 신호, 일반
- 연결:
- 커넥터는 장비 하단의 전면에 있습니다.
- 진폭:
- 0~2.5V
- 주파수:
- 1kHz
- 소스 임피던스:
- 1kΩ
- 외부 기준 입력
타임 베이스 시스템은 외부 10MHz 기준 신호(±4 ppm)로 위상 잠금할 수 있습니다.
- USB 인터페이스(호스트, 장치 포트)
- 전면 패널 USB 호스트 포트: USB 2.0 고속 포트 3개
- 후면 패널 USB 호스트 포트: USB 3.0 초고속 포트 2개
- 후면 패널 USB 장치 포트: USBTMC 지원을 제공하는 USB 2.0 고속 장치 포트 1개
- 이더넷 인터페이스
- 10/100/1000Mb/s
- 보조 출력
후면 패널 BNC 커넥터. 출력은 오실로스코프가 트리거할 때, 내부 오실로스코프 기준 클럭이 출력할 때 또는 AFG 동기 펄스 시 포지티브 또는 네거티브 펄스 출력 신호를 제공하도록 구성할 수 있습니다.
특성 한계 Vout(HI) ≥ 2.5V 개방형 회로이며 접지에 대한 50Ω 로드에 대해 ≥ 1.0V Vout(LO) ≤ 4mA 로드에 대해 ≤ 0.7V이며 접지에 대한 50Ω 로드에 대해 ≤ 0.25V
- Kensington 스타일 잠금 장치
- 후면 패널 보안 슬롯이 표준 Kensington 스타일 잠금 장치에 연결됩니다.
- LXI
등급: LXI 코어 2016
버전: 1.5
전원
- 전원
- 소비 전력
최대 400 와트
- 소스 전압
- 100~240V±10%(50Hz~60Hz)
물리적 특성
- 크기
높이: 286.99mm(11.299인치), 다리 접힘형, 핸들에서 뒤로
높이: 351mm(13.8인치), 다리 접힘형, 핸들 위로
폭: 핸들 허브 간 405mm(15.9인치)
깊이: 다리 뒤에서 손잡이까지 155mm(6.1인치), 핸들 위로
깊이: 265mm(10.4인치), 다리 접힘형, 핸들에서 뒤로
- 무게
- MSO44B: < 7.3kg(16lbs)
- MSO46B: < 7.5kg(16.55lbs)
- 냉각
- 적정 냉각에 대한 공간 요구 사항은 장비 오른쪽(전면에서 볼 때) 및 장비 후면에서 50.8mm(2.0인치)입니다.
- 랙 마운트 구성
- 7U(옵션 RM4 랙마운트 키트 포함)
환경 사양
- 온도
- 작동
- +0°C - +50°C(-32°F - +122°F)
- 비작동
- -20°C~+60°C(-4°F~140°F)
- 습도
- 작동
- 최대 +40°C까지 5% - 90% RH(상대 습도)
- +40°C 초과 시 최대 +50°C까지 5%~50% 상대 습도(RH), 비응축식, 최대 습구 온도 +39°C에 의해 제한됨
- 비작동
- 최대 +40°C까지 5%~90% RH(상대 습도)
- +40°C 초과 시 최대 +50°C까지 5%~50% 상대 습도(RH), 비응축식, 최대 습구 온도 +39°C에 의해 제한됨
- 고도
- 작동
- 최대 3,000m(9,843피트.)
- 비작동
- 최대 12,000m(39,370피트)
- 랜덤 진동
- 작동
- 0.31GRMS, 5~500Hz, 축당 10분, 축 3개(총 30분)
EMC, 환경 및 안전
- 안전 승인
- US NRTL 등재 - UL61010-1 및 UL61010-2-030
- 캐나다 인증 - CAN/CSA-C22.2 No. 61010.1 및 CAN/CSA-C22.2 No 61010.2.030
- 유럽 기준 컴플라이언스 - 저전압 지침 2014-35-EU 및 EN61010-1
- 내부 기준 컴플라이언스 - IEC 61010-1 및 IEC61010-2-030
- 규정
유럽 연합용 CE 표시 및 미국/캐나다용 CSA 승인
RoHS 준수
- 전기 사양
- 측정 범주 II(300V)
소프트웨어
- IVI 드라이버
LabVIEW, LabWindows/CVI, Microsoft .NET 및 MATLAB과 같은 일반적인 애플리케이션을 위한 표준 장비 프로그래밍 인터페이스를 제공합니다. VISA를 통해 Python, C/C++/C# 및 기타 여러 언어와 호환됩니다.
- TekDrive
- 연결된 모든 장치에서 모든 파일 형식을 업로드, 저장, 구성, 검색, 다운로드, 공유할 수 있습니다. TekDrive는 파일을 원활하게 공유하고 호출할 수 있도록 장비에 기본적으로 통합되어 있으므로 USB 스틱이 필요하지 않습니다. .wfm, .isf, .tss, and .csv 같은 표준 파일을 브라우저에서 직접 분석하고 탐색할 수 있습니다. 자세한 내용은 http://www.tek.com/software/tekdrive를 방문하십시오.
- LXI 웹 인터페이스
오실로스코프의 IP 주소나 네트워크 이름을 브라우저의 주소 표시줄에 입력하면 오실로스코프를 표준 웹 브라우저에 연결할 수 있습니다. 웹 인터페이스는 장비 상태 및 구성 보기, 네트워크 설정 상태 및 수정, SCPI 송신기/수신기를 통한 장비 제어를 지원합니다.
- 프로그래밍 예제
4/5/6 시리즈 플랫폼을 사용한 프로그래밍이 그 어느 때보다 쉬워졌습니다. 프로그래머 설명서와 GitHub 사이트를 사용하면 계측기를 원격으로 자동화하는 데 도움이 되는 다양한 명령과 예제가 있습니다. 을 참조하십시오.
주문 정보
다음 단계를 사용하여 측정 요구에 맞는 장비 및 옵션을 선택합니다.
1단계
- 모델 선택
먼저 필요한 FlexChannel 입력 장치 수에 따라 모델을 선택합니다. 각 FlexChannel 입력 장치는 1개의 아날로그 또는 8개의 디지털 입력 신호를 지원합니다.
모델 FlexChannel 수 MSO44B 4 MSO46B 6
- 각 모델에 기본으로 제공되는 사항
- 채널당 패시브 아날로그 프로브 1개:
- 200MHz 대역폭 모델의 TPP0250 250MHz 프로브
- 350MHz 및 500MHz 대역폭 모델의 TPP0500B 500MHz 프로브
- 1GHz 및 1.5GHz 대역폭 모델의 TPP1000 1GHz 프로브
- 설치 및 안전 설명서
- 임베디드 도움말
- 전원 코드
- ISO9001/ISO17025 품질 시스템 등록 및 NMI(National Metrology Institute) 소급을 기록한 교정 인증서
- 장비의 모든 공임과 부품의 보증 기간은 1년입니다.
- 프로브에 포함된 모든 공임과 부품의 보증 기간은 1년입니다.
2단계
- 대역폭 선택
필요한 아날로그 채널 대역폭을 선택하여 오실로스코프를 구성합니다. 업그레이드 옵션을 구매하여 나중에 업그레이드할 수 있습니다.
대역폭 옵션 대역폭 4-BW-200 200MHz 4-BW-350 350MHz 4-BW-500 500MHz 4-BW-1000 1GHz 4-BW-1500 1.5GHz
3단계
- 옵션 번들 더하기
옵션 번들이 세 개의 등급(Starter, Pro, Ultimate)으로 제공되며, 예산과 필요한 어플리케이션에 따라 폭 넓은 옵션 역시 선사합니다. 각 번들이 현재 포함하는 컨텐츠를 보다 자세히 알아보시려면 당사 웹 사이트(https://www.tek.com/document/brochure/software-bundles-for-the-4-5-and-6-series-mso-oscilloscopes)를 방문해 소프트웨어 번들 브로슈어를 확인하시기 바랍니다.
- Starter 번들은 가장 흔하게 사용되는 시리얼 버스 디코딩, 프로토콜 분석, 하드웨어 향상 옵션을 한 번들로 묶어 제공합니다.
- Pro 번들은 애플리케이션에 맞춘 서비스(시리얼 트리거 및 디코드, 전원 무결성, 신호 무결성, 자동차, 군사/정부/항공)를 제공하며, Starter 번들의 모든 옵션이 포함됩니다.
- Ultimate 번들은 Starter 번들 및 Pro 번들의 모든 옵션을 포함합니다.
1년 라이센스 영구 라이센스 번들 설명 4-STARTER-1Y 4-STARTER-PER I2C, SPI, RS-232/422/UART 시리얼 트리거 및 분석, AFG(임의/함수 발생기) 포함 4-PRO-SERIAL-1Y 4-PRO-SERIAL-PER 4-STARTER 및 62.5 MS/ch 레코드 길이, 추가 선택에 의한 시리얼 분석 옵션 포함 4-PRO-POWER-1Y 4-PRO-POWER-PER 4-STARTER 및 62.5 MS/ch 레코드 길이, 선택에 의한 파워 분석 옵션 포함 4-PRO-AUTO-1Y 4-PRO-AUTO-PER 4-STARTER 및 62.5 MS/ch 레코드 길이, 선택에 의한 자동차 분석 옵션 포함 4-PRO-MILGOV-1Y 4-PRO-MILGOV-PER 4-STARTER 및 62.5 MS/ch 레코드 길이, 추가 선택에 의한 시리얼 분석 옵션 포함 4-ULTIMATE-1Y 4-ULTIMATE-PER 4-STARTER, 4-PRO 번들 전체 옵션과 더불어 62.5 MS/ch 레코드 길이 및 RF 대 시간 추적, 트리거, 스펙트로그램, IQ 캡처, 확장된 스펙트럼 보기 캡처 대역폭, 비디오 트리거 옵션 포함 - 구매하신 번들에는 두 가지의 기간 옵션이 있습니다.
- 1년 구독은 구매 번들에 대해 1년 간 모든 기능 및 무료 업그레이드가 제공되며, 기간이 지나면 기능이 비활성화됩니다. 선택하신 번들에 대해 1년을 추가로 구매해 구독하실 수 있습니다.
- 영구 구독 제품은 구매하신 번들에 대해 기능을 영구적으로 활성화합니다. 영구 구독은 번들의 전체 기능에 대해 1년 간 무료 업그레이드를 제공합니다. 해당 기간이 지나면 전체 기능이 마지막으로 업데이트된 상태를 유지하며 활성화됩니다.
영구 번들을 구매하시더라도 유지 관리 라이센스를 구매하시면 1년 간의 활성화 기간 이후에 계속해서 업그레이드를 받으실 수 있습니다. 유지 관리 라이센스 정보는 아래 유지 관리 라이센스 표에서 확인해주세요. 이 라이센스는 반드시 Starter, Pro, Ultimate 번들을 먼저 구매한 후에 구매하시기 바랍니다.
유지 관리 라이센스 설명 4-STARTER-MNT-1Y 1년 간 영구 Starter 번들 업데이트 포함 4-PRO-MNT-1Y 1년 간 영구 Pro 번들 업데이트 포함 4-ULTIMATE-MNT-1Y 1년 간 영구 Ultimate 번들 업데이트 포함
4단계
- 장비 기능 추가
장비 기능은 장비와 함께 주문하거나 나중에 업그레이드 키트로 주문할 수 있습니다.
장비 옵션 내장 기능 4-RL-1 레코드 길이를 62.5Mpts/채널로 확장 4 -AFG 임의/함수 발생기(AFG) 추가
5단계
- 옵션 프로토콜 트리거링, 디코드 및 검색 기능 추가
- 이러한 프로토콜 분석 옵션에서 선택하여 현재 필요한 지원을 선택합니다. 업그레이드 키트를 구매하여 나중에 업그레이드할 수 있습니다.
장비 옵션 지원되는 프로토콜 4-RFNFC ISO/IEC 15693, 14443A, 14443B, FeliCa(디코드 및 검색 전용) 4-SRAERO 항공(MIL-STD-1553, ARINC 429) 4-SRAUDIO 오디오(I2S, LJ, RJ, TDM) 4-SRAUTO 자동차(CAN, CAN FD, LIN, FlexRay, CAN 기호 디코딩) 4-SRAUTOSEN 자동차 센서(SENT) 4-SRCOMP 컴퓨터(RS-232/422/485/UART) 4-SRCXPI CXPI(디코드 및 검색 전용) 4-SREMBD 임베디드(I2C, SPI) 4-SRENET 이더넷(10BASE-T, 100BASE-TX) 4-SRESPI eSPI(디코드 및 검색 전용) 4-SRETHERCAT EtherCAT(디코드 및 검색 전용) 4-SRI3C MIPI I3C 4-SRMANCH 맨체스터(디코드 및 검색 전용) 4-SRMDIO MDIO(디코드 및 검색 전용) 4-SRNRZ NRZ(디코드 및 검색 전용) 4-SRONEWIRE 1선(1선 디코드 및 검색 전용) 4-SRPM 전원 관리(SPMI) 4-SRPSI5 PSI5(디코드 및 검색 전용) 4-SRSMBUS SMBus(디코드 및 검색 전용) 4-SRSPACEWIRE Spacewire(디코드 및 검색 전용) 4-SRSDLC 동기 데이터 링크 제어 프로토콜(디코드 및 검색 전용) 4-SRSVID SVID 4-SRUSB2 USB(USB2.0 LS, FS, HS) 4-SREUSB2 eUSB2.0(디코드 및 검색 전용) 차동 직렬 버스란? 디퍼런셜 프로브용 아날로그 프로브 및 어댑터 추가를 확인하십시오.
6 단계
- 옵션 분석 기능 추가
장비 옵션 고급 분석 4-3PHASE 3상 전기적 분석(6채널 모델 전용) 4-PWR 고급 파워 측정 및 분석(모든 4-PWR-BAS 측정, FRA, 자기학 포함) 4-MTM 마스크 및 한계 테스트 4-SV-RFVT 스펙트럼 보기 RF 대 시간 추적, 트리거, 스펙트로그램, IQ 캡처 4-VID NTSC, PAL 및 SECAM 비디오 트리거링 4-PWR-BAS 파워 측정 및 분석(이 옵션은 옵션 4-PS2와 호환되지 않습니다) 4-SV-RFVT 스펙트럼 보기 RF 대 시간 추적, 트리거, 스펙트로그램, IQ 캡처 4-SV-BW-1 스펙트럼 보기 캡처 대역폭 500MHz까지 증가 4-PS2 파워 솔루션 번들(4-PWR-BAS, THDP0200, TCP0030A, 067-1686-xx 지연시간 보정 고정기) 4-WBG-DPT 광대역 밴드갭 SiC/GaN 이중 펄스 테스트 측정 및 분석
7단계
- 디지털 프로브 추가
- 간단히 TLP058 로직 프로브를 FlexChannel 입력 장치에 연결하여 각 FlexChannel 입력 장치를 8개 디지털 채널로 구성할 수 있습니다. 장비와 함께 또는 별도로 TLP058 프로브를 주문할 수 있습니다.
해당 장비 대상 주문 추가 MSO44B 1~4개의 TLP058 프로브 8~32개의 디지털 채널 MSO46B 1~6개의 TLP058 프로브 8~48개의 디지털 채널
8 단계
- 아날로그 프로브 및 어댑터 추가
- 추가 권고 프로브 및 어댑터 추가
권고 프로브/어댑터 설명 TAP1500 1.5 GHz TekVPI® 액티브 싱글 엔드 전압 프로브, ±8 V 입력 전압 TAP2500 2.5 GHz TekVPI® 액티브 싱글 엔드 전압 프로브, ±4 V 입력 전압 TCP0030A 30 A AC/DC TekVPI® 전류 프로브, 120 MHz BW TCP0020 20 A AC/DC TekVPI® 전류 프로브, 50 MHz BW TCP0030A 30 A AC/DC TekVPI 전류 프로브, 120 MHz BW TCP0150 150 A AC/DC TekVPI® 전류 프로브, 20 MHz BW TRCP0300 30MHz AC 전류 프로브, 250mA~300A TRCP0600 30MHz AC 전류 프로브, 500mA~600A TRCP3000 16MHz AC 전류 프로브, 500mA~3000A TDP0500 500 MHz TekVPI® 차동 전압 프로브, ±42 V 차동 입력 전압 TDP1000 1GHz TekVPI® 차동 전압 프로브, ±42V 차동 입력 전압 TDP1500 1.5GHz TekVPI® 차동 전압 프로브, ±8.5V 차동 입력 전압 THDP0100 ±6kV, 100MHz TekVPI® 고전압 차동 프로브 THDP0200 ±1.5kV, 200MHz TekVPI® 고전압 차동 프로브 TMDP0200 ±750V, 200MHz TekVPI® 고전압 차동 프로브 TPR1000 1GHz, 싱글 엔드 TekVPI® 전원 레일 프로브, TPR4KIT 액세서리 키트 1개 포함 TIVP02 절연 프로브, 200MHz, ±5V~±2500V(팁에 따라 다름), 2m 케이블 TIVP02L 절연 프로브, 200MHz, ±5V~±2500V(팁에 따라 다름), 10m 케이블 TIVP05 절연 프로브, 500MHz, ±5V~±2500V(팁에 따라 다름), 2m 케이블 TIVP05L 절연 프로브, 500MHz, ±5V~±2500V(팁에 따라 다름), 10m 케이블 TIVP1 절연 프로브, 1GHz, ±5V~±2500V(팁에 따라 다름), 2m 케이블 TIVP1L 절연 프로브, 1GHz, ±5V~±2500V(팁에 따라 다름), 10m 케이블 TPP0502 500MHz, 2X TekVPI® 패시브 전압 프로브, 12.7pF 입력 커패시턴스 TPP0850 2.5kV, 800MHz, 50X TekVPI® 패시브 고전압 프로브 TPP1000 1GHz, 10X TekVPI® 패시브 전압 프로브, 1.3m 케이블, 3.9pF 입력 커패시턴스 P6015A 20kV, 75MHz 고전압 패시브 프로브 TPA-BNC TekVPI® - TekProbe™ BNC 어댑터(기존 TekProbe 프로브를 이 장비에 연결할 때 권고) TEK-DPG TekVPI 지연시간 보정 펄스 발생기기 신호 소스 067-1686-xx 전원 측정 지연시간 및 보정 고정기 - 다른 프로브를 찾고 계십니까? www.tek.com/probes에서 프로브 선택기 도구를 확인해 보십시오.
9단계
- 액세서리 추가
이동용 또는 마운팅 액세서리 추가
옵션 액세서리 설명 HC4 장비 전면 보호 덮개를 갖춘 하드 운반 케이스 RM4 랙 마운트 키트 SC4 장비 전면 보호 덮개를 갖춘 소프트 운반 케이스 GPIB - 이더넷 어댑터 주문 모델 4865B(GPIB - 이더넷 - 장비 인터페이스) ICS Electronics에서 직접 공급 www.icselect.com/gpib_instrument_intfc.html
10단계
- 전원 코드 옵션 선택
전원 코드 옵션 설명 A0 북미 전원 플러그(115V, 60Hz) A1 범용 유럽 전원 플러그(220V, 50Hz) A2 영국 전원 플러그(240V, 50Hz) A3 호주 전원 플러그(240V, 50Hz) A5 스위스 전원 플러그(220V, 50Hz) A6 일본 전원 플러그(100V, 50/60Hz) A10 중국 전원 플러그(50Hz) A11 인도 전원 플러그(50Hz) A12 브라질 전원 플러그(60Hz) A99 전원 코드 없음
11단계
- 확장 서비스 및 교정 옵션 추가
서비스 옵션 설명 T3 3년 토털 보호 플랜은 마모, 우발적 손상, ESD 또는 EOS로부터의 수리 또는 교체 보증과 . R3 3년으로 연장된 표준 보증. 부품, 공임 및 국내 2일 배송을 포함합니다. 이 보증 서비스를 사용하지 않을 때보다 더 빠른 수리 시간을 보장합니다. 모든 수리에 교정 및 업데이트가 포함됩니다. 번거롭지 않음 - 전화 한 통으로 서비스 프로세스가 시작됩니다. C3 교정 서비스 3년. 추적 가능한 교정 또는 권장 교정에 대한 기능 검증(해당하는 경우)을 포함합니다. 보증 서비스에는 초기 교정과 2년의 교정 보증 서비스가 포함됩니다. T5 5년 토털 보호 플랜은 마모, 우발적 손상, ESD 또는 EOS로부터의 수리 또는 교체 보증과. R5 5년으로 연장된 표준 보증 부품, 공임 및 국내 2일 배송을 포함합니다. 이 보증 서비스를 사용하지 않을 때보다 더 빠른 수리 시간을 보장합니다. 모든 수리에 교정 및 업데이트가 포함됩니다. 번거롭지 않음 - 전화 한 통으로 서비스 프로세스가 시작됩니다. C5 교정 서비스 5년. 추적 가능한 교정 또는 권장 교정에 대한 기능 검증(해당하는 경우)을 포함합니다. 보증 서비스에는 초기 교정과 4년의 교정 보증 서비스가 포함됩니다. D1 교정 데이터 보고서 D3 교정 데이터 보고서 3년(옵션 C3 포함) D5 교정 데이터 보고서 5년(옵션 C5 포함)
구매 후 기능 업그레이드
- 향후 기능 업그레이드 추가
- 최초 구매 후 기능을 쉽게 추가할 수 있습니다. 노드 잠금 라이센스는 단일 제품에서 옵션 기능을 영구적으로 사용하도록 설정합니다. 플로팅 라이센스를 통해 라이센스 설정 옵션을 호환 장비 간에 쉽게 이동할 수 있습니다.
| 업그레이드 기능 | 노드 잠금 라이센스 업그레이드 | 플로팅 라이센스 업그레이드 | 설명 |
|---|---|---|---|
| 장비 기능 추가 | SUP4-AFG | SUP4-AFG-FL | 임의 함수 발생기 추가 |
| SUP4-RL-1 | SUP4-RL-1-FL | 레코드 길이를 62.5Mpts/채널로 확장 | |
| 프로토콜 분석 추가 | SUP4-RFNFC | SUP4-RFNFC-FL | ISO/IEC 15693 및 ISO/IEC14443A(디코드 및 검색 전용) |
| SUP4-SRAERO | SUP4-SRAERO-FL | 항공 우주 시리얼 트리거링 및 분석(MIL-STD-1553, ARINC 429) | |
| SUP4-SRAUDIO | SUP4-SRAUDIO-FL | 오디오 시리얼 트리거링 및 분석(I2S, LJ, RJ, TDM) | |
| SUP4-SRAUTO | SUP4-SRAUTO-FL | 자동차 시리얼 트리거링 및 분석(CAN, CAN FD, LIN, FlexRay, CAN 기호 디코딩) | |
| SUP4-SRAUTOSEN | SUP4-SRAUTOSEN-FL | 자동차 센서 시리얼 트리거링 및 분석(SENT) | |
| SUP4-SRCOMP | SUP4-SRCOMP-FL | 컴퓨터 시리얼 트리거링 및 분석(RS-232/422/485/UART) | |
| SUP4-SRCXPI | SUP4-SRCXPI-FL | CXPI 시리얼 디코딩 및 분석 | |
| SUP4-SREMBD | SUP4-SREMBD-FL | 임베디드 시리얼 트리거링 및 분석(I2C, SPI) | |
| SUP4-SRENET | SUP4-SRENET-FL | 이더넷 시리얼 트리거링 및 분석(10Base-T, 100Base-TX) | |
| SUP4-SRESPI | SUP4-SRESPI-FL | eSPI 시리얼 디코딩 및 분석 | |
| SUP4-SRETHERCAT | SUP4-SRETHERCAT-FL | EtherCAT 시리얼 디코딩 및 분석 | |
| SUP4-SRI3C | SUP4-SRI3C-FL | MIPI I3C 시리얼 트리거링 및 분석 | |
| SUP4-SRMANCH | SUP4-SRMANCH-FL | 맨체스터(디코드 및 검색 전용) | |
| SUP4-SRMDIO | SUP4-SRMDIO-FL | 관리 데이터 입력/출력(MDIO) 시리얼 디코딩 및 분석 | |
| SUP4-SRNRZ | SUP4-SRNRZ-FL | NRZ 시리얼 분석 | |
| SUP4-SRONEWIRE | SUP4-SRONEWIRE-FL | 일선(1선) 시리얼 디코딩 및 분석 | |
| SUP4-SRPM | SUP4-SRPM-FL | 전원 관리 시리얼 트리거링 및 분석(SPMI) | |
| SUP4-SRPSI5 | SUP4-SRPSI5-FL | PSI5 시리얼 분석 | |
| SUP4-SRSMBUS | SUP4-SRSMBUS-FL | SMBus 시리얼 디코딩 및 분석 | |
| SUP4-SRSPACEWIRE | SUP4-SRSPACEWIRE-FL | Spacewire 시리얼 분석 | |
| SUP4-SRSDLC | SUP4-SRSDLC-FL | 동기 데이터 링크 제어 | |
| SUP4-SRSVID | SUP4-SRSVID-FL | 시리얼 전압 식별(SVID) 시리얼 디코딩 및 분석 | |
| SUP4-SRUSB2 | SUP4-SRUSB2-FL | USB 2.0 직렬 버스 트리거링 및 분석(LS, FS, HS) | |
| SUP4-SREUSB2 | SUP4-SREUSB2-FL | 임베디드 USB 2.0(eUSB 2.0) 시리얼 디코딩 및 분석 | |
| 고급 분석 추가 | SUP4-3PHASE | SUP4-3PHASE-FL | 3상 전기적 분석(6채널 모델 전용) |
| SUP4-MTM | SUP4-MTM-FL | 마스크 및 한계 테스트 | |
| SUP4-PS2 | 해당 없음 | 파워 솔루션 번들(4-PWR, THDP0200, TCP0030A, 067-1686-xx 지연시간 보정 고정기) | |
| SUP4-PWR-BAS | SUP4-PWR-BAS-FL | 파워 측정 및 분석 | |
| SUP4-PWR | SUP4-PWR-FL | 고급 파워 측정 및 분석(모든 SUP4-PWR-BAS 측정 포함) | |
| SUP4-SV-BW-1 | SUP4-SV-BW-1-FL | 스펙트럼 보기 캡처 대역폭 500MHz까지 증가 | |
| SUP4-SV-RFVT | SUP4-SV-RFVT-FL | 스펙트럼 보기 RF 대 시간 추적, 트리거, 스펙트로그램, IQ 캡처 | |
| SUP4-VID | SUP4-VID-FL | NTSC, PAL 및 SECAM 비디오 트리거링 | |
| SUP4-WBG-DPT | SUP4-WBG-DPT-FL | 광대역 밴드갭 SiC/GaN 이중 펄스 테스트 측정 및 분석 | |
| 디지털 전압계 추가 | 해당 없음 | 해당 없음 | 디지털 전압계/트리거 주파수 계수기 추가(제품 등록 시 www.tek.com/register4mso에서 무료) |
구매 후 대역폭 업그레이드
- 향후 대역폭 업그레이드 추가
- 최초 구매 후 제품의 아날로그 대역폭을 쉽게 업그레이드할 수 있습니다. 대역폭 업그레이드는 FlexChannel 입력 수, 현재 대역폭과 원하는 대역폭을 기반으로 구매하게 됩니다.
모든 모델은 필드에서 모든 대역폭을 업그레이드할 수 있습니다.
| 보유한 오실로스코프 모델 | 대역폭 업그레이드 제품 | 업그레이드 옵션 | 업그레이드 옵션 설명 |
|---|---|---|---|
| MSO44B | SUP4B-BW4 | 4B-BW2T3-4 | 라이센스, 대역폭 업그레이드, (4) FlexChannel 모델에서 200MHz에서 350MHz 대역폭으로 업그레이드, 노드 잠금 |
| 4B-BW2T5-4 | 라이센스, 대역폭 업그레이드, (4) FlexChannel 모델에서 200MHz에서 500MHz 대역폭으로 업그레이드, 노드 잠금 | ||
| 4B-BW2T10-4 | 라이센스, 대역폭 업그레이드, (4) FlexChannel 모델에서 200MHz에서 1GHz 대역폭으로 업그레이드, 노드 잠금 | ||
| 4B-BW2T15-4 | 라이센스, 대역폭 업그레이드, (4) FlexChannel 모델에서 200MHz에서 1.5GHz 대역폭으로 업그레이드, 노드 잠금 | ||
| 4B-BW3T5-4 | 라이센스, 대역폭 업그레이드, (4) FlexChannel 모델에서 350MHz에서 500MHz 대역폭으로 업그레이드, 노드 잠금 | ||
| 4B-BW3T10-4 | 라이센스, 대역폭 업그레이드, (4) FlexChannel 모델에서 350MHz에서 1GHz 대역폭으로 업그레이드, 노드 잠금 | ||
| 4B-BW3T15-4 | 라이센스, 대역폭 업그레이드, (4) FlexChannel 모델에서 350MHz에서 1.5GHz 대역폭으로 업그레이드, 노드 잠금 | ||
| 4B-BW5T10-4 | 라이센스, 대역폭 업그레이드, (4) FlexChannel 모델에서 500Hz에서 1GHz 대역폭으로 업그레이드, 노드 잠금 | ||
| 4B-BW5T15-4 | 라이센스, 대역폭 업그레이드, (4) FlexChannel 모델에서 500Hz에서 1.5GHz 대역폭으로 업그레이드, 노드 잠금 | ||
| 4B-BW10T15-4 | 라이센스, 대역폭 업그레이드, (4) FlexChannel 모델에서 1GHz에서 1.5GHz 대역폭으로 업그레이드, 노드 잠금 | ||
| MSO46B | SUP4B-BW6 | 4B-BW2T3-6 | 라이센스, 대역폭 업그레이드, (6) FlexChannel 모델에서 200MHz에서 350MHz 대역폭으로 업그레이드, 노드 잠금 |
| 4B-BW2T5-6 | 라이센스, 대역폭 업그레이드, (6) FlexChannel 모델에서 200MHz에서 500MHz 대역폭으로 업그레이드, 노드 잠금 | ||
| 4B-BW2T10-6 | 라이센스, 대역폭 업그레이드, (6) FlexChannel 모델에서 200Hz에서 1GHz 대역폭으로 업그레이드, 노드 잠금 | ||
| 4B-BW2T15-6 | 라이센스, 대역폭 업그레이드, (6) FlexChannel 모델에서 200Hz에서 1.5GHz 대역폭으로 업그레이드, 노드 잠금 | ||
| 4B-BW3T5-6 | 라이센스, 대역폭 업그레이드, (6) FlexChannel 모델에서 350MHz에서 500MHz 대역폭으로 업그레이드, 노드 잠금 | ||
| 4B-BW3T10-6 | 라이센스, 대역폭 업그레이드, (6) FlexChannel 모델에서 350Hz에서 1GHz 대역폭으로 업그레이드, 노드 잠금 | ||
| 4B-BW3T15-6 | 라이센스, 대역폭 업그레이드, (6) FlexChannel 모델에서 350Hz에서 1.5GHz 대역폭으로 업그레이드, 노드 잠금 | ||
| 4B-BW5T10-6 | 라이센스, 대역폭 업그레이드, (6) FlexChannel 모델에서 500Hz에서 1GHz 대역폭으로 업그레이드, 노드 잠금 | ||
| 4B-BW5T15-6 | 라이센스, 대역폭 업그레이드, (6) FlexChannel 모델에서 500Hz에서 1.5GHz 대역폭으로 업그레이드, 노드 잠금 | ||
| 4B-BW10T15-6 | 라이센스, 대역폭 업그레이드, (6) FlexChannel 모델에서 1GHz에서 1.5GHz 대역폭으로 업그레이드, 노드 잠금 |


