
Contactez-nous
Chat en direct avec un représentant Tek. Service disponible de 9 h à 17 h, CET jours ouvrables.
Appelez-nous au
Disponible de 9 h à 17 h CET jours ouvrables.
Télécharger
Télécharger des manuels, des fiches techniques, des logiciels, etc. :
Feedback
Oscilloscopes multidomaines
Fiche technique MDO4000C
Les produits figurant sur cette fiche technique ne sont plus vendus par Tektronix.
Référez-vous à Tektronix Encore pour les équipements de test reconditionnés.
Consultez l'assistance et les informations de garantie pour ces produits.
Plus d’informations
- Les oscilloscopes multidomaines de la série MDO4000C
- Découvrez d'autres modèles Oscilloscope
Lire en ligne :
Spécifications des principales performances
- 1. Oscilloscope
- 4 voies analogiques
- Modèles de bande passante à 1 GHz, 500 MHz, 350 MHz, 200 MHz
- La bande passante est évolutive (jusqu'à 1 GHz)
- Jusqu'à un taux d'échantillonnage de 5 Géch./s
- Longueur d'enregistrement de 20 millions sur toutes les voies
- Vitesse d’acquisition de signaux maximale > 340 000 formes d'ondes/s
- Sondes de tension passives standard avec charge capacitive de 3,9 pF et bande passante analogique de 1 GHz ou 500 MHz
- 2. Analyseur de spectre (en option)
- Plage de fréquences de 9 kHz à 3 GHz ou 9 KHz à 6 GHz
- Bande passante d’acquisition ultra large ≥1 GHz
- Capture synchronisée de l’analyseur de spectre avec acquisitions analogiques et numériques
- Signaux fréquence en fonction du temps, amplitude en fonction du temps, phase en fonction du temps
- 3. Générateur de fonctions arbitraires (option)
- 13 types de signaux prédéfinis
- Génération de signaux 50 MHz
- Longueur d'enregistrement du générateur 128 000 points
- Fréquence d'échantillonnage du générateur de fonctions arbitraires 250 Méch./s
- 4. Analyseur logique (option)
- 16 voies numériques
- Longueur d'enregistrement 20 millions de points sur toutes les voies
- Résolution temporelle 60.6 ps
- 5. Analyseur de protocole (en option)
- Support de bus série pour I2C, SPI, RS-232/422/485/UART, USB 2.0, Ethernet, CAN, CAN FD, LIN, FlexRay, MIL-STD-1553, ARINC-429 et autres standards audio
- 6. Voltmètre numérique/compteur de fréquence (gratuit avec enregistrement du produit)
- Mesures de tension à 4 chiffres CC, CA valeur efficace, et CA+CC valeur efficace
- Mesures de fréquence à 5 chiffres
Applications typiques
- Conception de systèmes embarqués
Identifiez et trouvez rapidement une solution aux problèmes rencontrés en effectuant un débogage système sur les systèmes intégrés de signaux mixtes, y compris pour les technologies de bus série les plus courantes actuellement.
- Conception d'alimentation
Réalisez des mesures de tension, d'intensité et de puissance fiables et reproductibles en utilisant les mesures automatiques de la qualité de l’alimentation, de pertes de commutation, d’harmoniques, d’ondulations, de modulations et effectuez des mesures en toute sécurité dans les zones à risque grâce à la plus grande sélection de sondes d'alimentation disponibles dans une solution abordable.
- Diagnostics de problèmes liés aux interférences électromagnétiques (EMI)
Identifiez rapidement l’origine des problèmes liés aux interférences électromagnétiques d’un système intégré en déterminant quels sont les signaux du domaine temporel susceptibles de générer les interférences électromagnétiques indésirables. Observez en temps réel les effets des signaux temporels sur les émissions d’interférences électromagnétiques.
- Dépannage sans fil
Qu’il utilise les technologies Bluetooth, 802.11 WiFi, ZigBee, ou d’autres technologies sans fil, l’oscilloscope MDO4000C permet de visualiser un système complet (analogique, numérique et RF) de manière synchronisée afin de comprendre son comportement réel. Capturez une bande ultra large en une seule capture afin d’observer les interactions entre plusieurs technologies sans fil, ou pour visualiser l’ensemble d’une large plage de fréquences d’une norme moderne telle que la norme 802.11/ad.
- Enseignement
La gestion de plusieurs instruments sur un banc d'essai peut être complexe. Avec le modèle MDO4000C, vous n'avez plus besoin de gérer plusieurs instruments, car il intègre six types d'instruments en un seul. Grâce à l’analyseur de spectre intégré, il est possible de dispenser des cours sur les technologies sans fil avancées avec un investissement minimal. Sa grande évolutivité permet d'ajouter des fonctionnalités au fil du temps en fonction des besoins ou des budgets.
- Test de fabrication et dépannage
Les contraintes en matière de taille et d'espace peuvent être un vrai casse-tête pour organiser la zone de fabrication. Le modèle unique 6-en-1 MDO4000C est d’un encombrement minimal en rack ou sur un banc en intégrant plusieurs instruments en un seul appareil compact. L'intégration réduit les coûts associés à l'utilisation de plusieurs types d'instruments différents pour les tests de fabrication ou les stations de dépannage.
1 – Oscilloscope
Les modèles MDO4000C reposent sur un oscilloscope haut de gamme qui offre des outils complets visant à accélérer chaque phase de débogage, de la détection rapide d'anomalies et de leur capture, à la recherche d'événements intéressants dans l'enregistrement d'un signal, l'analyse de leurs caractéristiques et du comportement du périphérique que vous étudiez.
Technologie à phosphore numérique avec la capture rapide de signaux FastAcq™
Pour déboguer un problème de conception, vous devez d'abord l’identifier. Chaque ingénieur d'étude passe du temps à rechercher les problèmes dans ses produits : une tâche longue et frustrante sans les bons outils de débogage.
La technologie à phosphore numérique avec FastAcq offre un aperçu rapide du fonctionnement réel de votre système. Grâce à sa vitesse d'acquisition de signaux élevée (supérieure à 340 000 signaux par seconde), vous avez de grandes chances de pouvoir visualiser rapidement les problèmes rares qui se produisent dans les systèmes numériques : petites impulsions, parasites, problèmes de temporisation, etc.
Pour améliorer la visibilité de ces événements rares, l'intensité variable permet d'indiquer la fréquence des phénomènes transitoires rares par rapport aux caractéristiques normales des signaux. Quatre palettes de signaux sont disponibles en mode d'acquisition FastAcq.
- La Palette de température utilise des couleurs progressives pour indiquer la fréquence d'apparition avec des couleurs chaudes (jaune/rouge) qui représentent les événements fréquents et des couleurs froides (bleu/vert) qui représentent les événements rares.
- La Palette de spectre utilise des couleurs progressives pour indiquer la fréquence d'apparition avec des couleurs froides (ex. bleu) qui représentent les événements fréquents et des couleurs chaudes (ex. rouge) qui représentent les événements rares.
- La Palette normale utilise la couleur par défaut de la voie (ex. jaune pour la voie 1) avec une échelle de gris pour indiquer la fréquence d'apparition, où les événements fréquents sont clairs.
- La Palette inversée utilise la couleur par défaut de la voie avec une échelle de gris pour indiquer la fréquence d'apparition, où les événements rares sont clairs.
Ces palettes de couleurs mettent rapidement en évidence les événements les plus fréquents ou, dans le cas d'anomalies rares, ceux qui se produisent moins souvent.
Le choix de rémanence infinie ou variable détermine la durée d'affichage des signaux, ce qui facilite la détermination de la fréquence d'apparition d'une anomalie.

La technologie à phosphore numérique permet de capturer les signaux à une vitesse supérieure à 340 000 signaux/seconde et de moduler l'intensité en temps réel.
Déclenchement
La détection d'une défaillance dans un appareil est seulement la première étape. Vous devez ensuite capturer l'événement qui permettra d’identifier son origine. Pour cela, l'oscilloscope MDO4000C contient un ensemble complet de plus de 125 combinaisons de déclencheurs (petite impulsion, délai d'attente, logique, largeur d'impulsion/parasite, violation de temps d'établissement et de maintien, paquet série et données parallèles) permettant de repérer rapidement l'événement intéressant. De plus, grâce à une longueur d'enregistrement de 20 millions de points, vous pouvez capturer de nombreux événements intéressants, voire des milliers de paquets série, au cours d'une seule acquisition, pour les analyser ensuite, tout en conservant une résolution élevée pour zoomer sur des détails précis du signal et enregistrer des mesures fiables.

Plus de 125 combinaisons de signaux permettent de capturer facilement un événement intéressant.
Fonctions de navigation et de recherche automatique Wave Inspector®
Avec des grandes longueurs d'enregistrement, une seule acquisition peut représenter des milliers d'écrans de données des signaux. Meilleur outil de navigation et de recherche automatique du marché, Wave Inspector® permet de trouver les événements intéressants en quelques secondes.

Les commandes Wave Inspector offrent une efficacité sans précédent pour l'affichage, la navigation et l'analyse des données des signaux. Parcourez votre enregistrement long en tournant la commande panoramique extérieure (1). Examinez les détails du début à la fin en quelques secondes. Vous remarquez quelque chose d'intéressant et vous souhaitez plus de détails ? Il suffit de tourner le zoom intérieur (2).
Zoom et panoramique
Cette commande dédiée à 2 fonctionsde la face avant permet de contrôler intuitivement les fonctions de zoom et de déplacement de manière intuitive. La commande intérieure règle le facteur de zoom (ou échelle de zoom). En la tournant dans le sens des aiguilles d'une montre, vous activez le zoom et passez à des facteurs de zoom de plus en plus élevés ; en la tournant dans le sens inverse des aiguilles d'une montre, vous passez à des facteurs de zoom de moins en moins élevés, avant de désactiver le zoom. Désormais, vous n'avez plus besoin de naviguer dans plusieurs menus pour régler le zoom. La commande extérieure déplace la fenêtre de zoom afin de découvrir rapidement la partie du signal qui vous intéresse. Elle utilise également l'angle de rotation pour déterminer la vitesse de déplacement du signal. Plus vous tournez la commande extérieure, plus la zone de zoom se déplace rapidement. Le sens de déplacement change en tournant simplement la commande dans l'autre sens.
Marquages utilisateur
Appuyez sur le bouton Set Mark (Placer repère) de la face avant pour placer un ou plusieurs repères sur le signal. Pour parcourir les repères, il suffit d'appuyer ensuite sur les boutons Précédent (←) et Suivant (→) de la face avant.
Rechercher des marques
Le bouton Recherche permet de rechercher automatiquement des événements définis par l'utilisateur dans l'ensemble d'une longue acquisition. Toutes les occurrences d'un événement sont signalées par des marques de recherche et peuvent être atteintes facilement avec les boutons Précédent (←) et Suivant (→) de la face avant. Les types de recherche incluent le front, la largeur d'impulsion/parasite, le délai d'attente, la petite impulsion, la logique, le temps d'établissement et de maintien, les temps de montée/descente, le bus parallèle, ainsi que le contenu des paquets I2C, SPI, RS-232/422/485/UART, USB 2.0, Ethernet, CAN, CAN FD, LIN, FlexRay, MIL-STD-1553, ARINC-429 et I2S/LJ/RJ/TDM. Le tableau des marqueurs de recherche affiche les événements trouvés pendant la recherche automatique. Chaque événement est affiché avec son horodatage afin de faciliter les mesures de synchronisation entre les événements.

Étape 1 de la recherche : vous définissez ce que vous souhaitez rechercher.

Étape 2 de la recherche : Wave Inspector effectue une recherche automatique dans l'enregistrement et marque chaque événement d'un triangle blanc. Vous pouvez ensuite utiliser les boutons Précédent et Suivant pour passer d'un événement à l'autre.

Étape 3 de la recherche : le tableau des marqueurs de recherche affiche chaque événement trouvé par la recherche automatique. Chaque événement est affiché avec son horodatage afin de faciliter les mesures de synchronisation entre les événements.
Analyse de signaux
Pour vérifier que les performances de votre prototype correspondent aux simulations et satisfont les objectifs de conception du projet, vous devez analyser son comportement. Il peut s'agir de simples vérifications des temps de montée et des largeurs des signaux aussi bien que de fonctions sophistiquées d'analyse de perte de puissance et d'étude des sources de bruit.
L'oscilloscope propose un ensemble complet d'outils d'analyse intégrés (curseurs basés sur l'écran et sur le signal, mesures automatisées, fonction mathématique avancée du signal comprenant la modification arbitraire d'équation, analyse FFT, histogrammes des signaux et tracé des tendances) pour déterminer visuellement l'évolution d'une mesure dans le temps.

Les affichages de mesures automatiques offrent des vues statistiques répétables des caractéristiques des signaux.

Chaque mesure est associée à un texte d'aide et à des graphiques qui expliquent comment elle a été effectuée.
Les histogrammes des signaux indiquent visuellement leur variation temporelle. Les histogrammes horizontaux des signaux sont particulièrement utiles pour évaluer la gigue d'un signal d'horloge ainsi que la répartition de cette dernière. Les histogrammes verticaux sont particulièrement utiles pour une vision détaillée du niveau de bruit d'un signal ainsi que la répartition de ce dernier.
Les mesures effectuées sur l'histogramme d'un signal fournissent des informations analytiques sur la répartition de l'histogramme et une vision détaillée de la largeur de la répartition, de l'écart-type, de la valeur moyenne, etc.

Histogramme du front montant d'un signal montrant la répartition de la position du front (gigue) dans le temps. Les mesures numériques effectuées à partir des données de l'histogramme de signaux sont incluses.
Études et développements vidéo (en option)
De nombreux ingénieurs spécialisés en vidéo restent fidèles à leurs oscilloscopes analogiques, pensant que les intensités variables sur un écran analogique sont la seule façon de visualiser certains détails d'un signal vidéo. La vitesse élevée d'acquisition des signaux, associée à l'intensité variable d'affichage du signal, offre le même affichage riche en informations qu'un oscilloscope analogique, mais avec un niveau de détail supérieur et tous les avantages des oscilloscopes numériques.
Avec les fonctions standard telles que les réticules IRE et mV, l'inhibition par trames, la polarité vidéo et un réglage automatique suffisamment intelligent pour détecter les signaux vidéo, ces oscilloscopes sont les plus conviviaux du marché pour les applications vidéo. De plus, avec sa bande passante élevée et 4 entrées analogiques, l'oscilloscope offre des caractéristiques complètes pour l'utilisation avec des signaux vidéo analogiques et numériques.
La fonctionnalité vidéo peut être élargie par un module d'application vidéo en option, qui fournit la suite de déclencheurs vidéo HDTV et personnalisés (non standard) la plus complète du marché, ainsi qu'un mode image vidéo vous permettant de voir l'image d'un signal vidéo NTSC ou PAL affiché. La fonction d'analyse vidéo en option est gratuite pendant une période d'évaluation de 30 jours. qui commence automatiquement à la première mise sous tension de l'instrument.

Affichage d'un signal vidéo NTSC. Le mode image vidéo effectue les réglages automatiques de contraste et de luminosité et comporte des commandes manuelles.
Analyse de puissance (option)
Comme les utilisateurs recherchent toujours des appareils affichant une plus grande autonomie et des solutions écologiques, moins gourmandes en énergie, les concepteurs d'alimentation doivent caractériser et minimiser les pertes de commutation afin d'améliorer le rendement. De plus, les niveaux de puissance, la pureté de la sortie et le retour des harmoniques dans la ligne d'alimentation doivent être caractérisés afin de respecter les normes nationales et régionales de qualité des alimentations. Historiquement, ces caractérisations et de nombreuses autres mesures d’alimentations sur un oscilloscope sont des procédures manuelles longues et fastidieuses. Les outils facultatifs d'analyse de puissance de l'oscilloscope simplifient considérablement ces tâches, en permettant une analyse rapide et précise de la qualité de l'alimentation, de la perte de commutation, des harmoniques, de la zone de fonctionnement sûr, de la modulation, de l'ondulation et de la vitesse de montée (di/dt, dv/dt). Totalement intégrés à l'oscilloscope, les outils d'analyse de puissance permettent d'obtenir des mesures de puissance automatiques et reproductibles par une simple pression sur un bouton. Aucun PC externe et aucune configuration logicielle complexe ne sont requis. La fonction d'analyse de puissance (option) est gratuite pendant une période d'évaluation de 30 jours qui commence automatiquement à la première mise sous tension de l'instrument.

Mesures de la qualité de l’alimentation. Les mesures automatiques de puissance permettent d'analyser rapidement et précisément les paramètres courants des alimentations.
Test de limite de masque (en option)
La caractérisation du comportement de certains signaux d'un système constitue une tâche courante du processus de développement. Une des méthodes utilisées à cette fin, le test des valeurs limites, consiste à comparer un signal testé à un signal connu, ou à une version de référence de ce même signal, avec les tolérances verticales et horizontales définies par l'utilisateur. Une autre méthode, le test de masque, consiste à comparer un signal testé à un masque, afin de détecter les emplacements auxquels le signal testé outrepasse le masque. La Série MDO4000C propose ces deux fonctionnalités, très utiles pour la surveillance à long terme des signaux, permettant la caractérisation des signaux pendant une étude ou le test sur une chaîne de production. Un ensemble robuste de normes de télécommunication et informatiques est fourni pour tester la conformité à ces normes. De plus, des masques personnalisés peuvent être créés et utilisés pour caractériser les signaux. Vous pouvez adapter un test à vos besoins en lui attribuant une durée ou un nombre de signaux limite, en définissant un seuil de violation qui établira si le test a échoué, en comptant à la fois les violations et les informations statistiques, et en définissant des actions en cas de violations, d'échec ou de réussite du test. Que vous spécifiiez un masque à partir d'un signal connu,d'un masque personnalisé ou standard, il n’a jamais été si facile de mettre en place des tests d'échec/réussite pour rechercher des anomalies dans les signaux telles que les parasites. Le test de masque/valeurs limites (option) est gratuit pendant une période d'évaluation de 30 jours qui commence automatiquement à la première mise sous tension de l'instrument.

Test des valeurs limites représentant un masque créé à partir d'un signal de référence et comparé à un signal actif. Les résultats affichés indiquent les statistiques du test.
2- Analyseur logique (en option)
Analyse spectrale rapide et précise
Lorsque l'entrée de l'analyseur de spectre en option est utilisée seule, une vue du domaine fréquentiel est affichée en plein écran sur la série MDO4000C.
Les principaux paramètres du spectre (fréquence centrale, plage, niveau de référence et bande passante de résolution) se configurent tous rapidement et facilement à l'aide des menus et du clavier dédiés de la face avant.

MDO4000C : affichage du domaine fréquentiel.
Marqueurs efficaces et intelligents
Dans un analyseur de spectre traditionnel, il peut être fastidieux d'activer et de placer suffisamment de marqueurs pour identifier toutes les crêtes dignes d'intérêt. La série MDO4000C rend cette tâche bien plus efficace en plaçant automatiquement sur les crêtes des marqueurs qui indiquent à la fois leur fréquence et leur amplitude. Vous pouvez modifier les critères utilisés par l'oscilloscope pour détecter automatiquement les crêtes.
Le pic d'amplitude le plus élevé référencé comme marqueur de référence s'affiche en rouge. Les mesures avec les marqueurs peuvent être absolues ou relatives. Lorsque le mode relatif est sélectionné, les mesures avec les marqueurs indiquent la différence de fréquence et d'amplitude de chaque pic par rapport au marqueur de référence.
Deux marqueurs manuels sont également disponibles pour mesurer les autres parties du spectre ne comportant pas de pics. Lorsque le marqueur de référence est activé, il est rattaché à un des marqueurs manuels, ce qui permet d'effectuer des mesures relatives en tout point du spectre. Outre la fréquence et l'amplitude, les mesures avec marqueurs manuels comprennent également les mesures de densité du bruit et de bruit de phase selon que les mesures absolues ou différentielles sont sélectionnées. La fonction « Reference Marker to Center » déplace instantanément la fréquence indiquée par le marqueur de référence vers la fréquence centrale.

Les marqueurs automatiques de pics permettent d'identifier immédiatement les informations importantes. Sur la figure, les cinq pics de plus grande amplitude remplissant les conditions de seuil et d'excursion sont automatiquement marqués en même temps que leur fréquence et leur amplitude.
Spectrogramme
La série MDO4000C avec option SA3 ou SA6 inclut un affichage de spectrogramme idéal pour la surveillance des phénomènes RF évoluant lentement. L'axe x représente la fréquence comme pour l'affichage d'un spectre normal. L'axe y représente en revanche le temps et des couleurs indiquent l'amplitude.
Des tranches du spectrogramme sont produites en « relevant chaque spectre sur sa base» afin qu'il utilise un seul pixel en hauteur, puis en attribuant des couleurs à chaque pixel en fonction de l'amplitude à cette fréquence. Les couleurs froides (bleu et vert) représentent une faible amplitude, les couleurs chaudes (jaune et rouge) une amplitude plus élevée. Chaque nouvelle acquisition ajoute une tranche au bas du spectrogramme et l'historique monte d'une ligne. Lorsque les acquisitions sont interrompues, vous pouvez revenir en arrière dans le spectrogramme pour examiner n’importe quelle partie de spectre isolée.

L'affichage Spectrogramme représente les phénomènes RF qui varient lentement. Comme le montre la figure, un signal à plusieurs crêtes est surveillé. Il est facile d’observer les variations temporelles de la fréquence et de l’amplitude des crêtes dans l'écran Spectrogramme.
Bande passante de capture ultra large
Les communications sans fil actuelles varient considérablement dans le temps, en utilisant des modulations numériques sophistiquées et, très souvent, des techniques de transmission qui impliquent la génération de salves en sortie. Ces techniques de modulation peuvent avoir des bandes passantes très larges. Les analyseurs de spectre à balayage traditionnels sont mal équipés pour afficher ces types de signaux car ils ne sont capables de capturer qu'une petite partie d'un spectre à un instant donné.
La partie du spectre acquise au cours d’une acquisition est appelée bande passante de capture. Les analyseurs de spectre traditionnels balayent ou analysent progressivement la bande passante de capture sur la plage souhaitée pour générer l'image demandée. Par conséquent, pendant que l'analyseur de spectre acquiert une portion du spectre, l'événement qui vous intéresse peut se produire dans une autre partie du spectre. La plupart des analyseurs de spectre actuels sur le marché affichent des bandes passantes de capture égales à 10 MHz. Parfois, des options onéreuses étendent la bande passante à 20, 40, voire 160 MHz dans certains cas.
Afin de répondre aux besoins des signaux RF modernes en termes de bande passante, la série MDO4000C dispose d'une bande passante de capture ≥ 1 GHz. Pour les réglages de plage inférieurs ou égaux à 1 GHz, il n'est pas nécessaire de balayer l'écran. Le spectre est généré à partir d'une seule acquisition, garantissant ainsi que vous verrez les événements qui vous intéressent dans le domaine fréquentiel. En outre, comme l’analyseur de spectre intégré dispose d’une entrée RF dédiée, la bande passante est constante sur toute la sortie à 3 GHz ou 6 GHz, contrairement à un oscilloscope FFT qui diminue de 3 dB à la bande passante nominale du canal d’entrée.

Affichage spectral d'une communication par salves Zigbee à 900 MHz et d'une communication Bluetooth à 2,4 GHz, respectivement reçue et émise par l'appareil, capturées en une seule acquisition.
Représentations de spectres
L'analyseur de spectre MDO4000C offre quatre différentes vues ou représentations de l'entrée RF : Normal, Average, Max Hold et Min Hold. Vous pouvez configurer indépendamment le type de détection utilisé pour chaque type de trace ou vous pouvez laisser l'oscilloscope en mode Auto (par défaut), ce qui va automatiquement configurer le meilleur type de détection pour votre configuration. Modes de détection : +Peak, -Peak, Average et Sample.

Représentations de spectre Normal, Average, Max Hold et Min Hold
Utilisation comparée en mode Triggered ou en mode Free Run
Quand les domaines temporel et fréquentiel sont affichés, le spectre est toujours déclenché par l'événement de déclenchement et corrélé dans le temps avec les traces actives dans le domaine temporel. Cependant, lorsque seul le domaine fréquentiel est affiché, l'analyseur de spectre peut être configuré en exécution libre, utile lorsque les données du domaine fréquentiel sont continues et sans rapport avec les événements se produisant dans le domaine temporel.
Déclenchement avancé avec les voies analogiques, numériques et de l'analyseur de spectre
Afin de gérer la nature variable des applications RF modernes, la série MDO4000C offre un système d'acquisition déclenchée entièrement intégré aux voies analogiques, numériques et de l'analyseur de spectre. Un événement de déclenchement unique coordonne donc l'acquisition de toutes les voies, ce qui permet de capturer un spectre au moment précis où se produit un événement intéressant dans le domaine temporel. Un ensemble complet de déclenchements dans le domaine temporel est disponible : front, séquence, largeur d'impulsion, délai d'attente, petite impulsion, logique, violation de temps d'établissement et de maintien, temps de montée/descente, vidéo, ainsi que divers déclenchements de paquets sur bus parallèles et série. De plus, vous pouvez déclencher sur le niveau de puissance de l'entrée HF. Par exemple, vous pouvez déclencher sur la mise sous tension de votre émetteur RF.
Le module d'application MDO4TRIG en option offre des déclenchements RF avancés. Ce module permet d'utiliser le niveau de puissance d'entrée RF de l’analyseur de spectre pour les types de déclenchement sur séquence, largeur d'impulsion, délai d'attente, petites impulsions, ainsi que pour les déclenchements logiques. Par exemple, vous pouvez déclencher sur une impulsion RF d'une longueur donnée ou utiliser la voie analyseur de spectre comme entrée d'un déclenchement logique, ce qui permet à l'oscilloscope de déclencher uniquement lorsque le signal RF est activé pendant que les autres signaux sont actifs.
Mesures radio-fréquence (RF)
La série MDO4000C dispose de trois types de mesures RF automatiques - Channel Power, Adjacent Channel Power Ratio et Occupied Bandwidths. Lorsqu'un de ces types de mesures RF est activé, l'oscilloscope sélectionne automatiquement la représentation spectrale moyenne et configure la méthode de détection sur moyenne afin d’améliorer les résultats des mesures.

Mesure automatique de puissance des voies
Diagnostics de problèmes liés aux interférences électromagnétiques (EMI)
Les tests CEM sont chers, que vous achetiez le matériel pour les effectuer en interne ou que vous payiez un bureau de test externe pour certifier votre produit. De plus, cela suppose que votre produit réussisse les tests au premier essai. Plusieurs allers-retours avec le bureau de test peuvent augmenter considérablement le coût de votre projet et allonger son délai de réalisation. Pour minimiser ces dépenses, il est essentiel d'identifier et de déboguer au plus tôt les problèmes d'interférences électromagnétiques. Généralement, les analyseurs de spectres avec des jeux de sondes en champ proche sont utilisés pour identifier l'emplacement et l'amplitude des fréquences gênantes, mais leur capacité à déterminer l'origine du problème est très limitée. Les ingénieurs d'étude utilisent de plus en plus des oscilloscopes et des analyseurs logiques car les problèmes d’interférences électromagnétiques sont de plus en plus transitoires du fait des interactions complexes entre les nombreux circuits numériques des conceptions modernes.
Le modèle MDO4000C, avec ses fonctions intégrées (oscilloscope, analyseur logique et analyseur de spectre) est l'outil parfait de débogage des problèmes d’interférences électromagnétiques. De nombreux problèmes de ce type sont dus à des événements se produisant dans le domaine temporel (ex. horloges, alimentations et liaisons de données série). Fournissant des vues corrélées dans le temps de signaux analogiques, numériques et RF, le modèle MDO4000C est le seul instrument qui peut mettre en évidence la relation entre des événements dans le domaine temporel et des émissions spectrales nuisibles.
Sondes RF
Les méthodes d'entrée de signaux des analyseurs de spectre sont généralement limitées aux connexions câblées ou aux antennes. Cependant, grâce à l'adaptateur TPA-N-VPI en option, toute sonde TekVPI de 50 Ω peut s'utiliser avec l'analyseur de spectre du modèle MDO4000C. Ainsi, la flexibilité est plus grande lors de la recherche de sources de bruit et l'analyse spectrale est facilitée à l'aide d'une véritable recherche de signal sur une entrée RF.
De plus, un préamplificateur en option facilite l'analyse des signaux de faible amplitude. Le préamplificateur TPA-N-PRE fournit un gain nominal de 12 dB sur une plage de fréquences s’étendant de 9 kHz à 6 GHz.

L'adaptateur TPA-N-VPI en option permet à toute sonde TekVPI active de 50 Ω d'être connectée à l'entrée RF.
Visualisation des variations de votre signal RF
Le réticule du domaine temporel de l’écran de la série MDO4000C prend en charge les trois représentations RF provenant des données I et Q sous-jacentes de l’entrée de l’analyseur de spectre dans le domaine temporel, notamment :
- Amplitude : l’amplitude instantanée de l’entrée de l’analyseur de spectre en fonction du temps
- Fréquence : la fréquence instantanée de l’entrée de l’analyseur de spectre, par rapport à la fréquence centrale en fonction du temps
- Phase : la phase instantanée de l’entrée de l’analyseur de spectre, par rapport à la fréquence centrale en fonction du temps.
Il est possible d'activer/désactiver indépendamment chaque représentation et d'afficher les trois simultanément. Les représentations de domaine temporel RF facilitent la compréhension de ce qui se produit avec un signal RF variable dans le temps.

Le signal orange dans la vue du domaine temporel correspond à la représentation de la fréquence en fonction du temps calculée à partir du signal d'entrée de l’analyseur de spectre. Notez que la barre Spectrum Time est positionnée au cours d'un passage de la fréquence la plus élevée à la fréquence la moins élevée afin de répartir l'énergie entre plusieurs fréquences. Avec la représentatoin fréquence en fonction du temps, vous voyez facilement les différents sauts de fréquence et caractérisez ainsi plus simplement les commutations de fréquence du périphérique.
Analyse RF avancée
Lorsqu’il est utilisé avec SignalVu-PC et son option Connect, l'analyseur de signaux vectoriels de la série MDO4000C devient l’appareil avec la bande passante la plus élevée du marché : 1 GHz. Que la validation de votre produit nécessite de contrôler les caractéristiques de réseaux sans fil, de radars large bande, de liaisons satellite haut débit ou de communications par saut de fréquence, le logiciel d'analyse des signaux vectoriels SignalVu-PC vous permet d’obtenir des informations plus rapidement avec l’affichage du comportement temporel de ces signaux large bande. Cet appareil offre les options suivantes : analyse de la qualité des signaux Wi-Fi (IEEE 802.11 a/b/g/j/n/p/ac), conformité Bluetooth Tx, analyse d'impulsions, mesures audio, analyse de la modulation AM/FM/PM, modulation numérique générale et plus encore.

Modèle MDO4000C associé au logiciel SignalVu-PC pour analyser la modulation 802.11ac.
Aperçus synchronisés des signaux RF, analogiques et numériques
La série MDO4000C est l’unique oscilloscope au monde équipé d'un analyseur de spectre intégré. Cette intégration permet de continuer à utiliser l'outil de débogage que vous avez choisi, l'oscilloscope, pour déceler les problèmes dans le domaine fréquentiel plutôt que de rechercher un analyseur de spectre et de vous former à cet instrument.
Néanmoins, la série MDO4000C ne se limite pas à la simple observation du domaine fréquentiel que vous proposerait un analyseur de spectre. Sa véritable puissance réside dans sa capacité à corréler les événements dans le domaine fréquentiel avec les phénomènes qui les ont crées dans le domaine temporel.
Lorsque l'analyseur de spectre et n'importe quelle voie analogique ou numérique sont activés, l'écran de l'oscilloscope est divisé en deux parties. La partie supérieure de l'écran est une vue du domaine temporel d'un oscilloscope traditionnel. La partie inférieure est une vue du domaine fréquentiel de l'entrée analyseur de spectre. Notez que la vue du domaine fréquentiel n'est pas uniquement une FFT des voies analogiques ou numériques de l'instrument, mais qu'il s'agit du spectre acquis à partir de l'analyseur de spectre.
Autre différence importante : avec les FFT des oscilloscopes traditionnels, vous obtenez soit la visualisation de la FFT, soit la visualisation des autres signaux du domaine temporel, mais jamais les deux en même temps. En effet, les oscilloscopes traditionnels sont équipés un système d'acquisition unique avec un seul ensemble de réglages utilisateur tels que la longueur d'enregistrement, la fréquence d’échantillonnage et le temps par division qui déterminent les vues des données. Cependant, avec la série MDO4000C, l'analyseur de spectre dispose de son propre système d'acquisition qui est indépendant, mais corrélé dans le temps avec les systèmes d'acquisition des voies analogiques et numériques. Cela permet donc de configurer chaque domaine de manière optimale, en apportant une vue complète corrélée dans le temps de tous les signaux analogiques, numériques et RF.
Le spectre affiché dans la vue du domaine fréquentiel provient de la période de temps indiquée par la petite barre orange située dans la vue du domaine temporel, connue sous le nom de « Spectrum Time » (temps du spectre). Avec la série MDO4000C, cette barre peut être déplacée au cours de l'acquisition, afin d'analyser l’évolution temporelle du spectre RF. Ce déplacement est possible pendant le fonctionnement de l'oscilloscope ou lors d'une acquisition interrompue.

La partie supérieure de l'écran de la série MDO4000C affiche la vue du domaine temporel des voies analogiques et numériques, tandis que la partie inférieure affiche la vue du domaine fréquentiel de l'analyseur de spectre. La barre orange, Spectrum Time, indique la période de temps utilisée pour calculer le spectre RF.

1. Vues des domaines temporel et fréquentiel affichant l'activation d'une PLL. La voie 1 (jaune) sonde un signal de commande qui active le VCO. La voie 2 (cyan) sonde la tension de réglage du VCO. Le bus SPI qui programme la PLL avec la fréquence souhaitée est sondé avec trois voies numériques et automatiquement décodé. La barre Spectrum Time est placée après l’activation du VCO, au moment où la commande sur le bus SPI est envoyée à la PLL pour lui programmer la fréquence voulue de 2,400 GHz. La radio-fréquence (RF) est égale à 2,5564 GHz lorsque le circuit s'active.

2. La barre Spectrum Time est déplacée d'environ 90 μs vers la droite. Le spectre indique alors que la PLL est en cours de réglage à la fréquence correcte (2,400 GHz). Elle est descendue à 2,4924 GHz.

3. La barre Spectrum Time est déplacée d'environ 160 μs supplémentaires vers la droite. Le spectre indique alors que la PLL a dépassé la fréquence correcte et qu'elle est descendue à 2,3888 GHz.

4. La PLL se stabilise sur la fréquence correcte de 2,400 GHz environ 320 μs après l'activation du VCO.
3 – Générateur de fonctions arbitraires (en option)
L'oscilloscope MDO4000C contient un générateur de fonctions arbitraires intégré (option MDO4AFG) parfait pour simuler des signaux de capteurs dans une étude ou d'ajouter du bruit aux signaux pour effectuer des tests aux limites.
Ce générateur crée des signaux prédéfinis jusqu'à 50 MHz ayant les formes suivantes : Sinus, Carré, Impulsion, Rampe/triangle, CC, Bruit, Sin(x)/x (Sinc), Gaussien, Lorentz, Montée exponentielle, Montée/descente exponentielle, Demi-sinus verse et Cardiaque.

Sélection du type de signal dans le générateur de signaux intégré (AFG).
Le générateur de signaux arbitraires permet d'enregistrer 128 000 points provenant de l'entrée analogique, d'un fichier interne, d'un périphérique de stockage USB ou d'un PC externe. Lorsqu'un signal se trouve dans la mémoire du générateur de signaux arbitraires, vous pouvez le modifier dans un écran d'édition et le reproduire ensuite à l'extérieur du générateur. L'oscilloscope MDO4000C est compatible avec le logiciel sur PC de création et de modification de signaux Tektronix ArbExpressafin de faciliter et d’accélérer la création de signaux complexes. Transférez des fichiers de signaux dans la mémoire de l'oscilloscope MDO4000C via l'interface USB ou le réseau local, ou en utilisant un périphérique de stockage USB pour que le générateur de signaux arbitraires de l'oscilloscope les délivre.

Éditeur de signaux arbitraires point par point.
4- Analyseur logique (en option)
L'analyseur logique (option MDO4MSO) fournit 16 voies numériques particulièrement bien intégrées à l'interface utilisateur de l'oscilloscope, ce qui simplifie son fonctionnement et facilite la résolution des problèmes posés par les signaux mixtes.

La série MDO4000C propose 16 voies numériques intégrées qui permettent d'afficher et d'analyser des signaux analogiques et numériques corrélés dans le temps.
Affichage du signal numérique avec codage couleur
Le codage couleur des traces numériques affiche les 1 en vert et les 0 en bleu. Ce codage est également utilisé dans l'écran des voies numériques. Cet écran indique si les signaux sont hauts, bas ou en cours de transition : vous pouvez ainsi voir l'activité des voies en un clin d’œil sans encombrer votre écran avec des signaux numériques superflus.
Le système de détection de plusieurs transitions affiche un front blanc à l'écran lorsque plusieurs transitions sont détectées. Les fronts blancs indiquent que des informations supplémentaires sont disponibles en agrandissant l'écran ou en réalisant des acquisitions à des fréquences d'échantillonnage plus élevées. Dans la plupart des cas, l'agrandissement de l'écran (zoom avant) permet de déceler une impulsion qui n'était pas visible avec les réglages précédents. Si le front blanc persiste après avoir agrandi l'écran au maximum, des informations relatives à des fréquences plus élevées que les réglages précédents ne le permettaient seront disponibles en augmentant la fréquence d'échantillonnage lors de la prochaine acquisition.
Vous pouvez regrouper les signaux numériques et entrer des libellés des signaux à l'aide d'un clavier USB. En plaçant simplement les signaux numériques les uns à côté des autres, ils forment un groupe.

Grâce au codage couleur du signal numérique affiché, vous pouvez créer des groupes en regroupant des voies numériques à l'écran, ce qui permet de déplacer ensuite ces voies numériques sous forme de groupe.
Dès qu'un groupe est formé, vous pouvez positionner collectivement toutes les voies contenues dans ce groupe, ce qui réduit considérablement le temps d’établissement normal du positionnement de chaque voie.
Acquisition très haute vitesse MagniVu®
Le principal mode d'acquisition numérique de la série MSO4000C capture jusqu'à 20 millions de points à 500 Méch./s (résolution 2 ns). Outre l'enregistrement principal, l'oscilloscope fournit des enregsitrements ultra-haute résolution MagniVu, qui permettent d'acquérir 10 000 points à un débit pouvant atteindre 16,5 Géch./s (résolution 60,6 ps). Les signaux principaux et MagniVu sont acquis à chaque déclenchement. Il est possible de passer de l'un à l'autre à tout moment, en fonctionnement ou à l'arrêt. MagniVu offre une résolution temporelle considérablement plus précise que les oscilloscopes à signaux mixtes équivalents sur le marché. Il est ainsi possible d’effectuer des mesures temporelles critiques sur des signaux numériques en toute confiance.

L'enregistrement haute résolution MagniVu affiche une résolution temporelle de 60,6 ps, ce qui permet d'effectuer des mesures temporelles précises sur vos signaux numériques.
Sonde MSO P6616
Cette conception unique de sonde propose deux modules à 8 voies. Chaque voie se termine par une pointe de sonde présentant une mise à la terre encastrée qui facilite la connexion de l'appareil en test. Le câble coaxial de la première voie de chaque module est bleu afin de l'identifier facilement. Le conducteur commun de mise à la terre utilise un connecteur de type automobile facilitant la création de mises à la terre personnalisées pour connecter l'appareil testé. Lors du raccordement aux broches carrées, le P6616 dispose d'un adaptateur se connectant à la tête de la sonde pour déployer le connecteur de mise à la terre de la sonde avec la pointe de sonde, afin d'être connecté à une embase. Le P6616 offre des caractéristiques électriques exceptionnelles, avec une charge capacitive de seulement 3 pF, une résistance d'entrée de 100 kΩ et la capacité d'acquérir des taux de commutation supérieurs à 500 MHz et des impulsions de seulement 1 ns.

La sonde MSO P6616 comporte deux modules à 8 voies pour simplifier la connexion à votre périphérique.
5 – Déclenchement et analyse de protocole série (en option)
Sur un bus série, les informations d'adresses, de données, de contrôle et d'horloge sont souvent contenues dans un seul signal. Isoler des événements intéressants peut ainsi s’avérer difficile.
Les options de déclenchement, de décodage et de recherche automatiques des conditions et événements sur le bus constituent un solide ensemble d'outils de débogage des bus série. Les fonctionnalités optionnelles de déclenchement et d’analyse de protocole série (option) sont gratuites pendant une période d'évaluation de 30 jours. qui commence automatiquement à la première mise sous tension de l'instrument.

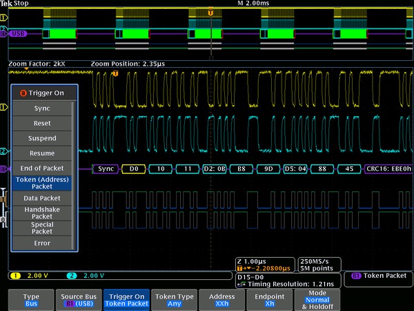
Déclenchement sur un paquet jeton OUT spécifique sur un bus série USB haut débit. Le signal jaune représente D+ et le bleu D-. Le signal du bus fournit le contenu du paquet décodé incluant les valeurs Départ, Sync, PID, Adresse, Point final, CRC, Données et Arrêt.
Déclenchement en série
Déclenchement sur le contenu des paquets, comme le début d'un paquet, les adresses spécifiques, le contenu de données, les identificateurs uniques, etc., sur les interfaces série les plus courantes telles que I2C, SPI, USB 2.0, Ethernet, CAN, CAN FD (ISO et non-ISO), LIN, FlexRay, RS-232/422/485/ UART, MIL-STD-1553, ARINC-429 et I2S/LJ/RJ/TDM.
Affichage du bus
Permet d'afficher simultanément les signaux individuels (horloge, données, autorisation du circuit, etc.) qui composent votre bus, facilitant ainsi l'identification du début et de la fin des paquets et celle des sous-paquets, comme l'adresse, les données, l'identificateur, le contrôle de redondance cyclique, etc.
Décodage de bus
Vous ne voulez plus devoir examiner visuellement le signal pour compter les fronts d'horloges, déterminer si chaque bit est un 1 ou un 0, regrouper les bits en octets et déterminer la valeur hexadécimale ? Laissez l'oscilloscope faire tout cela à votre place ! Après avoir configuré le bus, l'oscilloscope MSO/DPO4000C décode chaque paquet sur le bus et affiche la valeur hexadécimale, binaire, décimale (USB, Ethernet, MIL-STD-1553, ARINC-429, CAN, CAN FD, LIN, et FlexRay uniquement), décimale signée (I 2S/LJ/RJ/TDM uniquement) ou ASCII (USB, Ethernet, et RS-232/422/485/UART uniquement) dans le signal du bus.
| Technologie | Déclenchement, décodage, recherche | Commander le produit | |
|---|---|---|---|
| Intégré | I2C | Oui | DPO4EMBD |
| SPI | Oui | DPO4EMBD | |
| Ordinateur | RS232/422/485, UART | Oui | DPO4COMP |
| USB | USB LS, FS, HS | Oui (déclenchement sur LS, FS, HS) HS disponible uniquement sur les modèles 1 GHz | DPO4USB |
| Ethernet | 10Base-T, 100Base-TX | Oui | DPO4ENET |
| Automobile | CAN, CAN FD (ISO et non-ISO) | Oui | DPO4AUTO ou DPO4AUTOMAX |
| LIN | Oui | DPO4AUTO ou DPO4AUTOMAX | |
| FlexRay | Oui | DPO4AUTOMAX | |
| Défense et aéronautique | MIL-STD-1553, ARINC-429 | Oui | DPO4AERO |
| Audio | I2S | Oui | DPO4AUDIO |
| LJ, RJ | Oui | DPO4AUDIO | |
| TDM | Oui | DPO4AUDIO | |
Table des événements
Outre l'affichage des données du paquet décodé sur le signal du bus, vous pouvez afficher les paquets capturés sous forme de tableau, comme dans un listing de logiciel. Les paquets sont horodatés et répertoriés consécutivement, dans des colonnes pour chaque composant (Adresse, Données, etc.). Vous pouvez enregistrer la table des événements au format .csv.

Table des événements montrant un identificateur, un DLC, des données et un contrôle de redondance cyclique décodés pour chaque paquet CAN d’une longue acquisition.
Recherche (déclenchement série)
Le déclenchement série est très utile pour isoler l'événement digne d'intérêt, mais après l'avoir capturé, vous devez analyser les données environnantes. Que faire ? Auparavant, les utilisateurs devaient faire défiler manuellement le signal pour compter les bits, les convertir et rechercher les causes de l'événement. Vous pouvez demander à l'oscilloscope d'effectuer des recherches automatiques parmi les données acquises en fonction de critères définis par l'utilisateur, y compris dans des paquets série. Chaque occurrence est mise en évidence avec un repère de recherche. Pour naviguer rapidement entre les marqueurs, il suffit ensuite d'appuyer sur les boutons Précédent (←) et Suivant (→) de la face avant.
6 – Voltmètre numérique (DVM) et compteur de fréquences
L'oscilloscope MDO4000C contient un voltmètre numérique (DVM) intégré à 4 chiffres et un compteur de fréquences à 5 chiffres. Toutes les entrées analogiques peuvent être la source du voltmètre avec les sondes déjà montées pour l'utilisation générale de l'instrument. L'écran très lisible affiche des représentations numériques et graphiques sur de l’évolution des valeurs mesurées. L'écran affiche également les valeurs minimales, maximales et moyennes des mesures, ainsi que la plage des valeurs mesurées lors du précédent intervalle de 5 secondes. Le voltmètre numérique et le compteur de fréquences sont disponibles sur n'importe quel modèle MDO4000C et activés lorsque vous enregistrez votre produit.

Une mesure CC est affichée avec une variation sur 5 secondes, avec les tensions minimale, maximale et moyenne. La fréquence du signal est également affichée.
La plate-forme de la gamme MDO4000C

La série MDO4000C est conçue pour simplifier votre travail. Le grand écran haute résolution affiche les détails les plus complexes du signal. Les commandes dédiées sur la face avant simplifient le fonctionnement. Deux ports USB hôte à l'avant facilitent le transfert des captures d'écran, des réglages de l'instrument et des données des signaux vers un périphérique de stockage USB.
Grand écran haute résolution
La série MDO4000C est équipée d’un écran couleur LED rétroéclairé de 10,4 pouces (264 mm) lumineux qui permet de voir les détails les plus infimes.
Connectivité
L'oscilloscope MDO4000C contient divers ports utilisables pour connecter l'instrument à un réseau, directement à un PC ou à un autre appareil de test.
- Deux ports USB 2.0 hôte à l'avant et deux à l'arrière facilitent le transfert des captures d'écran, des réglages de l'instrument et des données des signaux vers un appareil de stockage USB. Il est également possible de brancher un clavier USB sur un port USB hôte pour entrer des données.
- Port périphérique USB 2.0 sur la face arrière pour commander l'oscilloscope à distance à partir d'un PC ou imprimer directement sur une imprimante compatible PictBridge ®.
- Le port Ethernet 10/100/1000BASE-T situé à l'arrière, compatible LXI Core 2011, permet de connecter facilement l'instrument à des réseaux et d'effectuer l'impression sur réseau et de courriers électroniques. L'instrument peut également monter des lecteurs réseau pour faciliter le stockage de captures d'écran, de fichiers de configuration et de fichiers de données.
- Un port de sortie vidéo à l'arrière de l'instrument permet d’exporter l'affichage sur un écran ou un projecteur externe.
Connexion et commande de l’instrument à distance
Pour exporter des données et des mesures, il suffit de connecter l'oscilloscope à un ordinateur au moyen d'un câble USB. Des applications logicielles essentielles (OpenChoice® Desktop et les barres d'outils Microsoft Excel et Word), sont incluses avec chaque oscilloscope pour simplifier et accélérer la communication directe avec votre ordinateur focntionnant sous Windows.
La version d'OpenChoice Desktop fournie simplifie et accélère la communication entre l'oscilloscope et votre ordinateur via une interface USB ou sur réseau local pour transférer des paramètres, des signaux et des copies d'écran.
La fonction intégrée e*Scope ® permet de commander rapidement l'oscilloscope sur une connexion réseau au moyen d'un navigateur Web standard. Saisissez simplement l'adresse IP ou le nom de l'oscilloscope sur le réseau : une page web s'ouvre alors dans le navigateur. Transférer et enregistrez les réglages, les signaux, les mesures et les copies d'écrans ou modifiez les commandes en direct directement à partir du navigateur web.

Sonde
La gamme d'appareils MDO4000C est livrée par défaut avec des sondes de tension passives et utilise l'interface de sonde TekVPI.
Sondes de tension passives standard. La Série MDO4000C est fournie avec des sondes de tension passives offrant la meilleure charge capacitive du marché : seulement 3.9 pF. Les sondes TPP fournies minimisent l'influence sur l'appareil testé et délivrent des signaux précis à l'oscilloscope pour l'acquisition et l'analyse. Comme la bande passante de la sonde correspond ou dépasse celle de votre oscilloscope, vous pouvez observer les composants haute fréquence de votre signal, ce qui est essentiel pour les applications haut débit. Les sondes de tension passives de la série TPP offrent tous les avantages des sondes universelles, tels qu'une large plage dynamique, des options de connexion flexibles et une conception mécanique robuste, tout en offrant les performances des sondes actives.
| Modèle MDO4000C | Sonde fournie |
|---|---|
| MDO4024C, MDO4034C, MDO4054C | TPP0500B : 500 MHz, sonde de tension passive x10. Une par voie analogique |
| MDO4104C | TPP1000 : 1 GHz, sonde de tension passive x10. Une par voie analogique |
De plus, une version 2X à faible atténuation des sondes TPP est disponible pour mesurer les tensions basses. Contrairement aux sondes passives à faible atténuation, la sonde TPP0502 est dotée d'une bande passante élevée (500 MHz), ainsi que d'une faible charge capacitive (12,7 pF).
Interface pour sonde TekVPI®. L'interface de sonde TekVPI constitue la référence en matière de simplicité d'utilisation. Les sondes TekVPI, outre leur connexion fiable et sûre, sont équipées de voyants d'état et de commandes, ainsi que d'un bouton de menu pour sonde situé directement sur le boîtier de compensation. Ce bouton affiche un menu de sonde sur l'écran de l'oscilloscope, avec tous les réglages et commandes correspondant à la sonde. L'interface TekVPI permet la connexion directe des sondes actuelles sans alimentation séparée. Les sondes TekVPI peuvent se commander à distance par interface USB, bus GPIB ou sur un réseau local (LAN) et offrent ainsi des solutions polyvalentes pour les systèmes de test automatique. Cet instrument peut délivrer sur les connecteurs de la face avant une puissance atteignant 25 W en provenance de l'alimentation interne.

L'interface de sonde TekVPI simplifie la connexion de vos sondes à l'oscilloscope.
Caractéristiques
Toutes les spécifications sont garanties, sauf mention contraire. Toutes les caractéristiques s’appliquent à tous les modèles, sauf mention contraire.
1 – Oscilloscope
| MDO4024C | MDO4034C | MDO4054C | MDO4104C | |
|---|---|---|---|---|
| Voies analogiques | 4 | 4 | 4 | 4 |
| Bande passante des voies analogiques | 200 MHz | 350 MHz | 500 MHz | 1 GHz |
| Temps de montée, typiques | 1,75 ns | 1 ns | 700 ps | 350 ps |
| Fréquence d'échantillonnage (1 voie) | 2,5 Géch./s | 2,5 Géch./s | 2,5 Géch./s | 5 Géch./s |
| Fréquence d'échantillonnage (2 voies) | 2,5 Géch./s | 2,5 Géch./s | 2,5 Géch./s | 5 Géch./s |
| Fréquence d’échantillonnage (4 voies) Sans option SA3 ou SA6 Avec option SA3 ou SA6 | 2,5 Géch./s 2,5 Géch./s | 2,5 Géch./s 2,5 Géch./s | 2,5 Géch./s 2,5 Géch./s | 5 Géch./s 2,5 Géch./s |
| Longueur d'enregistrement (1 voie) | 20 M | 20 M | 20 M | 20 M |
| Longueur d'enregistrement (2 voies) | 20 M | 20 M | 20 M | 20 M |
| Longueur d'enregistrement (4 voies) | 20 M | 20 M | 20 M | 20 M |
| Voies numériques avec l'option MDO4MSO | 16 | 16 | 16 | 16 |
| Sorties du générateur de fonctions arbitraires avec l'option MDO4AFG | 1 | 1 | 1 | 1 |
| Voies analyseur de spectre avec option SA3 ou SA6 | 1 | 1 | 1 | 1 |
| Plage de fréquences de l'analyseur de spectre | ||||
| Avec option SA3 Avec option SA6 | 9 kHz à 3 GHz 9 kHz à 6 GHz | 9 kHz à 3 GHz 9 kHz à 6 GHz | 9 kHz à 3 GHz 9 kHz à 6 GHz | 9 kHz à 3 GHz 9 kHz à 6 GHz |
Voies analogiques du système vertical
- Limites matérielles de la bande passante
- Modèles ≥350 MHz
- 20 MHz ou 250 MHz
- Modèles 200 MHz
- 20 MHz
- Couplage d'entrée
- CA, CC
- Impédance d'entrée
- 1 MΩ ±1 % (13 pF), 50 Ω ±1 %
- Plage de sensibilité d'entrée
- 1 MΩ
- 1 mV/div à 10 V/div
- 50 Ω
- 1 mV/div à 1 V/div
- Résolution verticale
- 8 bits (11 bits en haute résolution)
- Tension d'entrée maximale
- 1 MΩ
- 300 Vefficace CAT II avec crêtes ≤ ±425 V
- 50 Ω
- 5 Vefficace avec crêtes ≤±20 V
- Précision du gain CC
- ±1,5 % (±2,0 % à 1 mV/div), ramené à 0,10 %/°C au delà de 30 °C
±3,0 % pour le gain variable, ramené à 0,10 %/°C au delà de 30 °C
- Précision de décalage
- ±(0,005 × |décalage - position | + Équilibre CC)
- Équilibre CC
- 0,1 div avec CC : impédance d’entrée de l’oscilloscope 50 Ω (terminaison BNC 50 Ω)
- Isolation voie/voie (typique)
- Les deux voies à échelle verticale égale ≥100:1 pour les fréquences ≤100 MHz et ≥30:1 pour les fréquences >100 MHz jusqu'à la bande passante nominale
- Bruit aléatoire (typique)
Réglage de l’échelle verticale 50 Ω, valeur efficace MDO4104C (toutes configurations) MDO40x4C (avec option SA3 ou SA6) MDO40x4C (sans option SA3 ou SA6) 1 mV/div 0,093 mV 0,084 mV 0,163 mV 100 mV/div 3,31 mV 2,37 mV 2,01 mV 1 V/div 24,27 mV 20,62 mV 20,51 mV
- Plage de décalages
Valeur volts/div Plage de décalages Entrée 1 MΩ Entrée 50 Ω 1 mV/div à 50 mV/div ±1 V ±1 V 50,5 mV/div à 99,5 mV/div ±0,5 V ±0,5 V 100 mV/div à 500 mV/div ±10 V ±10 V 505 mV/div à 995 mV/div ±5 V ±5 V 1 V/div à 10 V/div ±100 V ±5 V 5,05 V/div à 10 V/div ±50 V S/O
Voies analogiques du système horizontal
- Plage de la base de temps
- Modèles 1 GHz (sans option SA3 ou SA6) et 1 GHz (avec option SA3 ou SA6 avec 2 voies activées)
- 400 ps à 1 000 s
- Modèles ≤ 500 MHz et modèles 1 GHz (avec option SA3 ou SA6 et 4 voies activées)
- 1 ns à 1 000 s
- Durée maximale à la fréquence d'échantillonnage la plus élevée (demi-voies/toutes les voies)
- Modèles 1 GHz (sans option SA3 ou SA6) et 1 GHz (avec option SA3 ou SA6 avec 2 voies activées)
- 8/4 ms
- Modèles ≤ 500 MHz et modèles 1 GHz (avec option SA3 ou SA6 et 4 voies activées)
- 8/8 ms
- Plage de retard de la base de temps
- -10 divisions à 5 000 s
- Plage de compensation des distorsions voie par voie
- ±125 ns
- Précision de la base de temps
- ±5 ppm au-dessus de tout intervalle ≥1 ms
Système de déclenchement
- Modes de déclenchement
- Auto, Normal et Simple
- Couplage du déclenchement
- CC, CA, réjection HF (atténue les signaux >50 kHz), réjection BF (atténue les signaux <50 kHz) et réjection de bruit (réduit la sensibilité)
- Plage d'inhibition du déclenchement
- 20 ns à 8 s
- Sensibilité de déclenchement
- Couplée CC en interne
- 1 mV/div à 4,98 mV/div
- 1,8 div
- 5 mV/div à 9,98 mV/div
- 0,6 div
- 10 mV/div à 19,98 mV/div
- 1,2 div
- ≤20 mV/div
- 0,5 div
- Plages des niveaux de déclenchement
- Toute voie d'entrée
- ±8 divisions à partir du centre de l’écran, ±8 divisions à partir de 0 V lorsque le couplage de déclenchement de réjection BF vertical est sélectionné
- Ligne
- Le niveau de déclenchement ligne est établi à environ 50 % de la tension de ligne.
- Mesure de la fréquence de déclenchement
- Fournit une mesure de fréquence à 6 chiffres d'événements déclenchables.
- Types de déclenchement
- Front
- Pente positive, négative ou indifférente sur n'importe quelle voie. Le couplage inclut CC, CA, réjection HF, réjection BF et réjection de bruit.
- Séquence (déclenchement B)
- Retard temporel de déclenchement : 8 ns à 8 s. Ou retard de déclenchement par événements :1 à 4 000 000 événements. Non disponible lorsque le front « Either » (Indifférent) est sélectionné.
- Largeur d'impulsion
- Déclenchement sur des largeurs d'impulsion positives ou négatives >, <, =, ≠ ou à l'intérieur/à l'extérieur d'une durée spécifiée.
- Délai
- Déclenchement sur un événement qui reste haut, bas ou l'un ou l'autre pendant une durée spécifiée (4 ns à 8 s).
- Petite impulsion
- Déclenchement sur une impulsion franchissant un seuil, mais ne parvenant pas à franchir un second seuil avant de franchir à nouveau le premier.
- Logique
- Déclenchement lorsqu'une séquence logique de voies devient fausse ou reste vraie pour un laps de temps spécifié. Toutes les entrées peuvent être utilisées comme horloge pour rechercher la séquence sur un front d'horloge. Mot logique (AND, OR, NAND, NOR) spécifié pour toutes les voies d'entrée, définies comme haute, basse ou indifférente.
- Établissement et maintien
- Déclenchement sur les violations de temps d'établissement et de maintien entre une horloge et des données présentes sur l'une des voies d'entrée analogiques et numériques.
Type de déclencheur établissement et maintien Description Plage de temps d'établissement 0,5 ns à 1,024 ms Plage de temps de maintien 1,0 ns à 1,024 ms Plage établissement + maintien 0,5 ns à 2,048 ms - Temps de montée/descente
- Déclenchement sur les vitesses de transition supérieures ou inférieures à la vitesse spécifiée. La pente peut être positive, négative ou indifférente ; la plage de temps est comprise entre 4,0 ns et 8 s.
- Vidéo
- Déclenchement sur toutes les lignes, paires, impaires ou toutes les trames sur les signaux vidéo NTSC, PAL et SECAM.
Normes vidéo de synchronisation à deux et trois niveaux personnalisées.
- Vidéo étendue (en option)
- Déclenchement sur des normes personnalisées de vidéo synchronisée à deux ou trois niveaux et 480p/60, 576p/50, 720p/30, 720p/50, 720p/60, 875i/60, 1080i/50, 1080i/60, 1080p/24, 1080p/24sF, 1080p/25, 1080p/ 30, 1080p/50, 1080p/60.
Normes vidéo de synchronisation à deux et trois niveaux personnalisées.
- Parallèle (nécessite l'option MDO4MSO)
- Déclenchement sur une valeur de données de bus parallèle. Le bus parallèle peut afficher une taille comprise entre 1 et 20 bits (à partir des voies numériques et analogiques). Les bases binaires et hexadécimales sont prises en charge.
Système d'acquisition
- Modes d'acquisition
- Échantillonnage
- Acquisition de valeurs échantillonnées.
- Détection de crête
- Capture de pointes de tension parasite de seulement 800 ps (MDO4104C avec option SA3 ou SA6 et 2 voies au plus activées ou MDO4104C sans SA3 ou SA6) ou 1,6 ns (MDO4104C avec option SA3 ou SA6 et au moins 3 voies activées et tous les autres modèles) à toutes les vitesses de balayage
- Calcul de valeurs moyennes
- De 2 à 512 signaux en moyenne.
- Enveloppe
- Enveloppe mini/maxi reflétant les données de détection de crête pour plusieurs acquisitions. Nombre de signaux dans l'enveloppe au choix entre 1 et 2 000 et infini
- Haute résolution
- Le calcul de la moyenne par échantillonneur monovoie en temps réel réduit le bruit aléatoire et accroît la résolution verticale.
- Défilement
- Défilement des signaux à l'écran, de droite à gauche, à des vitesses de balayage inférieures ou égales à 40 ms/div.
- FastAcq®
- La fonction FastAcq optimise l'instrument pour l'analyse de signaux dynamiques et la capture d'événements rares. Elle capture plus de 340 000 signaux/s sur les modèles 1 GHz (plus de 270 000 signaux/s sur les modèles de 200 MHz à 500 MHz).
Mesures de signaux
- Curseurs
- Signal et écran
- Précision de mesure CC
- ±((Précision du gain C.C.) × |mesure - (décalage - position)| + précision du décalage + 0,15 div + 0,6 mV)
- Mesures automatiques (domaine temporel)
- 30 mesures, dont huit affichables simultanément à l'écran à tout moment. Les mesures sont les suivantes : Période, Fréquence, Retard, Temps de montée, Temps de descente, Rapport cyclique positif, Rapport cyclique négatif, Largeur des impulsions positives, Largeur des impulsions négatives, Largeur des salves, Phase, Suroscillation positive, Suroscillation négative, Crête/crête, Amplitude, Haut, Bas, Maxi, Mini, Moyenne, Moyenne sur un cycle, Efficace, Valeur efficace du cycle, Nombre d'impulsions positives, Nombre d'impulsions négatives, Nombre de fronts montants, Nombre de fronts descendants, Surface et Surface sur cycle.
- Mesures automatiques (domaine fréquentiel)
- 3 mesures, dont une affichable à tout moment. Les mesures incluent Channel Power, Adjacent Channel Power Ratio (ACPR) et Occupied Bandwidth (OBW)
- Statistiques des mesures
- Moyenne, min, max, écart type.
- Niveaux de référence
- Des niveaux de référence personnalisés pour les mesures automatiques peuvent être spécifiés en pourcentage ou en unités.
- Fenêtrage
- Isolement de l'occurrence spécifique au sein d'une acquisition pour y effectuer des mesures, en utilisant les curseurs à l'écran ou sur les signaux.
- Histogramme des signaux
- Un histogramme des signaux fournit un ensemble de valeurs des données qui représentent le nombre total d'impacts à l'intérieur d'une zone de l'écran définie par l'utilisateur. Un histogramme de signaux est à la fois une visualisation graphique de la distribution du signal et un tableau numérique de valeurs qui peuvent être mesurées.
- Sources
- Voie 1, Voie 2, Voie 3, Voie 4, Réf 1, Réf 2, Réf 3, Réf 4, Math
- Types
- Vertical, horizontal
- Mesures d'histogrammes de signaux
- 12 mesures, dont huit affichables simultanément à l'écran à tout moment. Waveform Count, Hits in Box, Peak Hits, Median, Max, Min, Peak-to-Peak, Mean, Standard Deviation, Sigma 1, Sigma 2, Sigma 3
Fonction mathématique sur les signaux
- Arithmétique
- Addition, soustraction, multiplication et division de signaux.
- Fonctions mathématiques
- Intégration, différentielle, FFT
- FFT
- Amplitude spectrale. Réglage de l'échelle verticale FFT sur la valeur efficace linéaire ou la valeur efficace dBV, et la fenêtre FFT sur rectangulaire, Hamming, Hanning ou Blackman-Harris.
- Fonctions mathématiques sur spectre
- Addition ou soustraction des traces de domaine fréquentiel.
- Fonctions mathématiques avancées
- Définition des expressions algébriques étendues, y compris les signaux, les signaux de référence, les fonctions mathématiques (FFT, Intg, Diff, Log, Exp, Carré, Abs, Sinus, Cosinus, Tangente, Rad, Deg), les scalaires, jusqu'à deux variables réglables par l'utilisateur et les résultats des mesures paramétriques (Period, Freq, Delay, Rise, Fall, PosWidth, NegWidth, BurstWidth, Phase, PosDutyCycle, NegDutyCycle, PosOverShoot, NegOverShoot, TotalOverShoot, PeakPeak, Amplitude, RMS, CycleRMS, High, Low, Max, Min, Mean, CycleMean, Area, CycleArea et courbes de tendance). Exemple : (Intg(Voie1 - Moy(Voie1)) × 1,414 × VAR1)
Action sur événement
- Événements
- Aucun, lorsqu'un déclenchement se produit ou lorsqu'un nombre défini d'acquisitions est terminé (1 à 1 000 000)
- Actions
- Arrêt de l'acquisition, enregistrement du signal dans un fichier, enregistrement de la copie d'écran, impression, impulsion AUX OUT, configuration à distance d'une requête (SRQ), notification par e-mail et visuelle
- Répéter
- Recommence l'action de traitement des événements (1 à 1 000 000 et infini)
Mode Image vidéo (en option, DPO4VID requis)
- Sources
- Voie 1, Voie 2, Voie 3, Voie 4
- Normes vidéo
- NTSC, PAL
- Contraste et luminosité
- Manuel et automatique
- Sélection du champ
- Impair, pair, entrelacé
- Emplacement de l'image sur l'écran
- Emplacements X et Y au choix, réglage de la largeur et de la hauteur, commande du décalage de départ de la ligne, du pixel et ligne/ligne.
Mesures de puissance (option, DPO4PWR requis)
- Mesures de la qualité de l’alimentation
- Veff, Vfacteur de crête, fréquence, Ieff, Ifacteur de crête, puissance réelle, puissance apparente, puissance réactive, facteur de puissance, angle de phase.
- Mesures de perte de commutation
- Perte de puissance
- Ton, Toff, conduction, totale.
- Perte d'énergie
- Ton, Toff, conduction, totale.
- Harmoniques
- Mesures THD-F, THD-R, efficaces. Affichage graphique et en tableau des harmoniques. Test des normes CEI61000-3-2, Classe A et MIL-STD-1399, Section 300A.
- Mesures d'ondulation
- Vondulation et Iondulation.
- Analyse de la modulation
- Affichage graphique des types de modulation largeur des impulsions positives, largeur des impulsions négatives, période, fréquence, rapport cyclique positif et rapport cyclique négatif.
- Zone de fonctionnement sûr
- Affichage graphique et test de masque des mesures de zone de fonctionnement sûr pour les appareils de commutation.
- Mesures dV/dt et dI/dt
- Mesures par curseur de la vitesse de montée
Test de limite de masque (en option, DPO4LMT requis)
- Les modèles dont la bande passante est1
- ITU-T, ANSI T1.102, USB
1≥350 MHz sont recommandés pour les tests de masque des normes de télécommunication > 55 Mbit/s. Les modèles dont la bande passante dépasse 1 GHz sont recommandés pour les tests de masque sur des interfaces USB haut débit.
- Source du test
- Test de limites : voies 1 à 4 ou tout R1 à R4
Test de masque : voies 1 à 4
- Création de masque
Tolérance sur la limite de test verticale de 0 à 1 division par incréments de division de 1 m ; tolérance sur la limite de test horizontale de 0 à 500 m division par incréments de division de 1 m
Chargement du masque standard à partir de la mémoire interne
Chargement du masque personnalisé à partir d'un fichier texte avec jusqu'à 8 segments
- Mise à l'échelle des masques
- Verrouillage sur source activé (ON) (le masque se met automatiquement à l'échelle avec les modifications de configuration de la voie source)
Verrouillage sur source désactivé (OFF) (le masque ne se met pas à l'échelle avec les modifications de configuration de la voie source)
- Critères de test effectifs jusqu'au
- Nombre maximal de signaux (de 1 à 1 000 000 et infini)
Temps maximal écoulé (de 1 seconde à 48 heures et infini)
- Seuil de violation
- De 1 à 1 000 000
- Actions en cas d'échec de test
- Arrêt de l'acquisition, sauvegarde de l'image d'écran dans un fichier, sauvegarde du signal dans un fichier, impression de l'écran, déclenchement de l'impulsion, configuration d'une demande d'entretien (SRQ) via l'interface à distance
- Actions à la fin du test
- Déclenchement d'impulsion, configuration d'une demande d'entretien (SRQ) via l'interface à distance
- Affichage des résultats
- État du test, nombre total de signaux, nombre de violations, taux de violation, nombre total de tests, tests ayant échoué, taux d'échec des tests, temps écoulé, nombre total d'impacts pour chaque segment de masque
2- Analyseur de spectre (requiert l’option SA3 ou SA6)
- Plage
De 1 kHz à 3 GHz (modèles avec option SA3) ou de 1 kHz à 6 GHz (modèles avec option SA6)
Plage réglable dans une séquence 1-2-5
Résolution variable = 1 % du réglage de la plage suivante
- Plage de la bande passante de résolution
La plage de la bande passante de résolution pour les fonctions de fenêtrage est la suivante :
Kaiser (par défaut) : 20 Hz à 200 MHz
Rectangulaire : 10 Hz à 200 MHz
Hamming : 10 Hz à 200 MHz
Hanning : 10 Hz à 200 MHz
Blackman-Harris : 20 Hz à 200 MHz
Flat-top : 30 Hz à 200 MHz
Réglé dans une séquence 1-2-3-5
- Facteur de forme de la bande passante de résolution (Kaiser)
- Facteur de forme 60 dB/3 dB : ≥ 4:1
- Niveau de référence
- Plage de réglage : -140 dBm à +30 dBm, par incréments de 1 dB
- Plage verticale d'entrée
- Plage verticale de mesure : +30 dBm au niveau de bruit moyen affiché (DANL)
Réglage vertical 1 dB/div à 20 dB/div, dans une séquence 1-2 -5
- Position verticale
- -100 à +100 divisions
- Unités verticales
- dBm, dBmV, dBµV, dBµW, dBmA, dBµA
- Niveau de bruit moyen affiché (DANL)
Plage de fréquences DANL 9 kHz à 50 kHz <-116 dBm/Hz (<-123 dBm/Hz, standard) 50 kHz à 5 MHz <-130 dBm/Hz (<-141 dBm/Hz, standard) 5 MHz à 400 MHz <-146 dBm/Hz (<-150 dBm/Hz, standard) 400 MHz à 3 GHz <-147 dBm/Hz (<-150 dBm/Hz, standard) 3 GHz à 4 GHz (uniquement modèles avec option SA6) <-148 dBm/Hz (<-151 dBm/Hz, standard) 4 GHz à 6 GHz (uniquement modèles avec option SA6) <-140 dBm/Hz (<-145 dBm/Hz, standard)
- Niveau de bruit moyen affiché (DANL) avec pré-ampli TPA-N-PRE
- Pré-ampli paramétré sur « Auto » et niveau de référence défini à -40 dB
Le niveau de bruit moyen affiché (DANL) du modèle MDO4000C avec le pré-ampli en dérivation est ≤ 3 dB supérieur au DANL du modèle MDO4000C sans le pré-ampli.
Plage de fréquences DANL 9 kHz à 50 kHz <-119 dBm/Hz (<-125 dBm/Hz, typique) 50 kHz à 5 MHz <-140 dBm/Hz (<-146 dBm/Hz, typique) 5 MHz à 400 MHz <-156 dBm/Hz (<-160 dBm/Hz, typique) 400 MHz à 3 GHz <-157 dBm/Hz (<-160 dBm/Hz, typique) 3 GHz à 4 GHz (modèles avec option SA6 uniquement) <-158 dBm/Hz (<-161 dBm/Hz, typique) 4 GHz à 6 GHz (modèles avec option SA6 uniquement) <-150 dBm/Hz (<-155 dBm/Hz, typique)
- Réponse parasite
- Distorsion de la 2e et de la 3e harmonique (>100 MHz)
- <-60 dBc (<-60 dBc, standard) avec réglages automatiques actifs et signaux <10 dB du niveau de référence
- Distorsion de la 2e et de la 3e harmonique (9 kHz à 100 MHz)
- <-57 dBc (<-65 dBc, standard) avec réglages automatiques actifs, signaux <10 dB du niveau de référence et niveau de référence ≤-15 dBm
- Distorsion d'intermodulation de 2e ordre (>200 MHz)
- <-60 dBc (<-65 dBc, standard) avec réglages automatiques actifs et signaux <10 dB du niveau de référence
- Distorsion d'intermodulation de 2e ordre (>100 MHz à ≤200 MHz)
- <-57 dBc (<-60 dBc, standard) avec réglages automatiques actifs et signaux <10 dB du niveau de référence
- Distorsion d'intermodulation de 2e ordre (10 MHz à 100 MHz)
- <-60 dBc (<-65 dBc, standard) avec réglages automatiques actifs, signaux <10 dB du niveau de référence et niveau de référence ≤-15 dBm
- Distorsion d'intermodulation de 3e ordre (>10 MHz)
- <-62 dBc (<-65 dBc, standard) avec réglages automatiques actifs, signaux <10 dB du niveau de référence et niveau de référence ≤-15 dBm
- Distorsion d'intermodulation de 3e ordre (9 kHz à 10 MHz)
<-62 dBc (<-65 dBc, standard) avec réglages automatiques actifs, signaux <10 dB du niveau de référence et niveau de référence ≤-15 dBm
- Pics A/N
- <-60 dBc (<-65 dBc, standard) avec réglages automatiques actifs et signaux <5 dB du niveau de référence. Sans pics de repliement A/N
- Pics de repliement A/N
À (5 GHz - Fin) e (8 GHz - Fin) :<-55 dBc (<-60 dBc, standard) avec réglages automatiques actifs et signaux <5 dB du niveau de référence
- Spécifications s'appliquant uniquement aux modèles avec option SA6
Réjection IF : (toutes fréquences d’entrée excepté : 1,00 GHz à 1,25 GHz et 2 GHz à 2,4 GHz): <-55 dBc, typique
Pics IF à (5 GHz - Fin) pour les fréquences d'entrée comprises entre 1,00 GHz et 1,25 GHz : <-50 dBc, typique
Pics IF à (6,5 GHz - Fin) pour les fréquences d'entrée comprises entre 2 GHz et 2,4 GHz : <-50 dBc, typique
Réjection d’image : <-50 dBc (pour les fréquences d'entrée comprises entre 5,5 GHz et 9,5 GHz)
- Réponse résiduelle
- <-85 dBm (<-78 dBm à 3,75 GHz, 4,0 GHz, 5,0 GHz et 6,0 GHz typique ; <-73 dBm à 2,5 GHz) avec niveau de référence ≤-25 dBm et terminaison de l'entrée de 50 Ω
- Précision absolue de l'amplitude
- Précision des mesures de puissance à la fréquence centrale. Pour les fréquences éloignées de la fréquence centrale, ajoutez la réponse de la voie à la précision absolue de l'amplitude. S’applique aux rapports signal à bruit > 40 dB.
< ± 1,0 dB (< ±0,5 dB, typique), plage de températures de 18 °C à 28 °C, plage de fréquences de 50 kHz à 6 GHz, niveaux de référence -25, -20, -15, -10, -5, 0, 5, 10 dBm
- < ± 1,0 dB, typique, 50 kHz à 6 GHz, tous les autres niveaux de référence, plages de températures de 18 °C à 28 °C
- < ±1,5 dB, typique, 50 kHz à 6 GHz, tous niveaux de référence, plage de températures de 0 ⁰C à 50 ⁰C
- < ± 2,0 dB, typique, 9 kHz à 50 kHz, tous niveaux de référence, plage de températures de 18 °C à 28 °C
- < ± 3,0 dB, typique, 9 kHz à 50 kHz, tous niveaux de référence, plage de températures de 0 °C à 50 °C
- Réponse de la voie
- Valide sur la plage de températures 18 à 28 °C
La spécification s’applique aux rapports signal à bruit > 40 dB
Plage de fréquence centrale de mesure Plage Platitude de l’amplitude, crête-crête Platitude de l’amplitude, efficace Linéarité de la phase, efficace 15 MHz à 6 GHz 10 MHz 0,3 dB 0,15 dB 1,5° 60 MHz à 6 GHz ≤ 100 MHz 0,75 dB 0,27 dB 1,5° 170 MHz à 6 GHz ≤ 320 MHz 0,85 dB 0,27 dB 2,5° 510 MHz à 6 GHz ≤ 1 000 MHz 1,0 dB 0,3 dB 3,0° Toutes, (pour une fréquence de départ > 10 MHz) > 1 000 MHz 1,2 dB S/O S/O
- Précision absolue de l'amplitude (AAA) et réponse de la voie (CR), avec pré-ampli TPA-N-PRE
AAA : ≤±0,5 dB (standard), plage de température 18⁰C à 28⁰C, 50 kHz à 6 GHz, quel que soit l'état du pré-ampli.
AAA : ≤±2,0 dB (standard), plage de température 18⁰C à 28⁰C, 9 kHz à 50 kHz, quel que soit l'état du pré-ampli.
AAA : ≤ ±2,3 dB (standard), sur toute la plage d'utilisation, quel que soit l'état du pré-ampli.
CR : 0,0 dB
- Diaphonie sur l'analyseur de spectre provenant des voies de l'oscilloscope
- Fréquences d'entrée ≤1 GHz
- -68 dB à partir du niveau de référence
- Fréquences d'entrée >1 GHz et <2 GHz
- <-48 dB à partir du niveau de référence
- Bruit de phase à 1 GHz CW
- 1 kHz
- < -104 dBc/Hz (standard)
- 10 kHz
- < -108 dBc/Hz, < -111 dBc/Hz (standard)
- 100 kHz
- < -110 dBc/Hz, < -113 dBc/Hz (standard)
- 1 MHz
- < -120 dBc/Hz, < -123 dBc/Hz (standard)
- Erreur sur la fréquence de référence (cumulée)
Erreur cumulée : 1,6 x 10-6
Comprend les tolérances de vieillissement par an, la précision d'étalonnage de la fréquence de référence et la stabilité thermique
Valable sur l'intervalle d'étalonnage recommandé (1 an) de 0 °C à +50 °C
- Résolution de mesure de la fréquence
- 1 Hz
- Niveau d'entrée d'utilisation maximal
- Puissance continue moyenne
+30 dBm (1 W) pour les niveaux de référence ≥ -20 dBm
+24 dBm (0,25 W) pour les niveaux de référence < -20 dBm
- CC maximal avant détérioration
- ±40 VCC
- Puissance maximale avant détérioration (CW)
+32 dBm (1,6 W) pour les niveaux de référence ≥ -20 dBm
+25 dBm (0,32 W) pour les niveaux de référence < -20 dBm
- Puissance maximale avant détérioration (impulsion)
Puissance des impulsions en crête : +45 dBm (32 W)
Puissance des impulsions en crête définie avec une largeur <10 μs, un rapport cyclique < 1 % et un niveau de référence ≥ +10 dBm
- Niveau d'entrée d'utilisation maximal avec pré-ampli TPA-N-PRE
- Puissance continue moyenne
- +30 dBm (1 W)
- CC maximal avant détérioration
- ±20 VCC
- Puissance maximale avant détérioration (CW)
- +30 dBm (1 W)
- Puissance maximale avant détérioration (impulsion)
- +45 dBm (32 W) (largeur d'impulsion <10 μs, rapport cyclique <1 % et niveau de référence ≥+10 dBm)
- Déclenchement sur niveau de puissance RF
- Plage de fréquences
Modèles avec option SA3 : 1 MHz à 3 GHz
Modèles avec option SA6 : 1 MHz à 3,75 GHz ; 2,75 GHz à 4,5 GHz, 3,5 GHz à 6,0 GHz
- Niveau d'utilisation de l'amplitude
- 0 dB à -30 dB à partir du niveau de référence
- Plage d'amplitude
- +10 dB à -40 dB à partir du niveau de référence et dans la plage -65 dBm à +30 dBm
- Génération d’impulsions minimum
- Durée de 10 μs avec un temps d'arrêt d'établissement minimal de 10 μs
- Distorsion de l'analyseur de spectre sur la voie analogique
- <5 ns
- Longueur d'acquisition RF
Plage Temps d'acquisition RF maximum >2 GHz 5 ms >1 GHz à 2 GHz 10 ms >800 MHz à 1 GHz 20 ms >500 MHz à 800 MHz 25 ms >400 MHz à 500 MHz 40 ms >250 MHz à 400 MHz 50 ms >200 MHz à 250 MHz 80 ms >160 MHz à 200 MHz 100 ms >125 MHz à 160 MHz 125 ms <125 MHz 158 ms
- Types de fenêtres FFT, facteurs et précision RBW
Fenêtre FFT Facteur Précision RBW Kaiser 2,23 0,90 % Rectangulaire 0,89 2,25 % Hamming 1,30 1,54 % Hanning 1,44 1,39 % Blackman-Harris 1,90 1,05 % Flat-Top 3,77 0,53 %
3- Générateur de fonctions arbitraires (option MDO4AFG requise)
- Signaux
- Sinus, Carré, Impulsion, Rampe/triangle, CC, bruit, Sin(x)/x (Sinc), Gaussien, Lorentz, Montée exponentielle, Descente exponentielle et Demi-sinus verse, Cardiaque et Arbitraire.
- Sinusoïdal
- Plage de fréquences
- 0,1 Hz à 50 MHz
- Plage d'amplitude
- 20 mVcrête/crête à 5 Vcrête/crête sur haute impédance ; 10 mVcrête/crête à 2,5 Vcrête/crête sur 50 Ω
- Planéité d’amplitude (typique)
- ±0,5 dB à 1 kHz (±1,5 dB pour les amplitudes <20 mVcrête/crête)
- Distorsion harmonique totale (typique)
- 1 % sur 50 Ω
2 % pour les amplitudes <50 mV et les fréquences >10 MHz
3 % pour les amplitudes >20 mV et les fréquences >10 MHz
- Plage dynamique sans parasites (SFDR) (typique)
- -40 dBc (Vcrête/crête ≥0,1 V); -30 dBc (Vcrête/crête ≤0,1 V), charge 50 Ω
- Carré/Impulsion
- Plage de fréquences
- 0,1 Hz à 25 MHz
- Plage d'amplitude
- 20 mVcrête/crête à 5 Vcrête/crête sur haute impédance ; 10 mVcrête/crête à 2,5 Vcrête/crête sur 50 Ω
- Rapport cyclique
- 10 % à 90 % ou impulsion minimum de 10 ns ; quelle que soit la taille du cycle
- Résolution du rapport cyclique
- 0,1 %
- Largeur d'impulsion minimum (typique)
- 10 ns
- Temps de montée/descente (typique)
- 5 ns (10 % à 90 %)
- Résolution de la largeur des impulsions
- 100 ps
- Suroscillation (typique)
- <2 % pour les mesures de signal supérieures à 100 mV
- Asymétrie
- ±1 % ±5 ns pour un rapport cyclique de 50 %
- Gigue (erreur d'intervalle de temps, valeur efficace) (typique)
- <500 ps
- Rampe/Triangle
- Plage de fréquences
- 0,1 Hz à 500 kHz
- Plage d'amplitude
- 20 mVcrête/crête à 5 Vcrête/crête sur haute impédance ; 10 mVcrête/crête à 2,5 Vcrête/crête sur 50 Ω
- Symétrie variable
- 0 % a 100 %
- Résolution de la symétrie
- 0,1 %
- CC
- Plage de niveaux (typique)
- ±2,5 V sur haute impédance ; ± 1,25 V sur 50 Ω
- Bruit
- Plage d'amplitude
- 20 mVcrête/crête jusqu'à 5 Vcrête/crête sur haute impédance ; 10mVcrête/crête jusqu'à 2,5 Vcrête/crête sur 50 Ω
- Résolution de l'amplitude
- 0 % à 100 % par incréments de 1 %
- Sin(x)/x (Sinc)
- Plage de fréquences (typique)
- 0,1 Hz à 2 MHz
- Plage d'amplitude
- 20 mVcrête/crête à 3,0 Vcrête/crête sur haute impédance ; 10 mVcrête/crête à 1,5 Vcrête/crête sur 50 Ω
- Gaussien
- Plage de fréquences (typique)
- 0.1 Hz à 5 MHz
- Plage d'amplitude
- 20 mVcrête/crête à 2,5 Vcrête/crête sur haute impédance ; 10 mVcrête/crête à 1,25 Vcrête/crête sur 50 Ω
- Lorentz
- Plage de fréquences (typique)
- 0.1 Hz à 5 MHz
- Plage d'amplitude
- 20 mVcrête/crête à 2,4 Vcrête/crête sur haute impédance ; 10 mVcrête/crête à 1,2 Vcrête/crête sur 50 Ω
- Montée/descente exponentielle
- Plage de fréquences (typique)
- 0.1 Hz à 5 MHz
- Plage d'amplitude
- 20 mVcrête/crête à 2,5 Vcrête/crête sur haute impédance ; 10 mVcrête/crête à 1,25 Vcrête/crête sur 50 Ω
- Demi-sinus verse
- Plage de fréquences (typique)
- 0.1 Hz à 5 MHz
- Plage d'amplitude
- 20 mVcrête/crête à 2,5 Vcrête/crête sur haute impédance ; 10 mVcrête/crête à 1,25 Vcrête/crête sur 50 Ω
- Cardiaque (typique)
- Plage de fréquences
- 0,1 Hz à 500 kHz
- Plage d'amplitude
- 20 mVcrête/crête à 5 Vcrête/crête sur haute impédance ; 10 mVcrête/crête à 2,5 Vcrête/crête sur 50 Ω
- Arbitraire
- Profondeur mémoire
- 1 à 128 k
- Plage d'amplitude
- 20 mVcrête/crête à 5 Vcrête/crête sur haute impédance ; 10 mVcrête/crête à 2,5 Vcrête/crête sur 50 Ω
- Vitesse de répétition
- 0,1 Hz à 25 MHz
- Fréquence d’échantillonnage
- 250 Méch./s
- Précision de la fréquence
- Signal sinusoïdal et rampe
- 130 ppm (fréquence <10 kHz)
50 ppm (fréquence ≥10 kHz)
- Signal carré et impulsion
- 130 ppm (fréquence <10 kHz)
50 ppm (fréquence ≥10 kHz)
- Résolution
- 0,1 Hz ou 4 chiffres ; valeur la plus élevée
- Précision de l'amplitude
- ±[ (1,5 % du réglage de l'amplitude crête/crête) + (1,5 % du réglage du décalage CC) + 1 mV ] (fréquence = 1 kHz)
- Décalage CC
- Plage de décalage CC
- ±2,5 V sur haute impédance ; ± 1,25 V sur 50 Ω
- Résolution du décalage CC
- 1 mV sur haute impédance; 500 uV sur 50 Ω
- Précision de décalage
- ±[(1,5 % du réglage de la tension absolue du décalage) + 1 mV] ; déclassement de 3 mV par 10 °C au-delà de 25 °C
- ArbExpress®
L'oscilloscope MDO4000C est compatible avec le logiciel sur PC ArbExpress® pour la création et la modification des signaux. Ce logiciel capture les signaux sur l'oscilloscope MDO4000C et les transfère dans ArbExpress pour modification. Créez des signaux complexes dans ArbExpress et transférez-les dans le générateur de fonctions arbitraires de l'oscilloscope MDO4000C. Pour télécharger ArbExpress, rendez-vous à l'adresse
www.tektronix.com/downloads.
4- Analyseur logique (requiert l'option MDO4MSO)
- Voies d'entrée
- 16 voies numériques (D15 à D0)
- Seuils
- Seuil par voie
- Choix des seuils
- TTL, CMOS, ECL, PECL, définis par l'utilisateur
- Plage de seuil définie par l'utilisateur
- ±40 V
- Précision du seuil
- ±[100 mV + 3 % du réglage du seuil]
- Tension d'entrée maximale
±42 Vcrête(typique)
- Plage dynamique d'entrée
- 30 Vcrête-crête ≤200 MHz
10 Vcrête-crête>200 MHz
- Commutation de tension d'entrée minimale
- 400 mVcrête-crête
- Charge de la sonde
- Impédance d'entrée
- 100 kΩ
- Capacité d'entrée
- 3 pF
- Résolution verticale
- 1 bit
Voies numériques du système horizontal
- Fréquence d'échantillonnage maximale (principale)
- 500 MS/s (résolution 2 ns)
- Longueur maximale d'enregistrement (principale)
- 20 M
- Fréquence d'échantillonnage maximale (MagniVu)
- 16,5 Géch./s (résolution 60,6 ps)
- Longueur d'enregistrement maximale (MagniVu
- 10 000 points, centrée sur le déclencheur
- Largeur d'impulsion minimale détectable
- 1 ns
- Distorsion entre voies (standard)
- 200 ps (typique)
- Taux de commutation maximal en entrée
- 500 MHz (signal sinusoïdal de fréquence maximale qui peut être reproduit avec précision sous forme de signal carré logique. Nécessite une rallonge de masse courte sur chaque voie. Il s'agit de la fréquence maximale à l'amplitude de commutation minimale. Des taux de bascule plus élevés peuvent être obtenus avec des amplitudes plus élevées.)
5 – Analyseur de protocole série (en option)
Déclenchement en série automatique, décodage et options de recherche pour I2C, SPI, RS-232/422/485/UART, USB2.0, CAN, CAN FD, LIN, FlexRay, MIL-STD-1553, ARINC-429 et les bus audio.
Pour plus d'informations sur les produits de bus série, veuillez consulterla fiche technique Modules d'application d'analyse et de déclenchement série.
- Types de déclenchement
- I2C
Déclenchement sur départ, départ répété, arrêt, accusé de réception manquant, adresse (7 ou 10 bits), données ou adresse et données sur bus I2C jusqu'à 10 Mbit/s.
- SPI
- Déclenchement sur SS actif, début de trame, MOSI, MISO ou MOSI et MISO sur les bus SPI jusqu'à 50,0 Mbit/s.
- RS-232/422/485/UART
- Déclenchement sur bit début Tx, bit début Rx, fin paquet Tx, fin paquet Rx, données Tx, données Rx, erreur de parité Tx et erreur de parité Rx jusqu'à 10 Mbit/s.
- USB : bas débit
- Déclenchement sur synchro active, début de trame, réinitialiser, arrêter momentanément, reprendre, fin paquet, paquet de jeton (adresse), paquet de données, paquet de contrôle de flux, paquet spécial, erreur.
Déclenchement sur paquet jeton : tout type de jeton, SOF, OUT, IN, SETUP ; l'adresse peut être spécifiée pour les types de jeton : Tout jeton, OUT, IN et SETUP. L'adresse peut être spécifiée par la suite pour déclenchement sur ≤, <, =, >, ≥, ≠ à une valeur spécifique, ou à l'intérieur ou à l'extérieur d'une plage. Le numéro de trame peut être spécifié pour le jeton SOF à l'aide de nombres binaires, hexadécimaux, décimaux non signés et indifférents.
Déclenchement sur paquet de données : tout type de données, DATA0, DATA1 ; les données peuvent être spécifiées par la suite pour un déclenchement sur ≤, <, =, >, ≥, ≠ d'une valeur spécifique des données, ou à l'intérieur ou à l'extérieur d'une plage.
Déclenchement sur paquet de contrôle de flux : tout type de contrôle de flux, ACK, NAK, STALL.
Déclenchement sur paquet spécial : tout type spécial, réservé,
Déclenchement sur erreur : vérification PID, CRC5 ou CRC16, bourrage.
- USB :haut débit
Déclenchement sur synchro, réinitialisation, arrêt momentané, reprise, fin de paquet, paquet de jeton (adresse), paquet de données, paquet de contrôle de flux, paquet spécial, erreur.
Déclenchement sur paquet jeton : tout type de jeton, SOF, OUT, IN, SETUP ; l'adresse peut être spécifiée pour les types de jeton : Tout jeton, OUT, IN et SETUP. L'adresse peut être spécifiée par la suite pour déclenchement sur ≤, <, =, >, ≥, ≠ à une valeur spécifique, ou à l'intérieur ou à l'extérieur d'une plage. Le numéro de trame peut être spécifié pour le jeton SOF à l'aide de nombres binaires, hexadécimaux, décimaux non signés et indifférents.
Déclenchement sur paquet de données : tout type de données, DATA0, DATA1 ; les données peuvent être spécifiées par la suite pour un déclenchement sur ≤, <, =, >, ≥, ≠ d'une valeur spécifique des données, ou à l'intérieur ou à l'extérieur d'une plage.
Déclenchement sur paquet de contrôle de flux : tout type de contrôle de flux, ACK, NAK, STALL.
Déclenchement sur paquet spécial : tout type spécial, PRE, réservé.
Déclenchement sur erreur : vérification PID, CRC5 ou CRC16, bourrage.
- USB : haut débit 1
Déclenchement sur synchro, réinitialisation, arrêt momentané, reprise, fin de paquet, paquet de jeton (adresse), paquet de données, paquet de contrôle de flux, paquet spécial, erreur.
Déclenchement sur paquet jeton : tout type de jeton, SOF, OUT, IN, SETUP ; l'adresse peut être spécifiée pour les types de jeton : Tout jeton, OUT, IN et SETUP. L'adresse peut être spécifiée par la suite pour déclenchement sur ≤, <, =, >, ≥, ≠ à une valeur spécifique, ou à l'intérieur ou à l'extérieur d'une plage. Le numéro de trame peut être spécifié pour le jeton SOF à l'aide de nombres binaires, hexadécimaux, décimaux non signés et indifférents.
Déclenchement sur paquet de données : tout type de données, DATA0, DATA1, DATA2, MDATA ; les données peuvent être spécifiées par la suite pour un déclenchement sur ≤, <, =, >, ≥, ≠ d'une valeur spécifique des données, ou à l'intérieur ou à l'extérieur d'une plage.
Déclenchement sur paquet de contrôle de flux : tout type de contrôle de flux, ACK, NAK, STALL, NYET.
Déclenchement sur paquet spécial : tout type spécial, ERR, SPLIT, PING, réservé. Les composants de paquets SPLIT pouvant être spécifiés incluent :
Adresse du concentrateur
Démarrer/Terminer : indifférent, démarrer (SSPLIT), terminer (CSPLIT)
Adresse du port
Bits de départ et de fin : indifférent, contrôle/bloc/interruption (périphérique haut débit, périphérique bas débit), isochrone (données au centre, données en fin, données en début, données uniquement)
Type de point de fin : indifférent, contrôle, isochrone, bloc, interruption
Déclenchement sur erreur : vérification PID, CRC5 ou CRC16
- Ethernet 2
10BASE-T et 100BASE-TX : déclenchement sur délimiteur début trame, adresses MAC, informations de commande Q-Tag MAC, long./ type MAC, en-tête IP, en-tête TCP, données client TCP/IPv4/MAC, fin de paquet et erreur FCS (CRC).
100BASE-TX : inactif.
Adresses MAC : déclenchement sur valeurs d'adresse de 48 bits de source et de destination.
Information de commande Q-Tag MAC : déclenchement sur valeur de 32 bits de Q-Tag.
Long./ type MAC : déclenchement sur ≤, <, =, >, ≥, ≠ d'une valeur 16 bits donnée, à l'intérieur ou à l'extérieur d'une plage.
En-tête IP : déclenchement sur valeur de 8 bits de protocole IP, adresse source, adresse de destination.
En-tête TCP : déclenchement sur port source, port de destination, numéro de séquence et numéro acc réc.
Données client TCP/IPv4/MAC : déclenchement sur ≤, <, =, >, ≥, ≠ d'une valeur précise, à l'intérieur ou à l'extérieur d'une plage. Déclenchement sur nombre sélectionnable d’octets (de 1 à 16). Options de décalage d’octet : indifférent, 0 à 1 499
- CAN, CAN FD (ISO et non-ISO)
Déclenchement sur début de trame, type de trame (données, distant, erreur, surcharge), identificateur (standard ou étendu), données, identificateur et données, fin de trame, accusé de réception manquant ou erreur de bourrage sur les signaux CAN jusqu'à 1 Mbit/s ou sur les signaux CAN FD jusqu’à 10 Mbit/s. Les données peuvent être spécifiées par la suite pour un déclenchement sur ≤, <, =, >, ≥ ou ≠ d'une valeur spécifique. Le point d'échantillonnage réglable par l'utilisateur est défini à 50 % par défaut.
- LIN
- Déclenchement sur synchro, identificateur, données, identificateur et données, trame de réveil, trame de veille ou erreurs comme synchro, parité ou erreurs de checksum, jusqu'à 100 kbit/s (par définition LIN, 20 kbit/s).
- FlexRay
- Déclenchement sur début de trame, type de trame (Normal, Charge utile, Nul, Synchro, Démarrage), identificateur, nombre de cycles, champ en-tête complet, données, identificateur et données, fin de trame ou erreurs telles que CRC en-tête, CRC chariot, trame nulle, synchronisation de trame, ou erreurs de début de trame jusqu'à 100 Mbit/s.
- MIL-STD-1553
Déclenchement sur synchro, type de mot2(Commande, état, données), mot de commande (régler adresse RT, T/R, adresse secondaire/mode, compte de mots de données/code de mode) et parité individuellement), mot d'état (régler adresse RT, message d'erreur, instruments, bit de demande de service, commande de diffusion reçue, occupé, marqueur de sous-système, acceptation de contrôle de bus dynamique (DBCA), marqueur de terminal et parité individuellement), mot de données (valeur de données de 16 bits définie par l'utilisateur), erreur (synchro, parité, Manchester, données non contiguës), durée d'inactivité (temps sélectionnable minimum de 2 μs à 100 μs ; temps sélectionnable maximum de 2 μs à 100 μs ; déclenchement sur < minimum, > maximum, à l'intérieur d'une plage, à l'extérieur d'une plage). L'adresse RT peut être spécifiée par la suite pour déclenchement sur =, ≠, <, >, ≤, ≥ d'une valeur spécifique, à l'intérieur ou à l'extérieur d'une plage.
- ARINC-429
Déclenchement sur Début/Fin de mot, Libellé, SDI, Données, Libellé et données, Conditions d’erreur (toutes, parité, mot, écart)
- I2S/LJ/RJ/TDM
Déclenchement sur sélection de mot, synchronisation de trames ou données. Les données peuvent être spécifiées par la suite pour un déclenchement sur ≤, <, =, >, ≥, ≠ d'une valeur spécifique des données, à l'intérieur ou à l'extérieur d'une plage. Le débit maximal des données pour I2S/LJ/RJ est égal à 12,5 Mb/s. Le débit maximal des données pour TDM est égal à 25 Mbit/s.
1Prise en charge du haut débit uniquement disponible sur les modèles avec une bande passante de voie analogique de 1 GHz.
2Les modèles avec une bande passante ≥350 MHz sont recommandés pour 100BASE-TX.
6 – Voltmètre numérique et compteur de fréquences
- Source
- Voie 1, Voie 2, Voie 3, Voie 4
- Types de mesures
- CAeff, CC, CA+CC eff (affichage en Volts ou en A) ; Fréquence
- Précision de la tension
- ±(1,5 % |mesure - décalage - position|) + (0,5 % |(décalage - position)|) + (0,1 * Volts/div))
- Résolution
- ACV, DCV : 4 chiffres
Fréquence : 5 chiffres
- Précision de la fréquence
- ±(10 µHz/Hz + 1 compteur)
- Vitesse de mesure
- 100 fois/seconde ; mesures actualisées à l'écran 4 fois/seconde
- Réglage vertical automatique
- Réglage vertical automatique pour une plage dynamique de mesure maximale ; disponible pour n'importe quelle source sans déclenchement
- Mesures graphiques
- Indication graphique de la valeur minimale, maximale et actuelle, et plage mobile sur 5 secondes
Caractéristiques générales du produit
- Type d'écran
- 10,4 pouces Écran couleur TFT à cristaux liquides 264 mm (264 po)
- Résolution de l'écran
- Horizontal 1 024 pixels x Vertical 768 pixels (XGA)
- Interpolation
- Sinus(x)/x
- Styles de signaux
- Vecteurs, points, rémanance variable, persistance infinie
- Réticules
- Complet, grille, plein, réticule, cadre, IRE et mV
- Format
- YT, XY et simultané XY/YT
- Vitesse maximale d'acquisition des signaux
- 340 000 signaux/s en mode FastAcq pour les modèles 1 GHz
>270 000 signaux/s en mode FastAcq pour les modèles 200 MHz à 500 MHz
>50 000 signaux/s en mode d'acquisition DPO sur tous les modèles
Ports d'entrée/sortie
- Port hôte USB 2.0 haut débit
- Prend en charge les périphériques de stockage USB et les claviers. Deux ports à l'avant et deux ports à l'arrière de l'instrument.
- Port périphérique USB 2.0
- Le connecteur de la face arrière permet la communication et le contrôle de l'oscilloscope par protocole USBTMC ou GPIB (avec un TEK-USB-488), ainsi que l'impression directe sur toutes les imprimantes compatibles PictBridge.
- Impression
- Sur imprimante PictBridge ou sur une imprimante prenant en charge l'impression de courriers électroniques. Remarque : ce produit comprend un logiciel développé par OpenSSL Project utilisable dans OpenSSL Toolkit. (http://www.openssl.org/)
- Port réseau local
- Connecteur RJ-45, prend en charge 10/100/1 000 Mbits/s
- Port de sortie vidéo
- Connecteur femelle DB-15, qui permet d'afficher l'écran de l'oscilloscope sur un écran ou un projecteur externe. Résolution XGA.
- Tension et fréquence de sortie de compensation de la sonde
- Broches de la face avant
- Amplitude
- 0 à 2,5 V
- Fréquence
1 kHz
- Sortie auxiliaire
- Connecteur BNC en face arrière
VOUT(Haut) : ≥2,5 V circuit ouvert, ≥1,0 V 50 Ω à la terre
VOUT(Bas) : ≤0,7 V sur une charge ≤4 mA ; ≤0,25 V 50 Ω à la terre
La sortie peut être configurée pour fournir un signal de sortie d'impulsions lorsque l'oscilloscope se déclenche, la sortie interne d'horloge de référence de l'oscilloscope, ou encore une sortie d'événement pour le test de masque/des valeurs limites.
- Entrée de référence externe
- Le système de base de temps peut effecteur un verrouillage de phase sur la référence externe 10 MHz (10 MHz ±1 %)
- Verrou Kensington
- La fente de sécurité de la face arrière se connecte à un verrou Kensington standard.
- Support VESA
- Points de fixation VESA 100 mm en standard (MIS-D 100) à l'arrière de l'instrument.
Extensions de réseau local pour l’instrumentation (LXI)
- Classe
- LXI Core 2011
- Version
- V1.4
Logiciel
- OpenChoice® Desktop
Permet une communication simple et rapide entre un ordinateur Windows et votre oscilloscope par USB ou réseau local. Transfert et enregistrement de réglages, signaux, mesures et images d'écran. Les barres d'outils Word et Excel incluses permettent d'automatiser le transfert des données d'acquisition et des images d'écran de l'oscilloscope vers Word et Excel, pour la création rapide de rapports rapide ou une analyse ultérieure. Télécharger à partie dehttp://www.tek.com/downloads.
- Pilote IVI
- Fournit une interface de programmation d'instruments standard pour des applications courantes telles que LabVIEW, LabWindows/CVI, Microsoft .NET et MATLAB.
- Interface web e*Scope®
- Permet de contrôler l'oscilloscope sur une connexion réseau au moyen d'un navigateur web standard. Saisissez simplement l'adresse IP ou le nom de l'oscilloscope sur le réseau : une page web s'ouvre alors dans le navigateur. Transférer et enregistrez les réglages, les signaux, les mesures et les copies d'écrans ou modifiez les commandes en direct directement à partir du navigateur web.
- Interface Web LXI
- Connectez-vous à l'oscilloscope au moyen d'un navigateur Web standard, en saisissant simplement l'adresse IP de l'oscilloscope ou le nom du réseau dans la barre d'adresses du navigateur. L'interface Web permet d'afficher l'état et la configuration de l'instrument, l'état et les modifications des paramètres réseau, et de contrôler l'instrument via la télécommande sur le web e*Scope. Toutes les interactions sur le web sont conformes à la spécification LXI Core, version 1.4.
Source d'alimentation
- Tension de la source d'alimentation
- 100 à 240 V ±10 %
- Fréquence de la source d'alimentation
- 50 à 60 Hz ±10 % de 100 à 240 V ±10 %
400 Hz ±10 % à 115 V ±13 %
- Consommation électrique
- 250 W maximum
Caractéristiques physiques
- Dimensions
mm po Hauteur 229 9 Largeur 439 17,3 Profondeur 147 5,8
- Poids
- Instruments sans option SA3 ou SA6
kg livres Net 5,1 11,2 Expédition 10,8 23,8 - Instruments avec option SA3 ou SA6
kg livres Net 5,5 12,2 Expédition 11,2 24,8
- Configuration pour montage en rack
- 5U
- Espace pour le refroidissement
- 2 pouces 51 mm nécessaires à gauche et à l'arrière de l'instrument
CEM (compatibilité électromagnétique), environnement et sécurité
- Température
- En fonctionnement
- 0 ºC à +50 ºC (+32 ºF à +122 ºF)
- Hors fonctionnement
- -30 ºC à +70 ºC (+22 ºF à +158 ºF)
- Humidité
- En fonctionnement
- Haut : 40 ºC à 50 ºC, 10 % à 60 % d’humidité relative, Bas : 0 ºC à 40 ºC, 10 % à 90 % d’humidité relative
- Hors fonctionnement
- Haut : 40 ºC à 60 ºC, 5 % à 55 % d’humidité relative, Bas : 0 ºC à 40 ºC, 5 % à 90 % d’humidité relative
- Altitude
- En fonctionnement
- 3 000 mètres (9 843 pieds)
- Hors fonctionnement
- 12 000 mètres (39 370 pieds)
- Réglementation
- Marquage CE pour l’Union Européenne et UL pour les États-Unis et le Canada
Informations de commande
Étape 1 : choisissez le modèle de base MDO4000C
Gamme MDO4000C
- MDO4024C
- Oscilloscope multidomaine avec (4) voies analogiques 200 MHz
- MDO4034C
- Oscilloscope multidomaine avec (4) voies analogiques 350 MHz
- MDO4054C
- Oscilloscope multidomaine avec (4) voies analogiques 500 MHz
- MDO4104C
- Oscilloscope multidomaine avec (4) voies analogiques 1 GHz
Accessoires standard
Sondes
- Modèles ≤ 500 MHz
- TPP0500B, bande passante 500 MHz, 10X, 3,9 pF. Une sonde de tension passive par voie analogique.
- Modèles 1 GHz
- TPP1000, bande passante de 1 GHz, 10X, 3,9 pF. Une sonde de tension passive par voie analogique.
- Tout modèle équipé de l'option MDO4MSO
- Une sonde logique 16 voies P6616 et un ensemble d'accessoires de sonde logique (020-2662-xx).
Accessoires
- 200-5130-xx
- Capot de protection avant
- 016-2030-xx
- Sac pour accessoires
- 071-3448-xx
- Instructions d’installation et de sécurité, manuels imprimés (traduits en anglais, français, japonais et chinois simplifié) ; d’autres manuels produit sont disponibles en téléchargement à l’adresse fr.tek.com/manual/downloads.
- -
- Cordon d’alimentation
- -
- Logiciel OpenChoice® Desktop Software (sur le CD de documentation et à télécharger à l'adresse fr.tek.com/downloads).
- -
- Certificat d'étalonnage indiquant la traçabilité conformément aux Instituts nationaux de métrologie et à la qualification au système de qualité ISO9001
- Modèles 103-0045-xx avec option SA3 ou SA6
- Adaptateur N vers BNC
Garantie
Trois ans de garantie couvrant les pièces et la main-d'œuvre pour l'instrument MDO4000C. Un an de garantie couvrant les pièces et la main-d'œuvre des sondes incluses.Étape 2 : configurez votre oscilloscope MDO4000C an ajoutant des options d’instrument
Options des instruments
Il est possible de pré-configurer tous les instruments de la série MDO4000C en usine avec les options suivantes :
- MDO4AFG
- Générateur de fonctions arbitraires avec 13 signaux prédéfinis et création de signaux arbitraires
- MDO4MSO
- 16 voies numériques avec sonde numérique P6616 et accessoires
- SA3
- Analyseur de spectre intégré avec plage de fréquences de 9 kHz à 3 GHz
- SA6
- Analyseur de spectre intégré avec plage de fréquences de 9 kHz à 6 GHz
- MDO4SEC
- Sécurité de l'instrument renforcée avec activation/désactivation de tous les ports de l'instrument par mot de passe et de la mise à jour du microprogramme de l'instrument.
Options cordon d'alimentation et prise électrique
- Option A0
- Prise électrique Amérique du Nord (115 V, 60 Hz)
- Option A1
- Prise électrique universelle Europe (220 V, 50 Hz)
- Option A2
- Prise électrique Royaume-Uni (240 V, 50 Hz)
- Option A3
- Prise électrique Australie (240 V, 50 Hz)
- Option A5
- Prise électrique Suisse (220 V, 50 Hz)
- Option A6
- Prise électrique Japon (100 V, 50/60 Hz)
- Option A10
- Prise électrique Chine (50 Hz)
- Option A11
- Prise électrique Inde (50 Hz)
- Option A12
- Prise électrique Brésil (60 Hz)
- Option A99
- Pas de cordon d'alimentation
Options de langue
Tous les produits sont livrés avec un manuel d'installation et de sécurité en anglais, japonais et chinois simplifié et français. Des manuels d'utilisation complets dans les langues ci-dessous sont disponibles au format PDF sur www.tektronix.com/manuals. Les options de langue ci-dessous autres que L0 comprennent un cache du panneau avant dans la langue sélectionnée .
- Opt. L0
- Face avant en anglais
- Opt. L1
- Cache de la face avant en français
- Opt. L2
- Cache de la face avant en italien
- Opt. L3
- Cache de la face avant en allemand
- Opt. L4
- Cache de la face avant en espagnol
- Opt. L5
- Cache de la face avant en japonais
- Opt. L6
- Cache de la face avant en portugais
- Opt. L7
- Cache de la face avant en chinois simplifié
- Opt. L8
- Cache de la face avant en chinois traditionnel
- Opt. L9
- Cache de la face avant en coréen
- Opt. L10
- Cache de la face avant en russe
Options d’entretien
Tektronix propose différents contrats de garantie et d’entretien afin d’augmenter la durée de vie de votre produit et de vous éviter des coûts imprévus. Que vous souhaitiez vous protéger de dommages accidentels ou juste réaliser des économies sur l’entretien avec un contrat d’étalonnage, l’option d’entretien qui répond à vos besoins existe.
- Option C3
- Service d'étalonnage 3 ans
- Option C5
- Service d'étalonnage 5 ans
- Option D1
- Rapport de données d'étalonnage
- Option D3
- Rapport de données d'étalonnage 3 ans (avec option C3)
- Option D5
- Rapport de données d'étalonnage 5 ans (avec option C5)
- Option R5
- Service de réparation 5 ans (garantie comprise)
- Opt. T3
- Le contrat de protection totale d’une durée de trois ans garantit que votre équipement demeurera en état neuf quoiqu’il advienne.
- Opt. T5
- Le contrat de protection totale d’une durée de cinq ans garantit que votre équipement demeurera en état neuf quoiqu’il advienne.
Les sondes et accessoires ne sont pas couverts par la garantie de l'oscilloscope et les offres d’entretien. Voir la fiche technique de chaque sonde et accessoire pour connaître leur garantie propre et les conditions d'étalonnage.
Étape 3 : sélectionnez les modules d'application et les accessoires
- Modules d'application
- Les modules d'application s'achètent en tant produits indépendants ; il est possible de les acheter lors de la première commande de l'oscilloscope MDO4000C ou à tout moment par la suite. Les modules d'application disponibles en option sont gratuits pendant une période d'évaluation de 30 jours. qui commence automatiquement à la première mise sous tension de l'instrument.
Les modules d'application sont associés à des licences pouvant être transférées entre un module d'application et un oscilloscope. La licence peut être associée au module, ce qui permet de déplacer un module d'un instrument à un autre. La licence peut également être associée à l'oscilloscope, ce qui permet de retirer le module et de le conserver en lieu sûr. Le transfert de la licence vers un oscilloscope et le retrait du module permet l'utilisation simultanée de plus de 4 applications.
- DPO4BND
- Module d'application qui active toutes les fonctionnalités des modules d'application de DPO4AERO, DPO4AUDIO, DPO4AUTO, DPO4COMP, DPO4EMBD, DPO4ENET, DPO4LMT, DPO4PWR, DPO4USB et DPO4VID dans un seul module. Faites des économies lorsque plusieurs modules d'application de débogage et d'analyse de bus série sont requis, et transférez facilement la totalité des fonctionnalités d'un instrument à l'autre.
- DPO4AERO
- Module d'analyse et de déclenchement série pour l'industrie aérospatiale. Permet le déclenchement sur des informations au niveau des paquets sur les bus MIL-STD-1553 et ARINC-429 et d’effectuer des analyses avec des vues numériques des signaux, des vues des bus, le décodage des paquets, des outils de recherche et des tables de décodage des paquets avec les informations d'horodatage.
Entrées des signaux : voies 1 à 4, math, réf 1 à réf 4
Type de sonde recommandé : différentielle ou référencée à la masse (un seul signal référencé à la masse nécessaire)
- DPO4AUDIO
- Module d'analyse et de déclenchement série audio. Permet le déclenchement sur des informations au niveau des paquets sur les bus audio I2S, LJ, RJ et TDM et d’effectuer des analyses avec des vues numériques des signaux, des vues des bus, le décodage des paquets, des outils de recherche et des tables de décodage des paquets avec les informations d'horodatage.
Entrées des signaux : voies 1 à 4, D0 à D15
Type de sonde recommandé : référencée à la masse
- DPO4AUTO
- Module d'analyse et de déclenchement série pour l'automobile. Permet le déclenchement sur des informations au niveau des paquets sur les bus CAN, CAN FD (ISO et non-ISO) et LIN et d’effectuer des analyses avec des vues numériques des signaux, des vues des bus, le décodage des paquets, des outils de recherche et des tables de décodage des paquets avec les informations d'horodatage.
Entrées des signaux LIN : voies 1 à 4, D0 à D15 ; CAN, CAN FD : voies 1 à 4, D0 à D15
Type de sonde recommandée LIN : référencée à la masse ; CAN, CAN FD : référencée à la masse ou différentielle
- DPO4AUTOMAX
- Comprend la fonctionnalité DPO4AUTO et ajoute la prise en charge des tables de déclenchement, de décodage, de recherche, de recherche et de décodage FlexRay. L’analyse du diagramme de l’œil étendue est également prise en charge avec une application logicielle pour PC.
- DPO4COMP
- Module de déclenchement et d'analyse en série. Permet le déclenchement sur des informations au niveau des paquets sur les bus RS-232/422/485/UART et d’effectuer des analyses avec des vues numériques des signaux, des vues des bus, le décodage des paquets, des outils de recherche et des tables de décodage des paquets avec les informations d'horodatage.
Entrées des signaux : voies 1 à 4, D0 à D15
Type de sonde recommandé RS-232/UART : référencée à la masse ; RS-422/485 : différentielle
- DPO4EMBD
- Module d'analyse et de déclenchement série intégré. Permet le déclenchement sur des informations au niveau des paquets sur les bus I2C et SPI et d’effectuer des analyses avec des vues numériques des signaux, des vues des bus, le décodage des paquets, des outils de recherche et des tables de décodage des paquets avec les informations d'horodatage.
Entrées des signaux - I2C ou SPI : voies 1 à 4, D0 à D15
Type de sonde recommandé : référencée à la masse
- DPO4ENET
Module d'analyse et de déclenchement série. Permet le déclenchement sur des informations des paquets dans les réseaux 10BASE-T et 100BASE-TX.1ainsi que les outils d'analyse (vues numériques des signaux, vues des bus, décodage des paquets, outils de recherche et tables de décodage des paquets avec les informations d'horodatage).
Entrées des signaux : voies 1 à 4, math, réf 1 à réf 4
Type de sonde recommandé 10BASE-T : différentielle ou référencée à la masse ; 100BASE-TX : différentielle
- DPO4USB
- Module d'analyse et de déclenchement série USB. Permet le déclenchement sur le contenu au niveau des paquets sur les bus série USB bas débit et haut débit. Il facilite également l'analyse avec les affichages numériques du signal, les affichages de bus, le décodage des paquets, les outils de recherche et les tables de décodage des paquets avec les informations d'horodatage pour les bus série USB de toutes vitesses (hautes, pleines ou basses). 2
Entrées des signaux : basse vitesse et pleine vitesse : voies 1 à 4, D0 à D15 ; Haut, bas débit : voies 1 à 4, Math, réf 1 à réf 4
Type de sonde recommandé haute ou pleine vitesse : référencée à la masse ou différentielle ; haute vitesse : différentielle
- DPO4PWR
- Module d’application d’analyse de l’alimentation. Permet d'analyser rapidement et précisément la qualité de l’alimentation, la perte de commutation, les harmoniques, la zone de fonctionnement sûr, la modulation, l'ondulation et la vitesse de montée (dI/dt, dV/dt).
- DPO4LMT
- Module d'application de test de masque et de valeurs limites. Permet d'effectuer des tests par rapport aux modèles des valeurs limites générés à partir de signaux de référence et d'effectuer des tests de masque avec des maques personnalisés. 3
- DPO4VID
- Module de déclenchement vidéo HDTV et personnalisé (non standard), et d'image vidéo.
- MDO4TRIG
- Module de déclenchement de niveau de puissance RF avancé. Permet d'utiliser le niveau de puissance sur l'analyseur de spectre comme source dans les types de déclenchement suivants : largeur d’impulsion, petite impulsion, temporisation, logique et séquence.
1Les modèles de bande passante ≥350 MHz sont recommandés pour 100BASE-TX
2Prise en charge de l’USB haut débit uniquement sur les modèles avec une bande passante de voie analogique de 1 GHz.
3Les modèles de bande passante ≥350 MHz sont recommandés pour le test de masques des normes de télécommunication >55 Mbit/s. Les modèles avec une bande passante dépasse 1 GHz sont recommandés pour les tests de masque sur des interfaces USB haut débit.
Accessoires recommandés
Sondes
Tektronix propose plus de 100 sondes différentes afin de répondre aux besoins de votre application. Pour la liste complète des sondes disponibles, rendez-vous à l'adressewww.tektronix.com/probes.
- TPP0500B
- Sonde de tension passive 10X TekVPI® 500 MHz avec capacité d’entrée de 3,9 pF
- TPP0502
- Sonde de tension passive 2X TekVPI® 500 MHz avec capacité d’entrée de 12,7 pF
- TPP0850
- Sonde passive haute tension 50X TekVPI® 2,5 kV, 800 MHz
- TPP1000
- Sonde de tension passive 10X TekVPI® 1 GHz avec capacité d’entrée de 3,9 pF
- TAP1500
- Sonde de tension active référencée à la masse TekVPI® 1,5 GHz
- TAP2500
- Sonde de tension active référencée à la masse TekVPI® 2,5 GHz
- TAP3500
- Sonde de tension active référencée à la masse TekVPI® 3,5 GHz
- TCP0030
- Sonde de courant CA/CC TekVPI® 120 MHz, 30 A
- TCP0150
- Sonde de courant CA/CC TekVPI® 20 MHz, 150 A
- TDP0500
- Sonde de tension différentielle TekVPI® 500 MHz, avec tension d'entrée différentielle de ±42 V
- TDP1000
- Sonde de tension différentielle TekVPI® 1 GHz, avec tension d'entrée différentielle de ±42 V
- TDP1500
- Sonde de tension différentielle TekVPI® 1,5 GHz, avec tension d'entrée différentielle de ±8.5 V
- TDP3500
- Sonde de tension différentielle TekVPI® 3,5 GHz, avec tension d'entrée différentielle de ±2 V
- THDP0200
- Sonde différentielle haute tension TekVPI® 200 MHz, ±1,5 kV
- THDP0100
- Sonde différentielle haute tension TekVPI® 100 MHz, ±6 kV
- TMDP0200
- Sonde différentielle haute tension TekVPI® 200 MHz, ±750 V
- P5100A
- Sonde passive haute tension 100X 500 MHz, 2,5 kV
- P5200A
- Sonde différentielle haute tension 50 MHz, 1,3 kV
Accessoires
- TPA-N-PRE
- Préamplificateur, gain nominal de 12 dB, 9 kHz à 6 GHz
- 119-4146-00
- Sonde en champ proche, 100 kHz à 1 GHz
- 119-6609-00
- Antenne unipolaire flexible
- TPA-N-VPI
- Adaptateur N vers TekVPI
- 077-0585-xx
- Manuel d'entretien (uniquement en anglais)
- TPA-BNC
- Adaptateur BNC TekVPI® vers TekProbe™
- TEK-DPG
- Générateur d'impulsions pour la compensation des sondes TekVPI
- 067-1686-xx
- Matériel de compensation et d'étalonnage des mesures d'alimentation
- SignalVu-PC-SVE
- Logiciel d'analyse vectorielle des signaux
- TEK-USB-488
- Adaptateur GPIB vers USB
- ACD4000B
- Mallette de transport souple
- HCTEK54
- Valise de transport rigide (ACD4000B requis)
- RMD5000
- Kit de montage en rack
Autres sondes RF
Contactez Beehive Electronics pour commander :http://beehive-electronics.com/probes.html
- 101A
- Jeu de sondes CEM
- 150A
- Amplificateur de sondes CEM
- 110A
- Câble de sonde
- 0309-0001
- Adaptateur de sonde SMA
- 0309-0006
- Adaptateur de sonde BNC
Étape 4 : ajoutez par la suite des mises à niveau de l'instrument
Mises à niveau de l’instrument
La Série MDO4000C permet d'ajouter des fonctionnalités de plusieurs manières après le premier achat. Trouvez ci-dessous les diverses mises à niveau et la méthode utilisée pour la mise à niveau de chaque produit.
- Options après l'achat de l'instrument
- Les produits suivants sont vendus indépendamment et peuvent être achetés à tout moment pour ajouter des fonctionnalités aux produits MDO4000C.
- MDO4AFG
- Ajouter un générateur de fonctions arbitraires à n'importe quel produit de la série MDO4000C.
Mise à niveau permanente en une fois de n'importe quel modèle au moyen d'une clé matérielle pour un module d'application à usage unique. La clé matérielle active la fonction et n'est pas indispensable pour l'utilisation future.
- MDO4MSO
- Ajoute 16 voies numériques ; comprend la sonde numérique P6616 et les accessoires.
Mise à jour permanente en une fois vers tout modèle activé via une clé matérielle pour module d’application à usage unique. La clé matérielle active la fonction et n'est pas indispensable pour l'utilisation future.
- MDO4SA3
- Ajoute un analyseur de spectre intégré avec plage de fréquences d’entrée de 9 kHz à 3 GHz.
Mise à jour permanente en une fois vers tous les modèles. Cette mise à niveau requiert une installation dans un centre de réparation Tektronix et un étalonnage de l’instrument.
- MDO4SA6
- Ajoute un analyseur de spectre intégré avec plage de fréquences d’entrée de 9 kHz à 6 GHz.
Mise à jour permanente en une fois vers tous les modèles. Cette mise à niveau requiert une installation dans un centre de réparation Tektronix et un étalonnage de l’instrument.
- MDO4SEC
- Sécurité de l'instrument renforcée avec activation/désactivation de tous les ports de l'instrument par mot de passe et de la mise à jour du microprogramme de l'instrument.
Mise à niveau permanente en une fois de n'importe quel modèle au moyen d'une clé logicielle. Les clés des options logicielles nécessitent de fournir le modèle et le numéro de série de l'instrument fournis lors de l'achat. La clé d'une option logicielle est propre à la combinaison modèle/numéro de série.
- Options de mise à niveau de l'analyseur de spectre
- La plage de fréquence d’entrée maximale de l’analyseur de spectre peut être augmentée de 3 GHz à 6 GHz. Cette mise à niveau requiert une installation dans un centre de réparation Tektronix et un étalonnage. (les mises à niveau de l’analyseur de spectre et les étalonnages de l’instrument apparaîtront sur une ligne distincte du bon de commande. Un étalonnage à venir est disponible sur demande.)
- MDO4SA3T6
- Mise à niveau de l'analyseur de spectre de 3 à 6 GHz pour MDO4000C.
- Options d’entretien après achat
Les mises à jour suivantes peuvent être ajoutées à n’importe quel modèle afin d’étendre la garantie du produit au delà de la période de garantie standard.
- MDO4024C-R5DW
- Prise en charge des réparations : 5 ans pour un produit MDO4024C (période de garantie du produit incluse).
- MDO4034C-R5DW
- Prise en charge des réparations : 5 ans pour un produit MDO4034C (période de garantie du produit incluse).
- MDO4054C-R5DW
- Prise en charge des réparations : 5 ans pour un produit MDO4054C (période de garantie du produit incluse).
- MDO4104C-R5DW
- Prise en charge des réparations : 5 ans pour un produit MDO4104C (période de garantie du produit incluse).
- MDO4000CT3
- Le contrat de protection totale d’une durée de trois ans garantit que votre équipement demeurera en état neuf quoiqu’il advienne. Disponible pendant 30 jours après l’achat initial de l’instrument.
- MDO4000CT5
- Le contrat de protection totale d’une durée de cinq ans garantit que votre équipement demeurera en état neuf quoiqu’il advienne. Disponible pendant 30 jours après l’achat initial de l’instrument.
- Options de mise à niveau de la bande passante
- Il est possible de mettre à niveau la bande passante de l'instrument sur tous les produits MDO4000C après l'achat initial. Chaque mise à jour du produit augmente la bande passante analogique de l’oscilloscope. Les mises à jour de la bande passante sont achetées selon la combinaison bande passante actuelle/bande passante souhaitée et la configuration de l’instrument actuel (analyseur de spectre intégré ou non). Les mises à jour de la bande passante comprennent des sondes analogiques neuves si nécessaire. Toutes ces mises à jour de la bande passante requièrent une installation dans un centre de réparation Tektronix et un étalonnage de l’instrument. (les mises à niveau de la bande passante et les étalonnages de l’instrument apparaîtront sur une ligne distincte du bon de commande. Un étalonnage à venir est disponible sur demande.)



