
연락처
텍트로닉스 담당자와 실시간 상담 6:00am-4:30pm PST에 이용 가능
전화 문의
9:00am-6:00PM KST에 이용 가능
다운로드
매뉴얼, 데이터 시트, 소프트웨어 등을 다운로드할 수 있습니다.
피드백
고급 파워 측정 및 분석
5 시리즈 MSO 옵션 5-PWR 데이터 시트

5 시리즈 MSO의 고급 파워 측정 및 분석을 사용하여 전력 시스템을 시각적으로 나타낼 수 있습니다. 오실로스코프, 분석 소프트웨어 및 다양한 사용 가능 전압/전류 프로브를 조합하면 전력 변환 전문가가 아니더라도 정확한 전력 시스템 측정을 자동으로 수행할 수 있습니다. 5 시리즈 MSO의 12비트 아날로그-디지털 변환기는 초정밀도 측정 데이터를 제공하며, 손가락 모으기/살짝 밀기/줌 터치식 인터페이스를 사용하여 측정을 쉽게 관리할 수 있습니다. 풍부한 그래픽 전력 분석 도구, 최대 8개의 FlexChannel®입력을 통한 신호 가시성 및 15.6인치 HD 디스플레이 세트를 통해 전력 시스템을 포괄적으로 제시할 수 있습니다. 이 장비는 최첨단 IsoVuTM광학 격리 전압 프로브를 비롯한 광범위한 전압 및 전류 프로브를 지원합니다. IsoVu 프로브의 뛰어난 커먼 모드 제거 기능과 고급 파워 측정 및 분석의 자동화 기능은 최신 GaN 및 SiC 설계를 최적화할 수 있는 최고의 조합입니다.
주요 측정
- 라인 측정
- 전력에서는 유효 전력, 피상 전력, 전력 계수 및 위상 각도를 측정합니다.
- 총 고조파 왜곡 및 크레스트 팩터 측정
- 고조파 측정, 막대 차트 및 표
- 진폭은 최솟값, 최댓값, 진폭 및 피크-피크를 비롯한 전압 또는 전류에 대한 편리한 사이클당 측정을 제공합니다.
- 스위칭 장치 측정
- 스위칭 손실은 스위칭 장치의 활성화, 비활성화 및 전도 손실을 측정합니다.
- SOA(안전 동작 영역)는 사용자 정의 가능한 안전 동작 영역 마스크 테스트를 제공합니다.
- 타이밍 분석에서는 사이클별 도표나 펄스 폭, 듀티 사이클, 주파수 또는 기간 히스토그램을 통해 펄스 폭 변조 스위칭 신호를 쉽게 분석할 수 있습니다.
- RDS(on)는 켜진 상태에서 스위칭 장치의 동적 저항을 측정합니다.
- 자기 분석 측정
- 인덕턴스는 코어의 인덕턴스를 측정합니다.
- 자기 속성은 인덕터 B - H 곡선을 측정 및 작성합니다.
- 자기 손실은 총 자기 손실을 계산합니다.
- I 대 ∫V는 I 및 ∫V 파형의 도표를 표시합니다.
- 출력 측정
- 라인 리플
- 스위칭 리플
- 효율성은 측정된 출력 전원을 측정된 입력 전원으로 나누어 전원 회로 효율성을 측정합니다.
핵심 기능
5 시리즈 MSO의 손가락 모으기/손가락으로 밀기/줌 터치식 인터페이스를 사용하여 자동 측정을 추가, 구성 및 제거
자동 보고서 생성 기능을 사용하여 측정, 테스트 결과 및 도표를 포함하는 테스트 결과를 편집 가능한 단일 mht 파일 또는 pdf 파일로 쉽게 문서화
최첨단 IsoVu 광학 격리 전압 프로브를 비롯한 광범위한 전압 및 전류 프로브를 다양한 애플리케이션에서 활용
자동 테스트 애플리케이션을 위한 원격 인터페이스를 통해 측정 구성 및 결과 전송
입력 분석
전력 품질 측정 및 전류 고조파는 파워 서플라이의 입력 섹션에서 수행되는 2가지 공통 측정 세트로, 전력 라인에 파워 서플라이가 미치는 영향을 분석하고 다양한 라인 상태에서 공급기의 성능을 평가하는 데 사용됩니다.
전력 품질
이 측정 그룹은 라인 주파수에 대해 최적화되어 있으며 일반적으로 전원 공급기의 AC 라인 입력에서 수행됩니다. 전력량과 입력의 왜곡 레벨을 빠르게 파악할 수 있도록 합니다.
측정 항목은 다음과 같습니다.
RMS 전압 및 전류
주파수
유휴, 피상 및 무효 전력
전력 계수
THD 및 파고율

전력 품질 측정 항목은 정보를 여러 형식으로 제공합니다. 수치 결과(오른쪽 상단), 표(상단) 및 순간 전원 파형과 에너지 도표(하단)
고조파
입력을 위한 비선형 장치(예: 정류기)를 포함하는 모든 전원 공급기는 AC 라인에 대한 비선형 부하를 나타냅니다. 과도한 고조파 에너지는 완화되지 않을 경우 파워라인에 연결된 다른 장비의 작동에 영향을 미치고, 전력 전달 비용을 높일 수 있습니다. 이로 인해 라인 전력 장치에서 생성되는 고조파를 제어하는 표준이 작성되었습니다.
고급 파워 측정 및 분석에는 공식적인 컴플라이언스 테스트에 투자하기 전에 사전 컴플라이언스 테스트를 수행하는 데 도움을 주기 위해 IEC61000-3-2, AM 14 및 MIL- STD-1399 표준에 대한 테스트 제한이 포함되어 있습니다. 이를 통해 최대 100개의 고조파를 그래픽 및 표 형식으로 나타내고, 목록을 쉽게 탐색하면서 개별 고조파에 대한 세부 사항을 확인할 수 있습니다.

고조파 막대그래프, 고조파 결과 표 및 결과 막대(상단 오른쪽)를 통한 이동 기능
스위칭 구성 요소 분석
파워 서플라이의 에너지 손실에 대한 정확한 측정 및 평가는 더 높은 전력 변환 효율성 및 더 높은 안정성을 위해 점점 더 중요해지고 있습니다.
스위칭 손실 측정 항목
파워 서플라이의 거의 모든 구성 요소는 에너지 손실을 야기하므로, SMPS(스위치 모드 파워 서플라이)에서 나타나는 에너지 손실의 상당 부분이 스위칭 트랜지스터가 비활성화(Toff) 상태에서 활성화(Ton) 상태로 전환되거나 그 반대로 전환될 때(비활성화 손실) 발생합니다. 5-PWR은 스위칭 장치의 전압 강하와 스위칭 장치로 흐르는 전류를 측정하여 각 사이클에 대한 스위칭 손실 측정 매개 변수를 자동으로 계산합니다.
최근까지, 반 브리지의 상위 부분에서 스위칭 측정을 수행하는 것은 거의 불가능했습니다. 전류 분류기의 상위 VDS및 전압을 포함하는 스위칭 노드에 상대적인 모든 측정에서는 차동 신호에 악영향을 미치는 상당한 커먼 모드 전압 신호로 인해 왜곡이 발생했습니다. 이 문제는 스위칭 주파수가 늘어나고 새로운 설계의 최적화가 반드시 필요하게 되므로 GaN 및 SiC 트랜지스터와 같이 밴드 간격이 넓은 장치에서 더 악화됩니다.
5 시리즈 MSO는 IsoVu 광학 격리 프로브를 사용하도록 설계되었으므로 설계자는 높은 커먼 모드 신호가 있더라도 정확한 스위칭 측정을 수행할 수 있습니다.

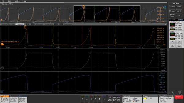
스위칭 손실은 FET에서 전력 손실을 나타냅니다. 파형은 결과 배지의 값에 해당하는 Ton, Toff 및 전체 사이클의 측정 영역을 나타내는 컬러 코딩(color-coded) 마커로 표시됩니다. 결과 배지의 컨트롤을 사용하여 사이클 간을 쉽게 이동할 수 있습니다.
스위칭 손실 측정에는 활성 전력 계수 보정 단계에 대한 안정적이고 반복 가능한 측정을 생성하기 위한 특수한 설정과 플라이백 변환기가 포함되어 있습니다.
캡처한 모든 사이클에 대한 스위칭 손실을 대략적으로 파악하려면 궤도 도표를 사용할 수 있습니다. 활성화 및 비활성화 동안 스위치 전체의 전압 대비 스위치를 통과하는 전류를 자동으로 도표화 하므로 모든 사이클의 스위칭 손실 범위를 한눈에 판단할 수 있습니다.
스위칭 손실 궤도 도표(상단 창)에는 모든 스위칭 사이클의 Ton 손실 및 Toff 손실이 단일 도표로 표시됩니다.
안전 동작 영역
SOA(안전 동작 영역) 도표는 스위칭 장치를 평가하여 최대 사양을 초과하지 않는지 확인하는 그래픽 기술입니다. SOA 테스트를 사용하여 부하 편차, 온도 변화 및 입력 전압 편차를 비롯한 다양한 작동 조건에서 성능을 검증할 수 있습니다. SOA 도표에 마스크 테스트를 사용해서 검증을 자동화할 수도 있습니다.
마스크를 포함하는 SOA(안전 동작 영역) 도표는 스위칭 장치가 변화하는 작동 조건에서 SOA 엔벨로프를 유지하는지 확인하는 데 도움이 됩니다.
RDS(on)
이 측정은 장치가 켜져 있고 전류를 전도하는 경우 전도 사이클 중에 스위칭 장치의 저항을 특성화합니다. 동적 활성 저항은 장치가 켜져 있을 때 장치를 통해 흐르는 전류에 대한 장치의 전압 비율입니다.
RDS(on) 측정
자기 분석
다음 측정 지원:
- 인덕턴스
- BH 곡선을 포함한 자기 속성
- 자기 손실
- I 대 ʃV
자기 구성 요소는 모든 파워 서플라이 시스템에서 중요한 부분입니다. 인덕터 및 변류기는 스위치 모드 및 선형 라인 파워 서플라이에서 모두 에너지 저장 장치로 사용됩니다. 일부 파워 서플라이는 또한 출력 단계에서 필터에 인덕터를 사용합니다. 이러한 파워 서플라이는 시스템에서 중요한 역할을 하므로 자기 구성 요소를 특성화하여 파워 서플라이의 안정성 및 전반적인 효율성을 확인해야 합니다.
인덕턴스
인덕터는 증가하는 임피던스를 주파수 증가로 나타내며, 낮은 주파수보다 높은 주파수를 방해하는 방향으로 작용합니다. 이 동작은 인덕턴스로 알려져 있으며 헨리 단위로 측정됩니다. 인덕턴스는 고급 파워 측정 및 분석 소프트웨어를 사용하여 자동으로 측정할 수 있습니다.
자기 손실
자기 파워 손실에 대한 분석은 스위칭 파워 서플라이의 효율성, 안정성 및 성능을 정확하게 특성화하는 데 필수적입니다. 고급 파워 측정 및 분석 소프트웨어는 다음 그림과 같이 총 유도 자기 파워 손실을 측정합니다.
B-H 도표
자기 물질의 속성은 자속 밀도(B), 자기장 밀도 강도(H) 및 자기 물질 투과도(μ)로 설명됩니다. B-H 도표는 일반적으로 스위칭 서플라이의 자기 요소에 대한 채도(또는 부족)를 확인하고 핵심 물질의 단위 볼륨에서 사이클당 에너지 부족 측정을 제공하는 데 사용됩니다. 고급 파워 측정 및 분석 소프트웨어는 다음 그림과 같이 자기 요소의 전압, 자기 요소를 통해 흐르는 전류를 측정하고 도표 B 대 H를 작성합니다. 이러한 소프트웨어를 사용하면 변압기의 여러 2차 권선을 동시에 테스트할 수 있습니다. 따라서 빠른 검증/테스트 시간이 보장되어 제품 출시 시간을 단축할 수 있습니다.
I 대 ∫V 도표
I 대 ∫V 도표는 전압 및 전류에 비례하는 B 및 H 값에 대한 정보를 제공합니다. 이는 다음 그림과 같이 X-Y 도표 형식에서 전압 및 전류 파형의 통합입니다.
B-H 곡선, I 대 ʃV 및 인덕턴스 도표를 사용한 자기 분석 측정
출력 분석
DC 출력 파워 서플라이의 궁극적 목표는 입력 전원을 하나 이상의 DC 출력 전압으로 변환하는 것입니다. 스위칭 파워 서플라이의 가장 중요한 출력 측정은 라인 리플 및 스위칭 리플입니다.
라인 및 스위칭 리플
파워 서플라이의 DC 출력 품질은 최소 AC 노이즈 및 리플로 깨끗하게 유지됩니다. 고급 파워 측정 및 분석 소프트웨어는 리플을 측정해서 원인을 파악하는 데 도움을 줍니다. 라인 리플 측정은 입력 라인 주파수와 관련된 AC 신호량을 나타냅니다(입력이 정류되므로 라인 리플은 일반적으로 AC 라인 주파수의 2배가 됨). 스위칭 리플은 스위칭 주파수와 관련된 AC 신호량을 측정합니다.

리플 분석은 더 높은 주파수 스위칭 노이즈에서 더 낮은 주파수 라인 리플을 구분하는 데 도움이 됩니다.
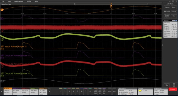
효율성
장치 또는 제품 효율성은 경쟁이 치열한 오늘날의 환경에서 중요한 차별화 요소입니다. 고급 파워 측정 및 분석 소프트웨어를 사용하면 제품의 전력 변환 효율(AC-DC, AC-AC, DC-DC, DC-AC)을 쉽게 측정할 수 있습니다. 고급 파워 측정 및 분석 소프트웨어에는 표준 디자인의 여러 출력 전원 제품이 갖춰져 있어 디자이너가 이러한 제품을 한 번에 테스트할 수 있습니다. 그래서 빠른 테스트 및 검증 시간을 보장하므로 시장 요구에 더욱 빠르게 대처할 수 있습니다.
효율성 측정

효율성 측정 구성을 통해 차세대 멀티 출력 전력 변환 장치(AC-DC, AC-AC, DC-DC 및 DC-AC)를 테스트할 수 있습니다.
스마트 프로브는 정확한 결과 제공
노이즈를 줄이고 프로빙 오류를 없애는 것이 전력 시스템 측정의 정확도를 높이는 최선의 방법입니다. 5 시리즈 MSO 및 고급 파워 측정 및 분석 소프트웨어는 다양한 측정 요구를 해결하는 데 도움이 되는 광범위한 프로브를 지원하며, 프로빙 문제를 최소화하도록 설계된 몇 가지 기능을 포함합니다.
시스템은 프로브 및 스코프 간 통신을 지원하는 TekVPI 인터페이스를 통해 전압 및 전류 프로브를 사용합니다. 이를 통해 프로브는 스케일 설정을 오실로스코프에 자동으로 전달할 수 있습니다. 적절한 프로브에서 스코프 전면 패널에서의 범위를 제어할 수 있으며, 프로브는 부분적으로 열린 집게와 같은 오류 상태 또는 현재 프로브에 대한 디가우스 요구를 전달할 수 있습니다.
스위칭 손실과 같은 타이밍이 중요한 측정을 위해, 분석 소프트웨어는 전압 또는 전류 프로브를 질의하고, 공칭 지연 값을 사용하여 타이밍 스큐를 제거하며, 정확하고 반복 가능한 결과를 얻기 위해 전압 및 전류 파형을 동기화할 수 있습니다.
이 시스템은 IsoVu 격리 측정 시스템과 호환됩니다. 이러한 디퍼런셜 프로빙 시스템은 완전한 광학 격리, 최대 1GHz의 대역폭, 상당히 높은 커먼 모드 제거를 제공하므로 전력 시스템의 VGS, VDS또는 VSHUNT측정에 이상적입니다. GaN 또는 SiC 트랜지스터와 같이 밴드 간격이 넓은 스위칭 장치를 사용하는 설계를 최적화하려는 경우 IsoVu 프로브가 가장 적합합니다.
자동 보고서 생성
데이터 수집, 보관 및 문서화는 지루한 작업일 수 있지만, 설계 및 개발 프로세스에서 매우 중요합니다. 5-PWR 분석 소프트웨어에는 통신 및 레코드 보관을 용이하게 하는 자동 보고서 발생기가 포함되어 있습니다. 버튼 몇 개만 누르면 모든 활성 측정을 보여주는 보고서가 발생됩니다. 도표를 추가하거나 추가 테스트를 첨부하여 보고서를 사용자 정의합니다. 보고서는 편집 가능한 .mht 파일이나 .pdf 파일로 제공됩니다. 아래에는 샘플 보고서가 표시됩니다.







사양
- 입력 분석
- EN61000-3-2, EN61000-3-2 AM14 및 MIL-STD-1399(400Hz) 표준에 대한 유효 전력, 피상 전력, 전력 계수, 무효 전력, 파고율, 위상 각도, THD, 고조파, 사전 컴플라이언스 테스트
- 진폭 측정 기능
- 사이클 진폭, 사이클 탑, 사이클 베이스, 사이클 최소, 사이클 최대 및 사이클 피크-피크
- 타이밍 분석
- 펄스 폭, 듀티 사이클, 기간 및 주파수 변형 대비 시간
- 스위칭 분석
- 스위칭 손실, 활성화(Ton), 비활성화(Toff), 전도 손실(cond), SOA(안전 동작 영역), 마스크 테스트, di/dt, dv/dt 및 RDS(on)를 포함하는 SOA
- 자기 분석
- 인덕턴스, 자기 속성, 자기 손실 및 I 대 ∫V
- 출력 분석
- 리플(라인 주파수, 스위칭 주파수) 및 효율성
- 도표
- 시간 추이, 궤도 도표, 히스토그램, 막대그래프, B-H 곡선, 인덕턴스 도표 및 I 대 ∫V 도표.
- 보고서
- MHT 및 PDF 형식, CSV 형식으로 데이터 내보내기
- 디가우스/지연시간 보정(정적)
- 프로브 자동 검색, 자동 제로. 각 채널의 메뉴에서 프로브의 지연시간 보정을 수행할 수 있습니다
- 소스 지원
- 라이브 아날로그 신호, 레퍼런스 파형 및 연산 파형
주문 정보
모델
| 제품 | 옵션 | 지원되는 장비 |
|---|---|---|
| 새 장비 주문 옵션 | 5-PWR, 5-PS2 | 5 시리즈 MSO 오실로스코프(MSO54, MSO56, MSO58, MSO58LP) |
| 제품 업그레이드 옵션 | SUP5-PWR | |
| 플로팅 라이센스 | SUP5-PWR-FL | 5 시리즈 MSO 오실로스코프(MSO54, MSO56, MSO58, MSO58LP) 플로팅 라이센스는 5 시리즈 오실로스코프에서 다른 5 시리즈 오실로스코프로 전환할 수 있으며, 한 번에 한 장비에만 사용할 수 있습니다. |
파워 분석에 대한 추가 정보는http://www.tek.com/application/power-supply-measurement-and-analysis에 있습니다.
권장 프로브 및 액세서리
| 액세서리 유형 | 권장 |
|---|---|
| AC/DC 전류 프로브 | TCP0020, TCP0030A, TCP0150 |
| AC 전류 프로브 | TRCP0300, TRCP0600, TRCP3000 |
| 중전압 디퍼런셜 프로브 | TDP0500, TDP1000 |
| 고전압 디퍼런셜 프로브 | THDP0200, THDP0100, TMDP0200 |
| IsoVu 격리 디퍼런셜 프로브 | TIVM1/L, TIVH08/L, TIVH05/L, TIVH02/L |
| 고전압 패시브 프로브 | P5100A, P6015A |
| 지연시간 보정 펄스 발생기 | TEK-DPG |
| 파워 솔루션 번들 | 5-PS2 |
| 지연시간 보정 고정기 | 067-1686-xx |
파워 솔루션 번들
| 5 시리즈 MSO PS 번들 옵션 | 설명 |
|---|---|
| 5-PS2 | 5-PWR, TCP0030A, THDP0200, 067-1686-xx 지연시간 보정 고정기 |
완전한 파워 프로빙 포트폴리오
옵션 5-PWR 전력을 포함하는 다음 프로브 목록을 사용하여 5 시리즈 MSO 오실로스코프의 전력 측정 기능에 대한 완전한 솔루션을 보장합니다.
| 프로브 유형 | 설명 | |
|---|---|---|
| 고전압 디퍼런셜 프로브 | THDP0100/THDP0200/TMDP0200 고전압 디퍼런셜 프로브는 미접지 기준 플로팅 측정을 위한 최고의 옵션입니다. 이러한 프로브는 최대 200MHz의 대역폭과 최대 6,000V의 전압 범위를 제공합니다. | ![]() |
| P5200A/P5202A/P5205A/P5210A 고전압 디퍼런셜 프로브는 지면에 있지 않은 레퍼런셜 플로팅 또는 격리된 측정을 위한 최고의 옵션입니다. 이러한 프로브는 최대 100MHz의 대역폭과 최대 5,600V의 전압 범위를 제공합니다. | ![]() | |
| 광학 격리 디퍼런셜 프로브 | TIVM1, TIVH08, TIVH05 및 TIVH02 광학 격리 디퍼런셜 프로브는 고대역폭, 차동 신호를 정확히 해석하기 위한 최고의 옵션으로, 밴드 간격이 넓은 디자인을 테스트하는 데 이상적입니다. 프로브는 3m 및 10m 길이로 사용할 수 있습니다. TIVM1은 1GHz 대역폭을 제공하며, 일반 모드 전압이 최대 60kV일 때 최대 ±50Vpk의 차동 신호를 측정할 수 있습니다. TIVH08, TIVH05 및 TIVH02는 각각 800MHz, 500MHz 및 200MHz를 제공하며, 일반 모드 전압이 최대 60kV일 때 최대 ±2,500Vpk의 차동 신호를 측정할 수 있습니다. | ![]() |
| 전류 프로브 | 텍트로닉스는 최대 120MHz의 대역폭과 최소 1mA의 동급 최고 전류 클램프 감도를 제공하는 AC/DC 전류 프로브를 포함하는 광범위한 전류 프로브 포트폴리오를 제공합니다. | ![]() |
| AC 전용 로고스키 프로브에는 TRCP300(9Hz~30MHz, 250mA~300A 피크), TRCP600(12Hz~30MHz, 500mA~600A 피크), TRCP3000(1Hz~16MHz, 500mA~3000A 피크)이 포함됩니다. | ![]() | |
| 중전압 디퍼런셜 프로브 | TDP0500/TDP1000 중전압 디퍼런셜 프로브는 지면에 있지 않은 레퍼런셜 플로팅 또는 격리된 측정을 위한 최고의 옵션입니다. 이러한 프로브는 최대 1GHz의 대역폭과 최대 ±42V(DC + pk AC)의 전압 범위를 제공합니다. | ![]() |
각 오실로스코프에 대해 호환되는 전체 프로브 목록을 보려면http://www.tek.com/probes에서 권장되는 프로브 모델 및 필요한 프로브 어댑터에 대한 구체적인 정보를 참조하세요.









