お問い合わせ
ダウンロード
マニュアル、データシート、ソフトウェアなどのダウンロード:
フィードバック
シリアル・トリガ/解析
3シリーズMDO、4/5/6シリーズMSOアプリケーション・データ・シート
詳細情報
- 製品サポート
- 4シリーズB MSOミックスド・シグナル・オシロスコープ
- 5シリーズMSOロー・プロファイル
- 5シリーズ B MSO
- 6シリーズ B MSO
- 3シリーズMDOミックスド・ドメイン・オシロスコープ
- 6シリーズ・ロー・プロファイル・デジタイザ
- その他の ソフトウェア 情報を見る
オンラインで読む:

シリアル・バスでは、1つの信号にアドレス、コントロール、データ、クロック情報が含まれているため、イベントの分離は難しくなっています。オプションのシリアル・アプリケーションを使用すれば、I2C、SPI、eSPI、CAN、CAN FD、CAN XL、LIN、FlexRay、100BASE-T1、SENT、RS-232/422/485、UART、USB 2.0、USB 3.0、USB 3.1 Gen 1、USB 3.2 Gen 1、Ethernet、I3C、SPMI、Spacewire、8b10b、NFC、NRZ、MIL-STD-1553、ARINC 429、I2S、LJ、RJ、PCIe Gen 1/Gen 2、PSI5、CPHY、CXPI、DPHY、SMBus、1-WIRE、EtherCAT、TDM の自動デコード/解析が可能になり、オシロスコープはシリアル・バスをデバッグするための強力なツールになります。
主な特長
I2C、SPI、eSPI、I3C1、CAN、CAN FD、CAN XL、LIN、FlexRay、1SENT、RS-232/422/485、UART、USB 2.0、USB 3.0、USB 3.1 Gen 1、USB 3.2 Gen 1、Ethernet1、SPMI1、MIL-STD-1553、ARINC429、I2S、LJ、RJ、PSI5、PCIe Gen 1/Gen 2、DPHY、CXPI、SMBus、1-WIRE、EtherCATおよびTDMの自動シリアル・デコード/解析オプション
- アドレス、データなど、シリアル・バスの測定に不可欠なすべての要素にトリガ可能
- 各メッセージの重要な要素すべてをデコード。1、0を数える必要なし
- 検索条件を定義することで、長いメモリ長からでも特定のメッセージを検索可能。
- デコードされたシリアル・バス動作をタイムスタンプ付のフォーマットでイベント・テーブルに表示できるため、システム動作をすばやく把握できる
シリアル・トリガ/解析アプリケーション
シリアル・アプリケーションは、I2C、SPI、CAN、CAN FD、CAN XL、LIN、FlexRay、100BASE-T1、SENT、RS-232/422/485、UART、USB 2.0、USB 3.0、USB 3.1 Gen 1、USB 3.2 Gen 1、Ethernet、I3C、SPMI、Spacewire、8b10b、NRZ、MIL-STD-1553、ARINC 429、I2S、LJ、RJ、PSI5、SMBus、EtherCAT、TDM バスの自動トリガ/デコード機能を提供しており、目的のイベントを効率的に検出、解析、デバッグできます。
シリアル・トリガ
I2C、SPI、CAN、CAN FD、CAN XL、LIN、FlexRay、SENT、RS-232/422/485、UART、USB 2.0、USB 3.0、USB 3.1 Gen 1、USB 3.2 Gen 1、Ethernet、I3C、SPMI、MIL-STD-1553、ARINC 429、I2S、LJ、RJ、PCIe Gen 1/Gen 2、PSI5、TDM などのシリアル・バスにおいて、パケットの開始、特定のアドレス、特定のデータ内容、ユニーク識別子などのパケット内容にトリガすることができます。
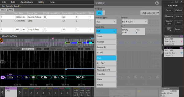
バス表示
バス表示により、バスを構成するClock、Data、Chip Enableなどの個々の信号に沿ってわかりやすく表示でき、パケットの開始と終了、アドレス、データ、エラーなどのサブパケット・コンポーネントを簡単に識別できる
バス・デコード
波形からクロック数を数えて各ビットが1か0かを判定したり、各ビットをまとめてHex表示したりすることも面倒な作業です。
ご使用のオシロスコープにシリアル・アプリケーションを装備すれば、作業が非常に楽になります。バスの各パケットを自動的にデコードし、Hex、バイナリ、ASCII、または10進(特定のバスのみ)で表示することができます。
測定結果表
デコードされたパケット・データがバス波形上で見えるだけでなく、取込んだすべてのパケットを、ロジック・アナライザのようにリスト形式で見ることができます。パケットにはタイムスタンプが付き、アドレス、データなど、コンポーネントごとにカラムとして連続にリスト表示される
Wave Inspector®によるサーチ
シリアル・トリガは特定のイベントを検出するのに非常に便利な機能ですが、取込んだ後、そのイベントの周辺のデータまでは解析できません。
従来は波形をマニュアルでスクロールし、ビットを数え変換して、イベントの原因を探しました。シリアル・アプリケーションをインストールすると、シリアル・パケットの内容を定義すれば、取込んだ後でも自動的にデータを検索することができます。検出されたイベントには検索マークが付きます。オシロスコープ前面パネルや検索バッジの矢印((←)ボタンや(→))ボタンを押すだけで、各マーク間をすばやく移動することができます。3シリーズMDOでは、検索バッジの矢印を使用して移動します。
I2Cの特性
| 特性 | 概要 |
|---|---|
I2Cのソース (クロックとデータ) | アナログ・チャンネル デジタル・チャンネル アクティブな演算チャンネル1 アクティブなリファレンス・チャンネル1 |
| スレッショルド | チャンネルごとのスレッショルド設定 |
| 推奨プローブ | シングルエンド |
| アドレスのリード/ライトを含む | YesまたはNo |
| 利用可能なアドレス/データ・フォーマット | Hex(16進) バイナリ(2進) |
| 特性 | 概要 |
|---|---|
| バス | バスのみ |
| バスと波形 | バス波形とデジタル波形の同時表示 |
| 測定結果表 | デコードされたパケット・データを表形式で表示 |
| 特性 | 概要 |
|---|---|
| トリガ/サーチ条件 | 開始 繰り返し開始 停止 Ackなし アドレス(7または10ビット) データ(1~5バイト) アドレスとデータ |
| 特性 | 概要 |
|---|---|
| 最大クロック/データ・レート | 最高10Mbps(自動選択) |
| デコード表示 | スタート(緑のバー) アドレス(黄色のパケット) データ(シアンのパケット) Ackなし(赤のボックスの中に"!"マーク) ストップ(赤のバー) |


SPIの特性
| 特性 | 概要 |
|---|---|
| SPIのソース (クロック、データ、スレーブ・セレクト) | アナログ・チャンネル デジタル・チャンネル アクティブな演算チャンネル1 アクティブなリファレンス・チャンネル1 |
| スレッショルド | チャンネルごとのスレッショルド設定 |
| 推奨プローブ | シングルエンド |
| デコード設定: フレーム クロック スレーブ・セレクト データ ワード・サイズ ビット順序 | スレーブ・セレクト(3線SPI)、アイドル時間(2線SPI) 立上りまたは立下りエッジ アクティブ・ハイまたはアクティブ・ロー アクティブ・ハイまたはアクティブ・ロー 4~32ビット 最上位ビット(MSB)から、最下位ビット(LSB)から |
| 利用可能なフォーマット | Hex(16進) バイナリ(2進) |
| 特性 | 概要 |
|---|---|
| バス | バスのみ |
| バスと波形 | バス波形とデジタル波形の同時表示 |
| 測定結果表 | デコードされたパケット・データを表形式で表示 |
| 特性 | 概要 |
|---|---|
| トリガ/サーチ条件 | SSアクティブ( 3線SPI) フレームの開始(2線SPI) データ(1~16バイト) |
| 特性 | 概要 |
|---|---|
| 最大クロック/データ・レート | 最高10Mbps(自動選択) |
| デコード表示 | スタート(緑のバー) データ(シアンのパケット) ストップ(赤のバー) |


I3C-Characteristics1
| 特性 | 概要 |
|---|---|
I3Cのソース (クロックとデータ) | アナログ・チャンネル デジタル・チャンネル アクティブな演算チャンネル アクティブなリファレンス・チャンネル |
スレッショルド | チャンネルごとのスレッショルド設定 |
速度 | ハイスピード(480Mbps) フルスピード(12Mbps) ロースピード(1.5Mbps) |
推奨プローブ | シングルエンド |
利用可能なフォーマット | Hex(16進) バイナリ(2進) ミックスドHex |
| バージョン | 1.0 1.1 |
| 特性 | 概要 |
|---|---|
バス | バスのみ |
バスと波形 | バス波形とデジタル波形の同時表示 |
測定結果表 | デコードされたパケット・データを表形式で表示 |
| 特性 | 概要 |
|---|---|
検索対象 | 開始 繰り返し開始 アドレス データ I3C SDRダイレクト・メッセージ I3C SDRブロードキャスト・メッセージ I3C DDRメッセージ エラー Hot-Join ダイレクト・メッセージ終了 停止 HDR再開 HDR終了 |
| 特性 | 概要 |
|---|---|
| 最大クロック/データ・レート | 最高12.5Mbps(自動選択) |
| デコード表示 | スタート(緑のバー) アドレス(黄色のパケット) コマンド(シアンのパケット) データ(シアンのパケット) パリティ(紫のパケット) ストップ(赤のバー) |




I3C (トリガ) 特性
| 特性 | 概要 |
|---|---|
| I3Cのソース |
|
| トリガ |
|


RS-232/RS-422/RS-485/UARTの特性
| 特性 | 概要 |
|---|---|
| ソース(RS-232、UART) | アナログ・チャンネル デジタル・チャンネル アクティブな演算チャンネル1 アクティブなリファレンス・チャンネル1 |
| ソース(RS-422、RS-485) | アナログ・チャンネル アクティブな演算チャンネル1 アクティブなリファレンス・チャンネル1 |
| 極性 | ノーマル(RS-232) 反転(UART、RS-422、RS-485) |
| パリティ | なし 奇数 偶数 |
| 推奨プローブ(RS-232、UART) | シングルエンド |
| 推奨プローブ(RS-422、RS-485) | 差動 |
| ビット数 | 7~9 |
| 利用可能なフォーマット | Hex(16進) バイナリ(2進) ASCII パケット表示 |
| データ入力 | 1、2 |
| ビット順序 | MSB、LSB |
| 特性 | 概要 |
|---|---|
| バス | バスのみ |
| バスと波形 | バス波形とデジタル波形の同時表示 |
| 測定結果表 | デコードされたパケット・データを表形式で表示 |
| 特性 | 概要 |
|---|---|
| トリガ/サーチ条件 | 開始 パケットの終了 データ(1~10バイト) パリティ・エラー |
| 特性 | 概要 |
|---|---|
| 最大クロック/データ・レート | 最高15Mbps 3シリーズMDO:最高10Mbps |
| ビット・レートの選択 | 300 b/s 1,200 b/s 2,400 b/s 9,600 b/s 19,200 b/s 38,400 b/s 115,200 b/s 921,600 b/s カスタム(3シリーズMDO以外、50 b/s - 15 Mb/s) カスタム(3シリーズMDO)50 b/s - 10 Mb/s |
| デコード表示 | 開始(緑のパケット) データ(シアンのパケット) パリティ(紫のパケット) パリティ・エラー(赤のパケット) |


CAN の特性 (バージョン 2.0)
| 特性 | 概要 |
|---|---|
| CAN_H、CAN_L、Rx、またはTx(シングルエンド・プロービング)のソース | アナログ・チャンネル デジタル・チャンネル アクティブな演算チャンネル1 アクティブなリファレンス・チャンネル1 |
| Diff (差動プロービング) のソース | アナログ・チャンネル アクティブな演算チャンネル1 アクティブなリファレンス・チャンネル1 |
| スレッショルド | チャンネルごとのスレッショルド設定 |
| 推奨プローブ: CAN_H、CAN_L、Rx、Tx Diff | シングルエンド 差動 |
| ビット・レートの選択: あらかじめリストされているレート カスタム | 10kbps~1Mbps 全機種(3シリーズMDOを除く):1kbps~1Mbps 3シリーズMDO:10kbps~1Mbps |
| サンプル・ポイント | 全機種(3シリーズMDOを除く):UIのビット周期の0%~100% 3シリーズMDO:UIのビット周期の5%~95% |
| 利用可能なフォーマット | ミックスドHex Hex(16進) バイナリ(2進) シンボル(.dbc)1 |
| 特性 | 概要 |
|---|---|
バス | バスのみ |
バスと波形 | バス波形とデジタル波形の同時表示 |
測定結果表 | デコードされたパケット・データを表形式で表示 |
| 特性 | 概要 |
|---|---|
トリガ/サーチ条件 | フレームの開始 フレームの種類(データ、リモート、エラー、オーバーロード) 識別子(標準または拡張) データ(バイト数:1~8、トリガ/サーチ条件:=、≠、<、≤、>、≥) 識別子とデータ EOF Ackなし ビット・スタッフィング・エラー |
| 特性 | 概要 |
|---|---|
メッセージ | .dbcファイルで定義1 |
メッセージと信号 | .dbcファイルで定義1 |
| 特性 | 概要 |
|---|---|
| 最大クロック/データ・レート | 最高1Mbps(自動選択) |
| デコード表示 | フレームの開始(緑のバー) 識別子(黄色のパケット) データ長コントロール(紫のパケット) データ(シアンのパケット) CRC(紫のパケット) フレームの終了(赤のバー) エラー(赤のパケット) |


CAN XL特性
| 特性 | 概要 | ||
|---|---|---|---|
| CAN_H、CAN_L、Rx、またはTxのソース (シングルエンド・プロービング) | アナログ・チャンネル デジタル・チャンネル アクティブな演算チャンネル アクティブなリファレンス・チャンネル | ||
| Diffのソース (差動プロービング) | アナログ・チャンネル アクティブな演算チャンネル アクティブなリファレンス・チャンネル | ||
| スレッショルド | チャンネルごとのスレッショルド設定 | ||
| 推奨プローブ: | |||
| CAN_H、CAN_L、Rx、Tx 差動 | シングルエンド 差動 | ||
| 通常ビット・レートの選択: | |||
| あらかじめリストされているレート カスタム | 10kbps~1Mbps 50kbps~1Mbps | ||
| XLビット・レートの選択: | |||
| あらかじめリストされているレート カスタム | 1Mbps~20Mbps 500kbps~20Mbps | ||
| サンプル・ポイント | ビット周期またはユニット・インターバルの55~95% | ||
| 利用可能なフォーマット | ミックスドHex Hex(16進) バイナリ(2進) |
| 特性 | 概要 |
|---|---|
| トリガ | フレームの開始 エラー終了 |
| 検索対象 | フレームの開始 フレームタイプ(XLデータ・フレーム) 優先度識別子 データ(1バイト) XLビット(受容フィールド、バーチャルCANネットワークID、SDUタイプ、シンプル拡張コンテンツ、スタッフ・ビット・カウント、調停からデータのシーケンス、データから調停のシーケンス) ADSタイプ(調停からデータのハイ・ビット、データ・ハイ・ビット1、データ・ハイ・ビット2、データ・ロー・ビット) DASタイプ(DAH、アクティブ・ハイ1、アクティブ・ハイ2、アクティブ・ロー1) フレームの終了 エラー(Ackなし、XLフォーム・エラー、CRC、すべてのエラー) CRCタイプ(PCRC、FCRC) |
| 特性 | 概要 |
|---|---|
| デコード表示 | フレームの開始(緑のバー) 優先度識別子(シアンのパケット) リモート・リクエスト代替(シアンのパケット) FDフォーマット・インジケータ(シアンのパケット) XLフォーマット・インジケータ(シアンのパケット) 予約ビットXLフォーマット(シアンのパケット) XLビット(シアンのパケット) データ長コントロール(紫のパケット) PCRC(紫のパケット) データ(シアンのパケット) FCRC(紫のパケット) FCP(紫のパケット) Ack(シアンのパケット) Ackデリミッタ(シアンのパケット) フレームの終了(濃いピンクのパケット) エラー(赤のパケット) |
| 検索対象 | フレームの開始 フレームタイプ(XLデータ・フレーム) 優先度識別子 データ(1バイト) XLビット(受容フィールド、バーチャルCANネットワークID、SDUタイプ、シンプル拡張コンテンツ、スタッフ・ビット・カウント、調停からデータのシーケンス、データから調停のシーケンス) ADSタイプ(調停からデータのハイ・ビット、データ・ハイ・ビット1、データ・ハイ・ビット2、データ・ロー・ビット) DASタイプ(DAH、アクティブ・ハイ1、アクティブ・ハイ2、アクティブ・ロー1) フレームの終了 エラー(Ackなし、XLフォーム・エラー、CRC、すべてのエラー) CRCタイプ(PCRC、FCRC) |


CAN FD(ISOおよび非ISO)の特性
| 特性 | 説明 |
|---|---|
| CAN_H、CAN_L、Rx、またはTx (シングルエンド・プロービング)のソース | アナログ・チャンネル デジタル・チャンネル アクティブな演算チャンネル 1 アクティブなリファレンス・チャンネル 1 |
| Diff (差動プロービング) のソース | アナログ・チャンネル アクティブな演算チャンネル 1 アクティブなリファレンス・チャンネル 1 |
| スレッショルド | チャンネルごとのスレッショルド設定 |
| 推奨プローブ: CAN_H、CAN_L、Rx、またはTx Diff | シングルエンド/ 差動クロック |
| バージョン | ISO non-ISO |
| SDビット・レートの選択: あらかじめリストされているレート カスタム | 10kbps~1Mbps 全機種(3シリーズMDOを除く):50kbps~10Mbps 3シリーズMDO:10kbps~1Mbps |
FDビット・レートの選択: あらかじめリストされているレート カスタム | 全機種(3シリーズMDOを除く):1Mbps~16Mbps 3シリーズMDO:1Mbps~7Mbps 全機種(3シリーズMDOを除く):500kbps~16Mbps 3シリーズMDO:500kbps~7Mbps |
サンプル・ポイント | 全機種(3シリーズMDOを除く):UIのビット周期の55%~95% 3シリーズMDO:UIのビット周期の15%~95% |
利用可能なフォーマット | ミックスドHex Hex バイナリ(2進) シンボリック(.dbc)1 |
| 特性 | 概要 |
|---|---|
| バス | バスのみ |
| バスと波形 | バス波形とデジタル波形の同時表示 |
| 測定結果表 | デコードされたパケット・データを表形式で表示 |
| 特性 | 概要 |
|---|---|
トリガ/サーチ条件 | フレームの開始 フレームの種類(データ、リモート、エラー、オーバロード) FDビット(ビット・レート・スイッチ・ビット、エラー・ステート・インジケータ・ビット) 識別子(標準または拡張) データ(バイト数:1~8、トリガ/サーチ条件:=、≠、<,>、≤、≥) 識別子とデータ フレームの終了 エラー(Ackなし、ビット・スタッフ・エラー、FDフォーム・エラー、すべてのエラー) |
| 特性 | 概要 |
|---|---|
| メッセージ | .dbcファイルで定義1 |
| メッセージと信号 | .dbcファイルで定義1 |
| 特性 | 概要 |
|---|---|
| デコード表示 | フレームの開始(緑のバー) 識別子(黄色のパケット) データ長コントロール(紫のパケット) データ(シアンのパケット) CRC(紫のパケット) フレームの終了(赤のバー) エラー(赤のパケット) |


LIN の特性 (バージョン 2.0)
| 特性 | 概要 |
|---|---|
| LINのソース | アナログ・チャンネル デジタル・チャンネル アクティブな演算チャンネル1 アクティブなリファレンス・チャンネル1 |
| スレッショルド | チャンネルごとのスレッショルド設定 |
| 推奨プローブ | シングルエンド |
| 極性 | ノーマル 反転 |
| ビット・レートの選択: あらかじめリストされているレート カスタム | 1.2kbps~19.2kbps 全機種(3シリーズMDOを除く):1kbps~100kbps 3シリーズMDO:800bps~100kbps |
| サンプル・ポイント | 全機種(3シリーズMDOを除く):UIのビット周期の0%~100% 3シリーズMDO:UIのビット周期の10%~90% |
| LIN規格 | V 1.x V 2.x 両方 |
| パリティ・ビットとIDを含む | ○ × |
| 利用可能なフォーマット | Hex(16進) バイナリ(2進) ミックス |
| 特性 | 概要 |
|---|---|
| バス | バスのみ |
| バスと波形 | バス波形とデジタル波形の同時表示 |
| 測定結果表 | デコードされたパケット・データを表形式で表示 |
| 特性 | 概要 |
|---|---|
| トリガ/サーチ条件 | シンク 識別子 データ(バイト数:1~8、トリガ/サーチ条件:=、≠、<、≤、>、≥、範囲内、範囲外) IDとデータ ウェイクアップ・フレーム スリープ・フレーム エラー(シンク、IDパリティ、チェックサム) |
| 特性 | 概要 |
|---|---|
| 最大クロック/データ・レート | 最大100kbps、最大20kbpsのLIN設定(自動バス・デコードの場合) |
| デコード表示 | フレームの開始(緑のバー) シンク 識別子(黄色のパケット) データ(シアンのパケット) CRC(紫のパケット) エラー(赤のパケット) |


FlexRay の特性 (バージョン 2.0)
| 特性 | 概要 |
|---|---|
| 差動プロービングのソース(Bdiff) | アナログ・チャンネル アクティブな演算チャンネル 1 アクティブなリファレンス・チャンネル 1 |
| シングルエンド・プロービングのソース(BP、BM) | アナログ・チャンネル デジタル・チャンネル アクティブな演算チャンネル1 アクティブなリファレンス・チャンネル1 |
| シングルエンド・プロービングのソース(Tx、Rx) | アナログ・チャンネル デジタル・チャンネル アクティブな演算チャンネル1 アクティブなリファレンス・チャンネル1 |
| スレッショルド: Bdiff BP、BM(アナログ・チャンネル) BP、BM(デジタル・チャンネル) Tx、Rx | ハイ、ローのスレッショルド ハイ、ローのスレッショルド シングルエンドのスレッショルド シングルエンドのスレッショルド |
| 推奨プローブ: Bdiff、BP、BM Tx、Rx | 差動 シングルエンド |
| チャンネル・タイプ | A B |
| ビット・レートの選択: あらかじめリストされているレート カスタム | 2.5Mbps、5Mbps、10Mbps 1Mbps~10Mbps |
| 利用可能なフォーマット | Hex(16進) バイナリ(2進) ミックスドHex(10進:ID、Len、およびカウント; Hex:データとCRC) |
| 特性 | 概要 |
|---|---|
| バス | バスのみ |
| バスと波形 | バス波形とデジタル波形の同時表示 |
| 測定結果表 | デコードされたパケット・データを表形式で表示 |
| 特性 | 概要 |
|---|---|
| トリガ/サーチ条件 | フレームの開始 インジケータ・ビット(ノーマル、ペイロード、ヌル、同期、スタートアップ) サイクル・カウント(=、≠、<、≦、>、≧) ヘッダ・フィールド(インジケータ・ビット、識別子、ペイロード長、ヘッダCRC、サイクル・カウント) 識別子(=、≠、<、>、≦、≧) データ(=、≠、<、>、≦、≧) 識別子とデータ フレームの終了(スタティック、ダイナミック) エラー(ヘッダCRC、トレーラCRC、ヌル・フレーム(ダイナミック)、開始フレームの同期はずれ) |
| 特性 | 概要 |
|---|---|
| 最大クロック/データ・レート | 最高10Mbps(バスの自動デコードの場合) |
| デコード表示 | TTS(紫のボックス) 開始(緑のブラケット) フレーム識別子(黄色のボックス) ペイロード長(紫のボックス) ヘッダ(紫のボックス) サイクル・カウント(黄色のボックス) データ(シアンのボックス) CRC、DTS、CID(紫のボックス) 終了(赤のブラケット) |


SENTの特性1
| 特性 | 概要 |
|---|---|
| SENTソース | アナログ・チャンネル デジタル・チャンネル アクティブな演算チャンネル アクティブなリファレンス・チャンネル |
| スレッショルド | チャンネルごとのスレッショルド設定 |
| 推奨プローブ | シングルエンド |
| 極性 | ノーマル 反転 |
| クロックTick | 1μs~300μs |
| Tickの許容範囲 | 1%~30% |
| 高速データ・チャンネル | 1または2 |
| データ・ニブル (高速データ・チャンネル1) | 3、4、または6ニブル |
| チャンネル幅(C1/C2) (高速データ・チャンネル2) | 12/12、14/10、または16/8ビット |
| ポーズ・パルス | ○ × |
| 低速チャンネル | なし 拡張(4ビットID) 拡張(8ビットID) ショート |
| 利用可能なフォーマット | ミックスドHex バイナリ(2進) Hex(16進) ミックスド10進 |
| 特性 | 概要 |
|---|---|
| バス | バスのみ |
| バスと波形 | バス波形とデジタル波形の同時表示 |
| 測定結果表 | デコードされたパケット・データを表形式で表示 |
| 特性 | 概要 |
|---|---|
| トリガ・オン | パケットの開始 Fast Channel(ステータス/通信、データ) Slow Channel(メッセージID、データ) CRCエラー(Fast Channel、Slow Channel) |
| 特性 | 概要 |
|---|---|
| 検索対象 | パケットの開始 Fast Channel(ステータス/通信、データ) Slow Channel(メッセージID、データ) ポーズ・パルス(Tickの数) エラー(フレーム長、Fast Channel CRC、Slow Channel CRC) |
| 特性 | 概要 |
|---|---|
| 最大クロック/データ・レート | 最高10Mbps(バスの自動デコードの場合) |
| デコード表示 | シンク(緑のパケット) Fast Channelのステータス(紫のパケット) Slow ChannelのメッセージID(黄色のパケット) データ(シアンのパケット) CRC(紫のパケット) ポーズ(紫のパケット) エラー(赤のパケット) |


MIL-STD-1553の特性
| 特性 | 概要 |
|---|---|
| MIL-STD-1553のソース | アナログ・チャンネル アクティブな演算チャンネル アクティブなリファレンス・チャンネル |
| 極性 | ノーマル 反転 |
| スレッショルド | シングルエンド:チャンネルごとに設定可能 差動:ハイ、ローのスレッショルド |
| 推奨プローブ | シングルエンドまたは差動 |
| ビット・レート | 規格につき1Mbps |
| 応答時間 | 2µs~100µs |
| 利用可能なフォーマット | ミックスドHex ミックスドASCII Hex(16進) バイナリ(2進) |
| 特性 | 概要 |
|---|---|
| バス | バスのみ |
| 測定結果表 | デコードされたパケット・データを表形式で表示 |
| 特性 | 概要 |
|---|---|
| トリガ/サーチ条件 | シンク コマンド(送受信ビット、パリティ、サブアドレス/モード、ワード・カウント/モード・カウント、RTアドレス(=、≠、<、≦、>、≧、範囲内、範囲外)) ステータス(パリティ、 ビット9 - メッセージ・エラー、 ビット10 - インストゥルメンテーション、 ビット11 - サービス・リクエスト、 ビット15 - ブロードキャスト・コマンド・レシーブ、 ビット16 - ビジー、 ビット17 - サブシステム・フラグ、 ビット18 - ダイナミック・バス・コントロール・アクセプタンス(DBCA)、 ビット19 - ターミナル・フラグ、 およびデータ(=、≠、<、≦、>、≧、 範囲内、範囲外)) データ(パリティ、およびデータ(=、≠、<、≦、>、≧、 範囲内、範囲外)) 時間(RT/IMG)(最長以上、最短以下、範囲内、範囲外) エラー(パリティ・エラー、シンク・エラー、マンチェスター・エラ(トリガのみ)、非連続データ) |
| 特性 | 概要 |
|---|---|
| 最大クロック/データ・レート | 最高1Mbps(バスの自動デコードの場合) |
| デコード表示 | スタート(緑のバー) シンク(紫のパケット、ワード・タイプの識別) アドレス(黄色のパケット) R/T(紫のパケット) ワード・カウント(紫のパケット) データ(シアンのパケット) パリティ(紫のパケット) エラー(赤のパケット) ストップ(赤のバー) |


ARINC 429 の特徴 (ARINC 仕様 429 パート 1-17)
| 特性 | 概要 |
|---|---|
| ARINC 429のソース | アナログ・チャンネル アクティブな演算チャンネル アクティブなリファレンス・チャンネル |
| 信号の種類 | 差動 |
| 極性 | ノーマル 反転 |
| スレッショルド | ハイ、ローのスレッショルド |
| 推奨プローブ | 差動 |
ビット・レートの選択: あらかじめリストされているレート カスタム | 12.5kbps、100kbps 10kbps~1Mbps |
| データ・フォーマット | データ (19ビット) SDI+データ (21ビット) SDI+データ+SSM (23ビット) |
| 利用可能なフォーマット | ミックスドHex Hex(16進) バイナリ(2進) |
| 特性 | 概要 |
|---|---|
| バス | バスのみ |
| 測定結果表 | デコードされたパケット・データを表形式で表示 |
| 特性 | 概要 |
|---|---|
| トリガ/サーチ条件 | ワード開始 ラベル(=、≠、<、≦、>、≧、範囲内、範囲外) データ(=、≠、<、≦、>、≧、範囲内、範囲外) ラベル/データ(ラベル値/データの条件:=、≠、<、≦、>、≧、範囲内、範囲外) ワード終了 エラー(任意のエラー、パリティ・エラー、ワード・エラー、ギャップ・エラー) |
| 特性 | 概要 |
|---|---|
| デコード表示 | 開始(緑のブラケット) ラベル(黄色のボックス) 送信元/送信先識別子(黄色のボックス) データ(シアンのボックス) SSM(Sign/Status Matrix)(紫のボックス) パリティ(紫のボックス) 終了(赤のブラケット) エラー(赤のボックス) |


オーディオ特性
| 特性 | 概要 |
|---|---|
オーディオ・ソース(ビット・クロック、ワード・セレクト、データ) | アナログ・チャンネル デジタル・チャンネル アクティブな演算チャンネル1 アクティブなリファレンス・チャンネル1 |
スレッショルド | チャンネルごとのスレッショルド設定 |
ビット・クロックの極性 | 立上りエッジ 立下りエッジ |
ワード・セレクトの極性 | ノーマル 反転 |
データの極性 | アクティブ・ハイ アクティブ・ロー |
ワード・サイズ | 4~32ビット |
利用可能なフォーマット | Hex(16進) バイナリ(2進) 符号付き10進 |
| 特性 | 概要 |
|---|---|
バス | バスのみ |
バスと波形 | バス波形とデジタル波形の同時表示 |
測定結果表 | デコードされたパケット・データを表形式で表示 |
| 特性 | 概要 |
|---|---|
トリガ/サーチ条件 | ワード・セレクト(I2S、LJ、RJのみ) フレーム・シンク(TDMのみ) データ(=、≠、<、>、≦、≧、範囲内、範囲外、左/右ワードまたはいずれかのワード) |
| 特性 | 概要 |
|---|---|
最大クロック/データ・レート | 全機種(3シリーズMDOを除く):最高10Mbps(バスの自動デコードの場合) 3シリーズMDO:最高12.5Mbps(I2S/LJ/RJバスの自動デコードの場合) 3シリーズMDO:最高25Mbps(TDMバスの自動デコードの場合) |
デコード表示 | 左側のチャンネル・データ(I2S、LJ、RJ)(黄色のボックス) 右側のチャンネル・データ(I2S、LJ、RJ)(シアンのボックス) チャンネル1のデータ(TDM)(黄色のボックス) チャンネル2~Nのデータ(TDM)(シアンのボックス) |


USB 2.0 の特性 (バージョン 2.0)
| 特性 | 概要 |
|---|---|
| USB 2.0のソース | アナログ・チャンネル デジタル・チャンネル (シングルエンド) アクティブな演算チャンネル アクティブなリファレンス・チャンネル |
| スレッショルド | チャンネルごとのスレッショルド設定 |
| 速度 | USB 1.0 (1.5 Mbps) USB 1.1 (12 Mbps) USB 2.0 (480 Mbps) |
| 推奨プローブ: | |
| USB 1.0 および USB 1.1 USB 2.0 | シングルエンド 差動 |
| USB 1.0、USB 1.1、および USB 2.0 で使用可能なフォーマット | ミックスド Hex Hex バイナリ ミックスド ASCII |
| 特性 | 概要 |
|---|---|
| バス | バスのみ |
| バスと波形 | バス波形とデジタル波形の同時表示 |
| 測定結果表 | デコードされたパケット・データを表形式で表示 |
| 特性 | 概要 |
|---|---|
| トリガ | 同期 リセット 一時停止 再開 パケット終了 トークン(アドレス)パケット データ・パケット ハンドシェイク・パケット:ACK、NAK、STALL、NYET(USB 2.0のみ) スペシャル・パケット:PRE(USB 1.1のみ)、ERR、スプリット、PING、予約 エラー:PIDチェック、CRC5またはCRC16、ビット・スタッフィング(USB 1.0およびUSB 1.1のみ) |
| 特性 | 概要 |
|---|---|
| 検索対象 | 同期 リセット 一時停止 再開 パケット終了 トークン(アドレス)パケット データ・パケット ハンドシェイク・パケット:ACK、NAK、STALL、NYET(USB 2.0のみ) スペシャル・パケット:PRE(USB 1.1のみ)、ERR、スプリット、PING、予約 エラー:PIDチェック、CRC5またはCRC16、ビット・スタッフィング(USB 1.0およびUSB 1.1のみ) |
| 特性 | 概要 |
|---|---|
| デコード表示 | パケットの開始(緑のバー) 同期(緑色のパケット) PID(黄色のパケット) トークン(アドレス)(黄色のパケット) データ(シアンのパケット) CRC(紫色のパケット) エラー(赤色のパケット) パケットの終了(赤のバー) |


USB 特性 (バージョン.3.0、3.1 Gen 1、3.2 Gen 1)
| 特性 | 説明 |
|---|---|
| USBソース | アナログ・チャンネル デジタル・チャンネル アクティブな演算チャンネル アクティブなリファレンス・チャンネル |
| スレッショルド | チャンネルごとのスレッショルド設定 |
| 速度 | USB 1.0 (1.5 Mbps) USB 1.1 (12 Mbps) USB 2.0 (480 Mbps) USB 3.0 (5 Gbps) USB 3.1 Gen 1 (5 Gbps) USB 3.2 Gen 1 (5 Gbps) |
| 推奨プローブ: | |
| USB 1.0、USB 1.1、USB 3.0、USB 3.1 Gen 1、およびUSB 3.2 Gen 1 | シングルエンド |
| USB 2.0、USB 3.0、USB 3.1 Gen 1、および USB 3.2 Gen 1 | 差動 |
| 利用可能なフォーマット: | |
| USB 1.0、USB 1.1、USB 2.0 | Hex(16進) バイナリ(2進) ミックスドHex ミックスドASCII |
| USB 3.0、USB 3.1 Gen 1、および USB 3.2 Gen 1 | Hex(16進) バイナリ(2進) ミックスドHex |
| USB 3.0、USB 3.1 Gen 1、および USB 3.2 Gen 1のパケット表示 | On(オン) Off(オフ) |
| 特性 | 概要 |
|---|---|
| バス | バスのみ |
| 測定結果表 | デコードされたパケット・データを表形式で表示 |
| 特性 | 概要 |
|---|---|
| 検索対象 | パケット表示オンのみ
パケット表示オフのみ
コントロール・キャラクタ: COM、EDB、END、EPF、SDP、SHP、SKP、SLC、SUB、任意 |




Ethernetの特性1
| 特性 | 概要 |
|---|---|
Ethernetのソース | アナログ・チャンネル アクティブな演算チャンネル アクティブなリファレンス・チャンネル |
スレッショルド | チャンネルごとのスレッショルド設定 |
速度 | 10BASE-T 100BASE-TX |
推奨プローブ | 差動 |
利用可能なフォーマット | ミックスドHex Hex(16進) バイナリ(2進) ミックスドASCII |
| 特性 | 概要 |
|---|---|
バス | バスのみ |
バスと波形 | バス波形とデジタル波形の同時表示 |
測定結果表 | デコードされたパケット・データを表形式で表示 |
| 特性 | 概要 |
|---|---|
トリガ | SFD(Start Frame Delimiter) MACアドレス Qタグ・コントロール情報 MAC長/タイプ IPV4ヘッダ TCPヘッダ MACデータ TCP/IPv4クライアント・データ アイドル パケットの終了 フレーム・チェック・シーケンス(CRC)エラー |
| 特性 | 概要 |
|---|---|
検索対象 | SFD(Start Frame Delimiter) MACアドレス Qタグ・コントロール情報 MAC長/タイプ IPV4ヘッダ TCPヘッダ MACデータ TCP/IPv4クライアント・データ アイドル パケットの終了 フレーム・チェック・シーケンス(CRC)エラー |
| 特性 | 概要 |
|---|---|
デコード表示 | パケットの開始(緑のバー) プリアンブル(紫のパケット) SFD(紫のパケット) アドレス(黄色のパケット) タイプ(黄色のパケット) IPパケット(紫のパケット) データ(シアンのパケット) IPv4パケット(ピンクのパケット) TCPパケット(白のパケット) フレーム・チェック・シーケンス(黄色のパケット) エラー(赤のパケット) パケットの終了(赤のバー) |


SPMI の特性1(バージョン 2.0)
| 特性 | 概要 |
|---|---|
SPMIのソース(クロックとデータ) | アナログ・チャンネル デジタル・チャンネル アクティブな演算チャンネル アクティブなリファレンス・チャンネル |
スレッショルド | チャンネルごとのスレッショルド設定 |
推奨プローブ | シングルエンド |
利用可能なフォーマット | ミックスドHex Hex(16進) バイナリ(2進) |
| 特性 | 概要 |
|---|---|
バス | バスのみ |
バスと波形 | バス波形とデジタル波形の同時表示 |
測定結果表 | デコードされたパケット・データを表形式で表示 |
| 特性 | 概要 |
|---|---|
トリガ・オン | シーケンス開始条件(SSC) リセット スリープ シャットダウン ウェイクアップ 認証 マスタ・リード マスタ・ライト レジスタ・リード レジスタ・ライト 拡張レジスタ・リード 拡張レジスタ・ライト 拡張レジスタ・リード・ロング 拡張レジスタ・ライト・ロング デバイス・ディスクリプタ・ブロック・マスタ・リード デバイス・ディスクリプタ・ブロック・スレーブ・リード レジスタ0ライト バス所有権の転送 パリティ・エラー |
| 特性 | 概要 |
|---|---|
検索対象 | シーケンス開始条件(SSC) リセット スリープ シャットダウン ウェイクアップ 認証 マスタ・リード マスタ・ライト レジスタ・リード レジスタ・ライト 拡張レジスタ・リード 拡張レジスタ・ライト 拡張レジスタ・リード・ロング 拡張レジスタ・ライト・ロング デバイス・ディスクリプタ・ブロック・マスタ・リード デバイス・ディスクリプタ・ブロック・スレーブ・リード レジスタ0ライト バス所有権の転送 パリティ・エラー |
| 特性 | 概要 |
|---|---|
デコード表示 | 調停開始(黄色のバー) コネクト・ビット(紫のパケット) マスタID(紫のパケット) アラート・ビット(黄色のパケット) スレーブ・リクエスト・ビット(黄色のパケット) マスタ・プライオリティ・レベル(灰色のパケット) SSC(緑のバー) コマンド・フレーム、バイト・カウントを含む2(黄色のパケット) アドレス(黄色のパケット) データ(シアンのパケット) パリティ(紫のパケット) Ack/Nack(紫のパケット) パリティ・エラー(赤のパケット) パケットの終了(赤のバー) |


SpaceWireの特性
| 特性 | 概要 |
|---|---|
SpaceWireのソース (ストローブとデータ) | アナログ・チャンネル デジタル・チャンネル アクティブな演算チャンネル アクティブなリファレンス・チャンネル |
スレッショルド | チャンネルごとに設定可能 |
推奨プローブ | 差動 |
利用可能なアドレス/データ・フォーマット | Hex(16進) バイナリ(2進) |
| 特性 | 概要 |
|---|---|
バス | バスのみ |
バスと波形 | バス波形とデジタル波形の同時表示 |
測定結果表 | デコードされたパケット・データを表形式で表示 |
| 特性 | 概要 |
|---|---|
検索対象 | 同期 コントロール・コード コントロール文字 データ エラー |
| 特性 | 概要 |
|---|---|
最大クロック/データ・レート | 2Mbps~200Mbps |
デコード表示 | なし コントロール文字 コントロール・コード FCT タイムコード パリティ データコントロール・フラグ データ パケットの終了 パケットの終了エラー シングル・シーケンス エスケープ・エラー 開始FCT 開始NULL |


車載用 Ethernet (100BASE-T1) の特性 (バージョン BRR V3.2)
| 特性 | 概要 |
|---|---|
Ethernetのソース | アナログ・チャンネル アクティブな演算チャンネル アクティブなリファレンス・チャンネル |
スレッショルド | チャンネルごとに設定可能 |
速度 | 100Mbps |
推奨プローブ | 差動 |
利用可能なフォーマット | ミックスドHex Hex(16進) バイナリ(2進) ミックスドASCII |
| 特性 | 概要 |
|---|---|
バス | バスのみ |
測定結果表 | デコードされたパケット・データを表形式で表示 |
| 特性 | 概要 |
|---|---|
検索対象 | フレームの開始 SFD(Start Frame Delimiter) MACアドレス Qタグ・コントロール情報 MAC長/タイプ IPV4ヘッダ TCPヘッダ MACデータ TCP/IPv4クライアント・データ パケットの終了 フレーム・チェック・シーケンス(CRC)エラー |
| 特性 | 概要 |
|---|---|
最大クロック/データ・レート | 100Mbps |
デコード表示 | パケットの開始(緑のバー) プリアンブル(紫のパケット) SFD(紫のパケット) アドレス(黄色のパケット) タイプ(黄色のパケット) IPパケット(紫のパケット) データ(シアンのパケット) IPv4パケット(ピンクのパケット) TCPパケット(白のパケット) フレーム・チェック・シーケンス(黄色のパケット) エラー(赤のパケット) パケットの終了(赤のバー) |


8B10B の特性 (ライン・エンコーディング)
| 特性 | 概要 |
|---|---|
8B/10Bのソース (ストローブとデータ) | アナログ・チャンネル デジタル・チャンネル アクティブな演算チャンネル アクティブなリファレンス・チャンネル |
スレッショルド | チャンネルごとに設定可能 |
推奨プローブ | 差動 |
利用可能なフォーマット | Hex(16進) バイナリ(2進) シンボル |
| 特性 | 概要 |
|---|---|
バス | バスのみ |
バスと波形 | バス波形とデジタル波形の同時表示 |
測定結果表 | デコードされたパケット・データを表形式で表示 |
| 特性 | 概要 |
|---|---|
検索対象 | シンボル(フォーマット:8ビット、10ビットおよびシンボル) エラー |
| 特性 | 概要 |
|---|---|
最大クロック/データ・レート | 1Tbps |
デコード表示 | コントロール・シンボル(黄色のパケット) データ・シンボル(シアンのパケット) |
エラー処理 | 無効なシンボル ランニング・ディスパリティ(6ビットと4ビット) |


NFCの特性
| 特性 | 説明 |
|---|---|
| NFCソース |
|
| 主な機能 |
|
| 製品の差別化要因 |
|
| 推奨プローブ |
|
| バスのセットアップ | ![]() ![]() ![]() ![]() |
| 利用可能なフォーマット |
|
| 特性 | 概要 |
|---|---|
| バス | バスのみ |
| 測定結果表 | デコードされたパケット・データを表形式で表示(以下の列を含む):
|



バス・デコード
| 特性 | 説明 |
|---|---|
| 最大データ・レート | NFCタイプBコマンドの最大データ・レートは1.7 Mbpsです。 |
| 測定結果表 |
|
|
バス・サーチ
| 特性 | 説明 |
|---|---|
| サーチON |
|


NRZ 特性 (ライン・エンコーディング)
| 特性 | 概要 |
|---|---|
NRZのソース | アナログ・チャンネル デジタル・チャンネル アクティブな演算チャンネル アクティブなリファレンス・チャンネル |
スレッショルド | チャンネルごとに設定可能 |
推奨プローブ | 差動 |
ビット順序 | MSBファースト LSBファースト |
極性 | ノーマル 反転 |
利用可能なフォーマット | Hex(16進) バイナリ(2進) |
| 特性 | 概要 |
|---|---|
バス | バスのみ |
バスと波形 | バス波形とデジタル波形の同時表示 |
測定結果表 | デコードされたパケット・データを表形式で表示 |
| 特性 | 概要 |
|---|---|
検索対象 | データ・バイト(最大5) |
| 特性 | 概要 |
|---|---|
最大クロック/データ・レート | 1Gbps |
デコード表示 | データ(シアンのパケット) |


PCIe性能(Gen 1、Gen 2)
| 特性 | 説明 |
|---|---|
| PCIeソース | アナログ・チャンネル デジタル・チャンネル アクティブな演算チャンネル アクティブなリファレンス・チャンネル |
| スレッショルド | チャンネルごとのスレッショルド設定 |
| 速度 | 2.5 Gbps 5 Gbps |
| リンク幅 | X1 |
| パケット表示(Packet View) | On(オン) Off(オフ) |
| 利用可能なフォーマット | Hex(16進) バイナリ(2進) ミックスドHex |
| 特性 | 概要 |
|---|---|
| バス | バス バスと波形 |
| 測定結果表 | デコードされたパケット・データを表形式で表示 |
| 特性 | 概要 |
|---|---|
| 検索対象 |
|




PSI5 の特性 (バージョン 2.1)


| 特性 | 概要 | |
|---|---|---|
PSI5のソース | アナログ・チャンネル デジタル・チャンネル アクティブな演算チャンネル アクティブなリファレンス・チャンネル | |
スレッショルド | チャンネルごとのスレッショルド設定 | |
推奨プローブ | センサ-ECU | 電流プローブ(最小定格電流50mA未満)- TCP2020型、TCP202A型 |
ECU-センサ | 差動電圧プローブ - TDP1000型、TDP1500型、TAP1500型 | |
方向 | ECU-センサ センサ-ECU | |
| 方向 - センサ→ECU | Mode(モード) | 低速(83.3kbps) 標準(125kbps) 高速(189kbps) |
データA | 10~24ビット | |
データB | 0~12ビット | |
フレーム・コントロール | 0~4ビット | |
ステータス | 0~3ビット | |
| 方向 - ECU→センサ | シンク・ビット周期 | 1μs~300s |
シンク・モード | パルス幅 トゥース・ギャップ | |
データ・フォーマット | ニブル バイト | |
デコード・フォーマット | Hex(16進) バイナリ(2進) ミックスドHex | |
| 特性 | 概要 |
|---|---|
バス | バスのみ |
バスと波形 | バス波形とデジタル波形の同時表示 |
測定結果表 | デコードされたパケット・データを表形式で表示 |
| 特性 | 概要 | |
|---|---|---|
マーク対象 | 方向 - センサ→ECU | 開始(パケットの開始) ステータス データ(領域Bと領域A) ブロックID センサ・ステータス(5種類のステータス) エラー(パリティCRCおよび任意) |
方向 - ECU→センサ | 開始(パケットの開始) ステータス データ(4ビットまたは8ビット) ファンクション・コード センサ・アドレス レジスタ・アドレス CRCエラー | |
| 特性 | 概要 | |
|---|---|---|
| デコード表示 | 方向 - センサ→ECUのパケット | メッセージ・フィールド(黄色のフィールド) ステータス(黄色のフィールド) フレーム・コントロール(黄色のフィールド) データB(シアンのフィールド) データA(シアンのフィールド) パリティまたはCRC(紫のフィールド) |
| 方向 - ECU→センサのパケット | センサ・アドレス(黄色のフィールド) ファンクション・コード(黄色のフィールド) レジスタ・アドレス(黄色のフィールド) データ(シアンのフィールド) CRC(紫のフィールド) | |
エラー・タイプ | パリティ CRC 応答コード(センサ→ECU) | |


MDIOの特性
| 特性 | 概要 |
|---|---|
| MDIOのソース(クロック、データ) | アナログ・チャンネル デジタル・チャンネル アクティブな演算チャンネル アクティブなリファレンス・チャンネル |
| スレッショルド | チャンネルごとに設定可能 |
| 推奨プローブ | シングルエンド |
| 利用可能なフォーマット | Hex バイナリ ミックスドHex |

| 特性 | 概要 |
|---|---|
| 検索対象 | 開始パケット OpCode 物理アドレス レジスタ・アドレス データ エラー:任意、OpCodeエラー、デバイス・タイプ・エラー |

| 特性 | 概要 |
|---|---|
| バス | バスのみ |
| バスと波形 | バス波形とデジタル波形の同時表示 |
| 測定結果表 | デコードされたパケット・データを表形式で表示 |
| 特性 | 概要 |
|---|---|
| 最大クロック/データ・レート | 最高周波数(最高2.5MHz) |
| デコード表示 | 開始パケット(緑) 節(緑) OpCode(黄色) 物理アドレス(黄色) レジスタ・アドレス(黄色) デバイス・タイプ(黄色) データ/アドレス(シアン) エラー:すべてのOpCodeエラー、 デバイス・タイプ・エラー(赤) |

SVID 特性 (バージョン 1.9)
| 特性 | 概要 |
|---|---|
| SVIDのソース(クロック、データ、アラート) | アナログ・チャンネル デジタル・チャンネル アクティブな演算チャンネル アクティブなリファレンス・チャンネル |
| スレッショルド | チャンネルごとに設定可能 |
| 推奨プローブ | シングルエンド |
| 利用可能なフォーマット | Hex バイナリ ミックスドHex |

| 特性 | 概要 |
|---|---|
| 検索対象 | 開始 スレーブ・アドレス コマンド ペイロード:マスター、スレーブ、いずれかの エラー:すべて、Ackなし、パリティ 終了点 |

| 特性 | 概要 |
|---|---|
| バス | バスのみ |
| バスと波形 | バス波形とデジタル波形の同時表示 |
| 測定結果表 | デコードされたパケット・データを表形式で表示 |
| 特性 | 概要 |
|---|---|
| 最大クロック/データ・レート | 最高周波数(最高26.25MHz) |
| デコード表示 | 開始(緑) スレーブ・アドレス(黄色) コマンド(黄色) マスタ・ペイロード(シアン) マスタ・パリティ(紫) 終了(紫) ターンアラウンド(紫) Ack(紫) スレーブ・ペイロード(シアン) スレーブ・パリティ(紫) |

SVID(トリガ)特性
| 特性 | 説明 |
|---|---|
| SVIDのソース |
|
| トリガ・オン |
|

e-USB2 (バージョン 2.0)
| 特性 | 概要 |
|---|---|
| ソース | アナログ・チャンネル デジタル・チャンネル(シングルエンド) アクティブな演算チャンネル アクティブなリファレンス・チャンネル |
| スレッショルド | チャンネルごとに設定可能 |
| 速度 | ハイスピード(480Mbps) フルスピード(12Mbps) ロースピード(1.5Mbps) |
| 推奨プローブ(HS、LS、FS) | シングルエンド(TAP1500型シングルエンド・アクティブ) |
| 利用可能なフォーマット | ミックスドHex Hex(16進) バイナリ(2進) ミックスドASCII |

| 特性 | 概要 |
|---|---|
| 検索対象 | 特性の説明 シンクで検索 リセット スリープ・モード レジューム/ウェイク 接続 コントロール・メッセージ ポート・リセット ポート・コンフィグレーション デバイス・チャープ ホスト・チャープ パケットの終了 トークン(アドレス)パケット データ・パケット ハンドシェイク・パケット: ACK、NAK、STALL、NYET(HSのみ) スペシャル・パケット:PRE(FSのみ)、ERR、SPLIT、PING 予約 エラー:PIDチェック、CRC5またはCRC16、ビット・スタッフィング(LSとFSのみ) |

| 特性 | 概要 |
|---|---|
| デコード表示 | パケットの開始(緑のバー) シンク(緑のパケット) PID(黄色のパケット) トークン(アドレス)(黄色のパケット) データ(シアンのパケット) CRC(紫のパケット) エラー(赤のパケット) パケットの終了(赤のバー) コントロール・メッセージ(黄色のパケット) ゼロ(青のパケット) Ack(紫のパケット) ポート・リセット(赤のバー) ポート・コンフィグレーション(緑のバー) 接続(緑のバー) レジューム/ウェイク(緑のバー) デバイス・チャープ(緑のバー) ホスト・チャープ(緑のバー) リセットの終了(赤のバー) |
| 特性 | 概要 |
|---|---|
表形式の表示 *機種によって異なる | 10,000*ポイント以上 |
| 保存 | 測定結果表をCSVで保存 |
| セッション | プロトコル・セットアップ・セッションの保存 |
バスの同時測定 *機種によって異なる | 複数のバスを同時にロード* |
| 今後追加予定の機能 | プロトコルのタイミング測定 |
| 検索テーブル | 検索ヒット数をヒット間の経過時間とともに表示 |

マンチェスターの特性 (ライン・エンコード)
| 特性 | 概要 |
|---|---|
| マンチェスターのソース | アナログ・チャンネル デジタル・チャンネル(シングルエンド) アクティブな演算チャンネル アクティブなリファレンス・チャンネル |
| バス・セットアップ:許容度「0」のスレッショルド・アイドル・ビットの遷移 | ![]() |
| 推奨プローブ | 差動/シングルエンド |
| 利用可能なフォーマット | Hex(16進) バイナリ(2進) |
| パケット表示 | ![]() |
| 特性 | 概要 |
|---|---|
| 検索対象 | 特性の説明 シンクで検索 リセット スリープ・モード レジューム/ウェイク 接続 コントロール・メッセージ ポート・リセット ポート・コンフィグレーション デバイス・チャープ ホスト・チャープ パケットの終了 トークン(アドレス)パケット データ・パケット ハンドシェイク・パケット: ACK、NAK、STALL、NYET(HSのみ) スペシャル・パケット:PRE(FSのみ)、ERR、SPLIT、PING 予約 エラー:PIDチェック、CRC5またはCRC16、ビット・スタッフィング(LSとFSのみ) |
| 特性 | 概要 |
|---|---|
| バス | バスのみ |
| バスと波形 | バス波形とデジタル波形の同時表示 |
| 測定結果表 | デコードされたパケット・データを表形式で表示(以下の列を含む): シンク・パターン パケット・ヘッダ パケット・データ パケット・トレーラ エラー |
| 特性 | 概要 |
|---|---|
| 最大クロック/データ・レート | 1Gbps |
| デコード表示 | コントロール・フィールド(黄色のパケット) ペイロード・フィールド(シアンのパケット) |
| エラー処理 | パリティ マンチェスター |
| 検索対象 | パケット表示のオンのとき シンク・ビット ヘッダ データ トレーラ エラー パケット表示がオフのとき データ エラー |
| 特性 | 概要 | |
|---|---|---|
| 検索対象(パケット表示がオン) | シンク・ビット ヘッダ データ トレーラ エラー | ![]() |
| 検索対象(パケット表示がオフ) | データ エラー | ![]() |
| 特性 | 概要 |
|---|---|
| 表形式の表示 *機種によって異なる | 10,000*ポイント以上 |
| 保存 | 測定結果表をCSVで保存 |
| 測定結果表 | セッション |
| バスの同時測定 *機種によって異なる | 複数のバスを同時にロード* |
| 今後追加予定の機能 | プロトコルのタイミング測定 |
| 検索テーブル | 検索ヒット数をヒット間の経過時間とともに表示 |
DPHY (DSI2.0/CSI2.0) の特性 (バージョン 2.0)
| 特性 | 概要 |
|---|---|
| DPHYのソース | アナログ・チャンネル 演算チャンネル アクティブなリファレンス・チャンネル |
| 主な機能 | CSI/DSIプロトコルのデコード機能 エスケープ・モードのデコード機能 高速バースト・モードのデコード機能 8b9bライン・エンコーディング(LPDT/HSモード)のデコード機能 SoT/EoTの検索機能 ロング/ショート・パケットの検索機能 エスケープ・モードの検索機能 ECC、CRC、任意のエラーの検索機能 |
| バスのセットアップ | ![]() |
| 推奨プローブ | クロック – シングルエンド/差動クロック データ – シングルエンド シングル・エンド・プローブ:プローブ数:3(D+ and D-、デフォルト) 差動プローブ:プローブ数:サポートなし |
| 8b9bエンコーディング・モード encoding mode | LPDT/HSモードのライン・エンコーディングを選択 |
| 利用可能なフォーマット | Hex(16進) バイナリ(2進) ミックスドHex |
| 特性 | 概要 |
|---|---|
| バス | バスのみ |
| バスと波形 | バス波形とデジタル波形の同時表示 |
| 測定結果表 | デコードされたパケット・データを表形式で表示(以下の列を含む): モード データ・タイプ 仮想識別子 ECC データ CRC 終了 エラー |
| 特性 | 概要 |
|---|---|
| 最大クロック/データ・レート | 2.5 Gbps |
| デコード表示 | コントロール・フィールド(黄色) ECC/CRC(緑) ピクセル・フィールド(赤、緑、青、黄色) データ・シンボル(シアン) RAWフィールド(シアン) |
| エラー処理 | ECC CRC SOTシンク |
| 特性 | 概要 |
|---|---|
| 検索対象(CSI/DSI) | SoT – HSモードの各伝送のSoTを検索 EoT – HSモードの各伝送のEoTを検索 データ – データ検索(HS/LP) スクランブル – スクランブル・モード・コマンドを検索 圧縮 - 圧縮モード・コマンドを検索 **パケット – ショート/ロング・パケットを検索 エスケープ – エスケープ・モード(エントリ)を検索 停止 – エスケープ・モード(終了)を検索 エラー – CRC/ECCエラーを検索 **標準パケット名のリストから選択可能 |

| 特性 | 概要 |
|---|---|
表形式の表示 *機種によって異なる | 10,000*ポイント以上 |
| 保存 | 測定結果表をCSVで保存 |
| セッション | プロトコル・セットアップ・セッションの保存 |
バスの同時測定 *機種によって異なる | 複数のバスを同時にロード* |
| 今後追加予定の機能 | プロトコルのタイミング測定 |
| 検索テーブル | 検索ヒット数をヒット間の経過時間とともに表示 |
SDLC 特性 (バージョン GA27-3093-3)
| 特性 | 概要 |
|---|---|
| SDLCのソース | アナログ・チャンネル デジタル・チャンネル アクティブな演算チャンネル アクティブなリファレンス・チャンネル |
| スレッショルド | チャンネルごとに設定可能 |
| 推奨プローブ | 差動 |
| モジュロ | 8(8ビットのコントロール・ワード) 128(16ビットのコントロール・ワード) |
| エンコーディング | 不連続伝送(NRZ)、ゼロで反転(NRZI) |
| 利用可能なフォーマット | Hex(16進) バイナリ(2進) ミックスドHex |

| 特性 | 概要 |
|---|---|
| バス | バスのみ |
| 測定結果表 | デコードされたパケット・データを表形式で表示 |
| 特性 | 概要 |
|---|---|
| 最大クロック/データ・レート | 1Gbps |
| デコード表示 | 開始(緑の垂直ライン) アドレス(黄色のフィールド) フレーム・タイプ(黄色のフィールド) コード(黄色のフィールド) Ns(黄色のフィールド)(シーケンス番号送信) Nr(黄色のフィールド)(シーケンス番号受信) ポール/ファイナル(黄色のフィールド) データ(シアンのフィールド) FCS(紫のフィールド) 中止(赤の垂直ライン) |
| エラー処理 | FCS(フレーム・チェック・シーケンス・エラー) |
| 特性 | 概要 |
|---|---|
| 検索対象 | 開始(開始イベントの検索) データ(ペイロード・データの検索) 中止(中止の検索) アドレス ブロードキャスト(ブロードキャスト・パケット) ステーションなし(2次に該当しないパケット) ステーション(有効なステーション・アドレス) アンナンバード コマンド(プライマリ・コマンドの検索) 応答(2次応答の検索) 両方の情報(情報フレームの検索) スーパーバイザリ(異なるレシーバ・ステータスの検索) Frame Readyの受信 Frame Not Readyの受信 拒絶フレーム エラー FCS(フレーム・チェック・シーケンス・エラーの検索) 順序(番号)の乱れ(このフレームを検索) 停止 |



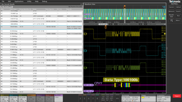
CPHY の特性 (バージョン 2.0)
| 特性 | 説明 |
|---|---|
| CPHYのソース | アナログ・チャンネル デジタル・チャンネル 演算チャンネル アクティブなリファレンス・チャンネル |
| 主な機能 | CSI/DSIプロトコルのデコード機能エスケープ・モードのデコード機能 高速バースト・モードのデコード機能 ワード/シンボル・モードのデコード機能。 シングル・エンドおよび差動モードでのデコード機能 SoT/EoTの検索機能 ロング/ショート・パケットの検索機能 エスケープ・モードの検索機能 CRC エラーの検索機能 CSI/DSI パケット検索のピクセル値とピクセル数の検索機能 |
| サブ・タイプ | CSI DSI ワード (16 ビットのデータ・ワード・デコード) シンボル (cphy データのシンボル・レベル・デコード) |
| Signal Type(信号の種類) | シングル・エンド:プローブ数:3 差動:プローブ数:5 HS の最小ビット・レートが 4 Mbps に設定されているため、ほとんどすべてのプローブが動作するはずです。ただし、一般的な CPHY HS 速度は約 1 GHz で、速度はお客様によって異なる場合があるため、プローブはエンド・ユーザーがテストする速度に基づいて行う必要があります。 |
| 利用可能なフォーマット | Hex(16進) バイナリ(2進) ミックスドHex |
| ビット・レート | 高速モードのデータ・レートを指定します |
| 特性 | 概要 |
|---|---|
| バス | バスのみ |
| 測定結果表 | デコードされたパケット・データを表形式で表示(以下の列を含む): モード・データ・タイプ 仮想識別子 PHCCRC データ CRC シンボル 終了 エラー |
| 特性 | 概要 |
|---|---|
| 最大クロック/データ・レート | 10 Gbps |
| デコード表示 | コントロール・フィールド (黄色) ECC/CRC (緑) ピクセル・フィールド (赤、緑、青、黄色) データ・シンボル (シアン) RAW フィールド (シアン) ワード/シンボル・デコード (シアン) |
| エラー処理 | PHCRC CRC SOT同期 |
| サブ・タイプ | CSI (CSI パケット・デコード) DSI (DSI パケット・デコード) ワード (16 ビット・ワード・デコード) シンボル・デコード |
| 特性 | 概要 |
|---|---|
検索対象(CSI/DSI) | SoT – HS モードの各伝送の SoT を検索 EoT – HS モードの各伝送の EoT を検索 データ – データ検索(HS/LP) スクランブル – スクランブル・モード・コマンドを検索 圧縮 - 圧縮モード・コマンドを検索 |
| 特性 | 説明 |
|---|---|
**パケット – ショート/ロング・パケットを検索 エスケープ – エスケープ・モード(エントリ)を検索 エラー – CRC/PHCRCエラーを検索 **標準パケット名のリストから選択可能 | |
| ワード/シンボル・デコード | それぞれワード/シンボルを検索します |


ONEWIRE の特性
| 特性 | 説明 |
|---|---|
| 1-WIREのソース | アナログ・チャンネル デジタル・チャンネル アクティブな演算チャンネル アクティブなリファレンス・チャンネル |
| 主な機能 | 1-WIRE プロトコルのデコード機能。 標準モードのデコード機能。 オーバドライブ・モードのデコード機能。 リセット、プレゼンス・イベントの検索機能 コマンド、データの検索機能 選択した標準モードまたはオーバドライブ・モードに基づく、読込み/一致/スキップ/検索 ROM/アラームなどの、さまざまな ROM パケットの検索機能。 CRC エラーの検索機能 |
| 利用可能なフォーマット | Hex(16進) バイナリ(2進) ミックスドHex |
| Mode(モード) | 動作モードを指定します – 標準 (15.4 kbit/s) またはオーバドライブ (125 kbit/s)。 |
| 推奨プローブ | シングル・エンド受動プローブ 差動受動プローブ |

| 特性 | 概要 |
|---|---|
| バス | バスのみ |
| 測定結果表 | デコードされたパケット・データを表形式で表示(以下の列を含む): 初期化 ROMコマンド ROMコード CRC Command(コマンド) データ エラー |
| 特性 | 概要 |
|---|---|
| デコード表示 | ROM コマンド/ROM コード/コマンド (黄色) CRC (紫) リセット/プレゼンス・イベント (緑) 終了イベント (赤) |
| エラー処理 | CRC |
| 特性 | 説明 |
|---|---|
1-WIREで検索 | リセット – リセット・イベントを検索します。リセットは、条件のデフォルトのトリガです。 プレゼンス – プレゼンス・イベントを検索します。 コマンド – コマンドを検索します。 データ – データを検索します。 リード ROM – リード ROM のファミリ・コードとシリアル番号を検索します。 マッチ ROM – マッチ ROM のファミリ・コードとシリアル番号を検索します。 オーバドライブ・マッチ ROM – マッチ ROM のファミリ・コードとシリアル番号を検索します。 スキップ ROM – スキップ ROM パケットを検索します。 オーバドライブ・スキップ ROM – オーバドライブ・スキップ ROM パケットを検索します。 サーチ ROM – ROM コードを検索します。 アラーム・サーチ – アラーム・パケットを検索します。 CRC エラーは、検索条件を CRC エラーと指定します。 |




CXPIの特性(バージョン:JASO D 015-3: 2014/J3076_201510)
| 特性 | 説明 |
|---|---|
| CXPI ソース(信号ソース) |
|
| 推奨プローブ | これは、電圧が 1.8 V ~ 3.3 V の低速プロトコルです
|
| 製品の差別化要因 | デコードされたバス上に IBS ビットを表示して、バイト間間隔を明確にします。 |
| 主な機能 | CXPI ソースには、信号デコードの劣性しきい値レベルがあります。つまり、TH (rec) は信号の 70% のピーク・ツー・ピークです。 送信ノードは通信バスにデータを送信し、データを UART フォーマットに変換した後、エンコード回路に送信します。 |
| 利用可能なフォーマット | Hex(16進) バイナリ(2進) ミックスドHex |
| ビット・レート | CXPIバス・デコードのデータ・レートを最大 20 kbs で指定します。 |
| 特性 | 概要 |
|---|---|
| バス | バスのみ |
| 測定結果表 | デコードされたパケット・データを表形式で表示(以下の列を含む):
|
| 測定結果表 |
|
| 特性 | 概要 |
|---|---|
| 最大クロック/データ・レート | 20 kbs |
| デコード表示 |
|
| エラー処理 |
|
| 特性 | 概要 |
|---|---|
| 検索対象 |
|


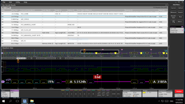
拡張シリアル・ペリフェラル・インターフェイス (eSPI) 特性 (バージョン 1.0)
| 特性 | 説明 |
|---|---|
| eSPI ソース |
|
| 主な機能 |
さらに、さまざまなチャンネル関連のコマンド・オペコードに基づくコマンド・フェーズ、およびヘッダあり/なしに基づく応答フェーズの検索機能。 どちらのフェーズでも、対応するサイクル・タイプに基づくサブフィールド検索がサポートされます。 位相に基づくエラー検索機能:CRC/サイクル・タイプ/コマンド・オペコード/延期/致命的/致命的でない/応答なし |
| 利用可能なフォーマット | Hex(16進) バイナリ(2進) ミックスドHex |
| I/Oモード | 操作のモードを指定します:
|
| アラート | オプションのアラート・チャンネル - デフォルトではオフ |
| 極性 | 入力ソースの極性を指定します |
| デコードに必要なチャンネル | 4+1 (クロック、チップ・セレクト、コマンド入力、応答入力 + アラート) |
| 推奨プローブ | これは、電圧が 1.8 V ~ 3.3 V の低速プロトコルです
|
| 差別化要因 |
|
| 特性 | 説明 |
|---|---|
| シングル・モード(デフォルト) | ![]() |
| デュアル・モード | ![]() |
| 特性 | 概要 |
|---|---|
| バス | バスのみ |
| 測定結果表 | デコードされたパケット・データを表形式で表示(以下の列を含む):
|
| 特性 | 概要 |
|---|---|
| デコード表示 | 開始(緑) コマンド OpCode、応答、仮想ワイヤ・カウント/グループ/インデックス、サイクル・タイプ、タグ、長さ、メッセージ・コード、SMBus スレーブ・アドレス/送信元アドレス/宛先アドレス/送信元スレーブ・アドレス/オペコード、バイト・カウント、MCTP、宛先ポイント、送信元ポイント、SOM、EOM、PEC、レイテンシ・スケール、メッセージタグ、TO、PktSeq、待機 (黄) データ、ダブルワード、仮想ワイヤ・データ (シアン) CRC (紫) 終了、応答エラー、フレームなし (赤) |
| エラー処理 | CRC、延期、致命的、致命的でない、応答なし、コマンド OpCode、サイクル・タイプ |
| 特性 | 説明 |
|---|---|
| eSPIで検索 | Start(スタート):パケット・デコードの開始イベントを検索できるようにします。 Channel Independent(チャンネル独立):チャンネル独立コマンドおよび応答パケットの検索を有効にします。 |
| eSPI で検索 | Peripheral Channel(ペリフェラル・チャンネル):さまざまなタイプのペリフェラル・チャンネル・コマンドおよび応答パケットの検索を有効にします。 OOB Channel(OOBチャンネル):さまざまな OOB チャンネル・コマンドおよび応答パケットでの検索を有効にします。 Virtual Wire Channel(仮想ワイヤー・チャンネル):さまざまな仮想ワイヤ・チャンネル・コマンドおよび応答パケットでの検索を有効にします。 Flash Access Channel(フラッシュ・アクセス・チャンネル):さまざまなフラッシュ・アクセス・チャンネル・コマンドおよび応答パケットでの検索を有効にします。 Wait(待機):TARウィンドウの後に表示される待機状態を検索できるようにします。 End(終了点):パケット・デコードが終了したときに、終了イベントを検索できるようにします。 Phase(位相):検索するコマンドと応答の間のフェーズのタイプを選択します。 Command(コマンド):マークで指定されたさまざまなチャンネルのコマンド・オペコードでの検索を有効にします。 Response(応答):応答フィールドを検索できるようにします。 Response With Header(ヘッダ付き応答):応答コードと応答修飾子で構成される RSP のオペコードを検索できるようにします。 Response Without Header(ヘッダなし応答):応答コードと応答修飾子で構成される RSP のオペコードを検索できるようにします。 Command Opcode(コマンド・オペコード):さまざまなチャンネルのコマンド・オペコードでの検索を有効にします。 Cycle Type(サイクル・タイプ):チャンネルごとにさまざまなサイクル・タイプに基づいて、コマンドとヘッダ付き応答の下での検索を有効にします。 Address(アドレス):サイクル・タイプに基づいて分類されたヘッダを使用して、さまざまなコマンドおよび応答に基づいて、さまざまなチャンネルのアドレス・フィールドでの検索を有効にします。 Tag(タグ):サイクル・タイプに基づいて分類されたヘッダを使用して、さまざまなコマンドおよび応答に基づいて、さまざまなチャンネルのタグ・フィールドで検索を有効にします。 |
| eSPIで検索 | Length(長さ):サイクル・タイプに基づいて分類されたヘッダを持つさまざまなコマンドおよび応答に基づいて、さまざまなチャンネルの長さフィールドで検索を有効にします。 SMBus Slave Address(SMBus スレーブ・アドレス):OOBチャンネルのSMBusスレーブ・アドレスでの検索を有効にします。 Virtual Wire Count(仮想ワイヤー・チャンネル):仮想ワイヤ・チャンネルのヘッダを使用して、仮想ワイヤ・カウントのコマンドおよび応答での検索を有効にします。 Virtual Wire Index(仮想ワイヤー・インデックス):仮想ワイヤ・チャンネルのヘッダを使用して、コマンドおよび応答の仮想ワイヤ・インデックスでの検索を有効にします。 Virtual Wire Data(仮想ワイヤー・データ):仮想ワイヤ・チャンネルのヘッダを使用して、仮想ワイヤ・データでコマンドおよび応答の検索を有効にします。 Data Bytes(データ・バイト):検索するデータのバイト数を設定します。 Data(データ):検索対象とするデータの値を設定します。コマンドと応答に基づいて検索します。 Status(ステータス):応答パケットのステータス・フィールドの検索を有効にします。 Error Type(エラー・タイプ):コマンドまたは応答フェーズに基づいて検索するエラー・タイプを設定します。 |
| マーク・オン、チャンネル独立 | ![]() |
| マーク・オン、チャンネル独立 |
|
| マーク・オン、チャンネル独立 |
ペリフェラル、OOB、仮想ワイヤ・チャンネル |
| マーク・オン、チャンネル独立 |
|




EtherCAT の特性
| 特性 | 説明 |
|---|---|
Ethernetのソース | アナログ・チャンネル デジタル・チャンネル アクティブな演算チャンネル アクティブなリファレンス・チャンネル |
| 主な機能 | シングル・エンド・モードと差動モードの両方での EtherCAT プロトコルのデコード機能 |
| バス設定 (シングルエンド) | ![]() |
| バス設定オプション | ![]() |
利用可能なフォーマット | Hex(16進) バイナリ(2進) ミックスドHex |
Signal Type(信号の種類) | シングル・エンド (デフォルト) 差動 |
| 特性 | 概要 |
|---|---|
| バス | バスのみ |
| 測定結果表 | デコードされたパケット・データを表形式で表示(以下の列を含む):
フレーム・チェック・シーケンス |
デコード表示 | 緑:フレームの開始 黄:MAC 送信元アドレス、MAC 宛先アドレス、EtherType グレー:TPID、TCI、UDP 送信元ポート、UDP 宛先ポート、長さ、チェックサム、コマンド、インデックス、位置、オフセット、アドレス、予約済み、循環フレーム、EtherCAT データグラムの増加、IRQ、ワーキングカウンタ、publisherID、ネットワーク変数数、チャンネル、優先度、タイプ 濃いピンク:IP VersionHL、IP Service、IP トータル長、IP 識別、IP フラッグ、IP フラグメントオフセット、IP 存続可能時間、IP プロトコル、IP ヘッダ・チェックサム、IP 送信元アドレス、IP 宛先アドレス、長さ、予約済み、タイプ、パディング、ハッシュ、品質 シアン:データ、詳細、発行者ヘッダ 赤:終了点 |
| エラー処理 | FCS エラー |
| 特性 | 概要 |
|---|---|
| 検索対象 | Start(開始):Start of Frame (フレームの開始)で検索する場合に選択します。 Protocol(プロトコル):各プロトコルのプロトコル・タイプ、フレーム・タイプを検索する場合に選択します。 IP Header(IPヘッダ):識別、送信元、宛先アドレスの値に基づいて IP ヘッダを検索する場合に選択します。 UDP Header(UDPヘッダ):検索する 16 ビットのソース・ポートを設定します。 MAC Address(MACアドレス):送信元アドレスと宛先アドレスの値の組み合わせを持つパケットを検索する場合に選択します。 Tag Control Information(タグ・コントロール情報):検索する 16 ビット・タグ・コントロール情報を設定します。 EtherCAT Header Length(EtherCATヘッダ長:):検索する 11 ビット EtherCAT ヘッダ長を設定します。 Datagram(データグラム):データグラム・ヘッダ、データ、作業カウンタなどのデータグラムのサブフィールドを検索する場合に選択します。 Network Variable(ネットワーク変数):発行者ヘッダ、NV ヘッダ、データなどのネットワーク変数のサブフィールドを検索する場合に選択します。 Mailbox(メールボックス):メールボックス・ヘッダ、サービス・データ、エラー応答サービス・データなどのメールボックスのサブフィールドを検索する場合に選択します。 FCS Error(FCSエラー):FCS エラーがある場合は、それを検索する場合に選択します。 End of Frame(フレームの終了):フレームの終了を検索する場合に選択します。 |


SMBus の特性
| 特性 | 説明 |
|---|---|
SMBusソース | アナログ・チャンネル デジタル・チャンネル アクティブな演算チャンネル アクティブなリファレンス・チャンネル |
主な機能 | オプションとして PEC バイトを使用した SMBus プロトコルのデコード機能。 開始イベント、繰り返し開始イベント、停止イベント、アイドル・イベントの検索機能。 ホスト・アドレス、デバイス・アドレス、アドレスなどのアドレスの検索機能。 コマンド・コード、データ、UDID データの検索機能。 エラーの検索機能: 任意、ACK、NACK。 |
| バスのセットアップ | ![]() |
| PEC バイトを True とする | ![]() |
利用可能なフォーマット | Hex(16進) バイナリ(2進) ミックス |
| PEC | オプションの PEC バイト - False をデフォルトとする |
| 特性 | 概要 |
|---|---|
| バス | バスのみ |
| 測定結果表 | デコードされたパケット・データを表形式で表示(以下の列を含む):
PEC |
デコード表示 | 緑:開始、繰り返し開始 黄色:アドレス、ホスト・アドレス、デバイス・アドレス、スレーブ・アドレス、デバイス・スレーブ・アドレス、割り当てられたアドレス、ターゲット・スレーブ・アドレス、読込み、書込み、読込み/書込み、コマンド・コード、バイト・カウント、ビット、アイドル シアン:データ、デバイス機能、バージョン・リビジョン、インターフェイス、ベンダー ID、デバイス ID、サブシステム・ベンダー ID、サブシステム・デバイス ID、ベンダー固有 ID 紫:PEC 赤:終了点 |
| エラー処理 | 任意、ACK、NACK |
| 特性 | 概要 |
|---|---|
| 検索対象 | Start(開始):開始イベントを検索する場合に選択します。 Repeated Start(繰り返し開始):繰り返し開始イベントを検索する場合に選択します。 Address(アドレス):検索する7ビット・アドレス・パターンを設定します。 Host Address(ホスト・アドレス):ホスト・アドレスを検索する場合に選択します。 Device Address(デバイス・アドレス):検索する 7 ビットのデバイス・アドレスを設定します。 Command Code(コマンド・コード):検索する 8 ビットのコマンド・コードを設定します。 Data(データ):検索するデータ・パターンを設定します。 Data Bytes(データ・バイト):検索するデータ・バイト数を設定します (1 ~ 8 バイト)。 Field Bytes(フィールド・バイト):UDID データのフィールド・バイトを 1、2、または 4 に設定します。 UDID Data(UDIDデータ):検索対象の UDID データを設定します。 Error Type(エラー・タイプ):検索対象のエラー・バイトを設定します。任意、ACK、NACK、PEC エラーを検索できます (PEC エラー検索は、SMBus バス構成の PEC バイトが True に設定されている場合にのみ使用できます)。 Stop(停止):停止イベントを検索する場合に選択します。 Idle(アイドル):アイドル・イベントを検索する場合に選択します。 |


ご注文の際は以下の型名をご使用ください。
プロトコル・バンドル
お客様の設計/検証のニーズに合わせて、1 年更新ライセンスと永続ライセンスの SW バンドルを特別に設計しました。
30を超えるテクノロジに対応した業界標準のシリアル解析ソフトウェアを使用して、プロトコルを検証できます。
シリアル解析チームのためのプロ・バンドル。当社の高度な専門知識と統合型プロトコル・デコーダが、お客様をサポートします。設計サイクルを短縮し、チームとしての生産性が向上することによって、新製品/サービスをいち早く市場に投入することができます。
| シリアル・デコード | 概要 | 4シリーズMSO | 5シリーズMSO | 6シリーズMSO |
|---|---|---|---|---|
| 4-RL-1 | レコード長を6,250万サンプル・ポイントに拡張 | 〇 | ✖ | ✖ |
| 5-RL-125M | レコード長を1億2,500万サンプル・ポイントに拡張 | ✖ | 〇 | ✖ |
| 6-RL-2 | レコード長を1億2,500万サンプル・ポイントに拡張 | ✖ | ✖ | 〇 |
| SRAUDIO | オーディオ・シリアル・トリガ/解析(I2S、LI、RJ、TDM)。シリアル・オーディオ・バスのパケット・レベル情報でのトリガを可能にします。 | 〇 | 〇 | 〇 |
| SRAUTO | 車載用シリアル・トリガ/解析(CAN、CAN FD、CAN XL、LIN、FlexRay)。CAN/CAN FD/CAN XL/LIN/FlexRayのパケット・レベル情報でのトリガを可能にします。 | 〇 | 〇 | 〇 |
| SRNET | Ethernetシリアル・トリガ/解析(10BASE-Tおよび100BASE-T)。Ethernetバスでのデコード/解析が可能。 | 〇 | 〇 | 〇 |
| SRI3C | I3Cシリアル・デコード/解析。MPI I3Cのパケット・レベル情報でのデコード/検索が可能。 | 〇 | 〇 | 〇 |
| SRNRZ | NRZシリアル・デコード/解析。ビット順序(MSBまたはLSBファースト)を持つ正極性および反転のNRZをサポート | 〇 | 〇 | 〇 |
| SRPM | パワー・マネジメント・シリアル・トリガ/解析。SPMIバスでパケットレベル情報のトリガを有効にします。 | 〇 | 〇 | 〇 |
| SRUSB2 | USB 2.0シリアル・トリガ/解析USB 2.0バスのパケット・レベル情報でのトリガを可能にします。 | 〇 | 〇 | 〇 |
| SRUSB3 | USB 3.0、USB 3.1 Gen 1、USB 3.2 Gen 1シリアル・デコード/解析拡張検索オプション。 | ✖ | ✖ | 〇 |
| SRPCIE321 | PCIeシリアル・デコード/解析拡張検索オプション。 | ✖ | ✖ | 〇 |
| SRMDIO | MDIOプロトコル・デコーダ/検索。拡張検索オプション。 | 〇 | 〇 | 〇 |
| SRSVID | SVIDプロトコル・デコーダ/検索。バージョン rev.1.92 をサポート。拡張検索オプション。 | 〇 | 〇 | 〇 |
| SR8B10B | 8B/10Bシリアル・デコード/解析。8b10b の 10 ビットのシンボルの 4 ビットまたは 6 ビットにパリティ・エラーがある場合に検出して表示。 | ✖ | 〇 | 〇 |
| SRETHERCAT | ETHERCAT プロトコル・デコーダ/検索。EtherCAT バスでのデコード/解析が可能。 | 〇 | 〇 | 〇 |
| SRSMBUS | SMBUS プロトコル・デコーダ/検索。SMbus バスでのデコード/解析が可能。 | 〇 | 〇 | 〇 |
| 1年間ライセンス | 4-PRO-SERIAL-1Y | 5-PRO-SERIAL-1Y | 6-PRO-SERIAL-1Y | |
| 永続的ライセンス | 4-PRO-SERIAL-PER | 5-PRO-SERIAL-PER | 6-PRO-SERIAL-PER | |
防衛/航空分野の設計者用のプロ・バンドル。当社のソフトウェア設計ツールを使用することで、設計サイクルを短縮し、チームとしての生産性が向上することによって、新製品/サービスをいち早く市場に投入することができます。
| シリアル・デコード | 概要 | 4シリーズMSO | 5シリーズMSO | 6シリーズMSO |
|---|---|---|---|---|
| 4-RL-1 | レコード長を6,250万サンプル・ポイントに拡張 | 〇 | ✖ | ✖ |
| 5-Rl-125M | レコード長を1億2,500万サンプル・ポイントに拡張 | ✖ | 〇 | ✖ |
| 6-RL-2 | レコード長を2億5,000万サンプル・ポイントに拡張 | ✖ | ✖ | 〇 |
| SRAERO | 航空・宇宙通信用シリアル・トリガ/解析(MIL-STD-1553、ARINC429)。パケット・レベル情報でのトリガを可能にします。 | 〇 | 〇 | 〇 |
| SRSPACEWIRE | SpaceWireシリアル解析。SpaceWireバスでのデコード/解析が可能。 | 〇 | 〇 | 〇 |
| MTM | 〇 | 〇 | 〇 | |
| SRNRZ | NRZシリアル・デコード/解析。ビット順序(MSBまたはLSBファースト)を持つ正極性および反転のNRZをサポート | ✖ | 〇 | 〇 |
| DJA | TIE、アイ・ダイアグラム、ヒストグラム、その他の高度な解析測定を含むジッタ解析パッケージ。 | 〇 | 〇 | 〇 |
| 1年間ライセンス 永続的ライセンス | 4-PRO-MILGOV-1Y | 5-PRO-MILGOV-1Y | 6-PRO-MILGOV-1Y | |
| 4-PRO-MILGOV-PER | 5-PRO-MILGOV-PER | 6-PRO-MILGOV-PER | ||
購入時に追加する場合
| シリアル・バス・タイプ | 3シリーズMDOのOpt. | 4シリーズMSOのOpt. | 5シリーズMSOのOpt. | 6シリーズMSOのOpt. | 概要 |
|---|---|---|---|---|---|
| MIL-STD-1553、ARINC 429 | 3-SRAERO | 4-SRAERO | 5-SRAERO | 6-SRAERO | 航空・宇宙通信用シリアル・トリガ/解析(MIL-STD-1553、ARINC 429)。MIL-STD-1553/ARINC 429バスにおけるパケット・レベルでのトリガが可能で、信号のデジタル表示、バスの観測、パケット・デコーディング、検索ツール、タイムスタンプ付パケット・デコード・テーブルなどの解析ツールを提供。 |
| I2S、LJ、RJ、TDM | 3-SRAUDIO | 4-SRAUDIO | 5-SRAUDIO | 6-SRAUDIO | オーディオ・シリアル・トリガ/解析(I2S、LJ、RJ、TDM)。シリアル・オーディオ・バスにおけるパケット・レベルでのトリガが可能で、信号のデジタル表示バスの観測、パケット・デコーディング、検索ツール、タイムスタンプ付パケット・デコード・テーブルなどの解析ツールを提供。 |
| 8B/10B | - | - | 5-SR8B10B | 5-SR8B10B | 8B/10Bシリアル・デコード/解析。バスにおけるパケット・レベルでのデコード/サーチが可能で、信号のデジタル表示、バスの観測、パケット・デコーディング、検索ツール、タイムスタンプ付きパケット・デコード・テーブルなどの解析ツールを提供。8B/10Bの10ビットのシンボルの4ビットまたは6ビットにパリティ・エラーがある場合に検出して表示。 |
| NRZ | - | 4-SRNRZ | 5-SRNRZ | 6-SRNRZ | NRZシリアル・デコード/解析。バスにおけるパケット・レベルでのデコード/サーチが可能で、信号のデジタル表示、バスの観測、パケット・デコーディング、検索ツール、タイムスタンプ付きパケット・デコード・テーブルなどの解析ツールを提供。NRZ-I、NRZ-M、NRZ-S、NRZ-Cなどのバリアントは現在未サポート。ビット順序(MSBまたはLSBファースト)を持つ正極性および反転のNRZのみをサポート。 |
| CAN、CAN FD、CAN XL、LIN、FlexRay | 3-SRAUTO (CAN XL以外) | 4-SRAUTO | 5-SRAUTO | 6-SRAUTO | 車載用シリアル・トリガ/解析(CAN、CAN FD、CAN XL、LIN、FlexRay)。CAN/CAN FD/CAN XL/LIN/FlexRayバスのパケットレベルの情報にトリガ、信号のデジタル表示、バス表示、パケット・デコード、検索ツール、タイムスタンプ付きパケット・デコード・テーブルなどの解析ツールも含む。 |
| Automotive 100BASE-T1 | - | - | 5-SRAUTOEN1 | 6-SRAUTOEN1 | 100BASE-T1車載用Ethernetシリアル解析 |
| SENT | - | 4-SRAUTOSEN | 5-SRAUTOSEN | 6-SRAUTOSEN | 車載用センサ・シリアル・トリガ/解析モジュール(SENT)。SENTバスにおけるパケット・レベルでのトリガが可能で、信号のデジタル表示バスの観測、パケット・デコーディング、検索ツール、タイムスタンプ付パケット・デコード・テーブルなどの解析ツールを提供。 |
| RS-232/422/485、UART | 3-SRCOMP | 4-SRCOMP | 5-SRCOMP | 6-SRCOMP | コンピュータ・シリアル・トリガ/解析(RS-232、RS-422、RS-485、UART)。RS-232/422/485、およびUARTバスにおけるパケット・レベルでのトリガが可能で、信号のデジタル表示バスの観測、パケット・デコーディング、検索ツール、タイムスタンプ付パケット・デコード・テーブルなどの解析ツールを提供。 |
| I 2C、SPI | 3-SREMBD | 4-SREMBD | 5-SREMBD | 6-SREMBD | 組込み・シリアル・トリガ/解析(I2C、SPI)。I2C、SPIバスにおけるパケット・レベルでのトリガが可能で、信号のデジタル表示、バスの観測、パケット・デコーディング、検索ツール、タイムスタンプ付きパケット・デコード・テーブルなどの解析ツールを提供。 |
| Ethernet | - | 4-SRENET | 5-SRENET | 6-SRENET | Ethernetシリアル・トリガ/解析(10BASE-Tおよび100BASE-T)。Ethernetバスのパケットレベルの情報にトリガ、信号のデジタル表示、バス表示、パケット・デコード、検索ツール、タイムスタンプ付きパケット・デコード・テーブルなどの解析ツールも含む。 |
| I3C | - | 4-SRI3C | 5-SRI3C | 6-SRI3C | I3Cシリアル・デコード/解析。MIPI I3Cバスにおけるパケット・レベルでのデコード/サーチが可能で、信号のデジタル表示、バスの観測、パケット・デコーディング、検索ツール、タイムスタンプ付きパケット・デコード・テーブルなどの解析ツールを提供。 |
| SPMI | - | 4-SRPM | 5-SRPM | 6-SRPM | パワー・マネジメント・シリアル・トリガ/解析(SPMI)。SPMIバスにおけるパケット・レベルでのトリガが可能で、信号のデジタル表示バスの観測、パケット・デコーディング、検索ツール、タイムスタンプ付パケット・デコード・テーブルなどの解析ツールを提供。 |
| SpaceWire | - | 4-SRSPACEWIRE | 5-SRSPACEWIRE | 6-SRSPACEWIRE | SpaceWireシリアル解析SpaceWireバスでのデコード/解析が可能。 |
| USB 2.0 | 3-SRUSB2 | 4-SRUSB2 | 5-SRUSB2 | 6-SRUSB2 | USB 2.0シリアル・トリガ/解析USB 2.0バスにおけるパケット・レベルでのトリガが可能で、信号のデジタル表示バスの観測、パケット・デコーディング、検索ツール、タイムスタンプ付パケット・デコード・テーブルなどの解析ツールを提供。 |
| USB 3.0 | N/A | - | N/A | 6-SRUSB3 | 6シリーズ・オシロスコープ対象USBシリアル・トリガ/解析(USB3.0) |
| USB 3.1 Gen 1 | N/A | - | N/A | 6-SRUSB3 | 6シリーズ・オシロスコープ対象USBシリアル・トリガ/解析(USB 3.1 (Gen 1、2*))、アップグレードが可能な時に*が表示されます。 |
| USB 3.2 Gen 1 | N/A | - | N/A | 6-SRUSB3 | 6シリーズ・オシロスコープ対象USBシリアル・トリガ/解析(USB 3.2 (Gen 1、2*))、アップグレードが可能な時に*が表示されます。 |
| シリアル・オプション・バンドル | 3-BND | - | - | - | 機器で利用可能なすべてのシリアル解析オプションとパワー解析オプション。 |
| PCIe | N/A | - | N/A | 6-SRPCIE321 | 6シリーズBオシロスコープ対象PCIeシリアル・デコード/解析(PCIe Gen 1/Gen 2) |
| PSI5 | - | 4-SRPSI5 | 5-SRPSI5 | 6-SRPSI5 | PSI5 シリアル・デコード (v1.3および2.1)/解析。パケット・レベルでのデコード/サーチが可能で、信号のデジタル表示、バスの観測、パケット・デコーディング、検索ツール、タイムスタンプ付きパケット・デコード・テーブルなどの解析ツールを提供。 |
| MDIO | - | 4-SRMDIO | 5-SRMDIO | 6-SRMDIO | MDIO プロトコル・デコーダ/サーチ、ハードウェア・トリガなし; ノード・ロック |
| SVID | - | 4-SRSVID | 5-SRSVID | 6-SRSVID | SVID プロトコル・デコーダ/サーチ、ハードウェア・トリガなし; ノード・ロック |
| e-USB2 | - | 4-SREUSB2 | 5-SREUSB2 | 6-SREUSB2 | eUSB2 プロトコル・デコーダ/サーチ; ノード・ロック |
| DPHY | - | - | 5- SRDPY | 6- SRDPY | DPHY CSI/DSI(DSI2.0 /CSI2.0プロトコル・デコーダ)HS データ伝送バースト、エスケープ・モード機能をサポート。 データ伝送は、8ビットのRAWデータ、または8B/9Bでエンコードされたシンボルを使用可能。 |
| マンチェスター | - | 4-SRMANCH | 5-SRMANCH | 6-SRMANCH | 一般的なマンチェスター・デコードをサポート。定義されたパケット構造に従ってパケットをデコードします。シンク、パリティ、マンチェスターなどのエラーのデコード |
| SDLC | 4-SRSDLC | 5-SRSDLC | 6-SRSDLC | SDLCデコーダ/サーチ。取込み波形に対するアンナンバード、スーパーバイザリ、アドレスといった拡張検索オプション | |
| CPHY 1.2 | N/A | N/A | 5-SRCPHY | 6-SRCPHY | MIPI C-PHY CSI/DSI プロトコル・デコーダおよび検索 |
| 1-Wire | N/A | 4-SRONEWIRE | 5-SRONEWIRE | 6-SRONEWIRE | 1-Wire プロトコル・デコーダ/検索 |
| eSPI | N/A | 4-SRESPI | 5-SRESPI | 6-SRESPI | eSPI プロトコル・デコーダ/検索 |
| CXPI | N/A | 4-SRCXPI | 5-SRCXPI | 6-SRCXPI | CXPI プロトコル・デコーダ/検索 |
| ETHERCAT | N/A | 4-SRETHERCAT | 5-SRETHERCAT | 6-SRETHERCAT | ETHERCAT プロトコル・デコーダ/検索 |
| SMBUS | N/A | 4-SRSMBUS | 5-SRSMBUS | 6-SRSMBUS | SMBUSプロトコル・デコーダ/検索 |
| NFC | N/A | 4-RFNFC | 5-RFNFC | 6-RFNFC | NFCプロトコル・デコード/検索 |
機器を購入後にアップグレードする場合
| シリアル・バス3 | 3シリーズMDOノード・ロック・ライセンス4 | 4シリーズMSOノード・ロック/フローティング・ライセンス | 5シリーズMSOノード・ロック/フローティング・ライセンス | 6シリーズMSOノード・ロック/フローティング・ライセンス |
|---|---|---|---|---|
| MIL-STD-1553、ARINC 429 | SUP3 SRAERO | SUP4-SRAERO SUP4-SRAERO-FL | SUP5-SRAERO SUP5-SRAERO-FL | SUP6-SRAERO SUP6-SRAERO-FL |
| I2S、LJ、RJ、TDM | SUP3 SRAUDIO | SUP4-SRAUDIO SUP4-SRAUDIO-FL | SUP5-SRAUDIO SUP5-SRAUDIO-FL | SUP6-SRAUDIO SUP6-SRAUDIO-FL |
| CAN、CAN FD、CAN XL、LIN、FlexRay | SUP3-SRAUTO (CAN XL以外) | SUP4-SRAUTO SUP4-SRAUTO-FL | SUP5-SRAUTO SUP5-SRAUTO-FL | SUP6-SRAUTO SUP6-SRAUTO-FL |
| 8B/10B | N/A | N/A | SUP5-SR8B10B SUP5-SR8B10B-FL | SUP6-SR8B10B SUP6-SR8B10B-FL |
| NRZ | N/A | SUP4-SRNRZ SUP4-SRNRZ-FL | SUP5-SRNRZ SUP5-SRNRZ-FL | SUP6-SRNRZ SUP6-SRNRZ-FL |
| 100BASE-T1車載用Ethernet | N/A | N/A | SUP5-SRAUTOEN1 SUP5-SRAUTOEN1-FL | SUP6-SRAUTOEN1 SUP6-SRAUTOEN1-FL |
| SENT | N/A | SUP4-SRAUTOSEN SUP4-SRAUTOSEN-FL | SUP5-SRAUTOSEN SUP5-SRAUTOSEN-FL | SUP6-SRAUTOSEN SUP6-SRAUTOSEN-FL |
| RS-232/422/485、UART | SUP3 SRCOMP | SUP4-SRCOMP SUP4-SRCOMP-FL | SUP5-SRCOMP SUP5-SRCOMP-FL | SUP6-SRCOMP SUP6-SRCOMP-FL |
| I2C、SPI | SUP3 SREMBD | SUP4-SREMBD SUP4-SREMBD-FL | SUP5-SREMBD SUP5-SREMBD-FL | SUP6-SREMBD SUP6-SREMBD-FL |
| Ethernet | N/A | SUP4-SRENET SUP4-SRENET-FL | SUP5-SRENET SUP5-SRENET-FL | SUP6-SRENET SUP6-SRENET-FL |
| I3C | N/A | SUP4-SRI3C SUP4-SRI3C-FL | SUP5-SRI3C SUP5-SRI3C-FL | SUP6-SRI3C SUP6-SRI3C-FL |
| SPMI | N/A | SUP4-SRPM SUP4-SRPM-FL | SUP5-SRPM SUP5-SRPM-FL | SUP6-SRPM SUP6-SRPM-FL |
| SpaceWire | N/A | SUP4-SRSPACEWIRE SUP4-SRSPACEWIRE | SUP5-SRSPACEWIRE SUP5-SRSPACEWIRE-FL | SUP6-SRSPACEWIRE SUP6-SRSPACEWIRE-FL |
| USB 2.0 | SUP3 SRUSB2 | SUP4-SRUSB2 SUP4-SRUSB2-FL | SUP5-SRUSB2 SUP5-SRUSB2-FL | SUP6-SRUSB2 SUP6-SRUSB2-FL |
| USB 3.0 | N/A | N/A | N/A | SUP6-SRUSB3 SUP6-SRUSB3-FL |
| USB 3.1 Gen 1 | N/A | N/A | N/A | SUP6-SRUSB3 SUP6-SRUSB3-FL |
| USB 3.2 Gen 1 | N/A | N/A | N/A | SUP6-SRUSB3 SUP6-SRUSB3-FL |
| シリアル解析バンドル 5 | SUP3 BND | N/A | N/A | N/A |
| PCIe | N/A | N/A | N/A | SUP6-SRPCIE321 SUP6-SRPCIE321-FL |
| PSI5 | N/A | SUP4-SRPSI5 SUP4-SRPSI5-FL | SUP5-SRPSI5 SUP5-SRPSI5-FL | SUP6-SRPSI5 SUP6-SRPSI5-FL |
| MDIO | N/A | SUP4-SRMDIO SUP4-SRMDIO-FL | SUP5-SRMDIO SUP5-SRMDIO-FL | SUP6-SRMDIO SUP6-SRMDIO-FL |
| SVID | N/A | SUP4-SRSVID SUP4-SRSVID-FL | SUP5-SRSVID SUP5-SRSVID-FL | SUP6-SRSVID SUP6-SRSVID-FL |
| e-USB2 | N/A | SUP4-SREUSB2 SUP4-SREUSB2-FL | SUP5-SREUSB2 SUP5-SREUSB2-FL | SUP6-SREUSB2 SUP6-SREUSB2-FL |
| DPHY | N/A | N/A | SUP5-SRDPHY SUP5-SRDPHY -FL | SUP6-SRDPHY SUP6-SRDPHY-FL |
| マンチェスター | N/A | SUP4-SRMANCH SUP4-SRMANCH-FL | SUP5-SRMANCH SUP5-SRMANCH-FL | SUP6- SRMANCH SUP6- SRMANCH -FL |
| SDLC | N/A | SUP4-SRSDLC SUP4- SRSDLC -FL | SUP5- SRSDLC SUP5- SRSDLC -FL | SUP6- SRSDLC SUP6- SRSDLC -FL |
| CPHY 1.2 | N/A | N/A | SUP5-SRCPHY | SUP6-SRCPHY |
| 1-Wire | N/A | SUP4-SRONEWIRE | SUP5-SRONEWIRE | SUP6-SRONEWIRE |
| eSPI | N/A | SUP4-SRESPI SUP4-SRESPI-FL | SUP5-SRESPI SUP5-SRESPI-FL | SUP6-SRESPI SUP6-SRESPI-FL |
| CXPI | N/A | SUP4-SRCXPI SUP4-SRCXPI-FL | SUP5-SRCXPI SUP5-SRCXPI-FL | SUP6-SRCXPI SUP6-SRCXPI-FL |
| ETHERCAT | N/A | SUP4-SRETHERCAT SUP4-SRETHERCAT-FL | SUP5-SRETHERCAT SUP5-SRETHERCAT-FL | SUP6-SRETHERCAT SUP6-SRETHERCAT-FL |
| SMBUS | N/A | SUP4-SRSMBUS SUP4-SRSMBUS-FL | SUP5-SRSMBUS SUP5-SRSMBUS-FL | SUP6-SRSMBUS SUP6-SRSMBUS-FL |
| NFC | N/A | SUP4-RFNFC SUP4-RFNFC-FL | SUP5-RFNFC SUP5-RFNFC-FL | SUP6-RFNFC SUP6-RFNFC-FL |
推奨プローブ
プローブの推奨モデル、必要なプローブ・アダプタの詳細については、http://www.tek.com/probesをご参照ください。
パートナ製品をご注文の際は以下の型名をご使用ください。
- パートナの概要
購入時に追加する場合(Windowsオプションのサポート)
| シリアル・バス・タイプ | 最小周波数帯域 | 推奨プローブ | 5シリーズMSOのOpt. | 6/6BシリーズMSOのOpt. | 概要 |
|---|---|---|---|---|---|
| PGY-eMMC(Windowsオプションのみ) | 2GHz | 5/6シリーズMSOの標準プローブ | PGY-eMMC | PGY-eMMC | eMMCおよびSD(UHS-I)の電気測定/プロトコル・デコード・ソフトウェアは、eMMCバージョン4.41、4.51、5.0、5.1仕様に準拠しています。電気測定およびプロトコルでは、ブート、SDR、DDR、HS200、HS400モードをサポートします。 |
| PGY-SDIO(Windowsオプションのみ) | 2GHz | 5/6シリーズMSOの標準プローブ | PGY-I2C | PGY-I2C | I2C電気的検証/プロトコル・デコード・ソフトウェア |
| PGY-QSPI(Windowsオプションのみ) | 500MHz | 5/6シリーズMSOの標準プローブ | PGY-SPI | PGY-SPI | QSPI仕様で規定されている電気測定のコンプライアンス・テストとプロトコル・デコーディング。Ext SPI、Dual SPI、Quad SPIのシングル/デュアル転送レート(STR/DTR)、電気測定とコンプライアンス・テストをサポート。コマンド・インデックスおよびS#立下りエッジでのトリガをサポート。当社MSOシリーズのアナログ/デジタル・チャンネルをサポート |
- 契約条項
- リード・タイム:受注後2~3週間
























