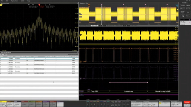
How to use Tektronix 4, 5 and 6 Series MSO oscilloscopes to decode and analyze Near Field Communications (NFC) wirelessly, using a near field probe and the RFNFC package on the instrument.
期間 6:02
與我們聯絡
與 Tek 業務代表即時對談。 上班時間:上午 6:00 - 下午 4:30 (太平洋時間)
請致電
與 Tek 業務代表即時對談。 上班時間:上午 8:30 - 下午 5:30 (太平洋時間)
下載
下載手冊、產品規格表、軟體等等:
意見回饋
How to use Tektronix 4, 5 and 6 Series MSO oscilloscopes to decode and analyze Near Field Communications (NFC) wirelessly, using a near field probe and the RFNFC package on the instrument.