
與我們聯絡
與 Tek 業務代表即時對談。 上班時間:上午 6:00 - 下午 4:30 (太平洋時間)
請致電
與 Tek 業務代表即時對談。 上班時間:上午 8:30 - 下午 5:30 (太平洋時間)
下載
下載手冊、產品規格表、軟體等等:
意見回饋
以現今更快的資料速率和更有限的時序邊際進行設計時,需使用具備優異訊號擷取效能與分析能力的示波器。Tektronix MSO/DPO5000B 系列示波器為工作台或實驗室提供極佳的訊號完整性 (2 GHz 頻寬和 10 GS/秒取樣率),以及進階分析和數學功能。直接在示波器上執行 Windows® 分析軟體。指向並按一下視觸觸發,可讓您輕鬆擷取複雜訊號。MSO 機型包含 16 個數位時序通道 (所有機型皆可安裝,藉以對常用的串列通訊協定進行解碼),讓您能全面檢視系統。
主要效能規格
- 2 GHz、1 GHz、500 MHz 和 350 MHz 頻寬機型
單/雙通道最高 10 GS/秒即時取樣率,所有四個通道最高 5 GS/秒
- MultiView Zoom™ 記錄長度多達 250 百萬點
- 使用 FastAcq® 擷取模式的最大波形擷取率為每秒 > 250,000 波型
- FastFrame™ 分段記憶體擷取模式可多達 290,000 個區段,且擷取率為每秒 >310,000 波型
- 標準 10 MΩ 被動式電壓探棒,電容負載低於 4 pF,500 MHz 或 1 GHz 類比頻寬
- 使用 HiRes 取樣的垂直解析度可達 11 位元以上
- 使用者可選式頻寬限制與 DSP 濾波器,可降低雜訊並提升量測準確度
主要分析特色
- Wave inspector® 控制鈕可讓您輕鬆瀏覽與自動搜尋波形資料
- 進階觸發套件,含標準的視覺觸發及搜尋
- 53 種自動量測、可選濾波、波形運算及 FFT 分析
- 波形長條圖、眼狀圖圖 、TIE (抖動/時序) 量測及分析
- 使用 MATLAB、Visual Studio 及 Excel 的使用者定義運算
- 選配記憶體、進階抖動、序列資料、電源及寬頻射頻分析
主要通訊協定特色
- 適合中速 (100 Mb/s 至 1 Gb/s) 匯流排的觸發與解碼選配
- 適合低速 (<10 Mb/s) 匯流排的觸發及解碼選配
- 適合 USB2.0、乙太網路、USB 電源、MOST 和汽車乙太網路的相容性測試選配
- 對通訊、運算及視訊標準進行遮罩測試
混合訊號設計與分析 (MSO 系列)
- 16 個數位通道 (可由使用者升級)
- MagniVu™ 高速擷取針對所有數位通道提供 60.6 ps 時序解析度
- 並列匯流排自動觸發、解碼與搜尋
- 各通道臨界值設定
查看效能差異
MSO/DPO5000B 系列具備高達 2 GHz 的類比頻寬與高達 10 GS/s 的取樣率,可確保您擁有擷取最佳訊號保真度,以及看見微小波形細節解析度所需的波形效能。

效能-利用高達 2 GHz 頻寬和 10 GS/s 取樣率擷取含真實保真度及 100 ps 解析度的 USB2.0 480 Mb/s 差動訊號。
準確的高速探測
TPP 系列探棒 (MSO/DPO5000B 系列示波器的標準配備),可提供高達 1 GHz 的類比頻寬,以及不到 4 pF 的電容性負載。極低電容負載可將對電路的不利影響降至最低,並能接納更長的接地引線。而且,由於該探棒的寬頻寬,您可以在訊號中看到高頻分量,這在量測高速應用裝置時是至關重要的。TPP 系列被動式電壓探棒提供通用型探棒的所有優點,例如高動態範圍、彈性連線選項和強大的機械結構設計,同時提供主動式探棒的效能。

探測-高達 1 GHz 頻寬及低於 4 pF 電容負載可提供主動式探測效能,並優於其他中階示波器配備的被動式探測。
快速發現
若要除錯設計問題,首先必須知道問題在哪裡。每位設計工程師都得花時間找出設計上的問題,如果沒有合適的除錯工具,這項工作耗時長、非常困難。MSO/DPO5000B 系列提供業界最完整的擷取與隔離事件性能,可快速對裝置的實際運作進行深入分析。Tektronix 獨家 FastAcq® 技術提供快速波形擷取 (每秒超過 250,000 個波形),能在幾秒內為您找出突波和其他罕見暫態,瞭解裝置故障的真相。此數位螢光顯示器具備色彩亮度分層,可呈現訊號活動歷程。其利用色彩區別較常出現訊號的區域,提供所有通道之間異常現象發生頻率的視覺化顯示。

探索 – 超過 250,000 wfm/秒的快速波形擷取率,使擷取捉摸不定的突波及其他偶發事件的機率達到最大。
高垂直解析度
若量測需求為擷取高振幅訊號並查看更小的訊號細節,MSO/DPO5000B 可提供擷取目標訊號所需的擷取彈性,同時消除擾人雜訊的影響。其中 HiRes 擷取垂直解析度可增加至超過 11 位元,並同時減少訊號雜訊。使用通道輸入濾波器或套用廣泛的 DSP 濾波器,即可進一步增加訊號完整性。

擷取-HiRes 擷取-增加垂直解析度為 >11 位元,同時消除 650 V Pk-Pk 訊號上的雜訊,並查看包含或不含套用低通濾波且低於 1 V Pk-Pk 的更小細節。
長記錄長度
有了多達 250 M 點的記錄長度,單次便能擷取多個目標事件甚至數以千計的串列封包以作進一步分析,而且在放大精細訊號細節時仍保有高解析度。如需如時間間隔誤差 (TIE) 量測的複雜分析,更長的記錄長度可確保您有足夠的擷取資料,以處理時脈復原及建立抖動剖面圖。MSO/DPO5000B 與其他同級示波器不同,除了可靈活設定記錄長度與取樣率外,還能確保最佳解析度。

擷取-利用 HiRes 擷取功能實現 100 Meg 點擷取,透過波形細節的雙重縮放增加垂直解析度為 >11 位元。
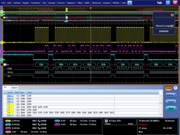
分段記憶體
如需更有效率的擷取資料,記憶體分割可延長擷取的總時間。FastFrame™ 分段記憶體模式可讓您以每秒超過 310,000 次觸發的觸發擷取率,選擇多達 290,000 個記憶體區段。此特色超越了記憶體的彈性,而區段都會加上時間戳記並能以個別或疊圖方式檢視,同時使用如通訊協定解碼的進階功能分析。以 FastFrame™ 所擷取的訊號也可以使用波形計算平均值或包封模式進行後製處理。



FastFrame™-在使用者可選擇的記憶體區段上,可透過擷取 SPI 匯流排資料時間戳記及分析多重資料封包上串列匯流排解碼,達到有效率的記憶體管理。訊框 1、2 及 9 顯示於此。
混合訊號設計與分析 (MSO 系列)
MSO5000B 系列混合訊號示波器提供 16 個數位通道。這些通道與示波器的使用者介面緊密整合,不僅簡化操作方式,更讓使用者能夠輕鬆解決混合訊號問題。另可在稍後新增 MSO 功能,作為使用者升級。
色碼數位波形顯示
MSO5000B 系列已重析定義您檢視數位波形的方法。其他混合訊號示波器共有的問題,是必須將資料放大到足以讓數位軌跡在整個畫面上保持平坦,才可判定資料為 1 或 0。為避免此問題,MSO5000B 系列具備色碼數位軌跡,以綠色顯示 1,以藍色顯示 0。

色碼數位波形顯示會分別以藍色和綠色顯示較低和較高的數值,使匯流排數值一目了然,讓使用者能夠快速判斷是否出現轉態。
MSO5000B 系列的多重轉態偵測硬體,會在系統偵測到多重轉態時顯示視覺提示。出現提示時,代表放大或以更快的取樣率擷取,即可取得更多的資訊。大多數情況下,放大會顯示以先前設定所無法檢視的脈波。
MagniVu™ 高速擷取
MSO5000B 系列的主要數位擷取模式會以 500 MS/秒 (2 ns 解析度) 的速度擷取多達 40 M 點。除了主要記錄外,MSO5000B 還提供名為 MagniVu 的超高解析度記錄,以高達 16.5 GS/秒 (60.6 ps 解析度) 的速度擷取 10,000 點。每次觸發都會擷取主要波形與 MagniVu 波形,且於任何時候、執行中或停止時皆可顯示這兩種波形畫面。MagniVu 提供精細程度遠勝市面上同級混合訊號示波器的時序解析度,能夠在您對數位波形進行重要時序量測時提供可靠性。

MagniVu 高解析度記錄提供 60.6 ps 時序解析度,讓您能夠在數位波形上進行重要的時序量測。
多元觸發及搜尋
發現裝置故障只是第一步。接下來,您必須擷取感興趣的事件以查明原因。MSO/DPO5000B 系列提供一套完整的觸發功能,包括矮波、突波、寬度、逾時、轉換、碼型、狀態、設定/保持違反、串列封包以及並列資料,助您迅速找出事件。
視覺觸發
若要找出複雜訊號的正確特性,需要花數小時收集並分類數千筆目標事件的擷取資料。定義可隔離目標事件並只在事件發生時顯示資料的觸發,便能加快此程序。視覺觸發及搜尋可徹底掃描所有波形擷取資料,並與螢幕區域 (幾何形狀) 比較,使辨識目標波形事件變得既快速又簡單。使用者可使用各種形狀來建立區域,例如三角形、矩形、六角形、梯形,或配合特定觸發行為的區域而指定形狀。可根據布林邏輯條件設定多達八個區域和條件。

視覺觸發-以視覺觸發多重定義區域和顯示重複事件的標記,擷取雙通道上的訊號。
瀏覽及搜尋
若無正確且合適的搜尋工具,則要在長波形記錄中找出感興趣的事件將會耗費許多時間。現今的記錄長度動輒超過百萬個資料點,要找出事件,就必須瀏覽數千個訊號活動畫面。
MSO/DPO5000B 系列以其創新的 Wave Inspector® 控制鈕,提供業界最全方位的搜尋和波形瀏覽功能。這些控制項可加速您記錄的取景和縮放,有了獨特的飛梭 (force-feedback) 系統,只需幾秒即可從記錄的一端移到另一端。使用者標記讓您可以標記任何位置,以供您稍後可能要參考或做進一步調查研究之用;或者,自動搜尋符合您標準定義的記錄,Wave Inspector 會立即搜尋整個記錄,包括類比、數位與匯流排資料。過程中裝置也會自動標記所有定義的事件,讓您可快速在事件間切換。MSO/DPO5000B 系列標配的進階搜尋和標記功能,甚至最多可同時搜尋八種事件,並在發現目標事件時停止即時擷取,節省更多時間。

搜尋 – 長波形記錄中的矮波脈波或狹窄突波的進階搜尋結果。
全方位分析
驗證原型效能是否與模擬情況相符並達到專案設計的目標,需要分析其行為。分析工作可能從簡單的上升時間和脈波寬度檢查以至精密的電源損耗分析、系統時脈特性分析及雜訊源調查不等。MSO/DPO5000B 系列提供一套全面性的整合分析工具,包括波形游標和螢幕游標、53 種自動量測,進階波形運算 (包括任意方程式編輯、波形長條圖及快速傅立葉轉換分析)。

分析-622 Mb/s 訊號的上升及下降邊緣波形長條圖,顯示邊緣位置 (抖動) 隨時間經過的分布。包含在波形長條圖資料上進行的數字量測。
標準極限測試套件適用於長期訊號監控、設計期間訊號特性分析及生產線測試。極限測試可將測試訊號與已知的良好或「標準」版本之相同訊號進行比較,而使用者可自訂垂直與水平容差。這套軟體可用波形數目定義測試時間、設定用以判斷測試失敗的違反臨界值、計算命中數與統計資訊、設定違反、測試失敗與測試完成時的動作,依照自身需求自訂極限測試。
自訂分析
訊號分析須超出標準或選配分析特色時,採 Microsoft Windows 10 架構的 MSO/DPO5000B 系列具備支援自訂分析的彈性。利用適用分析功能的自訂 MATLAB 和 .NET 運算外掛程式套用您的自訂演算法,然後整合至示波器使用者介面,以呈現更為完美的作業。

自訂分析-由使用 MATLAB 的示波器資料產生的連續顯示。
抖動分析
每台 MSO/DPO5000B 系列示波器均隨附 DPOJET Essentials 抖動與眼圖分析軟體套件,其可擴充示波器的量測功能,以單擊即時擷取對連續時脈和資料週期進行量測。如此一來即可量測主要的抖動和時序分析參數 (如時間間隔誤差、相位雜訊),對潛在的系統時序問題進行特性分析。時間趨勢圖和長條圖繪製等分析工具可迅速顯示時序參數於特定時間內的變化,頻譜分析則可迅速顯示抖動和調變來源的確切頻率和振幅。

抖動分析 - TIE 抖動/時序分析 (訊號為 622 Mb/秒)
透過選配的 DPOJET Advanced 軟體套件 (選項 DJA) 擴充抖動/時序分析。DPOJET Advanced 新增如 Rj/Dj 分離、眼圖遮罩、相容性測試通過/失敗限制等進階工具。DPOJET Advanced 同時也是可配合特定標準相容性測試套件 (如 DDR 記憶體和 USB 2.0 等應用) 的量測框架。
電源分析 (選配)
選配的功率分析軟體套件 (選項 PWR) 能夠迅速準確地分析電源品質、切換損耗、協波、磁性量測、安全工作區 (SOA)、調變、漣波、振幅與時序量測和扭轉率 (di/dt、dv/dt)。只要輕觸按鈕,便能使用自動化且可重複的功率諧波量測,無需外接電腦或複雜的軟體設定。此套件的報表產生工具可自動建立詳細報告,方便您記錄量測結果。
自動功率量測可快速且準確地分析一般功率參數。

切換損耗量測。
DDR 記憶體匯流排分析 (選配)
選配 DDR 記憶體分析軟體套件 (選項 DDRA) 可自動辨識 DDR1、DDR2、LP-DDR 及 LP-DDR2 讀寫,並以每個讀寫叢發之所有邊緣的通過/失敗結果進行 JEDEC 相容性量測,是 DDR 記憶體匯流排除錯與疑難排解的完美之選。此外亦提供時脈、位址、控制訊號等常用的量測功能。若與 DPOJET (選項 DJA) 搭配,選項 DDRA 便是針對複雜記憶體訊號問題進行除錯的最快方法。
向量訊號分析 (選配)
選配的 SignalVu™ 向量訊號分析套件 (選項 SVE),可輕易驗證寬頻設計與為寬頻頻譜事件進行特性分析。Tektronix 即時頻譜分析儀的訊號分析引擎與 Tektronix 數位示波器的寬頻擷取功能結合之後,您如今大可直接透過示波器評估複雜的寬頻訊號。選擇單一套件,便能一次獲得向量訊號分析儀、頻譜分析儀的功能,以及數位示波器強大的觸發功能。無論您的設計驗證需求是寬頻雷達、高資料率衛星連結或跳頻通訊,SignalVu™ 向量訊號分析軟體都能為您呈現寬頻訊號的時變行為,縮短深入分析所需的時間。

SignalVu™ 可實現多域詳細分析。
通訊協定觸發和分析功能 (選配)
在串列匯流排上,單一訊號通常包括位址、控制、資料與時脈資訊。這會讓有興趣的事件難以隔離。MSO/DPO5000B 系列提供一套強大的串列匯流排除錯工具,其中功能包括 I2C、SPI、CAN、LIN、FlexRay、RS-232/422/485/UART、MIL-STD-1553、乙太網路、USB 2.0 自動觸發與解碼,以及 8b/10b、PCI Express、MIPI D-PHY DSI-1 與 CSI-2 串列匯流排解碼。

USB 全速串列匯流排觸發。匯流排波形提供解碼封包內容,例如起始、同步、PID、位址、終點、CRC、資料值與停止。
串列觸發
針對 I2C、SPI、CAN、LIN、FlexRay、RS-232/422/485/UART、MIL-STD-1553、乙太網路、USB 2.0 等常用串列介面上的封包內容而觸發,例如封包起始、特定位址、特定資料內容、唯一識別碼等。
匯流排顯示
針對構成匯流排之個別訊號 (時脈、資料、晶片賦能等) 提供更高層級的整合檢視,讓識別封包起始和結束,以及位址、資料、識別碼、CRC 等子封包元件變得更為簡便。
匯流排解碼
您厭倦了必須以目視檢查波形才能計算時脈、判斷每個位元是 1 或 0、將位元結合至位元組,及判斷十六進位值嗎?讓示波器替您進行! 一旦設定匯流排,MSO/DPO5000B 系列便會將匯流排上的每個封包解碼,並顯示匯流排波形的十六進位、二進位、十進位 (僅限 USB) 或 ASCII 值 (僅限 USB 和 RS-232/422/485/UART)。
事件表顯示
除了在匯流排波形本身看見解碼封包資料外,還可以表格檢視的方式查看所有擷取的封包,這與您在軟體清單所看見的很類似。封包會以時間標記,並以直欄並排的方式列出每個元件 (位址、資料等)。

事件表格顯示含匯流排時序波形的解碼 SPI 串列封包資料,適用於長期擷取。
相容性測試
串列匯流排相容性測試 (選配)
您可選擇適用於乙太網路 10BASE-T、10BASE-Te、100BASE-TX、1000BASE-T (ET3 選配)、MOST50 與 MOST150 電子 (MOST 選配)、BroadR-Reach/100BASE-T1 及 1000BASE-T1 (BRR 選配) 以及 USB 2.0 (USB2 選配) 實體層裝置的自動化相容性測試軟體套件。此類軟體套件可讓您使用標準的指定相容性測試來執行測試。

USB 2.0 相容性測試。
遮罩測試
選配的遮罩測試 (選項 MTM) 軟體套件對於長期訊號監控、設計期間訊號特性分析,以及生產線測試而言相當實用。遮罩測試軟體附有一套完備的通訊與電腦標準遮罩,便於檢查標準相容性。此外,可建立自訂遮罩並用於訊號特性分析。遮罩測試可供使用者以波形數目定義測試時間、設定用以判斷測試失敗的違反臨界值、計算命中數與統計資訊、設定違反、測試失敗與測試完成時的動作,依照自身需求自訂測試。
讓工作更為輕鬆的設計
高解析度的大型觸控螢幕顯示器
MSO/DPO5000B 系列配備 10.4 吋 (264 公釐) XGA 彩色顯示器與整合式觸控螢幕,可呈現複雜的訊號細節。

高解析度顯示畫質,配備觸控螢幕、滑鼠及手寫筆操作功能。
專用的前面板控制鈕
各通道垂直控制鈕提供簡單的直覺化作業。您再也不必讓全部四個通道共用一組垂直控制鈕。
浮動授權
浮動授權提供管理 Tektronix 資產的替代方式。浮動授權可讓啟用授權金鑰的選項輕易在 Tektronix MSO/DPO5000、DPO7000、DPO/DSA/MSO70000 系列示波器之間移動。浮動授權適用於多種啟用授權金鑰的選項。如欲訂購浮動版本的選項授權,請在選項名稱中加入字首「DPOFL-」(例如 DPOFL-ET3)。
請參閱 www.tek.com 取得浮動授權選項之詳細資訊。
簡易資料儲存
前面板兩個 USB 2.0 主機埠可讓您輕鬆將螢幕擷取畫面、儀器設定與波形資料傳輸至 USB 隨身碟。
利用後面板四個額外的 USB 2.0 主機埠與一個 USB 裝置埠可從個人電腦遠端控制示波器,或連接 USB 周邊設備。內建的 10/100/1000BASE-T 乙太網路埠可輕鬆地與網路連接,「視訊輸出」連接埠則可驅動外部螢幕或投影機。≥ 480 GB 的標準抽取式固態硬碟讓您可輕鬆自訂不同使用者的設定,並且創造安全的使用環境。
連線能力及遠端操作方式
您可藉由多種方式連線到 MSO/DPO5000B 系列示波器,以執行延伸分析。第一種是利用 Windows 遠端桌面功能直接與示波器連線,透過內建的遠端桌面從遠端操作使用者介面。第二種連線方式是透過 Tektronix OpenChoice® 軟體。其利用快速嵌入式匯流排,可在 Windows 桌面上直接將波形資料從擷取傳送至分析應用程式,傳輸速度遠勝傳統 GPIB。
隨附 TekVISA™ 介面和 ActiveX 控制項等業界標準通訊協定,可供使用和強化用於資料分析和文件記錄的 Windows 應用程式。隨附 IVI-COM 儀器驅動程式,可利用 GPIB、串列資料和 LAN 連線從儀器或外部個人電腦所執行的程式輕鬆與示波器通訊。或者,也可使用軟體開發套件 (SDK) 建立自訂軟體,透過 Visual BASIC、C、C++、MATLAB、LabVIEW、LabWindows/CVI 及其他常見的應用開發環境 (ADE) 將多步驟波形採集與分析程序自動化。
TekScope Anywhere™ 離線分析
TekScope Anywhere™ 可在 PC 上展現示波器分析環境的功能。現在,使用者可彈性地在實驗室以外執行時序、眼圖和抖動分析等分析工作。來自 Tektronix MDO3000、MDO4000、MSO/DPO5000、DPO7000C 或 MSO/DPO70000C/D/DX/SX 系列示波器中1的波形資料和設定能在小組成員與遠端站台之間快速共用,進而改善效率。
1僅適用於 MSO/DPO5000/B、DPO7000C、MSO/DPO70000C/D/DX/SX 機型
Tektronix 中距離示波器
需要更高的效能或有其他應用需求?請考慮使用 DPO7000、MDO4000 或 MDO3000 系列。
如需更高的效能,DPO7000C 系列提供:
- 500 MHz 到 3.5 GHz 頻寬
- 高達 40 GS/秒的取樣率
- 高達 500 M 點記錄長度
- 1 % 準確度
- 對於更高的資料傳輸率提供更多的分析與相容性支援
- Microsoft Windows 10

如需混合域分析或更高的可攜性,MDO4000 與 MDO3000 系列提供:
- 100 MHz 至 1 GHz 頻寬
- 最高至 5 GS/s 取樣率
- 高達 20 M 點記錄長度
- 串列資料觸發與解碼
- 內建 3 GHz 或 6 GHz 頻譜分析儀 (選用)
- 2 或 4 個類比通道和 16 個數位通道 (選用)

規格
除非另有註明,否則所有規格均有保證。除非另有註明,否則所有規格皆適用於所有機型。
機型概要
MSO5034B DPO5034B | MSO5054B DPO5054B | MSO5104B DPO5104B | MSO5204B DPO5204B | ||
|---|---|---|---|---|---|
| 輸入波道 | 4 | ||||
| 頻寬 | 350 MHz | 500 MHz | 1 GHz | 2 GHz | |
| 上升時間 (計算值) | 1 ns | 700 ps | 350 ps | 175 ps | |
| 直流增益精確度 | ±1.5%,30 °C 以上時以 0.10%/°C 遞減 | ||||
| 頻寬限制 | 取決於儀器機型:1 GHz、500 MHz、350 MHz、250 MHz 和 20 MHz | ||||
| 有效位元數 (典型值) | 6 位元 (10 格p-p 儀器頻寬時正弦波輸入,100 mV/div,50 Ω 輸入阻抗,最大取樣率,1 k 點記錄長度) | ||||
| 隨機雜訊 (RMS,典型值,取樣模式,全頻寬,50 Ω) | |||||
| 1 mV/格 | 173 μV | 178 μV | 68 μV | 70 μV | |
| 2 mV/格 | 216 μV | 236 μV | 128 μV | 158 μV | |
| 5 mV/格 | 231 μV | 281 μV | 214 μV | 307 μV | |
| 10 mV/格 | 305 μV | 340 μV | 315 μV | 485 μV | |
| 20 mV/格 | 504 μV | 523 μV | 547 μV | 791 μV | |
| 50 mV/格 | 1.15 mV | 1.17 mV | 1.29 mV | 1.82 mV | |
| 100 mV/格 | 2.40 mV | 2.46 mV | 3.08 mV | 4.75 mV | |
| 1 V/格 | 22.96 mV | 22.98 mV | 23.15 mV | 29.58 mV | |
| 最大取樣率 (所有通道) | 5 GS/s | 5 GS/s | 5 GS/s | 5 GS/s | |
| 最大取樣率 (單或雙通道) | 5 GS/s | 5 GS/s | 10 GS/s | 10 GS/s | |
| 最大等時取樣率 | 400 GS/s | ||||
| 標準配置最大記錄長度 | 25 M | 25 M (四通道) 50 M (單或雙通道) | |||
| 選配 5RL 最大記錄長度 | 50 M | 50 M (四通道) 125 M (單或雙通道) | |||
| 選配 10RL 最大記錄長度 | 125 M | 125 M (四通道) 250 M (單或雙通道) | |||
垂直系統類比通道
- 輸入耦合
- 交流、直流
- 輸入電阻
- 1 MΩ ±1%、50 Ω ±1%
- 輸入靈敏度範圍
1 MΩ:1 mV/div 至 10 V/div
50 Ω:1 mV/div 至 1 V/div
- 垂直解析度
- 8 位元 (高解析度時 >11 位元)
- 最大輸入電壓,1 MΩ
300 VRMSCAT II,峰值 ≤ ±425 V
若 <100 mV/div,超過 100 kHz 時以 20 dB/十倍頻率衰減至 30 VRMS,1 MHz;超過 1 MHz 時以 10 dB/十倍頻率衰減
若 ≥100 mV/div,超過 3 MHz 時以 20 dB/十倍頻率衰減至 30 VRMS,30 MHz;超過 30 MHz 時以 10 dB/十倍頻率衰減
- 最大輸入電壓,50 Ω
- 5 VRMS,峰值 ≤ ±20 V
- 位置範圍
- ±5 格
- 任兩個通道之間的延遲 (典型值)
≤100 ps (50 Ω,直流耦合,大於或等於 10 mV/div 的相等 V/div)
- 偏移範圍
- 1 mV/div - 50 mV/div
1 MΩ:±1 V
50 Ω:±1 V
- 50.5 mV/div - 99.5 mV/div
1 MΩ:±0.5 V
50 Ω:±0.5 V
- 100 mV/div - 500 mV/div
1 MΩ:±10 V
50 Ω:±10 V
- 505 mV/div - 995 mV/div
1 MΩ:±5 V
50 Ω:±5 V
- 1 V/div - 5 V/div
1 MΩ:±100 V
50 Ω:±5 V
- 5.05 V/div - 10 V/div
1 MΩ:±50 V
50 Ω:NA
- 偏移準確度
±(0.005 × |偏移 – 位置| + 直流平衡)
附註:位置和恆定偏移項必須乘以適當的伏特/格項,以轉換成伏特
- 通道對通道隔離 (任兩個相等垂直刻度下的通道) (典型值)
於 ≤100 MHz 時 ≥100:1,於 >100 MHz 時 ≥30:1;最高至額定頻寬
垂直系統數位通道
- 輸入通道
- 16 個數位 (D15 - D0)
- 臨界值
- 各通道臨界值
- 臨界值選擇
- TTL、ECL、使用者
- 使用者定義臨界值範圍
±40 V
- 臨界值準確度
- ±(100 mV + 臨界值設定的 3%)
- 最大輸入電壓
- ±42 Vpeak
- 輸入動態範圍
30 Vp-p≤200 MHz
10 Vp-p>200 MHz
- 最小電壓擺幅
- 400 mV
- 輸入阻抗
- 100 kΩ
- 探棒負載
- 3 pF
- 垂直解析度
- 1 位元
水平系統類比通道
- 最高即時取樣率最大持續時間
25 ms
- 時基範圍
- 12.5 ps/div 至 8,000,000 s/div
- 時間解析度 (ET/IT 模式)
- 2.5 ps/div
- 時基延遲時間範圍
- –10 格至 1000 s
- 通道對通道偏移校正範圍
±75 ns
- 時基準確度
- 任何 ≥1 ms 的間隔上皆為 ±5 ppm
水平系統數位通道
- 最大取樣率 (主要)
500 MS/秒 (2 ns 解析度)
- 最大記錄長度 (主要)
25 M 標準
搭配記錄長度選項最高可達 40 M
- 最大取樣率 (MagniVu)
16.5 GS/秒 (60.6 ps 解析度)
- 最大記錄長度 (MagniVu)
觸發點周圍 10K 點
- 最小可偵測脈波寬度
1 ns
- 通道至通道偏移 (典型值)
200 ps
- 最大輸入切換率
最小輸入擺幅時為 500 MHz;更高振幅時可達到更高切換率
觸發系統
- 主要觸發模式
- 自動、正常與單次
- 觸發耦合
直流、交流、高頻排斥 (衰減 >50 kHz)、低頻排斥 (衰減 <50 kHz)、雜訊排斥 (降低靈敏度)
- 觸發延遲範圍
- 250 ns 至 8 s
- 加強型觸發
使用者可選;修正觸發路徑與擷取資料之間的時序差距 (不適用於 FastAcq)
- 觸發抖動
使用加強型觸發時 ≤100 fsRMS
無加強型觸發並使用 Fast Acq 模式時 ≤10 psRMS
非邊緣類型觸發模式下 ≤100 psRMS
- 觸發靈敏度
- 內部直流耦合
1 MΩ:1 mV/div 至 4.98 mV/div:直流至 50MHz 為 0.75,儀器頻寬下增加至 1.3 格;≥5 mV/div:直流至 50 MHz 為 0.40 格,儀器頻寬下增加至 1 格
50 Ω (MSO5204、DPO5204、MSO5104、DPO5104):直流至 50 MHz 為 0.40 格,儀器頻寬下增加至 1 格
50 Ω (MSO5054、DPO5054、MSO5034、DPO5034):1 mV/div 至 4.98 mV/div:直流至 50MHz 為 0.75,儀器頻寬下增加至 1.3 格;≥5 mV/div:直流至 50 MHz 為 0.40 格,儀器頻寬下增加至 1 格
- 外部 (輔助輸入) 1 MΩ
直流至 50 MHz 為 200 mV,250 MHz 時增加至 500 mV
- 觸發位準範圍
- 任何通道
- 距螢幕中央 ±8 格
- 外部 (輔助輸入)
- ±8 V
- 線路
- 固定為約線路電壓的 50%
- 觸發模式
- 邊緣
- 任一通道或前面板輔助輸入上的正、負或任一斜率。耦合包括直流、交流、高頻排斥、低頻排斥和雜訊排斥
- 突波
- 觸發或排斥正、負或正負任一極性的突波。可編程突波寬度為 4 ns (最小) 至 8 s (最大)
- 矮波
- 針對穿越第一臨界值,但再次穿越第一臨界值之前未穿越第二臨界值的脈波觸發
- 寬
- 正或負脈波的寬度位於可選限制 (4 ns 至 8 s) 範圍內或外時觸發
- 逾時
- 針對指定時段 (4 ns 至 8 s) 內維持高、低或任一的事件觸發
- 轉換
- 高或低於指定脈衝邊緣速率的觸發,斜率可為正、負或任一
- 設定∕保持
- 任兩個輸入通道的時脈和資料之間出現設定時間與保持時間違反時觸發。
- 碼型
訊號的任何邏輯碼型於特定時段 (4 ns 至 1 s) 內變成偽狀態或維持真狀態時觸發。針對所有定義為 High、Low 或 Don’t Care 的類比與數位輸入通道而指定的碼型 (AND、OR、NAND、NOR)
- 並列匯流排
- 針對定義的並列匯流排上之特定資料值觸發
- 狀態
- 類比通道與數位通道 (MSO 機型) 的任何邏輯碼型由另一通道的邊緣測定時脈。上升或下降時脈邊緣觸發
- 視訊
- NTSC、PAL、SECAM、HDTV 480p/60、576p/50、875i/60、720p/30、720p/50、720p/60、1080/24sF、1080i/50、1080p/25、1080i/60、1080p/24、1080p/25、1080p/50、1080p/60、雙位準及三位準之所有線路、指定線路編號、奇數場、偶數場或所有圖場觸發
- 觸發順序
主要、依時間延遲、依事件延遲。所有順序都可在觸發事件之後包含個別水平延遲,以及時定位擷取視窗
- A/B 順序事件觸發類型
邊緣
- 根據時間的觸發延遲
- 4 ns 到 8 s
- 根據事件的觸發延遲
- 1 至 4,000,000 個事件
- 視覺觸發
在任一類比通道上最多可依 8 個使用者指定區域觸發,包括矩形、三角形、梯形、六角形、使用者指定形狀
- I2C (選配)
隨附於 SR-EMBD 選項。I2C 匯流排上的 Start (起始)、Repeated Start (重複起始)、Stop (停止)、Missing ACK (ACK 遺失)、Address (位址,7 或 10 位元)、Data (資料) 或 Address and Data (位址和資料) 觸發,高達 10 Mb/秒
- SPI (選配)
- 隨附於 SR-EMBD 選項。SPI 匯流排上的 Slave Select (從屬選擇)、Idle Time (閒置時間) 或 Data (資料,1-16 個字) 觸發,高達 10 Mb/秒
- CAN (選配)
隨附於 SR-AUTO 選項。CAN 匯流排上的 Start of Frame (訊框起始)、Type of Frame (訊框類型,資料、遠端、錯誤或超載)、Identifier (識別碼)、Data (資料)、Identifier and Data (識別碼及資料)、End of Frame (訊框結束)、Missing Ack (ACK 遺失)、Bit Stuff Error (位元填塞錯誤) 及 CRC Error (CRC 錯誤) 觸發,高達 1 Mb/秒
- LIN (選配)
隨附於 SR-AUTO 選項。LIN 匯流排上的 Sync (同步)、Identifier (識別碼)、Data (資料)、Identifier and Data (識別碼與資料)、Wakeup Frame (喚醒訊框)、Sleep Frame (睡眠訊框)、Error (錯誤) 觸發,高達 1 Mb/秒
- FlexRay (選配)
隨附於 SR-AUTO 選項。FlexRay 匯流排上的 Indicator Bits (指示位元,一般、負載、Null、同步、啟動)、Cycle Count (週期計數)、Header Fields (標頭欄位,指示位元、識別碼、負載長度、標頭 CRC 及週期計數)、Identifier (識別碼)、Data (資料)、Identifier and Data (識別碼與資料)、End Of Frame (訊框終點) 及 Error (錯誤) 觸發,高達 10 Mb/秒
- MIL-STD-1553 (選配)
隨附於 SR-AERO 選項。MIL-STD-1553 匯流排上的 Sync (同步)、Command Word (命令字)、Status Word (狀態字)、Data Word (資料字)、Idle Time (閒置時間) 及 Error (錯誤) 觸發,高達 1 Mb/秒
- 乙太網路 (選配)
隨附於 SR-ENET 選項。BASE-T 與 100BASE-TX 匯流排上的 Start of Packet (封包起始)、MAC Address (MAC 位址)、MAC Q-tag (MAC Q 標記)、MAC Length/Type (MAC 長度/類型)、MAC Data (MAC 資料)、IP Header (IP 標頭)、TCP Header (TCP 標頭)、
TCP/IPV4 Data (TCP/IPV4 資料)、End of Packet (封包結束) 及 FCS(CRC) Error (FCS(CRC) 錯誤) 觸發。
- RS-232/422/485/UART (選配)
隨附於 SR-COMP 選項。Start Bit (起始位元)、End of Packet (封包結束)、Data (資料) 和 Parity Error (同位檢查錯誤) 觸發,高達 10 Mb/秒
- USB 2.0 低速:(選配)
- 隨附於 SR-USB 選項。
在「同步」、「重設」、「暫停」、「恢復」、「封包結尾」、「代符 (位址) 封包」、「資料封包」、「交握封包」、「特殊封包」、「錯誤」上觸發。
代符封包觸發 – 任何代符類型、SOF、OUT、IN、SETUP;可指定任何、OUT、IN 和 SETUP 代符類型的位址。可進一步指定位址,在 ≤、<、=、>、≥、!= 特定值時觸發,或在範圍內/外進行觸發。可使用二進位、十六進位、不帶正負號的十進位和不分位數指定 SOF 代符的訊框編號。
資料封包觸發 - 任何資料類型、DATA0、DATA1;可進一步指定當資料在 ≤、<、=、>、≥、!= 的特定資料值或在範圍內或外時進行觸發。
交握封包觸發 – 任何交握類型、ACK、NAK、STALL。
特殊封包觸發 – 任何特殊類型、保留。
錯誤觸發 – PID 檢查、CRC5 或 CRC16、位元填塞。
- USB 2.0 全速:(選配)
- 隨附於 SR-USB 選項。
在「同步」、「重設」、「暫停」、「恢復」、「封包結尾」、「代符 (位址) 封包」、「資料封包」、「交握封包」、「特殊封包」、「錯誤」上觸發。
代符封包觸發 – 任何代符類型、SOF、OUT、IN、SETUP;可指定任何、OUT、IN 和 SETUP 代符類型的位址。可進一步指定位址,在 ≤、<、=、>、≥、!= 特定值時觸發,或在範圍內/外進行觸發。可使用二進位、十六進位、不帶正負號的十進位和不分位數指定 SOF 代符的訊框編號。
資料封包觸發 - 任何資料類型、DATA0、DATA1;可進一步指定當資料在 ≤、<、=、>、≥、!= 的特定資料值或在範圍內或外時進行觸發。
交握封包觸發 – 任何交握類型、ACK、NAK、STALL。
特殊封包觸發 – 任何特殊類型、PRE、保留。
錯誤觸發 – PID 檢查、CRC5 或 CRC16、位元填塞。
- USB 2.0 高速:(選配)
- 隨附於 SR-USB 選項。
在「同步」、「重設」、「暫停」、「恢復」、「封包結尾」、「代符 (位址) 封包」、「資料封包」、「交握封包」、「特殊封包」、「錯誤」上觸發。
代符封包觸發 – 任何代符類型、SOF、OUT、IN、SETUP;可指定任何、OUT、IN 和 SETUP 代符類型的位址。可進一步指定位址,在 ≤、<、=、>、≥、!= 特定值時觸發,或在範圍內/外進行觸發。可使用二進位、十六進位、不帶正負號的十進位和不分位數指定 SOF 代符的訊框編號。
資料封包觸發 - 任何資料類型、DATA0、DATA1、DATA2 和 DATAM;可進一步指定當資料在 ≤、<、=、>、≥、!= 的特定資料值或在範圍內或外時進行觸發。
交握封包觸發 – 任何交握類型、ACK、NAK、STALL、NYET。
特殊封包觸發 – 任何特殊類型、ERR、SPLIT、PING、保留。可指定的 SPLIT 封包元件包括:
集線器位址
起始/完成 – Don't Care、起始 (SSPLIT)、完成 (CSPLIT) 埠位址
起始與結束位元 – Don't Care、控制/批量/中斷 (全速裝置、低速裝置)、同步 (資料在中間、資料在尾端、資料在開頭、資料遍佈)
端點類型 – Don't Care、控制、同步、批量、中斷
錯誤觸發 – PID 檢查、CRC5、CRC16、任何。
附註:僅限 1 GHz 和 2 GHz 機型提供 USB 2.0 高速觸發、解碼和搜尋。
擷取系統
- 擷取模式
- 取樣
- 擷取取樣值
- 峰值檢測
以所有即時取樣率擷取最窄 100 ps (2 GHz 和 1 GHz 機型) 或 200 ps (500 MHz 和 350 MHz 機型) 的狹窄突波
- 平均值
- 平均值為 2 到 10,000 個波形
- 包封
最少至最多包封反映隨多樣擷取所累積的「波峰偵測」資料
- 高解析度
即時矩形平均值可降低隨機雜訊並提高解析度
- 捲動模式
以低於 50 ms/div 的掃描速度由右至左在畫面上捲過連續波形點。最高 20 MS/秒,最大記錄長度為 10 M
- FastAcq®
FastAcq 可將儀器的動態訊號分析與偶發事件擷取能力最佳化
- 最大 FastAcq 波形擷取率
所有 4 個通道同時擷取 >250,000 wfms/秒
- 波形資料庫
累積波形資料庫,提供振幅、時間和計數的三維陣列
- 快速圖框™
擷取記憶體分割成數個區段; 最大觸發率為每秒 >310,000 個波形。每次事件皆可記錄到達時間。訊框搜尋工具有助於目視辨識暫態
- 自動搜尋與標記
自動標記事件並記錄波形。於 4 個類比通道中任一通道搜尋正斜率及/或負斜率、突波、矮波、脈波寬度、轉換率、設定和保持、逾時、視窗,或尋找任何邏輯或狀態碼型,最多可達 8 種事件類型。搭配選項 DDRA 可搜尋 DDR 讀取或寫入叢發。事件表會列出所有找到的事件。所有事件均會參考觸發位置標上時戳。找到事件後即停止擷取
波形分析
- 波形量測
- 游標
波形和螢幕
- 自動量測
53 種,螢幕一次可顯示其中 8 種。量測包括:週期、頻率、延遲、上升時間、下降時間、正工作週期、負工作週期、正寬度、負寬度、叢發寬度、相位、正過衝、負過衝、峰對峰、振幅、高點、低點、最大值、最小值、平均值、週期平均、RMS、週期 RMS、面積、週期面積
- 眼圖量測
消光比 (絕對值、%、dB)、眼圖高度、眼圖寬度、眼圖頂部、眼圖底部、交叉 %、抖動 (p-p、均方根、6sigma)、雜訊 (p-p、均方根)、訊號/雜訊比、週期失真、Q 係數
- 量測統計
- 平均值、最小值、最大值、標準差
- 參考位準
可以百分比或單位指定使用者定義的自動量測參考位準
- 閘控
利用螢幕或波形游標隔離欲量測擷取當中發生的特定事件
- 波形長條圖
波形長條圖提供一系列資料值,表示顯示畫面使用者定義範圍內命中的總數。波形長條圖是直覺式的命中分佈圖,也是可以量測的數字陣列。來源 – 通道 1、通道 2、通道 3、通道 4、參考 1、參考 2、參考 3、參考 4、數學運算 1、數學運算 2、數學運算 3、數學運算 4
類型 – 垂直、水平
- 波形長條圖量測
波形數、方塊中命中數、峰值命中數、中位數、最大值、最小值、峰對峰、平均值 (μ)、標準差 (sigma)、μ+1sigma、μ+2sigma、μ+3sigma
- 波形處理/數學運算
- 算術
對波形和常數進行加、減、乘、除
- 代數式
定義多種代數式,包括波形、純量、使用者可調整變數及參數量測結果。使用複雜方程式執行運算,例如 (Integral (CH1 – Mean(CH1)) × 1.414 × VAR1)
- 數學函數
平均、反推、積分、微分、平方根、指數、Log10、Log e、Abs、上限、下限、最小值、最大值、Sin、Cos、Tan、ASin、ACos、ATan、Sinh、Cosh、Tanh
- 關聯性
- 布林比較結果 >、<、≥、≤、==、!=
- 頻域函數 (FFT)
頻譜振幅和相位、實際和假象 (imaginary) 頻譜
- 快速傅立葉轉換垂直單位
振幅:線性、dB、dBm
相位:度數、弧度、群延遲
- 快速傅立葉轉換窗函數
Rectangular、Hamming、Hanning、Kaiser-Bessel、Blackman-Harris、Gaussian、Flattop2、Tek Exponential
- 波形定義
- 任意數學運算式
- 濾波函數
使用者可定義濾波器。使用者指定內含濾波器係數的濾波器。附濾波器檔案
- 自訂數學函數
可在數學運算波形定義中加入自訂 MATLAB 和 .NET 外掛程式
- 遮罩函數
從樣本波形產生波形資料庫像素映射的函數。可定義取樣計數
軟體
- IVI 驅動程式
為 LabVIEW、LabWindows/CVI、Microsoft .NET 及 MATLAB 等常見應用提供儀器編程介面。IVI-COM 標準
- LXI Class C 網頁介面
只要在標準網頁瀏覽器的位址列輸入示波器的 IP 位址,即可透過瀏覽器連線至 MSO/DPO5000B 系列。網頁介面可讓您檢視儀器狀態和設定,以及網路設定的狀態和修改。所有網頁互動皆符合 LXI Class C 規格
顯示系統
- 顯示器類型
10.4 吋 (264 公釐) 主動矩陣液晶彩色顯示器搭配觸控螢幕
- 顯示器解析度
- 1024 水平 × 768 垂直像素 (XGA)
- 波形樣式
- 向量、點、可變持續累積、無限持續累積
- 調色盤
正常、綠色、灰色、溫度、頻譜和使用者定義
- 顯示格式
- YT、XY
電腦系統
- 作業系統
Microsoft Windows 10 Enterprise IoT Edition
- CPU
- Intel i5-4400E 2.7 GHz 處理器
- 個人電腦系統記憶體
- ≥4 GB
- 固態硬碟
移動式固態硬碟,512 GB
- 滑鼠
- 光學滾輪滑鼠,USB 介面
- 鍵盤
請訂購 119-7083-xx 小型鍵盤;USB 介面和集線器
輸入輸出埠
- USB 2.0 高速主機埠
支援 USB 大量儲存裝置、印表機、鍵盤、滑鼠。儀器前後分別有兩個和四個連接埠。可單獨停用
- USB 1.1 全速裝置埠
後面板接頭能夠透過 USBTMC 或 GPIB (使用 TEK-USB-488 轉接器) 進行示波器通訊/控制
- LAN 埠
- RJ-45 接頭,支援 10/100/1000BASE-T
- 視訊輸出埠
DB-15 母接頭,可連接外部監視器或投影機以顯示示波器畫面。支援延伸桌面和複製模式
- 音訊埠
- 迷你音訊插孔
- 鍵盤連接埠
- PS/2 相容
- 滑鼠埠
- PS/2 相容
- 輔助輸入
前面板 BNC 接頭。輸入阻抗 1 MΩ。最大輸入 300 VRMS,峰值 ≤ ±425 V
- 輔助輸出 (軟體切換式)
觸發輸出:示波器觸發時的 TTL 相容脈波
時基參考輸出:內部 10 MHz 參考振盪器的 TTL 相容輸出
- 外部參考輸入
時基系統可對外部 10 MHz 參考進行相位鎖定 (10 MHz ±1%)
- 探棒補償器輸出
前面板接腳
振幅:2.5 V
頻率:1 kHz
- 以 LAN 為基礎擴充的儀器平台 (LXI)
- 等級:LXI Class C
- 選配 TekVPI® 外部電源供應器
- 需要時機:示波器探棒總功耗超過 15 W。
- 輸出電壓
- 12 V
- 輸出電流
- 5 A
- 功耗
- 50 W
電源
- 電源電壓
- 100 至 240 V ±10%
- 電源頻率
45 Hz 至 66 Hz (85 至 264 V)
360 Hz 至 440 Hz (100 至 132 V)
- 功耗
- 最高 275 W
外觀特性
- 尺寸
公釐 (mm) 吋 (in.) 高度 233 9.16 寬度 439 17.29 深度 206 8.12
- 重量
公斤 (kg) 磅 (lb.) 淨重 6.7 14.9 運輸重量 12.5 27.5
- 機架安裝配置
5U
- 散熱餘隙
吋 (in.) 公釐 (mm) 頂部 0 0 底部 0 0 左側 2 51 右側 0 0 正面 0 0 背面 2 51
EMC 環境和安全性
- 溫度
- 操作中
0 ℃ 到 +50 ℃
- 非操作中
- -20 ℃ 到 +60 ℃
- 濕度
- 操作中
8% 至 90% 相對溼度,+50℃ 以下時最高濕球溫度 29℃ (+50℃ 時上限降為 20.6% 相對溼度)。無凝結
- 非操作中
5% 至 98% 相對溼度,+60℃ 以下時最高濕球溫度 40℃ (+60℃ 時上限降為 29.8% 相對溼度)。無凝結
- 海拔高度
- 操作中
- 3,000 公尺 (9,843 呎)
- 非操作中
- 9,144 公尺 (30,000 呎)
- 法規
- 電磁相容性
- 2004/108/EC
- 認證
UL61010-1;CSA61010-1、EN61010-1;IEC 61010-1
訂購資訊
DPO5000B 機型
- DPO5034B
350 MHz,5 GS/s,25 M 記錄長度,四通道數位螢光示波器
- DPO5054B
500 MHz,5 GS/s,25 M 記錄長度,四通道數位螢光示波器
- DPO5104B
1 GHz,10/5 GS/s (雙/四通道),50 M/25 M 記錄長度,四通道數位螢光示波器
- DPO5204B
2 GHz,10/5 GS/s (雙/四通道),50 M/25 M 記錄長度,四通道數位螢光示波器
MSO5000B 機型
- MSO5034B
350 MHz,5 GS/s,25 M 記錄長度,4+16 通道混合訊號示波器
- MSO5054B
500 MHz,5 GS/s,25 M 記錄長度,4+16 通道混合訊號示波器
- MSO5104B
1 GHz,10/5 GS/s (雙/四通道),50 M/25 M 記錄長度,4+16 通道混合訊號示波器
- MSO5204B
2 GHz,10/5 GS/s (雙/四通道),50 M/25 M 記錄長度,4+16 通道混合訊號示波器
標準配件
- TPP0500B
500 GHz 和 350 GHz 機型每個類比通道各一支被動式電壓探棒 (500 MHz、10X、3.9 pF)
- TPP1000
- 2 GHz 和 1 GHz 機型每個類比通道各一支被動式電壓探棒 (1 MHz,10X,3.9 pF)
- 200-5130-xx
- 前外蓋
- 119-6107-xx
- 觸控螢幕觸控筆
- 071-298x-xx
- 使用手冊 (訂購時請指定語言)
- —
- 進階搜尋與標記、DPOJET Essentials、視覺觸發和搜尋,及極限測試皆包含標準
- —
- 配件包
- —
- 滑鼠
- —
- 記載國家計量機構量測可追溯性、Z 540-1 相容性及 ISO9001 之校準證書
- —
- 電源線 (訂購時請指定電源插頭選項)
- —
- 一年保固
- P6616
- MSO 機型專用 16 通道邏輯探棒
- 020-2662-xx
- MSO 機型專用邏輯探棒配件套件
選項
- 記錄長度選項
選項 MSO5034B
DPO5034B
MSO5054B
DPO5054B
MSO5104B
DPO5104B
MSO5204B
DPO5204B
選項 5RL 每通道 50 M 最大 125 M,每通道 50 M 選項 10RL 每通道 125 M 最大 250 M,每通道 125 M
進階分析選配
| 選配 | 說明 |
|---|---|
| BRR 選配 | BroadR-Reach/100BASE-T1 及 1000BASE-T1 相容性測試 (須備有 TF-GBE-BTP 和 TF-BRR-CFD 測試治具) (僅適用於 1 GHz 和 2 GHz 機型。) |
| DDRA 選配 | DDR 記憶體匯流排分析 (須備有 DJA 選配) (僅適用於 1 GHz 和 2 GHz 機型) |
| DJA 選配 | 抖動與眼圖分析工具 – 進階 (DPOJET) |
| DJAN 選配 | DPOJET 雜訊、抖動和眼圖分析工具 (須備有 DJA 選配) |
| ET3 選配 | 乙太網路相容性測試 (須備有 TF-GBE-BTP 或 TF-GBE-ATP 乙太網路測試治具) |
| MOST 選配 | MOST Essentials – MOST50 和 MOST150 專用電子相容性與除錯測試解決方案 (須備有 DJA 選配) |
| MTM 選配 | 遮罩測試 – ITU-T (64 Kb/秒至 155 Mb/秒) – ANSI T1.102 (1.544 Mb/秒至 155 Mb/秒) – 乙太網路 IEEE 802.3、ANSI X3.263 (125 Mb/秒至 1.25 Gb/秒) – SONET/SDH (51.84 Mb/秒至 622 Mb/秒) – 光纖通道 (133 Mb/秒至 2.125 Gb/秒) – 光纖通道電子 (133 Mb/秒至 1.06 Gb/秒) – USB (12 Mb/秒至 480 Mb/秒) – IEEE 1394b (491.5 Mb/秒至 1.966 Gb/秒) – 快速 I/O 串列 (高達 1.25 Gb/秒) – 快速 I/O LP-LVDS (500 Mb/秒至 1 Gb/秒) – OIF 標準 (1.244 Gb/秒) – CPRI,V4.0 (1.228 Gb/秒) – 視訊 (143.18 Mb/秒至 360 Mb/秒) |
| PWR 選配 | 功率諧波量測與分析 |
| SR-AERO 選配 | 航太串列觸發與分析 (MIL-STD-1553)。 提供 MIL-STD-1553 匯流排封包資訊觸發功能及多種分析工具,如匯流排視圖、封包解碼、搜尋工具、含時戳資訊的封包解碼表。 訊號輸入通道 – 任何通道 1 至通道 4 建議探測 – 差動 |
| SR-AUTO 選配 | 汽車串列觸發與分析 (CAN/LIN/FlexRay)。 提供 CAN、LIN、FlexRay 匯流排封包資訊觸發功能及多種分析工具,如訊號數位視圖、匯流排視圖、封包解碼、搜尋工具、含時戳資訊的封包解碼表。 訊號輸入通道 – 任何通道 1 至通道 4 (與 MSO 機型的任何 D0 至 D15) 建議探棒 - LIN:單端;CAN/FlexRay:差動 |
| SR-COMP 選配 | 電腦串列觸發與分析 (RS-232/422/485/UART) 提供 RS-232/422/485/UART 匯流排封包資訊觸發功能及多種分析工具,如訊號數位視圖、匯流排視圖、封包解碼、搜尋工具、含時戳資訊的封包解碼表。 訊號輸入通道 – 任何通道 1 至通道 4 (與 MSO 機型的任何 D0 至 D15) 建議探測 - RS-232/UART:單端;RS-422/485:差動 |
| SR-DPHY 選配 | MIPI® D-PHY 串列分析。 提供 MIPI DSI-1 和 CSI-2 匯流排分析功能及多種分析工具,如訊號數位視圖、匯流排視圖、封包解碼、搜尋工具、含時戳資訊的封包解碼表。 訊號輸入通道 – 任何通道 1 至通道 4 建議探測 – 差動 |
| SR-EMBD 選配 | 嵌入式串列觸發與分析 (I2C、SPI) 提供 I2C、2 線及 3 線 SPI 匯流排封包資訊觸發功能及多種分析工具,如訊號數位視圖、匯流排視圖、封包解碼、搜尋工具、含時戳資訊的封包解碼表。 訊號輸入通道 - I2C:任何通道 1 至通道 4 (與 MSO 機型的任何 D0 至 D15);SPI:任何通道 1 至通道 4 (與 MSO 機型的任何 D0 至 D15) 建議探測 – I2C、SPI:單端 |
| SR-ENET 選配 | 乙太網路串列觸發與分析 (10BASE-T、100BASE-TX) 提供乙太網路匯流排封包資訊觸發功能及多種分析工具,如匯流排視圖、封包解碼、搜尋工具、含時戳資訊的封包解碼表。 訊號輸入通道 – 任何通道 1 至通道 4。 建議探測 – 差動 |
| SR-USB 選配 | USB 2.0 串列觸發與分析 (低速、全速、高速) 能夠觸發低速、全速與高速 USB 串列匯流排的封包層內容。此外亦提供多種低速/全速/高速 USB 串列匯流排分析工具,如匯流排視圖、封包解碼、搜尋工具、含時戳資訊的封包解碼表。 訊號輸入通道 – 低速和全速:用於單端的任何通道 1 至通道 4 (與 MSO 機型的任何 D0 至 D15)、用於差動的任何通道 1 至通道 4;高速:任何通道 1 至通道 4 建議探測 – 低速和全速:單端或差動;高速:差動 (USB 高速僅支援 1 GHz 和 2 GHz 機型。) |
| SSD 選配 | 額外客戶可安裝的移動式固態硬碟,並搭配 Microsoft Windows 10 OS、TekScope,以及已安裝的應用軟體 |
| SVA 選配 | AM/FM/PM 音訊訊號分析 (須備有 SVE 選配) |
| SVE 選項 | SignalVu® Essentials – 向量訊號分析軟體 |
| SVM 選項 | SignalVu® 通用調變分析 (須備有 SVE 選配) |
| SVP 選項 | SignalVu® 進階訊號分析 (含脈波量測) (須備有選配 SVE) |
| SVT 選配 | SignalVu® 頻率與相位穩定時間量測 (須備有 SVE 選配) |
| SV26 選配 | SignalVu® APCO P25 量測 (須備有 SVE 選配) |
| USB2 選配 | USB 2.0 自動相容性測試應用 (須備有 TDSUSBF USB 測試治具。高速 USB 需要 2 GHz 的頻寬) |
| USBPWR 選配 | USB 電源轉接器專用自動化相容性測試解決方案 |
套件選項
此類成套品項必須在購買儀器的同時一併選購。
| 選項 | 說明 |
|---|---|
| 選項 PS2 | 電源解決方案套件: DPOPWR、THDP0200、TCP0030A、067-1686-xx (偏移校正治具) |
| 選項 PS3 | 電源解決方案套件: DPOPWR、TMDP0200、TCP0020、067-1686-xx (偏移校正治具) |
浮動選項
浮動授權提供管理 Tektronix 資產的替代方式。浮動授權可讓啟用授權金鑰的選項輕易在 Tektronix MSO/DPO5000、DPO7000、DPO/DSA/MSO70000 系列示波器之間移動。浮動授權適用於下列啟用授權金鑰的選項。
請參閱http://www.tek.com/products/oscilloscopes/floatinglicenses取得浮動授權選項之詳細資訊。
| 選配 | 說明 |
|---|---|
| DPOFL-BRR | BroadR-Reach/100BASE-T1 及 1000BASE-T1 相容性測試 (須備有 TF-GBE-BTP 和 TF-BRR-CFD 測試治具) (僅適用於 1 GHz 和 2 GHz 機型) |
| DPOFL-DDRA | DDR 記憶體匯流排分析 (須備有 DJA 選配) (僅適用於 1 GHz 和 2 GHz 機型) |
| DPOFL-DJA | 抖動與眼圖分析工具 – 進階 (DPOJET) |
| DPOFL-DJAN | DPOJET 雜訊、抖動和眼圖分析工具 (須備有 DJA 選配) |
| DPOFL-ET3 | 乙太網路相容性測試 (須備有 TF-GBE-BTP 或 TF-GBE-ATP 乙太網路測試治具。) |
| DPOFL-MOST | MOST Essentials – 電子相容性與除錯測試解決方案 (MOST50、MOST150) (須備有 DJA 選配) |
| DPOFL-MTM | 遮罩測試 |
| DPOFL-PWR | 功率諧波量測與分析 |
| DPOFL-SR-AERO | 航太串列觸發與分析 (MIL-STD-1553) |
| DPOFL-SR-AUTO | 汽車串列觸發與分析 (CAN/LIN/FlexRay) |
| DPOFL-SR-COMP | 電腦串列觸發與分析 (RS-232/422/485/UART) |
| DPOFL-SR-DPHY | MIPI® D-PHY 串列分析 |
| DPOFL-SR-EMBD | 嵌入式串列觸發與分析 (I2C、SPI) |
| DPOFL-SR-ENET | 乙太網路串列觸發與分析 (10BASE-T 和 100BASE-TX) |
| DPOFL-SR-PCIE | PCI Express 串列分析 (僅適用於 ≥1 GHz 的機型) |
| DPOFL-SR-USB | USB 2.0 串列觸發與分析 (低速、全速、高速) |
| DPOFL-SR-810B | 8b/10b 串列分析 |
| DPOFL-SVA | SignalVu® AM/FM/PM/直接音訊量測 (須備有 SVE 選配) |
| DPOFL-SVE | SignalVu® Essentials – 向量訊號分析軟體 |
| DPOFL-SVM | SignalVu® 通用調變分析 (須備有 SVE 選配) |
| DPOFL-SVP | SignalVu® 脈波 – 進階訊號分析 (須備有 SVE 選配) |
| DPOFL-SVT | SignalVu® 穩定時間量測 (須備有 SVE 選配) |
| DPOFL-SV26 | SignalVu® APCO P25 量測 (須備有 SVE 選配) |
| DPOFL-USB2 | USB 2.0 自動相容性測試應用 (須備有 TDSUSBF USB 測試治具。高速 USB 需要 2 GHz 的頻寬) |
| DPOFL-USBPWR | USB 電源轉接器專用自動化相容性測試解決方案 |
電源插頭選項
- 選配A0
- 北美電源插頭 (115 V,60 Hz)
- 選配A1
- 歐洲通用電源插頭 (220 V,50 Hz)
- 選配A2
- 英國電源插頭 (240 V,50 Hz)
- 選配A3
- 澳洲電源插頭 (240 V,50 Hz)
- 選配A5
- 瑞士電源插頭 (220 V,50 Hz)
- 選配A6
- 日本電源插頭 (100 V、50/60 Hz)
- 選配A10
- 中國電源插頭 (50 Hz)
- 選配A11
- 印度電源插頭 (50 Hz)
- 選配A12
- 巴西電源插頭 (60 Hz)
- 選配A99
- 無電源線
使用手冊選項
- 選配L0
- 英文使用手冊
- 選配L1
- 法文使用手冊
- 選配L3
- 德文使用手冊
- 選配L5
- 日文使用手冊
- 選配L7
- 簡體中文使用手冊
- 選配L8
- 繁體中文使用手冊
- 選配L9
- 韓文使用手冊
- 選配L10
- 俄文使用手冊
服務選項
- 選配C3
- 3 年校驗服務
- 選配C5
- 5 年校驗服務
- 選配D1
- 校準數據報告
- 選配D3
- 3 年校準資料報告 (含選配C3)
- 選配D5
- 5 年校準資料報告 (含選項C5)
- 選項R3
- 3 年維修服務 (含保固)
- 選配R5
- 5 年維修服務 (包含標準保固期三年)
示波器保固和服務項目不適用於探棒和配件。如需瞭解具體的保固和校準項目,請參閱每種探棒和配件機型的產品規格表。
升級選配
若要升級 MSO/DPO5000B 系列示波器,請訂購 DPO-UP 和下列選配。例如,若要新增 DDRA 選配、DDR 記憶體技術分析套件,請訂購 DPO-UP DDRA。
- 升級記錄長度:
- RL25E
- 從標準 25 M/通道配置到 5RL 選配配置
- RL210E
- 從標準 25 M/通道配置到 10RL 選配配置
- RL510E
- 從 5RL 選配配置到 10RL 選項配置
- 新增固態硬碟:
- SSDE
新增額外的客戶可安裝的移動式固態硬碟組件,並搭配 Microsoft Windows 7 OS、TekScope,以及已安裝的應用程式軟體
- 以下列選項升級 MSO/DPO5000B 系列:
- BRR
- 新增 BRR 選配 - BroadR-Reach/100BASE-T1 及 1000BASE-T1 相容性測試 (須備有 TF-GBE-BTP 和 TF-BRR-CFD 測試治具) (僅適用於 1 GHz 和 2 GHz 機型)
- DDRA
- 新增 DDRA 選配 (須備有選項 DJA) (僅適用於 1 GHz 和 2 GHz 機型)
- DJAE
新增 DJA 選配 – 抖動與眼圖分析工具 - 進階 (DPOJET)
- DJAN
- 新增 DJAN 選配- DPOJET 雜訊、抖動和眼圖分析工具 (須備有 DJA 選配)
- ET3
- 新增 ET3 選配 – 乙太網路相容性測試 (須備有 TF-GBE-BTP 或 TF-GBE-ATP 乙太網路測試治具)
- MOST
新增 MOST 選配 – MOST Essentials - 電子相容性與除錯測試解決方案 (MOST50、MOST150) (須備有 DJA 選配)
- MTM
- 新增 MTM 選配 – 遮罩測試
- PWR
- 新增 PWR 選配 – 功率諧波量測與分析
- SR-AERO
新增 SR-AERO 選配 – 航太串列觸發與分析 (MIL-STD-1553)
- SR-AUTO
新增 SR-AUTO 選配 – 汽車串列觸發與分析 (CAN/LIN/FlexRay)
- SR-COMP
新增 SR-COMP 選配 – 電腦串列觸發與分析 (RS-232/422/485/UART)
- SR-DPHY
新增 SR-DPHY 選配 – MIPI D-PHY 串列分析 (DSI-1、CSI-2)
- SR-EMBD
新增 SR-EMBD 選配 – 嵌入式串列觸發與分析 (I2C、SPI)
- SR-ENET
新增 SR-ENET 選配 – 乙太網路串列觸發與分析 (10BASE-T 和 100BASE-TX)
- SR-PCIE
新增 PCI Express 串列分析 (僅適用於 ≥1 GHz 的機型)
- SR-USB
新增 SR-USB 選配 – USB 2.0 串列觸發與分析 (低速、全速、高速)
- SR-810B
- 新增 8b/10b 串列分析
- SVA
- 新增 – SignalVu AM/FM/直接音訊量測 (須備有 SVE 選配)
- SVEE
新增 SVE 選配 – SignalVu Essentials - 向量訊號分析軟體
- SVM
新增 SignalVu 通用調變分析 (須備有 SVE 選配)
- 若要將 DPO5000B 系列升級成 MSO:
- MSOE
- DPO5000B 新增 16 個數位通道
建議配件
- 配件
- 077-0076-xx
- 服務手冊 (僅提供 PDF)
- 077-0010-xx
- 程式設計師手冊 (僅提供 PDF)
- 077-0063-xx
- 效能驗證和規格手冊 (僅提供 PDF)
- TPA-BNC
- TekVPI 至 TekProbe BNC 轉接器
- TEK-DPG
- 偏移校正脈波產生器
- TEK-USB-488
- GPIB 至 USB 轉接器
- HCTEK54
- 硬質運送箱
- RMD5000
- 框架組件
- 119-7275-xx
- 迷你多媒體鍵盤
- 119-8726-xx
TekVPI 外部電源供應器 – 需要時機:探棒總功耗超過 15 W。不附電源線。訂購時請指定電源線。
- 020-3071-xx
- 數位螢光示波器試用電路板 3 搭配雙 A 至單 B USB 纜線
- NEX-HD2HEADER1
- Mictor 接頭至方插頭轉接器
- 測試治具
- 067-1686-xx
- 探棒校準 / 電源偏移校正測試治具
- TDSUSBF
- 測試治具,適用於 USB2 選配
- TF-BRR-CFD
汽車乙太網路相容性時脈頻率分頻器治具
- TF-GBE-BTP
基本測試套件,適用於 10/100/1000BASE-T 乙太網路測試
- TF-GBE-ATP
進階測試套件,適用於 10/100/1000BASE-T 乙太網路 (附 1000BASE-T 抖動測試通道纜線)
- TF-GBE-EE
額外的節能乙太網路量測測試治具。透過 Crescent Heart Software (http://www.c-h-s.com) 訂購
- 轉接器
- P6701B
- 光電轉換器 (多模)。須備有 TekVPI® 至 TekProbe BNC 轉接器 (TPA-BNC)。
- P6703B
- 光電轉換器 (單模)。須備有 TekVPI® 至 TekProbe BNC 轉接器 (TPA-BNC)。
1歐盟客戶注意事項:此產品尚未更新以符合 RoHS 2 指令 2011/65/EU,且將不會運送至歐盟。客戶可以在 2017 年 7 月 22 日前從歐盟市場中的庫存購買產品,直到沒有庫存為止。Tektronix 致力於提供您所需的解決方案。請聯絡您當地的業務代表以獲得更多協助,或判斷替代產品是否可用。Tektronix 將會持續不斷提供全球支援服務。
- 探棒
Tektronix 提供超過 100 種不同的探棒,以滿足您不同的應用需求。如需完整的探棒清單,請造訪 www.tek.com/probes。
- TPP0500B
500 MHz,10X TekVPI® 被動式電壓探棒,具備 3.9 pF 輸入電容
- TPP1000
1 GHz,10X TekVPI 被動式電壓探棒,具備 3.9 pF 輸入電容
- TPP0502
- 500 MHz,2X TekVPI 被動式電壓探棒
- TAP2500
- 2.5 GHz TekVPI 主動式單端電壓探棒
- TAP1500
- 1.5 GHz TekVPI 主動式單端電壓探棒
- TDP3500
3.5 GHz TekVPI 差動式電壓探棒,具備 ±2 V 差動輸入電壓
- TDP1500
1.5 GHz TekVPI 差動電壓探棒,具備 ±8.5 V 差動輸入電壓
- TDP1000
1 GHz TekVPI 差動電壓探棒,具備 ±42 V 差動輸入電壓
- TDP0500
500 MHz TekVPI 差動電壓探棒,具備 ±42 V 差動輸入電壓
- TIVM1
差動探棒;1 GHz,高達 50X,±50 V,TekVPI,3 公尺纜線
- TIVM1L
差動探棒;1 GHz,高達 50X,±50 V,TekVPI,10 公尺纜線
- TIVH08
差動探棒;800 MHz,高達 2500X,± 2.5 kV,TekVPI,3 公尺纜線
- TIVH08L
差動探棒;800 MHz,高達 2500X,± 2.5 kV,TekVPI,10 公尺纜線
- TIVH05
差動探棒;500 MHz,高達 2500X,± 2.5 kV,TekVPI,3 公尺纜線
- TIVH05L
差動探棒;500 MHz,高達 2500X,± 2.5 kV,TekVPI,10 公尺纜線
- TIVH02
差動探棒;200 MHz,高達 2500X,± 2.5 kV,TekVPI,3 公尺纜線
- TIVH02L
差動探棒;200 MHz,高達 2500X,± 2.5 kV,TekVPI,10 公尺纜線
- TCP0150
- 20 MHz TekVPI 150 安培交流/直流電流探棒
- TCP0030A
- 120 MHz TekVPI 30 安培交流/直流電流探棒
- TCP0020
- 50 MHz TekVPI 20 安培交流/直流電流探棒
- TPP0850
- 2.5 kV,800 MHz TekVPI 高電壓被動式探棒
- TRCP0300
- 30 MHz,250 mA 至 300 A,交流電流探棒
- TRCP0600
- 30 MHz,500 mA 至 600 A,交流電流探棒
- TRCP3000
16 MHz,500 mA 至 3000 A,交流電流探棒
- TMDP0200
- ±750 V,200 MHz 高電壓差動式探棒
- THDP0200
- ±1.5 kV,200 MHz 高電壓差動式探棒
- THDP0100
- ±6 kV,100 MHz 高電壓差動式探棒
- P5100A
- 2.5 kV,500 MHz,100X 高壓差動探棒
建議使用的軟體
- TekScopeNL-BAS
- TekScope Anywhere™ 波形分析和視覺化節點鎖定授權。
- TekScopeFL-BAS
- TekScope Anywhere™ 波形分析和視覺化浮動授權。
- TekScopeNL-DJA
TekScope Anywhere™ 節點之進階抖動分析的鎖定授權。
- TekScopeFL-DJA
- TekScope Anywhere™ 之進階抖動分析的浮動授權。
- GRL-USB-PD
- USB 輸電電子相容性與除錯。



