
與我們聯絡
與 Tek 業務代表即時對談。 上班時間:上午 6:00 - 下午 4:30 (太平洋時間)
致電
請致電
與 Tek 業務代表即時對談。 上班時間:上午 8:30 - 下午 5:30 (太平洋時間)
下載
下載手冊、產品規格表、軟體等等:
意見回饋
MHL Advanced Analysis and Compliance Test Software
Option MHD and Option MHD3

The TekExpress MHL Advanced Analysis and Compliance software gives you the tools to easily run Mobile High-definition Link (MHL) tests in accordance with MHL compliance test specifications 1.X, 2.0, 1.3 / 2.1 and 3.3. It provides a complete and reliable solution for quick testing.
Key features
- Ensures Conformance to latest MHL 3.3 Compliance Test Specification
- Conformance to MHL 3.3 Compliance Test Specification (CTS) ensures reliable results for Source, Sink, Dongle Output/Input group of tests introduced in MHL 3.3
- Conformance to MHL 1.1/1.2/2.0 and 1.3/2.1 Compliance Test Specification (CTS) ensures reliable results including support for direct attach device testing, cable electrical testing
- Complete validation to standards with a wide range of tests for transmitter and receiver (Sink / Dongle) devices and both physical layer and link layer testing
- Single-box physical and link layer enables seamless testing and analysis from physical layer to link layer and back
- Accurate tests using precise measurement techniques
- Automated receiver/dongle tests - simple setup with all impairments added to the MHL signals using the direct synthesis based capability of the AWG
- Path-breaking direct synthesis method for receiver testing
- Removes the dependency on hardware elements such as ISI Boards
- True MHL signal generation without depending on external combiners
- Get quick results with automatic mask-fit, measurements, and Pass/Fail notification
- Simple test setup ensures faster test times and greater repeatability
- Ensure faster testing with one-button selection of multiple MHL Tests
- Save time with one-button MHT/.PDF format summary and reports
- Single compliance solution to meet the MHL 1.1, 1.2, 2.0, 1.3, 2.1, and 3.3 Compliance Test Specification (CTS) using real time oscilloscopes, probes, signal sources, a complete test fixture set, and sampling scopes with innovative IConnect® software
Applications
- Design and validation of MHL physical layer and protocol layer
- MHL3.3 DUT automation support for Source and Sink Input/Output groups using SL403 and RELT board from Silicon Image
- Autocal support for MHL3.3 Transmitter Input group measurements
Mobile high-definition link (MHL) compliance
Engineers designing and validating the MHL physical layer and link layer of their devices face constant pressure to improve efficiency. Engineers need to perform a wide range of compliance tests quickly and reliably right on their bench.
The MHL 1.1/1.2/1.3/2.0/2.1/3.3 specifications support MHL, which enables mobile devices to transmit uncompressed audio/video to an HDTV or receiver with HD capability. Option MHD and MHD3 Advanced Analysis and Compliance Test Software meets the MHL 1.1/1.2/1.3/2.0/2.1/3.3 CTS specification and automates a comprehensive range of tests, enabling unprecedented efficiency with reliable results. TEK-PGY-MHL-PA-SW MHL Protocol Analyzer Software supports up to 1.1/1.2/2.0 and 1.3/2.1 CTS specification.
Reliable and dependable results
Option MHD and MHD3 software embeds the MHL CTS 1.1/1.2/2.0 and CTS 1.3/2.1/3.3 compliance test procedures, ensuring dependable results. Accurate jitter testing and precise violation testing delivers higher credibility. Perform transmitter tests with simple setups that eliminate nonlinearity. Authentic measurement techniques and automation eliminate errors to provide faster test times.
Option MHD and MHD3 leverages the TekExpress capability to provide smooth multi-equipment interactions, providing an automated solution for transmitter, sink, and dongle testing. The direct synthesis method ensures greater repeatability:
- Eliminates the dependency on hardware PCB traces to insert jitter components
- Eliminates the need to combine common mode clock and differential data signals using hardware combiners

MHL 1.3/2.1 transmitter test setup for all other differential, common mode, and single ended tests

MHL 1.3/2.1 Clock Jitter and Data Eye Diagram test setup

MHL 1.3/2.1 Dongle setup

MHL 1.3/2.1 Sink Min/Max setup

MHL 1.3/2.1 Dongle Min/Max setup

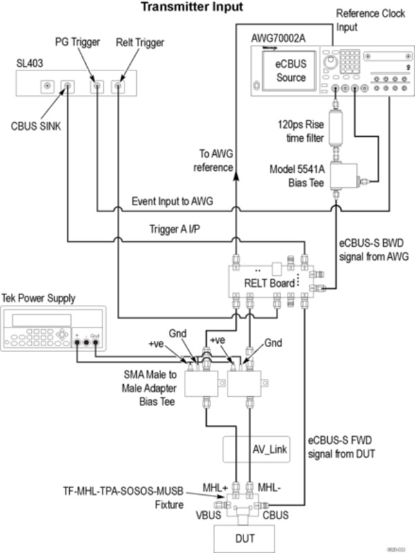
MHL3.3 Transmitter input calibration

MHL 3.3 Receiver output AWG70K-AWG70K

MHL 3.3 Receiver input for 70K

MHL protocol multi view display.

MHL physical and protocol layer seamless link capability
TEK-PGY-MHL-PA-SW
Third-party MHL Protocol Analyzer Software running on a Tektronix Real Time Oscilloscope embeds link-layer test procedures defined in MHL CTS 1.1/1.2/2.0 and CTS 1.3/2.1 and provides a unique one-box solution to MHL design, testing, and validation engineers to seamlessly migrate from physical layer to link layer.
Faster validation cycles
The unparalleled automation provided by Option MHD/MHD3 and Direct Synthesis capability of the Arbitrary Waveform Generators enables faster validation and shrinks test times for MHL testing. Demonstrate efficiency by using the "Select All" feature to perform multiple MHL transmitter tests. Instantly generate .CSV-format summaries or detailed reports at the press of a button.
Option MHD/MHD3 enables faster test times with automatic setting of the oscilloscope parameters and V termination voltage needs for MHL testing. This removes the inaccuracy and rigidity of MHL testing. Leveraging the Direct Synthesis capability of our industry-leading AWGs, in accordance with CTS 1.1, 1.2, 1.3, 2.0, 2.1, and 3.3.
Complete solution for validation
Option MHD and TEK-PGY-MHL-PA-SW offer a wide range of tests enabling thorough verification to standards. Tests offered include automated transmitter, AWG setup file based receiver/dongle, and MHL protocol tests. Perform convincing validation using a complete solution that includes oscilloscopes, probes, arbitrary waveform generators, test fixtures, and TDR.
Characteristics
Physical layer tests
MHL 1.3/2.1 Transmitter tests (supports Direct Attach Device testing)
3.1.1.1, 3.1.1.2, 3.1.1.3, 3.1.1.4, 3.1.1.5, 3.1.1.6, 3.1.1.7, 3.1.1.8, 3.1.1.10, 3.1.1.11, 3.1.1.12, 3.1.1.14, 3.1.1.15, 3.1.1.16, 3.1.1.17, 3.1.1.18, 3.1.1.19, and 3.1.1.20.
MHL 1.3/2.1 Receiver tests (supports Direct Attach Device testing)
4.1.1.1, 4.1.1.2, 4.1.1.3, 4.1.1.4 and 4.1.1.8.
MHL 1.3/2.1 Dongle tests
5.1.1.1, 5.1.1.2, 5.1.1.3, 5.1.1.4, and 4.1.1.9.
MHL 1.3/2.1 Cable Electrical tests
7.2.1.16 and 7.2.1.17.
MHL 1.3/2.1 Cable Assembly tests (MOI based)
7.2.1.2, 7.2.1.3, 7.2.1.4, 7.2.1.5, 7.2.1.6, 7.2.1.7, 7.2.1.8, 7.2.1.9, 7.2.1.10, 7.2.1.11, 7.2.1.12, 7.2.1.13, 7.2.1.14, and 7.2.1.15.
MHL 3.3 Transmitter Output tests
TMDS Data tests
3.7.2.1, 3.7.2.2, 3.7.2.5, S3.7.2.13, 3.7.2.17, and 3.7.2.27.
MHL Clock
3.7.2.7, 3.7.2.8, 3.7.2.9, 3.7.2.20, 3.7.2.21, 3.7.2.22, 3.7.2.23, and 3.7.2.26.
MHL eCBUS
3.7.2.7, 3.7.2.8, 3.7.2.9, 3.7.2.24, 3.7.2.25, and 3.7.2.29.
MHL 3.3 Transmitter Input tests
MHL eCBUS
3.7.2.32, 3.7.2.36, 3.7.2.40, and auto calibration of 3.7.2.36.
MHL 3.3 Receiver Output tests
MHL Sink eCBUS-S BWD
4.7.2.14, 4.7.2.15, 4.7.2.16, 4.7.2.20, 4.7.2.21, 4.7.2.22, and 4.7.2.24.
MHL Dongle eCBUS S BWD
5.7.2.16, 5.7.2.17, and 5.7.2.19.
MHL 3.3 Receiver Input tests
MHL Sink
4.7.2.1, 4.7.2.3, 4.7.2.5, 4.7.2.7, 4.7.2.10, and 4.7.2.28.
MHL Dongle
5.7.2.1, 5.7.2.2, 5.7.2.5, 5.7.2.7, 5.7.2.8, 5.7.2.10, 5.7.2.13, and 5.7.2.23.
MHL 2.1 Sink and Dongle system tests supported by AWG
TMDS Coding tests
4.2.1.1 and 5.2.1.1, 4.2.1.2 and 5.2.1.2, 4.2.1.3 and 5.2.1.3, and 4.2.1.4 and 5.2.1.4.
Video tests
4.2.2.1 and 5.2.2.1, 4.2.2.2 and 5.2.2.2, 4.2.2.3 and 5.2.2.3, 4.2.2.4 and 5.2.2.4, and 4.2.2.5 and 5.2.2.5.
Audio tests
4.2.3.1 and 5.2.3.1 IEC60958/IEC61937 and 4.2.3.2 and 5.2.3.2 Audio Clock regeneration.
3D Video tests
4.2.8.2 and 5.2.8.2 3D Video Format in Normal mode and 4.2.8.3 and 5.2.8.3 3D Video Format in Packed Pixel mode.
Protocol tests for CTS 1.1, 1.2, 2.0 and CTS 1.3, 2.1
Source Protocol tests in both normal mode and PackedPixel mode
- Legal codes
- Basic protocol
- Packet types
Source Video tests in both Normal mode and PackedPixel mode
- Video formats test
- Pixel encoding test
- Video quantization ranges
- AVI info frame
Ordering information
MHL 2.1 Compliance Test Software
- MHL options to order with an oscilloscope (MHL requires a minimum 8 GHz oscilloscope for electrical testing)
Option Description Opt. MHD Advanced Analysis and Compliance Test Software for MHL
Requires options DJA and 2XLOpt. DPOFL-MHD Floating License Advanced Analysis and Compliance Test Software for MHL
Requires options DJA and 2XLOpt. DPOFT-MHD Floating License - Trial Version Stand-alone software for protocol analysis TEK-PGY-MHL-PA-SW MHL Compliance Software for MHL 2.1 Requires option 20XL (available in16 GHz and above real-time oscilloscopes.) - MHL upgrades with an existing oscilloscope (MHL requires a minimum 8 GHz oscilloscope for electrical testing)
Options Description Opt. DPO-UP MHD Advanced Analysis and Compliance Test Software for MHL Requires options DJA and 2XL Stand-alone software for protocol analysis TEK-PGY-MHL-PA-SW MHL Compliance Software for MHL 2.1 Requires option 20XL (available in 6 GHz and above real-time oscilloscopes)
Note: If you will be doing both electrical and protocol testing, a real-time oscilloscope of at least 12.5 GHz is recommended.
- MHL 3.3 options to order with an oscilloscope (MHL requires a minimum 16 GHz oscilloscope for electrical testing)
Option Description Opt. MHD3 MHL 3.0 Advanced Analysis and Compliance Software for Tx, Rx, Dongle and Cable tests Requires Option MHD Opt. DPOFL-MHD3 Floating License
MHL 3.0 Advanced Analysis and Compliance Software for Tx, Rx, Dongle and Cable tests
Requires Option MHDOpt. DPOFT-MHD3 Floating License - Trial Version - MHL 3.3 upgrades with an existing oscilloscope (MHL requires a minimum 16 GHz oscilloscope for electrical testing)
Options Description Opt. DPO-UP MHD3 MHL 3.0 Advanced Analysis and Compliance Software for Tx, Rx, Dongle and Cable tests Opt. DPO-UP MHD MHL Advanced Analysis and Compliance Software
Requires Option DJA and Option 2XL
Recommended equipment
- DPO/MSO 71604C
- 16 GHz Digital Oscilloscopes with Option DJA (12.5G Scope supported, with 10% variation in results)
- DPO/MSO72004C
- 20 GHz Digital Oscilloscopes with Option DJA
- DPO/MSO72304DX
- 23 GHz Digital Oscilloscopes with Option DJA
- DPO/MSO72504DX
- 25 GHz Digital Oscilloscopes with Option DJA
- DPO72504D
- 25 GHz Digital Oscilloscopes with Option DJA
- DPO/MSO73304DX
- 33 GHz Digital Oscilloscopes with Option DJA
- DPO73304D
- 33 GHz Digital Oscilloscopes with Option DJA
- P7313SMA
- SMA Probe for Single-ended AVLINK data measurements (Quantity 2)
- P7240
- Probe for acquiring Clock / eCBUS waveform (Quantity 1)
- AWG7122C
- Arbitrary Waveform Generator with Options 01, 02/06 and 08 (Quantity 1 for MHL 2.1 Rx and MHL 3.3 Tx; Quantity 2 for MHL 3.3 Rx)
- AWG70002A
- Arbitrary Waveform Generator with Options 01, 03, and 225 (Quantity 1 to be used with AWG 7122C for MHL 3.3 Rx) OR
Recommended accessories for MHL 2.1
- 012-0649-00
- SMA cables. Quantity 4 (2 pairs)
- TF-MHL-DS-AccKit
- MHL Direct Synthesis Accessory Kit, contains the following:
- 119-7601-00: 120 ps rise time filters. Quantity 2
- 131-8489-00: Bias-tees. Quantity 2
- 119-8176-00: 5866 amplifiers. Quantity 2
- 015-1011-00: SMA-SMA barrel connectors. Quantity 2
- PSPL5541A Bias Tee Quantity 1 (when AWG 70k is used as eCBUS source for MHL 3.3 receiver testing)

Additional accessories for MHL 3.3
- 012-0649-00
- SMA Cables. Quantity 4 (2 pairs)
- TF-MHL-TPA-SOS-MUSB 1
- MHL Test Point Adapter uUSB Plug
- TF-MHL-TPA-SOSIS-HDM
- MHL Test Point Adapter HDMI-A Plug
- TF-MHL3-TPA-KIT
- MHL μUSB Plug and HDMI-A Plug fixture.
- SL 403
- Source/Sink board from Simplay Labs.
- SL402
- Relay board for switching signals from Simplay Labs.


1Two numbers are required for 3.7.2.6 Auto Calibration test measurement.
Tektronix MHL fixtures
MHL Fixtures are available from Tektronix. Details are given below. MHL fixtures are also available from Wilder Technologies (http://www.wilder-tech.com).
Kits
| Wilder part number | Wilder model number | Tektronix nomenclature | Description |
|---|---|---|---|
| 640-0476-000 | MHL-TPA-TEK-SO (Source Fixture Only Kit) | TF-MHL-TPA-TEK-SO (Source Fixture Only Kit) | MHL Source Test Kit includes 640-00452 and 640-0453-000 |
| 640-0477-000 | MHL-TPA-TEK-SI (Sink Fixture Kit) | TF-MHL-TPA-TEK-SI (Sink Fixture Kit) | MHL Sink Test Kit includes 640-0452-000, 640-0456-000, 640-0457-000 |
| 640-0478-000 | MHL-TPA-TEK-DG (Dongle Fixture Kit) | TF-MHL-TPA-TEK-DG (Dongle Fixture Kit) | MHL Dongle Test Kit includes 640-0452-000, 640-0453-000, 640-0454-000 |
| 640-0479-000 | MHL-TPA-TEK-CB (Cable Fixture Kit) | TF-MHL-TPA-TEK-CB (Cable Fixture Kit) | MHL Cable Test Kit includes 640-0455-000, 640-0456-000 |
| 640-0480-000 | MHL-TPA-TEK-RSEN (RSEN Kit) | TF-MHL-TPA-TEK-RSEN (RSEN Kit) | MHL RxSense Kit includes 640-0458-000 and 640-0459-000 |
| 640-0488-000 | MHL-TPA-KT | TF-MHL3-TPA-KIT | MHL 3.0 HDMI/μUSB test adapter kit |
Individual fixtures
| Wilder part number | Wilder model number | Tektronix nomenclature | Description |
|---|---|---|---|
| 640-0452-000 | MHL-TPA-TT | TF-MHL-TPA-TT | MHL Termination Board |
| 640-0453-000 | MHL-TPA-P-WOSO | TF-MHL-TPA-P-WOSO | MHL Source Test Board Plug without Termination |
| 640-0454-000 | MHL-TPA-R-WOSO | TF-MHL-TPA-R-WOSO | MHL Dongle Test Board Receptacle without Termination |
| 640-0455-000 | MHL-TPA-R-WOC | TF-MHL-TPA-R-WOC | MHL Cable Test Board Receptacle without Termination |
| 640-0456-000 | MHL-TPA-R-WOSI | TF-MHL-TPA-R-WOSI | MHL Sink Calibration Test Board Receptacle without Termination |
| 640-0457-000 | MHL-TPA-P-WOSI | TF-MHL-TPA-P-WOSI | MHL Sink Test Board Plug without Termination |
| 640-0458-000 | MHL-TPA-R-SO-RSEN | TF-MHL-TPA-R-SO-RSEN | MHL Source RxSense Test Board Receptacle |
| 640-0459-000 | MHL-TPA-R-SI-RSEN | TF-MHL-TPA-R-SI-RSEN | MHL Sink and Dongle RxSense Test Board Receptacle |
| 640-0481-000 | MHL-TPA-TEK-CBC | TF-MHL-TPA-CBC | MHL Cable Calibration Adapter Unit |
| 640-0463-000 | MHL-TPA-R-WOSOD | TF-MHL-TPA-R-WOSOD | Direct Attach Fixture |
| 640-0486-000 | MHL3-TPA-P-SOS | TF-MHL3-TPA-P-SOS | MHL 3.0 μUSB test adapter |
| 640-0487-000 | MHL3-TPA-P-SOSIS | TF-MHL3-TPA-P-SOSIS | MHL 3.0 HDMI test adapter |
Recommended equipment in MHL CTS 1.1, 1.2, 1.3, 2.0, 2.1, and 3.3 to perform other tests manually
- DSA8200/8300 with 80E03, 80E04, and IConnect® Software
- Sampling scope with necessary modules and IConnect® Software for MHL Rx impedance tests and cable tests
- DPO2024, MSO2024, MSO4054
- Low-bandwidth Scopes. Used for CTS Test IDs 3.1.1.13.5; 4.1.1.7; 5.1.1.7; 5.1.1.8
- P2221, TPP0500B
- Passive Probes. Used for CTS Test IDs 3.1.1.13; 4.1.1.7; 5.1.1.7; 5.1.1.8
- Keithley 2400
- Source Meter. Used for CTS Test IDs 7.2.1.13; 7.2.1.14
- PWS2185, PWS4205, 2220-30-1, 2220J-30-1
- Power Supplies. Used for all tests where an external power supply is needed
- DMM4020, DMM4040, DMM4050
- Digital Multimeter. Used for CTS Test IDs 3.1.1.1; 7.2.1.15



