
與我們聯絡
與 Tek 業務代表即時對談。 上班時間:上午 6:00 - 下午 4:30 (太平洋時間)
致電
請致電
與 Tek 業務代表即時對談。 上班時間:上午 8:30 - 下午 5:30 (太平洋時間)
下載
下載手冊、產品規格表、軟體等等:
意見回饋
PSPL5530B 12.5 GHz Bias Tee Datasheet
PSPL5530B Datasheet
Tektronix 不再銷售此產品規格表上的產品。
檢視 Tektronix Encore 以取得檢修測試設備。
檢查這些產品的支援和保固狀態。

The PSPL5530B is a broadband coaxial bias insertion tee for low current applications such as biasing avalanche photo diodes. It is rated for 200 V. It is designed to pass fast rise time pulses with minimum waveform distortion. The rise time is 35 ps, with a -3 dB bandwidth extending from 20 kHz to 12.5 GHz.
Key performance specifications
- 20 kHz to 12.50 GHz
- 35 ps rise time
- 200 V, 10 mA
Typical performance

Insertion Loss, AC to AC+DC

Return Loss, AC Port

Isolation, AC to DC
Top to bottom: 500 ps/dic, 100 ps/div, 20 ps/div; Response to Step with 15 ps rise time

2.5% rho/div and 200 ps/div; 35 ps TDR of AC port
Specifications
| Parameter | Symbol | Units | Minimum | Typical | Maximum | Comments |
|---|---|---|---|---|---|---|
| Impedance | Z | ohms | 50 | |||
| Upper 3 dB frequency | fc,h | GHz | 10 | 12.5 | ||
| Lower 3 dB frequency | fc,l | kHz | 20 | |||
| Rise time | tr | ps | 35 | 40 | 10 – 90% | |
| Insertion loss | S21 | dB | 0.2 | 0.5 | (0.01 – 1 Ghz) | |
| Return loss | S11 | dB | RL > 25 dB – 3 dB / GHz * f (GHz) RL > 15 dB – 1 dB / GHz * f (GHz) |
0.1 5 GHz | ||
| Refl. Coefficient (35 ps TDR) | Γ | % | ±8 –2.5 |
t t > 200 ps | ||
| DC voltage | V | V | 200 | |||
| DC current | I | mA | 10 | |||
| Capacitance | C | μF | 0.082 | ±20% | ||
| Resistance | R | k ohms | 1 | |||
| RF power | P | W | 2 | Average power | ||
| Isolation | S13 | dB | 45 20 |
f f > 1 GHz | ||
| DC path bandwidth | fc,DC | kHz | 30 | |||
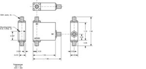
| RF Connectors | SMA jacks (f) | |||||
| DC Connector | SMA jack (f) | |||||
| Warranty | One Year | |||||
- Mechanical dimensions

Ordering information
Models
- PSPL5530B
- BIAS TEE, 12.5 GHz, 200 V

