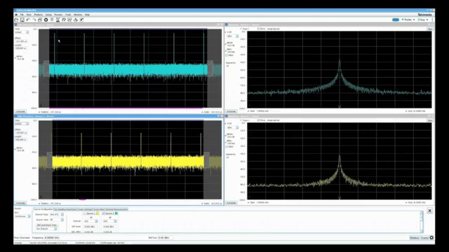
See how SignalVu VSA software version 5.3 paired with a Tektronix DPO70000SX or MSO/DPO70000DX Series oscilloscope makes an excellent choice for validating a MIMO phased array RADAR because of the SignalVu software’s ability to provide independent settings for parameters such as center frequency, span, and RBW.
기간 5:28







