In today's electronics, measuring standby power or current leakage is a common task during debug and design validation.With consumer demand for longer battery life and energy efficient products, design engineers must carefully manage the energy lost to current leakage, requiring accurate measurements.
Standby current leakage is often designed into a device. It is a side-effect of products providing "instant-on" capability, consumer electronics with always-on clock displays, as well as power conversion devices such as battery chargers. Because energy is power multiplied by time, even if the standby power level is low, a significant amount of energy can be consumed over long time periods, dissipating AC line power and draining power stored in batteries.
Accurately measuring low-level leakage currents in the nanoampere range is a challenge for most digital multimeters.The Tektronix DMM4020 multimeter offers a dedicated circuit for measuring leakage currents with a resolution of 1 nA to meet this challenge.

Measuring Standby Current Leakage
Measuring standby current seems like it would be an easy task. Simply apply the leads of a quality digital multimeter (DMM) to the appropriate terminals and measure for direct current amperes. In reality, the task is not so simple, because current leakage typically falls in the low microampere range, and measurements made with traditional DMMs can be inaccurate.
DMMs usually measure current by applying a known resistance in the form of a shunt resistor in series with the circuit being tested and allowing a current to flow through the circuit. With the current flowing, the DMM measures the voltage drop across the shunt resistor and uses Ohm's Law to calculate the current. This shunt-resistor method introduces a voltage drop, called the burden voltage, across the shunt as shown in Figure 1. The burden voltage becomes a source of error because, in accordance with Kirchoff’s voltage law (KVL), it subtracts from the supplied voltage in the circuit. Errors of 50% or more are possible.
By using a lower shunt resistance, you can reduce the amount of error, and high-end DMMs do offer selectable current ranges with variable shunt values. However, using low shunt resistance values will increase the measured voltage sensitivity to the point that the measurement becomes inaccurate and unstable.

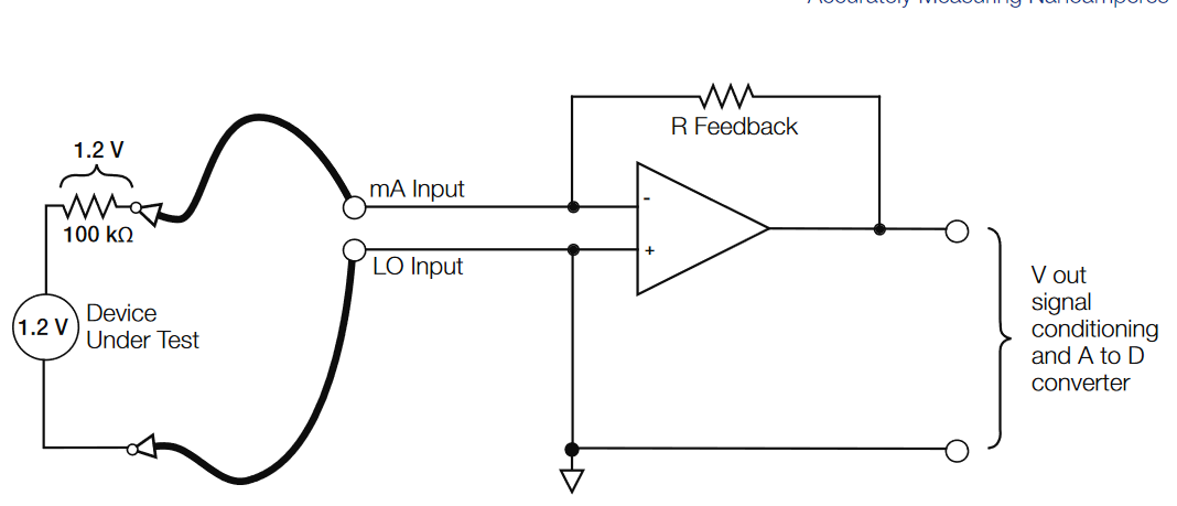
Much better accuracy can be achieved using a DMM that functions as an ammeter in low-current applications by using a current-to-voltage operational amplifier (op amp) conversion technique in series with the circuit, as shown in Figure 2.
For example, a circuit with a 1.2 V dc supply and a device under test load of 100 kΩ results in a calculated current of 12 μA. However, with the additional series meter shunt resistance (10 kΩ), the measured current through the device under test will drop to 10.909 μA. To improve the sensitivity of low current measurements, ammeter design engineers will increase the shunt resistance; as the shunt resistance increases, so will the error.
The Tektronix DMM4020 digital multimeter employs a currentto-voltage op amp in two low direct-current ranges: 2000 μA and 200 μA. In these ranges, the op amp introduces a low impedance into the circuit and converts the unknown input current to a voltage, eliminating the need for a low resistance shunt and thereby eliminating the burden voltage. The result is an instrument that, for low-current measurements in the stated ranges, provides resolution up to 1 nA with 0.03% accuracy, and has minimal loading affect on the measurement.Now, standby currents can be accurately measured with the DMM4020 bench multimeter from Tektronix.
Be Alert to Error Sources
In making low-current measurements, you should be aware of the possible sources of measurement errors and how to keep them from having an impact on your measurements.Here are some common error points:
- Extraneous leakage current such as those caused by contaminants—dirt, grease, solder flux, etc. Whether on the device being tested, the test instrument itself or the test cables or connectors, contaminants can provide alternative paths for current to follow and thereby introduce errors into measurements. Before conducting low-current tests, you should clean all potentially contaminated surfaces with alcohol.
- Noise of any kind can introduce errors into low-current readings:
- - AC line noise can overwhelm sensitive amplifiers creating inaccurate readings. Filtering can help, and using either coaxial or shielded twisted-pair test cables will reduce erroneous readings.
- - Audible noise of any kind can introduce vibration into the measuring process. Vibration can, in turn, lead to the movement of a conductor against an insulator, creating error-producing noise in the circuit.
- - Thermal noise is produced when heat in the shunt or the device being tested stimulates the random motion and collisions of electrons in the circuit. The resulting voltage and current are proportional to the square of the resistance in the circuit (from both the device under test and the measurement circuit). Using shunts with lower resistances will help.
Find more valuable resources at TEK.COM
Copyright © Tektronix. All rights reserved. Tektronix products are covered by U.S. and foreign patents, issued and pending. Information in this publication supersedes that in all previously published material. Specification and price change privileges reserved. TEKTRONIX and TEK are registered trademarks of Tektronix, Inc. All other trade names referenced are the service marks, trademarks or registered trademarks of their respective companies.
09/09 3MW-24435-0
