
Kontaktaufnahme
Live-Chat mit Tektronix-Vertretern. Verfügbar von 9 bis 17 Uhr CET Geschäftstage.
Anrufen
Kontaktieren Sie uns telefonisch unter
Verfügbar von 9 bis 17 Uhr CET Geschäftstage.
Download
Laden Sie Handbücher, Datenblätter, Software und vieles mehr herunter:
Feedback
HF-Spektrumanalysator-Software SignalVu-PC
SignalVu-PC gibt Ihnen ein umfassendes Toolset für Spektrumanalyse, Vektorsignalanalyse, Demodulation und weitere Einsatzbereiche in vielen Fachgebieten in die Hand. Hier einige Beispiele:
- Echtzeit-Analyse und erweitertes Triggern mit Tektronix RSA-Signalanalysatoren
- Mehrkanalige Breitbandanalyse mit Tektronix-Oszilloskopen
- Offline-Analyse von mit Tektronix Spektrumanalysatoren und Oszilloskopen erfassten Signalen
This software is available for use with the 5, 6 and 7 Series oscilloscopes.
Kostenlos testen. Jetzt eine 30-Tage-Testversion der Spektrumanalysator-Software „SignalVu-PC“ herunterladen.
GRUNDPREIS
US $1,970
+
SignalVu-PC
Umfassende Vektorsignalanalyse
SignalVu-PC ermöglicht eine erweiterte HF-Analyse auf Windows-PCs oder Oszilloskopen und bietet eine über alle Hardwareplattformen hinweg konsistente Benutzererfahrung.
- Leistungsstarke Benutzeroberfläche für Spektrumanalysatoren Tektronix RSA
- Auf MSO der Serien 5 und 6 B und Oszilloskopen der Serie 7, die direkt auf den optionalen Windows 10-Laufwerken der Oszilloskope installiert sind
- Zur Offline-Analyse von mittels Tektronix Oszilloskopen und Echtzeit-Spektrumanalysatoren erfassten HF-Signalen
Für eine erweiterte Vektorsignalanalyse ist eine Version von SignalVu als Option für Oszilloskope der MSO/DPO70000 Series erhältlich.


Auf Ihre HF-Anwendung zugeschnittene Module
Die Basisversion der Software „SignalVu-PC“ steht als kostenloser Download zur Verfügung und bietet Spektrumanalysen, HF-Leistungsdichte und Statistiken, Spektrogramme, Amplituden-, Frequenz- und Phasengang und Messungen von Analogmodulationen. Mit optionalen Lizenzen können Sie digitale Modulationsanalyse, Impulsanalyse, lückenlose HF-Aufzeichnung und -Wiedergabe, erweitertes Triggern sowie viele weitere Darstellungsmöglichkeiten und Messungen freischalten, maßgeschneidert auf Ihre HF-Anwendung:
Mehrkanalige HF-Analyse auf Ihrem Oszilloskop
Für vollständig synchronisierte Mehrkanal-Zeitbereichs- und HF-Analysen können Sie die Software SignalVu-PC zusammen mit einem MSO Oszilloskop der Serie 5B oder 6B oder einem DPO Oszilloskop der Serie 7 nutzen.
- Bis zu 8 HF-Eingänge ermöglichen Einblicke und beschleunigen die Entwicklung von Multisignal- und Multi-DUT-Systemen
- Mit domänenübergreifender Analyse, präziser Triggerung und unabhängiger Kanalsteuerung können Sie komplexe Szenarien analysieren
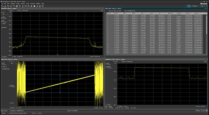
- Über 30 automatisierte Impulsparametermessungen und -statistiken liefern Einblicke in Mehrkanal-Radar- oder EW-Systeme
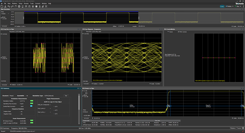
- Die digitale Modulationsanalyse bietet EVM- und Modulationsgenauigkeit für eine breite Palette von Kommunikationssystemen


Spektrumanalysator-Software für Vorabprüfung auf EMV-Konformität
Keine Angst vor EMI/EMV- und HF-Konformitätsprüfungen von Produkten. Die Anwendungsoption EMCVu für Vorabprüfung auf Konformität gibt Ihnen eine schnelle, genaue und kostensparende Möglichkeit zum Feststellen, ob Ihre Produktentwürfe der teuren Prüfstelle für EMI/EMV-Konformitätsprüfungen bezüglich Störabstrahlungen und leitungsgebundenen Störungen übergeben werden kann. EMCVu bietet einen schrittweise zu durchlaufenden Setup-Assistenten, Unterstützung von Zubehör von Drittanbietern, Berichtstools und Support auf Knopfdruck für IEC/CISPR, CENELEC/EN, FCC, MIL/DEF oder benutzerdefinierte Standards. Auf diese Weise können Sie schnell Scans von Produkten vor der Konformitätsprüfung durchführen, Mängel beheben und Scans bequem in Ihrem eigenen Labor vergleichen.
Testen Sie die Spektrumanalysator-Software 30 Tage lang kostenlos
Die Basisversion von SignalVu-PC kostenlos herunterladen und für die Offline-Analyse von Signalen oder für die Kommunikation und Steuerung der Echtzeit-Spektrumanalysatoren (Signal) der Tektronix RSA306, RSA500, RSA600 und RSA7100 Serie verwenden. Diese kostenlose Spektrumanalysator-Software unterstützt die Offline-Analyse von Dateien, die von Tektronix RTSA (Echtzeit-Spektrumanalysatoren ) und Oszilloskopen erfasst wurden und enthält 17 Standardmessungen. Zudem bieten wir Aktualisierungen auf mehr als 15 fortgeschrittene Messungen an. Diese zusätzlichen Messungen sind auf allen von SignalVu-PC oder SignalVu unterstützten Plattformen verfügbar.Sie können jedes Anwendungs-Upgrade 30 Tage lang kostenlos testen. Bezahlen Sie nur für die Upgrades, die Sie tatsächlich brauchen.
Laden Sie zuerst die kostenlose Spektrumanalysator-Software „SignalVu-PC“ herunter, und aktivieren Sie dann die Anwendungstests Ihrer Wahl. Upgrades sind als knotengebundene Version oder als Floating-Version verfügbar. Knotengebundene Lizenzen können Sie dreimal auf einen neuen PC übertragen. Bei Floating-Lizenzen können ausgewählte Benutzer individuelle Lizenzen verwalten. Alle Testversionen sind Floating-Lizenzen.
EMCVu: Prüfung und Herstellung von EMV vor Konformitätszertifizierung |
||
|---|---|---|
|
|
1 | SignaVu-PC-Software herunterladen |
| 2 | 30-Tage-Testversion von EMCVU aktivieren | |
| 3 | Angebot für EMCVUFL-SVPC anfordern (Floating-Lizenz) | |
| Angebot für EMCUFL-SVPC anfordern (knotengebundene Lizenz) | ||
|
SVP: Erweiterte Signalanalyse (einschließlich Impulsmessungen)
![]()
|
1 | SignaVu-PC-Software herunterladen |
| 2 | 30-Tage-Testversion von SVP aktivieren | |
| 3 | Angebot für SVPFL-SVPC anfordern (Floating-Lizenz) | |
| Angebot für SVPNL-SVPC anfordern (knotengebundene Lizenz) | ||
|
SVA: AM/FM/PM-Analyse und direkte Audiosignalanalyse
![]()
|
1 | SignaVu-PC-Software herunterladen |
| 2 | 30-Tage-Testversion von SVA aktivieren | |
| 3 | Angebot für SVAFL-SVPC anfordern (Floating-Lizenz) | |
| Angebot für SVANL-SVPC anfordern (knotengebundene Lizenz) | ||
|
SVT: Messung der Einschwingzeit (Frequenz und Phase)
![]()
|
1 | SignaVu-PC-Software herunterladen |
| 2 | 30-Tage-Testversion von SVT aktivieren | |
| 3 | Angebot für SVTFL-SVPC anfordern (Floating-Lizenz) | |
| Angebot für SVTNL-SVPC anfordern (knotengebundene Lizenz) | ||
|
SVM: Allgemeine Modulationsanalyse
![]()
|
1 | SignaVu-PC-Software herunterladen |
| 2 | 30-Tage-Testversion von SVM aktivieren | |
| 3 | Angebot für SVMFL-SVPC anfordern (Floating-Lizenz) | |
| Angebot für SVMNL-SVPC anfordern (knotengebundene Lizenz) | ||
|
SVO: Benutzerdefinierte OFDM-Analyse
![]()
|
1 | SignaVu-PC-Software herunterladen |
| 2 | 30-Tage-Testversion von SVO aktivieren | |
| 3 | Angebot für SVOFL-SVPC anfordern (Floating-Lizenz) | |
| Angebot für SVONL-SVPC anfordern (knotengebundene Lizenz) | ||
|
CON: SignalVu-PC-Echtzeitverbindung zur Serie 5/6, Serie MSO oder MDO4000B/C
|
1 | SignaVu-PC-Software herunterladen |
| 2 | 30-Tage-Testversion von CON aktivieren | |
| 3 | Angebot für CONFL-SVPC anfordern (Floating-Lizenz) | |
| Angebot für CONNL-SVPC anfordern (knotengebundene Lizenz) | ||
|
SV23: WLAN 802.11a/b/g/j/p-Messanwendung
|
1 | SignaVu-PC-Software herunterladen |
| 2 | 30-Tage-Testversion von SV23 aktivieren | |
| 3 | Angebot für SV23FL-SVPC anfordern (Floating-Lizenz) | |
| Angebot für SV23NL-SVPC anfordern (knotengebundene Lizenz) | ||
|
SV24: WLAN 802.11n Messanwendung (erfordert Anwendung SV23)
![]()
|
1 | SignaVu-PC-Software herunterladen |
| 2 | 30-Tage-Testversion von SV24 aktivieren | |
| 3 | Angebot für SV24FL-SVPC anfordern (Floating-Lizenz) | |
| Angebot für SV24NL-SVPC anfordern (knotengebundene Lizenz) | ||
|
SV25: WLAN 802.11ac Messanwendung (erfordert Anwendung SV24)
![]()
|
1 | SignaVu-PC-Software herunterladen |
| 2 | 30-Tage-Testversion von SV25 aktivieren | |
| 3 | Angebot für SV25FL-SVPC anfordern (Floating-Lizenz) | |
| Angebot für SV25NL-SVPC anfordern (knotengebundene Lizenz) | ||
|
SV2C: Paket für Echtzeitverbindung zu MDO4000B/C- und WLAN 802.11a/b/g/j/p/n/ac-Messungen (enthält auch die Anwendungen CON, SV23, SV24 und SV25)
Siehe Anwendungen SV23, SV24, SV25 |
1 | SignaVu-PC-Software herunterladen |
| 2 | 30-Tage-Testversion von SV2C aktivieren | |
| 3 | Angebot für SV2CFL-SVPC anfordern (Floating-Lizenz) | |
| Angebot für SV2CNL-SVPC anfordern (knotengebundene Lizenz) | ||
|
MAP: Kartierung
![]()
|
1 | SignaVu-PC-Software herunterladen |
| 2 | 30-Tage-Testversion von MAP aktivieren | |
| 3 | Angebot für MAPFL-SVPC anfordern (Floating-Lizenz) | |
| Angebot für MAPNL-SVPC anfordern (knotengebundene Lizenz) | ||
|
SV26: APCO-P25-Messanwendung
![]()
|
1 | SignaVu-PC-Software herunterladen |
| 2 | 30-Tage-Testversion von SV26 aktivieren | |
| 3 | Angebot für SV26FL-SVPC anfordern (Floating-Lizenz) | |
| Angebot für SV26NL-SVPC anfordern (knotengebundene Lizenz) | ||
|
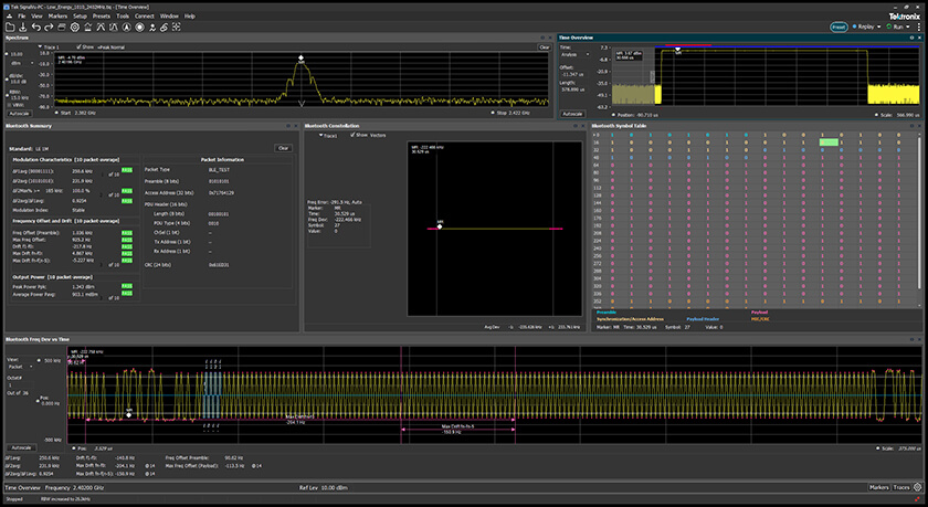
SV27: Grundlegende Bluetooth-LE-TX-SIG-Messungen
![]()
|
1 | SignaVu-PC-Software herunterladen |
| 2 | 30-Tage-Testversion von SV27 aktivieren | |
| 3 | Angebot für SV27FL-SVPC anfordern (Floating-Lizenz) | |
| Angebot für SV27NL-SVPC anfordern (knotengebundene Lizenz) | ||
|
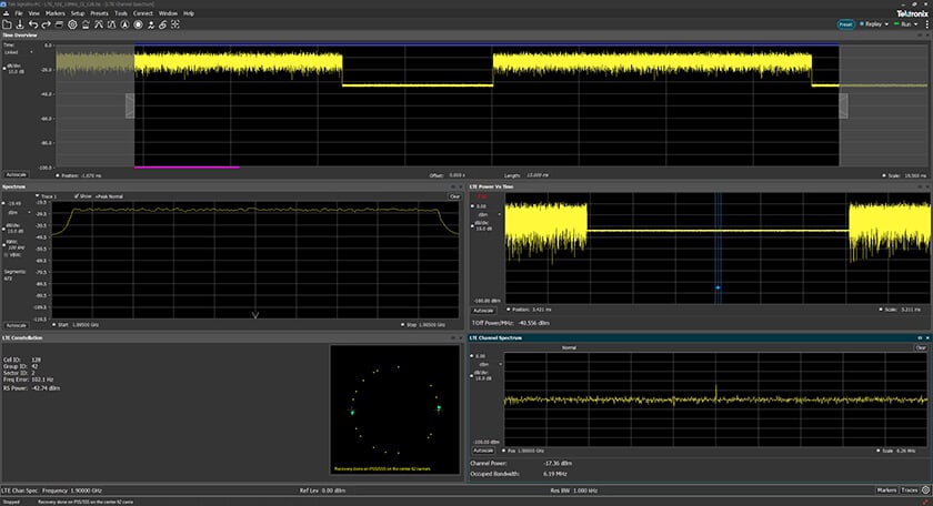
SV28: HF-Messungen bei LTE-Downlinks (eNB)
![]()
|
1 | SignaVu-PC-Software herunterladen |
| 2 | 30-Tage-Testversion von SV28 aktivieren | |
| 3 | Angebot für SV28FL-SVPC anfordern (Floating-Lizenz) | |
| Angebot für SV28NL-SVPC anfordern (knotengebundene Lizenz) | ||
|
SV56: Wiedergabe aufgezeichneter Dateien
|
1 | SignaVu-PC-Software herunterladen |
| 2 | 30-Tage-Testversion von SV56 aktivieren | |
| 3 | Angebot für SV56FL-SVPC anfordern (Floating-Lizenz) | |
| Angebot für SV56NL-SVPC anfordern (knoten Lizenz) | ||
|
SV54: Signalausmessung und -klassifizierung
|
1 | SignaVu-PC-Software herunterladen |
| 2 | 30-Tage-Testversion von SV54 aktivieren | |
| 3 | Angebot für SV54FL-SVPC anfordern (Floating-Lizenz) | |
| Angebot für SV54NL-SVPC anfordern (knotengebundene Lizenz) | ||
|
SV60: Kabel- und Antennentest
Mit dem Mitlaufgenerator (Option 04) führt die Serie RSA500A/600A Einpol-Messungen an Leitungen, Geräten und Antennen durch. Dadurch entfällt die Notwendigkeit kostspieliger externer Referenzquellen. Gemessen werden:
|
1 | SignaVu-PC-Software herunterladen |
| 2 | 30-Tage-Testversion von SV60 aktivieren | |
| 3 | Angebot für SV60FL-SVPC anfordern (Floating-Lizenz) | |
| Angebot für SV60NL-SVPC anfordern (knotengebundene Lizenz) | ||
|
B800: Bei RSA7100B: Erfassungsbandbreite von 800 MHz
|
1 | SignaVu-PC-Software herunterladen |
| 2 | 30-Tage-Testversion von B800 aktivieren | |
| 3 | Angebot für B800FL-SVPC anfordern (Floating-Lizenz) | |
| Angebot für B800NL-SVPC anfordern (knotengebundene Lizenz) | ||
|
STREAM: Bei RSA7100B: Streamingdaten (erforderlich für RAID-Speicher)
|
1 | SignaVu-PC-Software herunterladen |
| 2 | 30-Tage-Testversion von STREAM aktivieren | |
| 3 | Angebot für STREAMFL-SVPC anfordern (Floating-Lizenz) | |
| Angebot für STREAMNL-SVPC anfordern (knotengebundene Lizenz) | ||
|
TRIG: Für RSA7100B: Komfort-Trigger zur Verwendung mit Analysator mit Erfassungsbandbreite von bis zu 1 GHz
|
1 | SignaVu-PC-Software herunterladen |
| 2 | 30-Tage-Testversion von TRIG aktivieren | |
| 3 | Angebot für TRIGFL-SVPC anfordern (Floating-Lizenz) | |
| Angebot für TRIGNL-SVPC anfordern (knotengebundene Lizenz) | ||
|
SV31: Bluetooth 5-Messungen (erfordert Anwendung SV27)
![]()
|
1 | SignaVu-PC-Software herunterladen |
| 2 | 30-Tage-Testversion von SV31NL-SVPC aktivieren | |
| 3 | Angebot für SV31FL-SVPC anfordern (Floating-Lizenz) | |
| Angebot für SV31NL-SVPC anfordern (knotengebundene Lizenz) | ||
|
SVQP: CISPR-Detektoren
![]()
|
1 | SignaVu-PC-Software herunterladen |
| 2 | 30-Tage-Testversion von SVQPNL-SVPC aktivieren | |
| 3 | Angebot für SVQPFL-SVPC anfordern (Floating-Lizenz) | |
| Angebot für SVQPNL-SVPC anfordern (knotengebundene Lizenz) | ||
|
PHASxx-SVPC: Für RSA7100B: Phasenrauschen-/Phasenjitter-Messungen
![]()
|
1 | SignaVu-PC-Software herunterladen |
| 2 | 30-Tage-Testversion von PHASNL-SVPC aktivieren | |
| 3 | Angebot für PHASFL-SVPC anfordern (Floating-Lizenz) | |
| Angebot für PHASNL-SVPC anfordern (knotengebundene Lizenz) | ||
Spektrumanalysator-Software für mehrere Geräte
Die Spektrumanalysator-Software „SignalVu-PC“ bietet denselben Funktionsumfang und dieselbe Bedienoberfläche wie die Spektrumanalysatoren RSA5000 und SPECMON sowie die Echtzeit-Spektrum- und Signalanalysatoren RSA6000. Zudem hat „SignalVu-PC“ denselben Funktionsumfang und dieselbe Bedienoberfläche wie die Optionen „SignalVu“ für die Oszilloskope MSO/DPO5000, DPO7000, MSO/DPO70000 und DPO70000SX.
| Geräteserie | Gerätetyp | Konnektivität und Nutzung | Softwarelizenz | Maximale Erfassungsbandbreite |
|---|---|---|---|---|
| RSA306, RSA306B, RSA500 und RSA600 | Echtzeit-Signalanalysatoren (RSA) mit USB | USB 3.0 zum Anschließen an einen Windows-PC mit installierter Software „SignalVu-PC“ | Kostenlos | 40 MHz |
| RSA5100B | Hochleistungs-Echtzeit-Signalanalysator (RTSA) | SignalVu läuft direkt auf dem Betriebssystem des RTSA | Kostenlos | 165 MHz |
| RSA7100B | Hochleistungs-Echtzeit-Signalanalysator (RTSA) | 2 x PCIe USB 3.0 auf dem Frontpaneel zum Anschließen an einen Hochgeschwindigkeits-RAID-Controller mit installierter Software „SignalVu-PC“ | Kostenlos | 800 MHz |
| MDO4000B/C | Mixed-Domain-Oszilloskop (MDO) | USB 2.0 zum Anschließen an einen PC mit installierter Software „SignalVu-PC“ | Connect erforderlich (CON oder SV2C) | 1 GHz |
| 5 Series MSO oder 6 Series MSO | Mixed-Signal-Oszilloskop (MSO) mit Touchscreen | SignalVu-PC läuft direkt auf dem Betriebssystem der MSO5/6 Series (Option „5/6-Win“ erforderlich), oder Gerät ist über USB 2.0 an einen separaten Windows-PC mit installierter Software „SignalVu-PC“ angeschlossen | Connect (CON oder SV2C) und Opt. SV-RFVT erforderlich, zur Ausführung auf dem Oszilloskop-Betriebssystem Option 5/6-Win | 2 GHz |
| MSO/DPO70000SX/DX
MSO/DPO70KC MSO/DPO5000 DPO7000 |
Hochleistungs-Digital-, Mixed-Signal- und Mixed-Domain-Oszilloskope | SignalVu läuft direkt auf dem Betriebssystem des Hochleistungs-Oszilloskops | Auf dem Oszilloskop muss Option SVE ausgeführt werden | 70 GHz |
Videos zu Spektrumanalysator-Software
Ressourcen zu Spektrumanalysator-Software
Häufig gestellte Fragen zur Spektrumanalysator-Software
Was ist ein Spektrumanalysator?
Ein Spektrumanalysator misst die spektrale Leistungsdichte bekannter und unbekannter Signale. Diese Prüfgeräte messen den Amplitudengang eines Eingangssignals über den gesamten Frequenzbereich des Geräts hinweg.
Was ist eine Spektrumanalysator-Software?
Unter Hochfrequenz(HF)-Ingenieuren ist Software für Spektrumanalysatoren ein weit verbreitetes Tool. Anhand der Software können Sie die Erfassung, Verarbeitung und Visualisierung des Spektrums erfasster Signale (HF-Signale) einrichten. Die Software vereinfacht zudem weitere Analysen und Messungen.
Was tut eine Spektrumanalysator-Software?
Eine Spektrumanalysator-Software analysiert und validiert Signale in HF-Schaltungen, ganz unabhängig vom für die Signaldatenerfassung verwendeten Gerät (Signal- oder Spektrumanalysatoren oder Eingangskanäle von Oszilloskopen). Nach der Transformation des Signals aus dem Zeitbereich in den Frequenzbereich können Sie das mithilfe der Software auf verschiedene Weise darstellen und so genaue Messungen durchführen. Moderne Prüfgeräte werden häufig für die Analyse anspruchsvoller Anwendungen von Millimeterwellen genutzt, z. B. Analyse von Signalen von 5G New Radio, Breitbandradar und gepulsten HF-Signalen, WLAN, Bluetooth, Signale kabelloser Übertragungsverfahren für die Öffentlichkeit, Prüfung und Herstellung von EMV vor Konformitätszertifizierung und vieles mehr.
Was ist der Unterschied zwischen einem Spektrumanalysator und einem Oszilloskop?
Auf jedem Labortisch sind Oszilloskope und Spektrumanalysatoren zwei der wichtigsten Geräte. Ein Spektrumanalysator erfasst Informationen über die Frequenz, ein Oszilloskop hingegen den Signalverlauf über die Zeit. Mit diesen beiden Geräten zusammen können Ingenieure die Charakteristik von Signalen ermitteln.
Sind Spektrumanalysator und FFT dasselbe?
Spektrumanalysatoren sind speziell für das Darstellen von Signalen im Frequenzbereich ausgelegt. Da diese Analysatoren jedoch nicht immer problemlos verfügbar sind, haben Oszilloskope meist das Frequenzspektrum eines Signals mithilfe des FFT(Fast Fourier Transformation)-Algorithmus dargestellt. FFTs sind jedoch bekanntermaßen schwierig zu nutzen, und die akkurate Darstellung der Frequenzspektren gestaltet sich kompliziert. Unsere Oszilloskope und Spektrumanalysatoren unterstützen zwar Standard-FFT, nutzen jedoch eine neue, fortschrittlichere Architektur für die Spektrumanalyse.

















