
Sobald Sie verstanden haben, was ein Oszilloskop ist und die benötigte Art von Oszilloskop bestimmt haben, gibt es immer noch viele Modelle zur Auswahl, darunter tragbare und handgehaltene Geräte. Bei der Auswahl eines Oszilloskops gibt es eine Reihe von Aspekten zu berücksichtigen, wie die Benutzerfreundlichkeit, die Abtastrate der verwendeten Tastköpfe zum Übertragen von Daten und alle Elemente eines Oszilloskops, die dessen Fähigkeit zur Erreichung der erforderlichen Signalintegrität beeinflussen.
Um diese Überlegungen zu verstehen, betrachten wir kurz die Benutzerfreundlichkeit sowie die Oszilloskop-Tastköpfe und beschreiben dann einige nützliche Mess- und Leistungsbegriffe von Oszilloskopen. Diese Begriffe decken die Kriterien ab, die für die Auswahl des richtigen Oszilloskops für Ihre Anwendung entscheidend sind.
Benutzerfreundlichkeit
Oszilloskope sollten leicht zu erlernen und zu bedienen sein, damit Sie mit maximaler Effizienz und Produktivität arbeiten können. Dadurch können Sie sich ganz auf Ihren Entwurf konzentrieren, anstatt auf die Messinstrumente. So wie es keinen typischen Autofahrer gibt, gibt es auch keinen typischen Oszilloskop-Anwender. Unabhängig davon, ob Sie eine traditionelle Geräteoberfläche oder ein Windows®-Softwareinterface bevorzugen, ist es wichtig, Flexibilität in der Bedienung Ihres Oszilloskops zu haben. Viele Oszilloskope bieten ein Gleichgewicht zwischen Leistung und Einfachheit, indem sie viele Möglichkeiten zur Bedienung des Geräts bereitstellen. Das Layout des Bedienfelds eines typischen Oszilloskops (Abbildung 60) bietet dedizierte vertikale und horizontale Steuerungen sowie Triggersteuerungen.

Abbildung 60: Traditionelle analoge Drehregler steuern Position, Skala, Intensität etc. – genau so, wie Sie es erwarten würden.
Die vollständigen Messsystem-Tastköpfe
Selbst das fortschrittlichste Gerät kann nur so präzise sein wie die Daten, die es aufnimmt. Ein Tastkopf arbeitet mit einem Oszilloskop als Teil des Messsystems zusammen. Präzise Messungen beginnen an der Tastkopfspitze. Die richtigen Tastköpfe, die auf das Oszilloskop und das zu testende Gerät (DUT) abgestimmt sind, ermöglichen nicht nur eine saubere Übertragung des Signals zum Oszilloskop, sondern sie verstärken und empfangen auch das Signal für die beste Signalintegrität und Messgenauigkeit. Weitere Informationen über Sonden und Zubehör finden Sie im Einführungshandbuch „ABC der Oszilloskope“.
Bandbreite
Die Bandbreite bestimmt die grundlegende Fähigkeit eines Oszilloskops, ein Signal zu messen. Mit steigender Signalfrequenz verringert sich die Fähigkeit des Oszilloskops, das Signal genau darzustellen. Diese Spezifikation gibt den Frequenzbereich an, in dem das Oszilloskop genaue Messungen durchführen kann.
Die Oszilloskop-Bandbreite wird als die Frequenz definiert, bei der ein sinusförmiges Eingangssignal auf 70,7 % der tatsächlichen Signalamplitude gedämpft wird. Dieser Wert wird entsprechend der logarithmischen Notation auch als „–3 dB“-Punkt bezeichnet (siehe Abbildung 44).

Abbildung 44: Die Oszilloskop-Bandbreite ist die Frequenz, bei der ein sinusförmiges Eingangssignal auf 70,7 % der wahren Amplitude des Signals gedämpft wird, der sogenannte -3 dB-Punkt.
Ohne ausreichende Bandbreite ist das Oszilloskop nicht in der Lage, hochfrequente Änderungen zu erfassen. Die Amplitude wird verzerrt. Die Flanken sind kaum sichtbar. Details gehen verloren. Alle Funktionsmerkmale, Sonderfunktionen und Extras des Oszilloskops werden bedeutungslos.
Zur Bestimmung der Oszilloskop-Bandbreite, die zur genauen Charakterisierung der Signalamplitude in Ihrer spezifischen Anwendung erforderlich ist, wenden Sie die „Fünffach-Regel“ an:

Fünffach-Regel
Ein mit der Fünffach-Regel ausgewähltes Oszilloskop ergibt bei den Messungen eine Fehlerrate von weniger als ±2 %. Dies ist in der Regel für heutige Anwendungen ausreichend. Mit zunehmender Signalgeschwindigkeit kann es jedoch unmöglich werden, diese Faustregel zu erfüllen. Es ist grundsätzlich zu beachten, dass eine höhere Bandbreite eine genauere Reproduktion des Signals ermöglicht, wie in Abbildung 45 dargestellt.

Abbildung 45:Je höher die Bandbreite ist, desto genauer ist die Wiedergabe Ihres Signals, wie die Abbildung mit einem Signal zeigt, das mit einer Bandbreite von 250 MHz, 1 GHz und 4 GHz aufgezeichnet wurde.
Einige Oszilloskope bieten eine Methode zur Vergrößerung der Bandbreite durch digitale Signalverarbeitung. Ein arbiträrer DSP-Entzerrungsfilter kann verwendet werden, um die Kanalantwort des Oszilloskops zu verbessern. Dieser Filter vergrößert die Bandbreite, glättet den Kanalfrequenzgang des Oszilloskops, verbessert die Phasenlinearität und ermöglicht einen besseren Abgleich zwischen den Kanälen. Er verringert außerdem die Anstiegszeit und verbessert die Sprungantwort im Zeitbereich.
Anstiegszeit
Die Anstiegszeit beschreibt den nutzbaren Frequenzbereich eines Oszilloskops. Messungen der Anstiegszeit sind in der digitalen Welt von entscheidender Bedeutung. Die Anstiegszeit kann ein besser geeigneteres Leistungskriterium sein, wenn digitale Signale wie z. B. Impuls- und Sprungsignale, gemessen werden sollen. Ein Oszilloskop muss über eine ausreichende Anstiegszeit verfügen, um die Einzelheiten schneller Übergänge genau zu erfassen (Abbildung 46).

Abbildung 46: Charakterisierung der Anstiegszeit eines digitalen Hochgeschwindigkeitssignals.
Um die für Ihre Signalart erforderliche Anstiegszeit des Oszilloskops zu berechnen, können Sie diese Gleichung verwenden:

Oszilloskop-Anstiegszeit
Die Nutzung dieser Gleichung ist der Gleichung für die Bandbreite ähnlich. Wie bei der Bandbreite kann diese Faustregel aufgrund der heutigen extremen Signalgeschwindigkeiten nicht immer eingehalten werden. Denken Sie stets daran, dass ein Oszilloskop mit schnellerer Anstiegszeit die wichtigen Details schneller Übergänge genauer erfassen kann.
Bei einigen Anwendungen ist möglicherweise nur die Anstiegszeit eines Signals bekannt. Mithilfe einer Konstanten und der folgenden Gleichung können Sie einen Bezug herstellen zwischen Bandbreite und Anstiegszeit des Oszilloskops:

Bandbreite und Anstiegszeit
Wobei k ein Wert zwischen 0,35 und 0,45 ist, je nach Form der Frequenzgangkurve und Impulsanstiegszeit des Oszilloskops. Oszilloskope mit einer Bandbreite von <1 GHz haben in der Regel einen Wert zwischen 0,40 und 0,45.
Einige Logik-Familien erzeugen schnellere Anstiegszeiten als andere (Abbildung 47).

Abbildung 47: Einige Logik-Familien erzeugen schnellere Anstiegszeiten als andere.
Abtastrate
Die Abtastrate wird als Abtastungen pro Sekunde (S/s, Samples per second) angegeben. Sie definiert die Häufigkeit, mit der ein digitales Oszilloskop eine Momentaufnahme oder eine Abtastung des Signals durchführt; dies entspricht den Frames einer Filmkamera. Je schneller ein Oszilloskop abtastet (d. h. je höher die Abtastrate ist), desto höher ist die Auflösung, desto mehr Details des dargestellten Signals werden erfasst und desto geringer ist die Wahrscheinlichkeit, dass wichtige Informationen oder Ereignisse verloren gehen (siehe Abbildung 48).

Abbildung 48: Eine höhere Abtastrate ermöglicht eine bessere Signalauflösung und stellt sicher, dass Sie intermittierende Ereignisse erkennen können.
Die minimale Abtastrate kann ebenfalls wichtig sein, wenn sich langsam ändernde Signale über einen längeren Zeitraum hinweg untersucht werden sollen. In der Regel ändert sich die dargestellte Abtastrate mit den Änderungen, die mit dem Bedienelement für die Horizontalskala durchgeführt werden, um eine konstante Anzahl von Signalpunkten in dem dargestellten Signaldatensatz beizubehalten.
Wie werden die Anforderungen bezüglich der Abtastrate berechnet? Die verwendete Methode hängt von der Art des zu messenden Signals und der vom Oszilloskop verwendeten Methode der Signalrekonstruktion ab.
Gemäß dem Theorem von Nyquist muss ein Signal mindestens doppelt so schnell wie seine höchste Frequenzkomponente abgetastet werden, damit es genau und ohne Aliasing rekonstruiert werden kann. Dieses Theorem setzt jedoch eine unbegrenzte Speichertiefe und ein kontinuierliches Signal voraus. Da kein Oszilloskop eine unbegrenzte Speichertiefe hat und Glitches per Definition nicht kontinuierlich sind, ist eine Abtastrate, die nur doppelt so hoch ist wie der höchste Frequenzanteil, in der Regel nicht ausreichend.
In der Praxis hängt eine genaue Signalrekonstruktion sowohl von der Abtastrate als auch von der Interpolationsmethode ab, mit der die Leerräume zwischen den Abtastpunkten aufgefüllt werden. Bei einigen Oszilloskopen können Sie entweder die Sin(x)/x-Interpolation zum Messen von sinusförmigen Signalen oder die lineare Interpolation für rechteckförmige Signale, Impulse und andere Signaltypen auswählen.
Für eine genaue Rekonstruktion unter Verwendung der Sinus(x)/x-Interpolation sollte Ihr Oszilloskop eine Abtastrate von mindestens 2,5 Mal der höchsten Frequenzkomponente Ihres Signals haben. Bei Verwendung der linearen Interpolation sollte die Abtastrate mindestens 10 Mal die höchste Frequenzsignal-Komponente betragen.
Einige Mess-Systeme mit Abtastraten von 10 GS/s und Bandbreiten von bis zu 3+ GHz wurden für das Erfassen sehr schneller, transienter Einzelschussereignisse optimiert. Dazu wird Oversampling bis auf das Fünffache der Bandbreite angewendet.
Ein Hinweis zu Bandbreite und Abtastrate
Der digitale Ansatz bedeutet, dass das Oszilloskop jede Frequenz innerhalb seines Bereichs mit Stabilität, Helligkeit und Klarheit anzeigen kann. Für wiederholte Signale ist die Bandbreite des digitalen Oszilloskops eine Funktion der analogen Bandbreite der Frontend-Komponenten des Oszilloskops, die allgemein als -3 dB-Punkt bezeichnet wird. Für einmalige und transiente Ereignisse, wie Impuls- und Sprungsignale, kann die Bandbreite durch die Abtastrate des Oszilloskops begrenzt werden.
Signalerfassungsrate
Alle Oszilloskope arbeiten mit einer bestimmten Messrate. Das heißt, sie „öffnen ihre Augen“ mit einer bestimmten Häufigkeit pro Sekunde, um das Signal zu erfassen, und halten sie dazwischen geschlossen. Dies ist die Signalerfassungsrate, ausgedrückt in Signale pro Sekunde (wfms/s). Die Abtastrate gibt an, wie häufig das Oszilloskop das Eingangssignal innerhalb eines Signals oder Zyklus abtastet, während die Signalerfassungsrate die Geschwindigkeit angibt, mit der ein Oszilloskop Signale erfasst.
Die Signalerfassungsrate kann stark variieren, je nach Art und Leistungsfähigkeit des Oszilloskops. Oszilloskope mit einer hohen Signalerfassungsrate liefern wesentlich bessere Einsicht in das Signalverhalten und vervielfachen damit die Wahrscheinlichkeit, dass transiente Anomalien, wie z. B. Jitter, Runt-Impulse, Glitches und Übergangsfehler, schnell erfasst werden.
Digitale Speicheroszilloskope (DSO) verwenden eine serielle Verarbeitungsarchitektur zur Erfassung von 10 bis 5.000 wfms/s. Einige DSOs verfügen über einen speziellen Modus, der mehrere Erfassungen in einem langen Speicher bündelt und so vorübergehend höhere Erfassungsraten für Wellenformen bietet, gefolgt von langen Totzeiten bei der Verarbeitung, die die Wahrscheinlichkeit der Erfassung seltener, intermittierender Ereignisse verringern.
Die meisten Digital-Phosphor-Oszilloskope (DPOs) verwenden eine parallele Verarbeitungsarchitektur, die wesentlich höhere Signalerfassungsraten ermöglicht. Einige DPOs können Millionen von Wellenformen in nur wenigen Sekunden erfassen, was die Wahrscheinlichkeit der Erfassung intermittierender und schwer fassbarer Ereignisse erheblich erhöht und es Ihnen ermöglicht, die Probleme in Ihrem Signal schneller zu erkennen (Abbildung 49).

Abbildung 49: Ein DPO bietet eine ideale Lösung für sich nicht wiederholende, schnelle, mehrkanalige digitale Entwurfsanwendungen.
Darüber hinaus ermöglicht die Fähigkeit des DPO, drei Dimensionen des Signalverhaltens in Echtzeit zu erfassen – Amplitude, Zeit und Amplitudenverteilung über die Zeit – eine ausgezeichnete Einsicht in das Signalverhalten (siehe Abbildung 50).

Abbildung 50: Ein DPO ermöglicht einen hervorragenden Einblick in das Signalverhalten, indem es
- eine wesentlich höhere Erfassungsrate bietet
- eine dreidimensionale Darstellung der Signalform bietet
- weshalb es das beste Tool für eine breite Auswahl von Anwendungen ist.
- eine wesentlich höhere Erfassungsrate bietet
- eine dreidimensionale Darstellung der Signalform bietet
- weshalb es das beste Tool für eine breite Auswahl von Anwendungen ist.
Aufzeichnungslänge
Die Aufzeichnungslänge, ausgedrückt als die Anzahl der Punkte, aus denen eine vollständige Signalaufzeichnung besteht, bestimmt die Menge der Daten, die mit jedem Kanal erfasst werden können. Da ein Oszilloskop nur eine begrenzte Anzahl von Abtastwerten speichern kann, ist die Signaldauer (Zeit) umgekehrt proportional zur Abtastrate des Oszilloskops:

Zeitintervall
Oszilloskope ermöglichen es Ihnen, die Aufzeichnungsdauer auszuwählen, um das benötigte Detailniveau für Ihre Anwendung zu optimieren. Wenn Sie ein extrem stabiles sinusförmiges Signal analysieren, benötigen Sie möglicherweise nur eine Aufzeichnungsdauer von 500 Punkten, aber wenn Sie die Ursachen von Timing-Anomalien in einem komplexen digitalen Datenstrom isolieren, benötigen Sie möglicherweise eine Million Punkte oder mehr für eine gegebene Aufzeichnungsdauer, wie in Abbildung 51 dargestellt.

Abbildung 51: Das Erfassen der hochfrequenten Details dieses modulierten 85-MHz-Trägersignals erfordert eine hochauflösende Abtastung (100 ps). Das Anzeigen der vollständigen Modulationshüllkurve des Signals erfordert eine lange Zeitspanne (1 ms). Durch die Nutzung einer langen Aufzeichnungsdauer (10 MB) kann das Oszilloskop beides anzeigen.
Trigger-Funktionen
Die Triggerfunktion eines Oszilloskops synchronisiert den horizontalen Sweep an dem richtigen Punkt des Signals. Dies ist entscheidend für eine klare Signalcharakterisierung. Triggersteuerelemente ermöglichen es Ihnen, sich wiederholende Signale zu stabilisieren und einmalige Wellenformen zu erfassen.
Effektive Bits
Effektive Bits sind ein Maß für die Fähigkeit eines digitalen Oszilloskops, die Form eines Sinussignals genau zu rekonstruieren. Dabei wird der tatsächliche Fehler des Oszilloskops mit dem eines theoretischen „idealen“ Digitalisierers verglichen. Da die tatsächlichen Fehler Rauschen und Verzerrung enthalten, müssen Frequenz und Amplitude des Signals angegeben werden.
Frequenzantwort
Die Bandbreite allein reicht nicht aus, um sicherzustellen, dass ein Oszilloskop ein hochfrequentes Signal genau erfassen kann. Das Ziel bei der Auslegung eines Oszilloskops ist eine bestimmte Art des Frequenzgangs: MFED (Maximally Flat Envelope Delay). Ein Frequenzgang dieser Art liefert eine ausgezeichnete Impulstreue bei minimalem Überschwingen und Klingeln. Da ein digitales Oszilloskop aus realen Verstärkern, A/D-Wandlern, Übertragungsverbindungen und Relais besteht, ist MFED-Antwort ein Ziel, das nur annäherungsweise erreicht werden kann. Die Impulstreue variiert beträchtlich, je nach Modell und Hersteller.
Vertikalempfindlichkeit
Die vertikale Empfindlichkeit gibt an, wie stark der Vertikalverstärker ein schwaches Signal verstärken kann. Dies wird in der Regel gemessen in Millivolt (mV) pro Skalenteil. Die kleinste Spannung, die von einem Allzweck-Oszilloskop erkannt werden kann, beträgt in der Regel etwa 1 mV pro vertikalem Bildschirmteil.
Ablenkgeschwindigkeit
Die Ablenkgeschwindigkeit gibt an, wie schnell die Strahlspur über den Oszilloskopbildschirm geführt werden kann, damit feine Details erkannt werden können. Die Ablenkgeschwindigkeit eines Oszilloskops wird in Zeit (Sekunden) pro Skalenteil angegeben.
Verstärkungsgenauigkeit
Die Verstärkungsgenauigkeit gibt an, mit welcher Genauigkeit das Vertikalsystem ein Signal dämpfen oder verstärken kann. In der Regel wird dies als prozentualer Fehler ausgedrückt.
Horizontale Genauigkeit (Zeitbasis)
Die horizontale Genauigkeit, oder Zeitbasis-Genauigkeit, gibt an, mit welcher Genauigkeit das Horizontalsystem das Timing eines Signals darstellen kann. In der Regel wird dies als prozentualer Fehler ausgedrückt.
Vertikale Auflösung (Analog-Digital-Wandler)
Die vertikale Auflösung des AD-Wandlers (und damit des digitalen Oszilloskops), gibt an, mit welcher Genauigkeit Eingangsspannungen in Digitalwerte umgewandelt werden können. Die vertikale Auflösung wird in Bit gemessen. Die effektive Auflösung lässt sich durch Berechnungsmethoden verbessern. Ein Beispiel dafür ist der Hi-ResErfassungsmodus.
Zeitauflösung bei Mixed-Signal-Oszilloskopen (MSO)
Eine wichtige Kenngröße eines Mixed-Signal-Oszilloskops ist die für die Erfassung digitaler Signale mögliche zeitliche Auflösung. Je besser die zeitliche Auflösung bei der Erfassung eines Signals ist, desto genauer können die Zeitpunkte der Signaländerungen erfasst werden. Beispielsweise hat eine mit 500 Ms/s durchgeführte Erfassung eine Timing-Auflösung von 2 ns, und die Unsicherheit bei der Erfassung der Signalflanke beträgt 2 ns. Bei einer kleineren Timing-Auflösung von 60,6 ps (16,5 GS/s) verringert sich die Unsicherheit bei der Erfassung der Signalflanke auf 60,6 ps, und schnellere Signaländerungen können erfasst werden.
Einige MSOs ermöglichen die Erfassung von digitalen Signalen in zwei Erfassungsmodi gleichzeitig. Die erste Erfassung erfolgt mit standardmäßiger Timing-Auflösung, die zweite Erfassung erfolgt mit einer Hochgeschwindigkeitsauflösung. Die Standardauflösung wird über eine längere Aufzeichnungslänge verwendet, während die Hochgeschwindigkeits-Timing-Erfassung eine höhere Auflösung in einem schmalen Untersuchungsbereich bietet (siehe Abbildung 52).

Abbildung 52: Das MSO verfügt über 16 integrierte digitale Kanäle, mit denen sich zeitkorrelierte analoge und digitale Signale anzeigen und analysieren lassen. Eine Hochgeschwindigkeits-Zeitaufnahme bietet eine höhere Auflösung, um schmale Ereignisse wie Glitches sichtbar zu machen.
Anschlussmöglichkeiten
Messergebnisse zu analysieren, ist nach wie vor von größter Wichtigkeit. Informationen und Messergebnisse einfach und häufig zu dokumentieren und mit anderen auszutauschen, wird ebenfalls immer wichtiger. Die Konnektivität eines Oszilloskops ermöglicht fortgeschrittene Analysefunktionen und vereinfacht die Dokumentation und den Austausch von Ergebnissen. Wie Abbildung 53 zeigt, können einige Oszilloskope über standardmäßige Schnittstellen (GPIB, RS-232, USB, Ethernet) und Netzwerkkommunikationsmodule eine Vielfalt an Funktionen und Bedienungsmöglichkeiten bieten.

Abbildung 53: Moderne Oszilloskope bieten eine Vielzahl von Kommunikationsschnittstellen, wie etwa einen standardmäßigen Centronics-Port sowie optionale Ethernet/RS-232-, GPIB/RS-232- und VGA/RS-232-Module. An der Vorderseite befindet sich sogar ein USB-Anschluss (nicht abgebildet).
Mit einigen hoch entwickelten Oszilloskopen können Sie zudem folgende Aufgaben ausführen:
- Erstellen, Bearbeiten und Freigeben von Dokumenten auf dem Oszilloskop, während Sie mit dem Gerät in Ihrer speziellen Umgebung arbeiten
- Zugriff auf Netzwerkdruck- und Dateifreigabe-Ressourcen
- Zugriff auf den Windows®-Desktop
- Analyse- und Dokumentationssoftware von Drittanbietern ausführen
- Verknüpfung mit Netzwerken
- Zugriff auf das Internet
- Senden und Empfangen von E-Mails
Erweiterungsfähigkeit
Ein Oszilloskop sollte Ihre Anforderungen auch dann erfüllen können, wenn sich diese ändern. Mit einigen Oszilloskopen können Sie folgende Aufgaben ausführen:
- Hinzufügen von Speicher zu den Kanälen, um längere Aufzeichnungslängen zu analysieren
- Hinzufügen anwendungsspezifischer Messfunktionen
- Die Leistung des Oszilloskops mit einer breiten Palette von Tastköpfen und Modulen zu ergänzen
- Arbeiten mit beliebten Analyse- und Produktivitätsprogrammen von Drittanbietern
- Windows-kompatible Software
- Hinzufügen von Zubehör, wie Akkupacks und Rack-Halterungen
Mit Anwendungsmodulen und Software können Sie das Oszilloskop in ein hochspezialisiertes Analysegerät verwandeln, das Aufgaben wie Jitter- und Timing-Analyse, Mikroprozessor-Speichersystemprüfung, Überprüfung der Kommunikationsstandards, Festplattenlaufwerksmessungen, Videomessungen, Leistungsmessungen und vieles mehr durchführen kann. Die Abbildungen 54 - 59 zeigen einige dieser Beispiele.

Abbildung 54: Analyse-Softwarepakete sind speziell dafür entwickelt, die Anforderungen an Jitter- und Augenmaßmessungen moderner High-Speed-Digitalentwickler zu erfüllen.

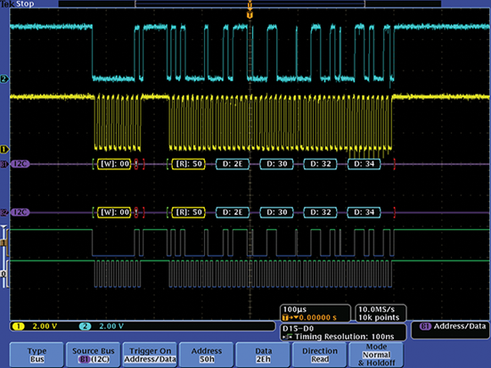
Abbildung 55: Die Analyse von seriellen Bussen wird durch automatisiertes Triggern, Dekodieren und Suchen im Kontext serieller Pakete beschleunigt.

Abbildung 56: Erweiterte DDR-Analysetools automatisieren komplexe Speicheraufgaben, wie das Trennen von Lese-/Schreib-Bursts und das Durchführen von JEDEC-Messungen.

Abbildung 57 Video-Anwendungsmodule machen das Oszilloskop zu einem schnellen vielseitigen Gerät für die Video-Fehlersuche.

Abbildung 58: Hoch entwickelte Analyse- und Produktivitätssoftware, wie z. B. MATLAB®, kann in Windows-basierten Oszilloskopen installiert werden, um lokale Signalanalysen durchzuführen.


