
Kontaktaufnahme
Live-Chat mit Tektronix-Vertretern. Verfügbar von 9 bis 17 Uhr CET Geschäftstage.
Kontaktieren Sie uns telefonisch unter
Verfügbar von 9 bis 17 Uhr CET Geschäftstage.
Download
Laden Sie Handbücher, Datenblätter, Software und vieles mehr herunter:
Feedback
Digital-Phosphor-Oszilloskope
Datenblatt zur DPO7000-Serie
Die Produkte dieses Datenblatts gehören nicht mehr zum Angebot von Tektronix.
Tektronix Encore nach aufgearbeiteten Testgeräten durchsuchen.
Garantie- und Supportstatus dieser Produkte überprüfen.
Tektronix ist sich bewusst, welch große Rolle ein Oszilloskop für Ingenieure während des gesamten Design-Zyklus spielt, vom Einschalten des Prototyps bis hin zum Produktionstest. Durch die hervorragende Funktionalität der Oszilloskope der DPO7000-Serie, kombiniert mit einer außergewöhnlichen Leistung bei der Erfassung und Analyse von Signalen, lassen sich viele Messaufgaben schneller erledigen.
Hinweis an Kunden in der EU
Dieses Produkt wurde nicht aktualisiert, um die Bestimmungen der zweiten RoHS-Richtlinie 2011/65/EU (RoHS 2) zu erfüllen, und wird deshalb nicht in die EU versendet. Kunden können Produkte aus dem Bestand erwerben, die vor dem 22. Juli 2017 auf den EU-Markt gekommen sind, bis die Vorräte erschöpft sind. Tektronix hilft Ihnen gerne, die richtige Lösung für Ihre Anforderungen zu finden. Wenden Sie sich bitte an Ihren lokalen Vertriebsmitarbeiter, der Ihnen weiterhilft oder prüft, ob alternative Produkte erhältlich sind. Tektronix bietet Serviceleistungen bis zum Auslaufen des weltweiten Supports an.
Die wichtigsten Leistungsdaten
- Modelle mit Bandbreiten von 3,5 GHz, 2,5 GHz, 1 GHz und 500 MHz
 Echtzeit-Abtastrate von bis zu 40 GS/s auf einem Kanal, bis zu 20 GS/s auf zwei Kanälen und bis zu 10 GS/s auf drei oder vier Kanälen
- Bis zu 500 Mio. Punkte Aufzeichnungslänge mit MultiView Zoom™
 - Maximale Signal-Erfassungsrate von über 250.000 Kurven/s mit FastAcq™
 FastFrame™ für segmentierten Speichererfassungsmodus mit einer Erfassungsrate von über 310.000 Signalen pro Sekunde
Vom Benutzer wählbare Bandbreitenbegrenzungsfilter für höhere Genauigkeit von Niederfrequenzmessungen
Hauptfunktionen
Bedienerfreundliche Funktionen
Pinpoint® für die flexibelste Triggerung mit höchster Leistung, mehr als 1400 Kombinationen für praktisch jede Triggerungssituation
Visuelle Trigger- und Suchfunktion qualifiziert Trigger präzise und findet einmalige Ereignisse in komplexen Signalen
Erweiterte Such- und Markerfunktion zum Auffinden bestimmter Ereignisse im gesamten Signal
MyScope® mit individuell anpassbaren Bedienfenstern und Rechtsklickmenüs für überragende Effizienz
53 automatische Messungen, Signalhistogramme und FFT-Analyse für einfachere Signalanalyse
TekVPI®-Tastkopfschnittstelle zur Unterstützung von aktiven, Differential- und Stromtastköpfen für automatische Skalierung und Einheitensteuerung
- 12,1 Zoll (307 mm) großes, helles XGA-Display mit Touchscreen
 
Serielle Triggerung und Analyse (optional)
Automatische serielle Triggerungs-, Dekodierungs- und Suchoptionen für I2C, SPI, CAN, LIN, FlexRay, RS-232/422/485/UART, MIL-STD-1553 und USB 2.0
Automatische serielle Analyseoptionen für MIPI® D-PHY DSI-1 und CSI-2, 8b/10b, Ethernet und PCI Express
- Rückgewinnung von Takten aus seriellen Datenströmen
 Serieller Bitmustertrigger (64 Bit NRZ) zur Isolierung von Bitmuster-abhängigen Effekten bis zu 1,25 Gb/s
Technologiespezifische Analyse (optional)
Softwarelösungen stellen integriertes Fachwissen für MIPI® D-PHY-, Ethernet-, Automotive Ethernet-, MOST- und USB 2.0-Konformitätstests, Jitter, Timing, Augendiagramme, Leistung, DDR-Speicherbusanalyse und Breitband-HF bereit
- Grenzwert- und Maskentests liefern einen schnellen Überblick über Signaleigenschaften
 
Anschlussmöglichkeiten
USB-Hostanschlüsse auf dem Frontpaneel zum schnellen und bequemen Speichern und Drucken von Daten sowie zum Anschließen von USB-Peripheriegeräten
Integrierter 10/100/1000BASE-T-Ethernet-Port für Netzwerkanschluss sowie Videoausgang zum Übertragen des Oszilloskopdisplays an einen externen Monitor oder Projektor
Betriebssystem Microsoft® Windows 10 zur einfachen Einbindung und Integration in Ihre Umgebung
- Konform mit LXI-Klasse C
 
TekScope Anywhere™-Offline-Analyse
TekScope Anywhere™ macht den PC zu einem Oszilloskop. Benutzer können jetzt außerhalb des Labors Analyseaufgaben erledigen, einschließlich Zeit-, Augendiagramm- und Jitter-Analysen. Signaldaten und Einstellungen1der Oszilloskope der Serien MDO3000, MDO4000, MSO/DPO5000, DPO7000C oder MSO/DPO70000C/D/DX/SX von Tektronix lassen sich schnell mit Teammitgliedern und anderen Standorten teilen, was zu erhöhter Effizienz führt.
1Einstellungen nur für die Modelle MSO/DPO5000/B, DPO7000C, MSO/DPO70000C/D/DX/SX.
Vereinfachte Analyse für komplexe digitale Designs
Die Digital-Phosphor-Oszilloskope der DPO7000C-Serie ermöglichen die Analyse analoger und serieller Bussignale mit einem einzigen Gerät. Dadurch können Probleme in komplexen Designs schnell ermittelt und diagnostiziert werden. Bandbreiten von bis zu 3,5 GHz und Abtastraten von bis zu 40 GS/s stellen sicher, dass Sie über die Leistung verfügen, die Sie zum Erfassen von sich schnell verändernden Signaldetails benötigen. Dank der großen Aufzeichnungslänge der DPO7000C-Serie mit standardmäßig bis zu 25 Mio. Punkten auf allen Kanälen und einer optionalen Aufzeichnungslänge von bis zu 500 Mio. Punkten auf einem Kanal lassen sich auch längere Signalaktivitätsfenster mit hoher zeitlicher Auflösung erfassen.
Mit erweiterten Such- und Markerfunktionen und MultiView Zoom™ für schnelle Signalnavigation sowie mehr als 15 optionalen Software- und Analysepaketen für gängige Technologien und gründliche Analysen stellt die DPO7000C-Serie von Tektronix funktionsreiche Werkzeuge zur Verfügung, die das Debugging komplexer Designs vereinfachen und beschleunigen.
Umfassende Funktionen für mehr Schnelligkeit in jeder Debug-Phase
Die DPO7000C-Serie bietet eine Reihe bewährter Funktionen, die mehr Schnelligkeit in jeder Debugging-Phase ermöglichen – von der Erkennung einer Anomalie und ihrer Erfassung über die Suche nach dem Ereignis in der Signalaufzeichnung bis hin zur Analyse seiner Merkmale und des Geräteverhaltens.
Erkennen
Voraussetzung für die Behebung eines Designproblems ist seine Erkennung. Entwicklungsingenieure verwenden viel Zeit auf die Problemsuche in ihren Designs. Ohne die richtigen Werkzeuge zur Fehlerbereinigung ist diese Aufgabe zeitaufwendig und oft auch frustrierend.

Erkennen – Schnelle Signalerfassungsraten von über 250.000 Signalen pro Sekunde maximieren die Wahrscheinlichkeit der Erfassung flüchtiger Glitches und anderer selten auftretender Ereignisse.
Die DPO7000C-Serie bietet die branchenweit umfassendste Signalvisualisierung und gibt Ihnen einen schnellen Überblick über den tatsächlichen Betrieb Ihres Geräts. Die FastAcq®-Technologie von Tektronix ermöglicht eine schnelle Signalerfassung mit mehr als 250.000 Signalen pro Sekunde. In Sekundenschnelle können Sie Glitches und andere seltene Transienten erkennen, die die wahre Ursache von Gerätefehlern aufzeigen. Ein Digital-Phosphor-Display mit Farbintensitätsabstufung zeigt den Verlauf einer Signalaktivität an. Dabei werden häufiger vorkommende Bereiche des Signals farbintensiver dargestellt, sodass die Vorkommenshäufigkeit von Anomalien visuell erkennbar wird.
Erfassen
Das Erkennen eines Gerätefehlers ist nur der erste Schritt. Zur Ursachenermittlung muss anschließend das Ereignis erfasst werden.
Die DPO7000C-Serie bietet einen kompletten Satz von Triggern – einschließlich Runt, Glitch, Breite, Timeout, Übergang, Bitmuster, Status, Setup/Hold-Verletzung, Fenster, Kommunikation und serielles Muster – zum schnellen Auffinden des zu untersuchenden Ereignisses. Verbesserte Triggerung verringert den Trigger-Jitter am Triggerpunkt. In diesem Modus kann der Triggerpunkt als Messreferenz herangezogen werden.

Erfassen – Triggerung für ein bestimmtes Übertragungsdatenpaket beim Durchlaufen eines RS-232-Busses. Ein kompletter Satz von Triggern, darunter auch Trigger für bestimmte serielle Paketinhalte, gewährleistet die schnelle Erfassung des zu untersuchenden Ereignisses.
Für das Debuggen und Validieren komplexer Systeme stellt die DPO7000C-Serie Pinpoint®-Triggerung bereit. Die SiGe-Technologie (Siliziumgermanium) liefert eine Triggerleistung bis zur Bandbreite des Oszilloskops und ermöglicht über 1400 Triggerkombinationen. Die meisten anderen Triggersysteme bieten mehrere Triggerarten nur für ein einziges Ereignis (Ereignis A), wobei die Auswahl eines verzögerten Triggers (Ereignis B) auf Flankentrigger beschränkt ist. Deshalb gibt es auch häufig keine Möglichkeit, die Triggersequenz zurückzusetzen, wenn Ereignis B nicht eintritt. Die Pinpoint-Triggerung stellt hingegen das gesamte Spektrum der Komfort-Trigger für A- und B-Trigger zur Verfügung. Sie ermöglicht zudem Reset-Triggerung, damit die Triggersequenz nach einem festgelegten Zeitraum, Zustand oder Übergang erneut beginnt. Auf diese Weise können sogar Ereignisse in hochkomplexen Signalen erfasst werden.
Das Auffinden des richtigen Merkmals eines komplexen Signals kann stundenlanges Sammeln und Sortieren von Tausenden von Erfassungen für das relevante Ereignis erforderlich machen. Das Definieren eines Triggers, der das gewünschte Ereignis isoliert und nur beim Auftreten des Ereignisses Daten anzeigt, beschleunigt diesen Prozess. Dank der Funktionen für visuelle Trigger und Suche lassen sich die gewünschten Signalereignisse schnell und einfach identifizieren, indem alle Signalerfassungen durchsucht und mit Bildschirmbereichen (geometrische Formen) verglichen werden.
Bei einer Aufzeichnungslänge von bis zu 500 Mio. Punkten lassen sich viele Ereignisse, ja sogar Tausende von seriellen Paketen, in einem einzigen Vorgang für die weitere Analyse erfassen, wobei gleichzeitig die für die vergrößerte Darstellung von speziellen Signaldetails erforderliche hohe Auflösung beibehalten wird. Untersuchen Sie mit MultiView Zoom™ mehrere Segmente Ihrer Signalerfassung gleichzeitig für den schnellen Vergleich von Ereignissen in Echtzeit. Der segmentierte Speichermodus von FastFrame™ ermöglicht den effizienten Umgang mit großen Aufzeichnungen, indem zahlreiche Triggerereignisse in einem einzigen Datensatz erfasst werden. Auf diese Weise werden große Zeitlücken zwischen relevanten Ereignissen vermieden. Die Segmente können einzeln oder als Overlay angezeigt und gemessen werden.
Vom Triggern auf bestimmte Paketinhalte bis hin zur automatischen Decodierung in verschiedene Datenformate bietet die DPO7000C-Serie umfassende Unterstützung für eine breite Palette von seriellen Bussen – I2C, SPI, CAN, LIN, FlexRay, RS-232/422/485/UART, MIL-STD-1553, Ethernet, USB 2.0 und MIPI D-PHY. Durch die Möglichkeit, bis zu 16 serielle Busse gleichzeitig zu decodieren, verschaffen Sie sich schnell Einblick in Probleme auf Systemebene.
Suchen
Die Suche nach einem bestimmten Ereignis in einem großen Signaldatensatz kann ohne die richtigen Suchwerkzeuge sehr zeitaufwendig sein. Bei den derzeitigen Aufzeichnungslängen von über einer Million Datenpunkten kann das bedeuten, dass Sie bei der Suche nach einem bestimmten Ereignis Tausende von Bildschirminhalten mit Signalaktivität durchsuchen müssen.

Suchen – Ergebnisse einer erweiterten Suche für einen Runt-Impuls oder einen schmalen Glitch innerhalb einer großen Signalaufzeichnung. Jede Runt- oder Glitch-Instanz wird automatisch markiert.
Die DPO7000C-Serie bietet die branchenweit umfassendste Suche und Signalnavigation mit der standardmäßigen erweiterten Such- und Markerfunktion und Bedienelementen auf dem vorderen Bedienfeld. Mithilfe von Markern können Sie jede gewünschte Stelle kennzeichnen, die Sie zu einem späteren Zeitpunkt eingehender untersuchen möchten. Oder definieren Sie eigene Kriterien für die automatische Suche in der gesamten Aufzeichnung. Dabei wird jedes Vorkommen des definierten Ereignisses markiert, sodass Sie schnell zwischen den einzelnen Ereignissen navigieren können. Die erweiterte Such- und Markerfunktion der DPO7000C-Serie kann nach bis zu acht verschiedenen Ereignissen gleichzeitig suchen und eine Live-Erfassung anhalten, sobald sie ein relevantes Ereignis findet. Dies bedeutet maximale Zeitersparnis.
Analysieren
Um sicherzustellen, dass die Leistung Ihres Prototyps den Simulationen entspricht und die Entwicklungsziele des Projekts erfüllt, muss das Verhalten des Prototyps analysiert werden. Die erforderlichen Aufgaben können von der einfachen Überprüfung von Anstiegszeiten und Pulsbreiten bis zur komplexen Analyse von Leistungsverlusten, zur Charakterisierung von Systemtakten und zur Untersuchung von Rauschquellen reichen. Die DPO7000C-Serie bietet einen umfassenden Satz von integrierten Analysewerkzeugen, z. B. signal- und bildschirmbasierte Cursor, 53 automatische Messungen, erweiterte Signalmathematik mit Bearbeitung von arbiträren Gleichungen, kundenspezifische MATLAB- und .NET-Math-Plug-in-Analysefunktionen, Signalhistogramme und FFT-Analyse.

Analysieren – Signalhistogramm einer abfallenden Flanke mit Verteilung der Flankenposition (Jitter) im Zeitverlauf. Darin enthalten sind numerische Messwerte zu den Daten im Signalhistogramm. Ein umfassender Satz von integrierten Analysewerkzeugen beschleunigt die Leistungsüberprüfung für Ihr Design.
Jedes Oszilloskop der DPO7000C-Serie wird mit dem Softwarepaket „DPOJET Essentials“ für Jitter- und Augendiagrammanalyse ausgeliefert, das die Messfunktionen des Oszilloskops erweitert und Messungen über benachbarte Takt- und Datenzyklen in einer Einzelschuss-Echtzeit-Erfassung ermöglicht. Auf diese Weise ist es möglich, wichtige Jitter- und Timing-Analyseparameter wie Zeitintervallfehler (Time Interval Error, TIE) und Phasenrauschen zu messen und eventuelle System-Timing-Probleme zu charakterisieren. Analysewerkzeuge wie Darstellungen von Zeittrends und Histogramme machen deutlich, wie sich Timing-Parameter im Laufe der Zeit verändern. Die Spektrumsanalyse zeigt schnell die genaue Frequenz und Amplitude von Jitter- und Modulationsquellen auf.
Spezielle Anwendungsunterstützung für serielles Bus-Debugging und Konformitätstest, Jitter- und Augendiagrammanalyse, das Design von Netzteilen, Grenzwert- und Maskentest, DDR-Speicherbus-Analyse und Breitband-HF sind ebenfalls verfügbar.
Erweiterte Such- und Markerfunktion
Eine standardmäßige Aufzeichnungslänge von 25 Mio. Punkten repräsentiert Tausende von Bildschirminhalten mit Informationen. Mit der erweiterten Such- und Markerfunktion der DPO7000C-Serie finden Sie Ihr Ereignis in Sekundenschnelle.

Suchen, Schritt 1: Definieren Sie, wonach gesucht werden soll.
Benutzerdefinierte Marker
Drücken Sie auf dem vorderen Bedienfeld die Taste Setzen/Löschen, um auf dem Signal eine oder mehrere Marker zu setzen. Zum Navigieren zwischen den Markierungen müssen Sie lediglich die Tasten Previous (Rückwärts) (←) und Next (Vorwärts) (→) auf dem Bedienfeld drücken.
Suchmarkierungen
Mit der Taste Suchen lassen sich große Erfassungsmengen automatisch nach benutzerdefinierten Ereignissen durchsuchen. Jedes Auftreten eines Ereignisses wird durch Suchmarkierungen hervorgehoben und kann mithilfe der Tasten Previous (Rückwärts) (←) und Next (Vorwärts) (→) auf dem Bedienfeld einfach angesteuert werden. Zu den Suchtypen gehören Flanke, Glitch, Breite, Timeout, Runt, Bitmuster, Status, Setup/Hold, Übergang und Fenster.

Suchen, Schritt 2: Die erweiterte Such- und Markerfunktion durchsucht automatisch die Aufzeichnung und markiert jedes Ereignis mit einem farbigen Dreieck. Mit den Tasten Previous (Rückwärts) und Next (Vorwärts) gelangen Sie von einem Ereignis zum nächsten.
Digital-Phosphor-Technologie
Dank der Digital-Phosphor-Technologie der DPO7000C-Serie können Sie sich schnell Einblick in den tatsächlichen Betrieb Ihres Geräts verschaffen. Die schnelle Signalerfassungsrate von mehr als 250.000 Signalen pro Sekunde gewährleistet mit hoher Wahrscheinlichkeit, dass die in digitalen Systemen auftretenden Probleme schnell erkannt werden können: Runt-Impulse, Glitches, Timing-Probleme usw.

Die Digital-Phosphor-Technologie ermöglicht bei Geräten der DPO7000C-Serie eine Signal-Erfassungsrate von mehr als 250.000 Signalen pro Sekunde sowie Farbabstufung in Echtzeit.
Signale werden miteinander überlagert und häufiger auftretende Signalpunkte farblich kodiert dargestellt. Dadurch werden Ereignisse, die im zeitlichen Verlauf häufiger, oder bei seltenen Anomalien, weniger häufig auftreten, schnell hervorgehoben.
Die DPO7000C-Serie bietet die Auswahl zwischen unendlicher oder variabler Nachleuchtdauer. Diese Optionen bestimmen, wie lange die vorhergehenden Signalerfassungen auf dem Bildschirm angezeigt werden. Dadurch können Sie ermitteln, wie häufig eine Signalanomalie auftritt.
Visueller Trigger – Schnelles Auffinden des zu untersuchenden Signals
Um den richtigen Zyklus eines komplexen Busses zu finden, kann stundenlanges Sammeln und Durchsuchen vieler tausender Erfassungen nach dem zu untersuchenden Ereignis erforderlich sein. Durch die Definition eines Triggers, der das gewünschte Ereignis isoliert, wird der Fehlerbeseitigungs- und Analyseprozess beschleunigt.
Die visuelle Triggerung zeichnet Tektronix Pinpoint-Trigger aus, indem alle Signalerfassungen abgetastet und mit Bereichen auf dem Bildschirm (geometrischen Formen) verglichen werden. Unter Verwendung einer Maus oder eines Touchscreens sowie verschiedener Formen (Dreiecke, Rechtecke, Sechsecke oder Trapezoide) lassen sich bis zu acht Bereiche erstellen, mit denen das gewünschte Triggerverhalten spezifiziert werden kann. Nach ihrer Erstellung können die Formen interaktiv bearbeitet werden, um ideale Triggerbedingungen zu erzeugen.
Der visuelle Trigger erweitert die Triggerfunktionen des Tektronix-Oszilloskops für eine Vielzahl komplexer Signale, wie die hier dargestellten Beispiele zeigen.

Benutzerdefinierte serielle Triggerung. Eingestellter visueller Trigger zum Suchen des Bitmusters 1101 0101.

Mehrkanal-Triggerung. Visuelle Triggerbereiche können kanalübergreifenden Ereignissen, wie z. B. auf zwei USB2.0-Bussen gleichzeitig übertragenen Paketen, zugeordnet werden.
Durch Triggern nur auf die wichtigsten Signalereignisse kann der visuelle Trigger das stundenlange Erfassen und manuelle Durchsuchen von Erfassungen überflüssig machen. Sie können die kritischen Ereignisse innerhalb von Sekunden oder Minuten finden und den Fehlerbeseitigungs- und Analyseprozess zu Ende führen. Nachdem der visuelle Trigger eingestellt ist, kann das Oszilloskop mithilfe der Funktion zum Markieren aller Triggerereignisse das gesamte erfasste Signal automatisch nach allen Ereignissen mit den gleichen Eigenschaften durchsuchen und diese markieren – eine wirklich zeitsparende Funktion!
DDR-Speicherbus-Ereignisse umfassen Takte, Strobes und Datenkanäle sowie Mehrfach-Amplituden und Daten-Bursts.

DDR-Speicher. Visueller Trigger zum Isolieren eines selten auftretenden Schreib-Bursts in einem bestimmten Bitmuster im DDR3. Bei dem Trigger-Ereignis handelt es sich um einen DQ-Schreib-Burst 11000000 zu Beginn des DQ-Aufrufs von einem Non-Tri-State-Spannungswert. DDR-Speicherbus-Ereignisse umfassen Takte, Strobes und Datenkanäle sowie Mehrfach-Amplituden und Daten-Bursts.

Trigger-Qualifizierung mit Boolescher Logik. Boolesche Logik mit logischem OR ermöglicht dem Benutzer, jedes Bit gleichzeitig zu überwachen und das Auftreten einer Anomalie an jedem Punkt der Erfassung zu erfassen.

Trigger auf die Breite eines Bursts von 10 Impulsen. Durch Erstellen eines Ausschlussbereichs jeweils vor dem ersten Taktimpuls und nach dem zehnten Impuls (siehe Abbildung) können Sie eine Einstellung des visuellen Triggers definieren, mit der die gewünschte Burstbreite erfasst wird.
Serielle Triggerung und Analyse (optional)
Ein Signal auf einem seriellen Bus enthält häufig Adress-, Steuerungs-, Daten- und Taktinformationen. Dadurch kann die Lokalisierung bestimmter Signalereignisse erschwert werden. Die DPO7000C-Serie umfasst verschiedene bewährte Werkzeuge für die Fehlerbereinigung bei seriellen Bussen mit automatischer Triggerung und Decodierung für I2C, SPI, CAN, LIN, FlexRay, RS-232/422/485/UART, MIL-STD-1553 und USB 2.0 sowie Decodierung für die seriellen Busse MIPI D-PHY DSI-1 und CSI-2, 8b/10b, Ethernet und PCI Express.
Serielle Triggerung
Triggern auf Paketinhalte, z. B. Beginn eines Pakets, bestimmte Adressen, bestimmter Dateninhalt, eindeutige Kennungen usw., bei gängigen seriellen Schnittstellen wie I2C, SPI, CAN, LIN, FlexRay, RS-232/422/485/UART, MIL-STD-1553 und USB 2.0.

Triggerung auf ein bestimmtes OUT-Token-Paket an einem seriellen USB-Full-Speed-Bus. Ein Bussignal umfasst den decodierten Paketinhalt, einschließlich Beginn, Synchronisation, PID, Adresse, Endpunkt, CRC, Datenwerte und Stopp.
Busanzeige
Bietet eine erstklassige kombinierte Anzeige der einzelnen Signale (Takt, Daten, Chipaktivierung usw.), aus denen der Bus besteht, und erleichtert die Lokalisierung von Paketanfang und -ende sowie die Erkennung von Unterpaketkomponenten wie Adresse, Daten, Kennung, CRC usw.
Busdecodierung
Sind Sie es leid, das Signal visuell prüfen zu müssen, um Takte zu zählen oder festzustellen, ob ein Bit den Wert 1 oder 0 besitzt, Bits zu Bytes zusammenzufassen und den Hexadezimalwert zu ermitteln? Überlassen Sie diese Aufgaben dem Oszilloskop! Sobald Sie einen Bus eingerichtet haben, decodieren die Oszilloskope der DPO7000C-Serie jedes Buspaket und zeigen den Wert in der Buskurve entweder als Hexadezimalwert, Binärwert, Dezimalwert (nur USB) oder ASCII-Wert (nur USB und RS-232/422/485/UART) an.
Ereignistabellenanzeige
Neben den decodierten Paketdaten am Bussignal selbst können Sie alle erfassten Pakete, ähnlich wie in einem Software-Listing, in einer Tabelle anzeigen. Die Pakete sind mit Zeitmarken versehen und werden nacheinander mit Spalten für die einzelnen Komponenten (Adresse, Daten usw.) aufgeführt.

Ereignistabelle mit decodierten seriellen Paketdaten in einer langen Erfassung.
Bussuche
Die serielle Triggerung ist sehr nützlich, um zu untersuchende Ereignisse zu isolieren. Was aber tun Sie, wenn Sie diese erfasst haben und die umgebenden Daten analysieren müssen? In der Vergangenheit mussten die Benutzer das Signal per Bildlauf manuell durchsuchen und dabei Bits zählen und konvertieren sowie ermitteln, wodurch ein Ereignis verursacht wurde. Mit der DPO7000C-Serie können Sie dem Oszilloskop die Arbeit überlassen, die erfassten Daten nach benutzerdefinierten Kriterien zu durchsuchen, z. B. nach dem Inhalt der seriellen Pakete. Jedes Auftreten wird durch eine Suchmarkierung hervorgehoben. Schnelles Navigieren zwischen den Markierungen ist einfach durch Drücken der Tasten Previous (Rückwärts) (←) und Next (Vorwärts) (→) auf dem Bedienfeld möglich.
Konformitätstest für serielle Busse (optional)
Softwarepakete für automatische Konformitätstests sind für BroadR-Reach/100BASE-T1 und 1000BASE-T1 (Option BRR), MIPI D-PHY (Option D-PHY), Ethernet 1000BASE-T, T1-Te, 10BASE-TX und 10BASE-T (Option 100BASE), NBASE-T und 1000BASE.ET3 (Option NBASE-T), IEEE802-T (Option 3bz), 10GBASE und XGBT2 (Option MOST) (elektrische Geräte) und USB 2.0 (Option MOST50) (Geräte der physikalischen Schicht) erhältlich. Diese Softwarepakete ermöglichen die Durchführung von in der Norm spezifizierten Konformitätstests.

Automatisierte USB 2.0-Konformitätsprüfungen.
Leistungsanalyse (optional)
Das optionale Softwarepaket zur Leistungsanalyse (Option PWR) ermöglicht die schnelle und genaue Analyse von Leistungsqualität, Schaltverlusten, Oberschwingungen, magnetischen Messungen, sicherem Betriebsbereich (SBB), Modulation, Ripple, Amplitude und Timing-Messung und Anstiegs-/Abfallrate (di/dt, dv/dt). Automatische, wiederholbare Leistungsmessungen können auf Tastendruck durchgeführt werden; es ist weder ein externer PC noch die Einrichtung komplizierter Software erforderlich. Das Paket umfasst eine Berichterstellungsfunktion, mit der automatisch detaillierte Berichte zur Dokumentation der Messergebnisse erstellt werden können.

Schaltverlustmessungen. Automatische Leistungsmessungen ermöglichen die schnelle und genaue Analyse von wichtigen Leistungsparametern.
Erweiterte Analyse, Jitter-, Timing- und Augendiagrammmessungen (optional)
Die erweiterten Funktionen des optionalen Softwarepakets „DPOJET Advanced“ (Option DJA) umfassen eine vollständige Auswahl von Analysewerkzeugen, die Einblick in Jitter, Timing und andere Signalqualitätsprobleme gewähren. DPOJET Advanced fügt erweiterte Funktionen wie Rj/Dj-Trennung, Augendiagrammmasken und Pass/Fail-Grenzwerte für Konformitätstests hinzu. Der innovative One-Touch-Assistent macht das Setup für Jitter-Messungen zum Kinderspiel. DPOJET Advanced ist auch eine Messplattform, die mit standardspezifischen Konformitätstestpaketen für Anwendungen wie DDR-Speicher und USB 2.0 kompatibel ist.

Erweiterte Analyse, Jitter-, Augendiagramm- und Timing-Messungen.
Grenzwert- und Maskenprüfung
Die Standard-Softwarepakete für Grenzwerttests und die optionalen Softwarepakete für Maskentests (Option MTM) sind nützliche Hilfsmittel für die Langzeitüberwachung von Signalen, die Charakterisierung von Signalen während der Entwicklung und das Testen in einer Produktionslinie. Die Software für Grenzwerttests vergleicht ein geprüftes Signal mit einer bekannten guten oder „idealen“ Version desselben Signals unter Verwendung von benutzerdefinierten vertikalen und horizontalen Toleranzen. Die Software für Maskentests enthält bewährte Masken für Telekommunikations- und Computerstandards zur einfachen Konformitätstests. Darüber hinaus können benutzerdefinierte Masken erstellt und für die Signalcharakterisierung verwendet werden. Mit beiden Softwarepaketen können Sie einen Test nach Ihren speziellen Anforderungen erstellen. Sie können die Testdauer durch eine Anzahl von Signalen definieren, einen Verletzungsschwellenwert festlegen, ab dem der Test als nicht bestanden gilt, Treffer zählen und zusammen mit statistischen Daten sammeln sowie Aktionen festlegen, die bei Verletzungen, Testfehlern und abgeschlossenem Test durchgeführt werden sollen. Ob Sie nun eine Grenzwertschablone oder eine Maske festlegen, das Durchführen von Pass/Fail-Tests für die Suche von Signalanomalien wie Glitches war noch nie so einfach.

Maskentest eines OC-12-Signals, Erfassung jeder Verletzung der Maske.
DDR-Speicherbusanalyse (optional)
Das optionale Softwarepaket für DDR-Speicheranalyse (Option DDRA) identifiziert automatisch DDR1-, DDR2-, DDR3-, LP-DDR-, LP-DDR2- und GDDR3-Schreib- und -Lesevorgänge und führt JEDEC-Konformitätsmessungen mit Pass/Fail-Ergebnissen auf allen Flanken in jedem Lese- und Schreib-Burst durch – perfekt zum Debuggen und Beheben von Fehlern in DDR-Speicherbussen. Gängige Messungen von Takt-, Adress- und Steuersignalen sind ebenfalls verfügbar. In Verbindung mit DPOJET (Option DJA) stellt die Option DDRA die schnellste Möglichkeit zum Debuggen komplizierter Speichersignalprobleme dar.
Vektorsignalanalyse (optional)
Die optionalen SignalVu™-Pakete für Vektorsignalanalyse (Optionen SVE, SVA, SVM, SVO, SVP und SVT) prüfen mühelos Breitbanddesigns und charakterisieren Breitband-Spektralereignisse. Durch die Kombination der Signalanalyse-Engine der Echtzeit-Spektrumsanalysator von Tektronix mit der breiten Bandbreitenerfassung der digitalen Oszilloskope von Tektronix können Sie nun komplexe Basisbandsignale direkt auf Ihrem Oszilloskop auswerten. Sie erhalten die Funktionalität eines Vektorsignalanalysators und eines Spektrumsanalysators sowie die leistungsstarken Triggerfunktionen eines digitalen Oszilloskops in einem einzigen Paket. Ob Sie für die Prüfung Ihres Designs Breitbandradar, Satellitenverbindungen mit hoher Datenübertragungsrate oder Frequenzsprungkommunikation benötigen, die Vektorsignalanalyse-Software SignalVu™ kann die Ursachenforschung beschleunigen, indem sie das zeitabhängige Verhalten dieser Breitbandsignale anzeigt.

SignalVu™ ermöglicht die detaillierte Analyse in mehreren Bereichen.
Schnelles und einfacheres Arbeiten
Großes hochauflösendes Display
Die Geräte der DPO7000C-Serie besitzen ein 12,1 Zoll (307 mm) großes XGA-Farbdisplay mit integriertem Touchscreen zur Anzeige komplexer Signaldetails.
Fest zugeordnete Bedienelemente auf dem vorderen Bedienfeld
Bedienelemente für die Vertikaleinstellung pro Kanal ermöglichen eine einfache und intuitive Bedienung. Die Vertikaleinstellung der vier Kanäle muss nicht mehr über dieselben Bedienelemente erfolgen.
Anschlussmöglichkeiten
USB 2.0-Hostanschlüsse auf dem Frontpaneel und an den Seitenwänden ermöglichen die einfache Übertragung von Screenshots, Geräteeinstellungen und Signaldaten auf einen USB-Stick. Auf der Rückseite des Geräts befindet sich ein GPIB-Anschluss zur Fernsteuerung des Oszilloskops über einen Computer. Ein integrierter 10/100/1000BASE-T-Ethernet-Anschluss ermöglicht die problemlose Verbindung mit einem Netzwerk, und über einen Videoausgang können die Bilddaten auf dem Display des Oszilloskops an einen externen Monitor oder Projektor übertragen werden. Für sicherheitsrelevante Anwendungen, welche die Deaktivierung der USB-Anschlüsse erforderlich machen, sind PS-2-Anschlüsse für Tastatur und Maus vorgesehen. Ein standardmäßiges Wechselfestplattenlaufwerk erleichtert die Anpassung von Einstellungen für verschiedene Benutzer und ermöglicht den Einsatz in sicheren Umgebungen.
TekVPI®-Tastkopfschnittstelle
Die TekVPI-Tastkopfschnittstelle setzt neue Standards für die Bedienerfreundlichkeit bei Messungen mit Tastköpfen. TekVPI-Tastköpfe sind mit Statusindikatoren, Bedienelementen und einer Taste für das Tastkopfmenü direkt am Tastkopf ausgestattet. Über diese Taste lässt sich auf dem Oszilloskop-Display ein Tastkopfmenü mit allen wichtigen Einstellungen und Bedienelementen für diesen Tastkopf aufrufen. Die TekVPI-Schnittstelle ermöglicht den direkten Anschluss von Stromtastköpfen, ohne dass eine separate Stromversorgung erforderlich ist. TekVPI-Tastköpfe können über USB, GPIB oder Ethernet ferngesteuert werden, sodass eine noch flexiblere Lösung in ATE-Umgebungen zur Verfügung steht.
Individuell anpassbare Bedienfenster mit MyScope®
In wenigen Minuten erstellen Sie durch einfaches, visuelles Drag-and-Drop Ihre eigene „Toolbox“ mit Oszilloskop-Funktionen. Nach der Erstellung können diese individuell anpassbaren Bedienfenster über eine spezielle MyScope-Menüauswahl auf dem Oszilloskop aufgerufen werden. Das ist ideal in einer gemeinsam genutzten Ressourcenumgebung, in der jeder Benutzer eine eigene Bedienoberfläche besitzt, die speziell an seine Anforderungen angepasst ist. Die MyScope-Bedienfenster bedeuten für alle Oszilloskopbenutzer einen großen Vorteil, denn Benutzer, die nur gelegentlich mit dem Oszilloskop arbeiten, müssen sich nicht erst wieder aufwendig mit dem Gerät vertraut machen und geübte Benutzer können mit maximaler Effizienz arbeiten.

Die individuell anpassbaren Bedienfenster von MyScope werden durch bequemes Drag-and-Drop erzeugt und geben jedem Benutzer die Möglichkeit, seine eigene Oberfläche einzurichten.
Floating-Lizenzen
Floating-Lizenzen bieten eine alternative Methode zur Verwaltung Ihrer Tektronix-Produkte. Floating-Lizenzen ermöglichen den unkomplizierten Einsatz von durch Lizenzschlüssel aktivierten Optionen auf allen Tektronix-Oszilloskopen der MSO/DPO5000-, DPO7000- und DPO/DSA/MSO70000-Serien. Floating-Lizenzen sind für viele Optionen mit Lizenzschlüsselaktivierung erhältlich. Für die Bestellung der Floating-Version einer Optionslizenz stellen Sie dem Optionsnamen das Präfix „DPOFL-“ voran (z. B. DPOFL-ET3)
Auf www.tek.com finden Sie weitere Informationen zu Floating-Lizenzoptionen.
Interoperabilität mit Logikanalysator
Die Tektronix-Datenanzeige „Integrated View“ (iView™) gibt den Entwicklern digitaler Schaltungen die Möglichkeit, Signalintegritätsprobleme zu lösen und ein effektives Debugging für ihre Systeme durchzuführen sowie diese schneller und einfacher zu überprüfen. Dank dieser Integration können Entwickler zeitkorrelierte digitale und analoge Daten in denselben Display-Fenstern anzeigen und die analogen Merkmale der digitalen Signale isolieren, die Systemfehler verursachen. Eine Kalibrierung durch den Benutzer ist nicht erforderlich. Einmal eingerichtet, arbeitet die iView-Funktion vollautomatisch.
Fernsteuerung und erweiterte Analyse
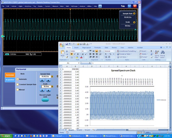
Es gibt zahlreiche Anschlussmöglichkeiten für die Oszilloskope der DPO7000C-Serie, um eine erweiterte Analyse durchzuführen. Mit der Windows-Remotedesktop-Funktion sind die direkte Verbindung mit dem Oszilloskop und die Fernbedienung der Benutzeroberfläche über den integrierten Remotedesktop möglich. Mit der OpenChoice®-Software von Tektronix erfolgt die Verbindung über den schnellen integrierten Bus. Die Signaldaten werden wesentlich schneller als bei herkömmlichen GPIB-Übertragungen direkt von der Erfassung an Analyseanwendungen auf dem Windows-Desktop gesendet. Protokolle nach Industriestandard wie die TekVISA™-Schnittstelle und ActiveX-Steuerelemente werden bereitgestellt, damit Windows-Anwendungen für Datenanalyse und Dokumentation verwendet und erweitert werden können. Die im Lieferumfang enthaltenen IVI-COM-Gerätetreiber ermöglichen über GPIB-, serielle Daten- und LAN-Verbindungen die einfache Kommunikation zwischen dem Oszilloskop und Programmen, die entweder auf dem Gerät selbst oder auf einem externen PC ausgeführt werden. Mithilfe des Software Developer’s Kit (SDK) lassen sich auch eigene Softwareanwendungen erstellen, um mehrstufige Prozesse für das Erfassen und Analysieren von Signalen zu automatisieren. Verwenden Sie dafür Visual BASIC, C, C++, MATLAB, LabVIEW, LabWindows/CVI und andere verbreitete Anwendungsentwicklungsumgebungen (ADE).

Erfassen von Daten in Microsoft Excel mit der einzigartigen Excel-Symbolleiste und Erstellen von benutzerdefinierten Berichten mit der Word-Symbolleiste.
Technische Daten
Insofern nicht anders angegeben, werden alle technischen Daten garantiert. Insofern nicht anders angegeben, gelten die technischen Daten für alle Modelle.
Modellübersicht
| DPO7054C | DPO7104C | DPO7254C | DPO7354C | ||
|---|---|---|---|---|---|
| Eingangskanäle | 4 | ||||
| Bandbreite | 500 MHz | 1 GHz | 2,5 GHz | 3,5 GHz | |
| Anstiegszeit 10 % bis 90 % (typisch) | 460 ps | 300 ps | 160 ps | 115 ps | |
| Anstiegszeit 20 % bis 80 % (typisch) | 310 ps | 200 ps | 100 ps | 95 ps | |
| Genauigkeit der Gleichspannungs-Verstärkung | ±1 % mit Offset/Position auf 0 eingestellt | ||||
| Bandbreitenbegrenzung | Je nach Gerätemodell: 3,0 GHz, 2,5 GHz, 2 GHz, 1 GHz, 500 MHz, 250 MHz, und 20 MHz | ||||
| Effektive Anzahl von Bits (typisch, Sinussignaleingang bei Gerätebandbreite, 50 mV/div, 50 Ω Eingangsimpedanz, max. Abtastrate, Aufzeichnungslänge 20.000 Punkte) | 6,8 Bit | 6,7 Bit | 5,6 Bit | 5,6 Bit | |
| Unkorreliertes Rauschen (Effektivwert, typisch, Abtastmodus, volle Bandbreite, max. Abtastrate, 50 Ω) | |||||
| Stufenverstärkung | 1 V | 19,4 mV | 19,72 mV | 24,48 mV | 26,28 mV | 
| 500 mV | 10,5 mV | 10,89 mV | 14,91 mV | 16,46 mV | |
| 200 mV | 4,72 mV | 4,69 mV | 6,70 mV | 7,26 mV | |
| 100 mV | 2,64 mV | 2,70 mV | 4,11 mV | 4,49 mV | |
| 50 mV | 1,07 mV | 1,10 mV | 1,53 mV | 1,65 mV | |
| 20 mV | 0,487 mV | 0,484 mV | 0,678 mV | 0,735 mV | |
| 10 mV | 0,273 mV | 0,279 mV | 0,414 mV | 0,458 mV | |
| 5 mV | 0,173 mV | 0,191 mV | 0,285 mV | 0,303 mV | |
| 2 mV | 0,112 mV | 0,121 mV | 0,142 mV | 0,148 mV | |
| 1 mV | 0,087 mV | 0,090 mV | 0,098 mV | 0,100 mV | |
| DPO7054C | DPO7104C | DPO7104C mit Option 2SR | DPO7254C/DPO7354C | ||
|---|---|---|---|---|---|
| Max. Abtastrate (1 Kanal) | 20 GS/s | 20 GS/s | 40 GS/s | 40 GS/s | |
| Max. Abtastrate (2 Kanäle) | 10 GS/s | 10 GS/s | 20 GS/s | 20 GS/s | |
| Max. Abtastrate (3-4 Kanäle) | 5 GS/s | 5 GS/s | 10 GS/s | 10 GS/s | |
| Max. Äquivalentzeit-Abtastrate | 4 TS/s | ||||
| Max. Aufzeichnungslänge mit Standardkonfiguration | 125 M (1 Kanal), 50 M (2 Kanäle), 25 M (3-4 Kanäle) | ||||
| Max. Aufzeichnungslänge mit Option 5RL | 250 M (1 Kanal), 125 M (2 Kanäle), 50 M (3-4 Kanäle) | ||||
| Max. Aufzeichnungslänge mit Option 10RL (Abtastraten ≥2,5 GS/s) | — | — | — | 500 Mio. (1 Kanal)  					  250 Mio. (2 Kanäle) 125 Mio. (3-4 Kanäle)  | |
| Max. Dauer bei höchster Echtzeit-Abtastrate (1 Kanal) | 1-2 ms mit standardmäßiger Aufzeichnungslänge, bis zu 10 ms mit optionaler Aufzeichnungslänge | ||||
| Zeitbasisbereich | 1,25 ps/div bis 8 Ms/div | 1,25 ps/div bis 8 Ms/div | 1,25 ps/div bis 8,19 Ms/div | 1,25 ps/div bis 8,19 Ms/div | |
| Zeitauflösung (ET/IT-Modus) | 500 fs | 500 fs | 250 fs | 250 fs | |
Vertikalsystem – Analogkanäle
- Eingangsimpedanz
 - 1 MΩ ±1 % mit 13 pF ±2 pF, 50 Ω ±1 %
 
- Eingangskopplung
 - AC, DC, GND
 
- Eingangsempfindlichkeit
 1 MΩ: 1 mV/div bis 10 V/div
50 Ω: 1 mV/div bis 1 V/div
- Vertikale Auflösung
 - 8 Bit (>11 Bit mit hochauflösender Datenaufzeichnung)
 
- Verzögerung zwischen zwei beliebigen Kanälen, typisch
 - ≤100 ps (50 Ω, DC-Kopplung und gleiche Einstellung für V/div bei mind. 10 mV/div)
 
- Isolation zwischen den Kanälen
 (Zwei beliebige Kanäle bei identisch eingestellter Vertikalskala) (Typisch)
≥100:1 bei ≤100 MHz
≥30:1 zwischen 100 MHz und 2,5 GHz
≥20:1 zwischen 2,5 GHz und 3,5 GHz
- Max. Eingangsspannung 1 MΩ
 - ±150 V, Leistungsabfall bei 20 dB/Dekade bis 9 Veff bei über 200 kHz
 
- Max. Eingangsspannung 50 Ω
 - 5 Veff, mit Peaks ≤ ±24 V
 
- Offset-Bereich
 1 mV/div bis 50 mV/div: ±1 V
50,5 mV/div bis 99,5 mV/div: ±(1,5 V – 10 Skalenteile)
100 mV/div bis 500 mV/div: ±10 V
505 mV/div bis 995 mV/div: ±(15 V – 10 Skalenteile)
1 V/div bis 5 V/div: ±100 V
5,05 V/div bis 10 V/div: ±(150 V – 10 Skalenteile)
- Offset-Genauigkeit
 1 mV/div bis 9,95 mV/div: ±0,2 % × (Offset – Position) ±0,1 div ±1,5 mV
10 mV/div bis 99,5 mV/div: ±0,35 % × (Offset – Position) ±0,1 div ±1,5 mV
100 mV/div bis 1 V/div: ±0,35 % × (Offset – Position) ±0,1 div ±15 mV
1,01 V/div bis 10 V/div: ±0,25 % × (Offset – Position) ±0,1 div ±150 mV
- Positionsbereich
 - ±5 Skalenteile
 
Horizontalsystem
- Zeitbasisverzögerung-Einstellbereich
 - -10 Skalenteile bis 1000 s
 
- Kanal-zu-Kanal Deskew-Bereich
 - ±75 ns
 
- Messgenauigkeit für Zeitdifferenz
 - ((0,06 / Abtastrate) + (2,5 ppm × Ablesung)) Effektivwert
 
- Triggerjitter (eff)
 1,5 pseffmit erweiterter Triggerung AUS
<100 fseffmit erweiterter Triggerung EIN
- Zeitbasisstabilität (Aperturunsicherheit), typisch
 <1 pseff(<2 psPeak) für Aufzeichnungsdauer <10 μs (typisch)
<2,5 psefffür Aufzeichnungsdauer <30 ms
<65 ppt für Aufzeichnungsdauer <10 s
- Zeitbasisgenauigkeit
 - ±2,5 ppm + Alterung < 1 ppm pro Jahr
 
Erfassungssystem
- Erfassungsmodi
 - Abtastung
 - Erfassung und Anzeige von Abtastwerten
 - Peak-Werterfassung
 - Erfasst schmale Glitches bei allen Echtzeit-Abtastraten und zeigt sie an. Glitch-Breiten: 1 ns bei ≤10 GS/s
 - Mittelwertbildung
 - In einem Mittelwertsignal können 2 bis 10 000 Signale enthalten sein
 - Hüllkurve
 - In einer Min-Max-Hüllkurve können 1 bis 2x109 Signale enthalten sein
 - Hi-Res
 - Echtzeit-Boxcar-Mittelwertbildung verringert zufälliges Rauschen und erhöht die Auflösung
 - Rollmodus
 - Lässt aufeinander folgende Signalpunkte in einer rollenden Bewegung von rechts nach links mit Wobbelung-Geschwindigkeiten unter 50 ms/div über das Display laufen. Arbeitet bei Abtastraten bis zu 10 MS/s mit einer maximalen Aufzeichnungslänge von 40 MS
 - FastAcq®
 - FastAcq® optimiert das Gerät für die Analyse von dynamischen Signalen und die Erfassung seltener Ereignisse, indem >250.000 Signale/s auf allen vier Kanälen gleichzeitig erfasst werden
 - Signaldatenbank
 - Sammelt Signaldaten in einer dreidimensionalen Tabelle mit Amplitude, Zeit und Anzahl
 - FastFrame™
 - Erfassungsspeicher geteilt in Segmente; maximale Triggerrate >310.000 Signale pro Sekunde. Aufzeichnung der Ankunftszeit bei jedem Ereignis. Mithilfe von Frame Finder können Transienten visuell ermittelt werden
 
Pinpoint®-Triggersystem
- Triggerempfindlichkeit
 - Intern DC-gekoppelt
 0,7 Skalenteile von DC bis 50 MHz, ansteigend auf 1,2 Skalenteile bei analoger Nennbandbreite (typisch), bis zu 2,5 GHz. 2,5 div bei 3,5 GHz
- Zusätzl. Eingang (externer Trigger) 1 MΩ
 - 250 mV von DC bis 50 MHz, ansteigend auf 350 mV bei 250 MHz (typisch)
 
- Triggerverzögerung nach Zeit
 - 3,2 ns bis 3.000.000 s
 
- Triggerverzögerung nach Ereignissen
 - 1 bis 2.000.000.000 Ereignisse
 
- Wichtige Triggermodi
 - Auto, Normal und Einzelschuss
 
- Verbesserte Triggerung
 Bei der verbesserten Triggerung wird der Timing-Unterschied zwischen dem Triggerpfad und dem Pfad der erfassten Daten korrigiert (unterstützt alle Pinpoint-Triggerarten auf A- und B-Ereignisse, ausgenommen Bitmustertrigger). Die Funktion ist standardmäßig aktiviert (benutzerwählbar) und im FastAcq-Modus nicht verfügbar.
- Triggersequenzen
 Hauptsequenz, zeitverzögert, ereignisverzögert, zeitlich zurückgesetzt, im Status zurückgesetzt, nach Übergang zurückgesetzt, B-Ereignis-Rasterdurchlauf. Alle Sequenzen können eine separate horizontale Verzögerung nach dem Triggerereignis enthalten, um das Erfassungsfenster zeitlich zu positionieren.
- Kommunikationstrigger
 Unterstützung für AMI-, HDB3-, BnZS-, CMI-, MLT3- und NRZ-kodierte Kommunikationssignale. Je nach verwendeter Norm können isolierte positive oder negative Eins, Null-Impulsform oder Augendiagramme ausgewählt werden. Erfordert Option MTM.
- Videotrigger-Formate und Halbbildraten
 Trigger von negativem Synchronisations-Composite-Video, Feld 1 oder Feld 2 für verschachtelte Systeme, beliebiges Feld, bestimmte Zeile oder beliebige Zeile für verschachtelte oder nicht verschachtelte Systeme. Unterstützte Systeme: NTSC, PAL, SECAM und HDTV 1080/24sF, 1080p/25, 1080i/50, 1080i/60, 1080p/24, 720p/60, 480p/60
- Serieller Bitmustertrigger
 - NRZ-kodierte Daten
 - Nur DPO7254C und DPO7354C, erfordert Opt. ST1G. Erkennung serieller Wörter bis zu 64 Bit, Bits im Binärformat (hoch, niedrig, beliebig) oder im Hexadezimalformat angegeben. Trigger auf NRZ-kodierte Daten von bis zu 1,25 GBaud.
 
- System zur Taktrückgewinnung
 (Nur DPO7254C und DPO7354C, erfordert Opt. ST1G.)
- Bandbreite der phasengeregelten (PLL) Taktrückgewinnung
 Fest bei FBaud/500
- Frequenzbereich für die Taktrückgewinnung
 - 1,5 MBaud bis 1,25 GBaud
 - Taktrückgewinnungsjitter (eff)
 20 pseff+ 1,25 % Bitintervall eff für PRBS-Datenmuster
20 pseff+ 1,25 % Bitintervall eff für sich wiederholende Datenmuster „0011“
- Taktrückgewinnungs-Tracking/Erfassungsbereich
 ±5 % der angeforderten Baudrate (typisch)
- Erforderliche Mindestsignalamplitude für Taktrückgewinnung
 1 divSp-Spbis zu 1,25 GBaud
- Triggerpegel-Bereich
 - Alle Kanäle
 - ±12 Skalenteile ab Bildschirmmitte
 - Aux-Eingang
 TekVPI-Schnittstelle; ±5 V (50 Ω); 150 V, Leistungsabfall bei 20 dB/Dekade auf 9 effüber 200 kHz (1 MΩ)
- Netzbetrieb
 - Fest bei 0 V
 
- Triggerkopplung
 DC
AC (Dämpfung <60 Hz)
HF-Unterdrückung (Dämpfung >30 kHz)
LF-Unterdrückung (Dämpfung <80 kHz)
Rauschunterdrückung (Verringerung der Empfindlichkeit)
- Trigger-Holdoff-Bereich
 - 250 ns Min. bis 100 s
 
- Triggerarten
 Triggerarten für A-Ereignis und verzögertes B-Ereignis: Flanke, Glitch, Breite, Runt, Timeout, Übergangszeit, Bitmuster, Status, Setup/Hold, Fenster. Außer Flanke, Bitmuster und Status können alle durch bis zu zwei Kanäle nach dem Logikstatus qualifiziert werden.
- Flanke
 - Positive, negative Steigung oder beides an einem Kanal oder am zusätzlichen Eingang auf dem Frontpaneel. Die Kopplung umfasst DC-, AC-, HF- und NF-Unterdrückung sowie Rauschunterdrückung.
 - Glitch
 Trigger auf Glitches oder Unterdrücken von Glitches mit positiver bzw. negativer Polarität oder beiden Polaritäten. Die Glitch-Mindestbreite beträgt 170 ps (typisch) mit einer Rücksetzzeit von 250 ps (für DPO7254C oder DPO7354C).
- Breite
 Triggern auf Breite mit positivem oder negativem Impuls innerhalb oder außerhalb wählbarer Grenzen (225 ps bis 10 s).
- Runt
 - Trigger auf einen Impuls, der eine Schwelle überschreitet, eine zweite Schwelle jedoch nicht überschreitet, bevor die erste Schwelle erneut überschritten wurde. Das Ereignis kann zeitlich oder logisch qualifiziert sein.
 - Fenster
 - Trigger auf ein Ereignis, das in ein durch zwei benutzereinstellbare Schwellenwerte definiertes Fenster eintritt oder es verlässt. Das Ereignis kann zeitlich oder logisch qualifiziert sein.
 - Zeitüberschreitung
 Triggern auf ein Ereignis, das hoch, niedrig oder beides bleibt, für einen bestimmten Zeitraum (300 ps bis 1 s).
- Übergang
 - Triggern auf Impulsflanken-Anstiegsraten, die schneller oder langsamer als angegeben sind. Die Steigung kann positiv, negativ oder beides sein.
 - Setup/Hold
 - Trigger bei Verletzungen der Setup- und der Hold-Zeit zwischen Takt und Daten auf zwei beliebigen Eingangskanälen.
 - Bitmuster
 Triggern, wenn das Bitmuster für einen bestimmten Zeitraum (300 ps bis 1 s) UNWAHR wird oder WAHR bleibt. Bitmuster (AND, OR, NAND, NOR) sind für alle analogen Eingangskanäle angegeben, die als hoch, niedrig oder beliebig definiert sind.
- Logikstatus
 - Jedes beliebige Muster von Kanälen (1, 2, 3), getaktet nach Flanke auf Kanal 4. Triggern auf steigende oder fallende Taktflanke.
 - Paralleler Bus
 - Triggern auf angegebenen Datenwert auf definiertem parallelem Bus.
 - Video
 Triggern auf alle Zeilen, eine bestimmte Zeilennummer, ungerade, gerade oder alle Felder für NTSC, PAL, SECAM und HDTV 480p/60, 576p/50, 875i/60, 720p/30, 720p/50, 720p/60, 1080/24sF, 1080i/50, 1080p/25, 1080i/60, 1080p/24, 1080p/25, 1080p/50, 1080p/60, Bi-Level, Tri-Level.
- Visueller Trigger
 - Triggern auf bis zu 8 benutzerdefinierte Bereiche, einschließlich Rechteck, Dreieck, Trapezoid, Sechseck und benutzerdefinierte Formen auf einem der analogen Kanäle.
 
- Optionale Triggerarten
 - Serielle Bitmuster
 Erfasst serielle Datenströme mit integrierter Taktrückgewinnung für NRZ-Standards bis zu 1,25 Gb/s. Erweitert durch Pattern-Lock-Triggerung zum Aufzeichnen von wiederholten Erfassungen langer serieller Datenmuster. Bereitstellung mit Opt. ST1G.
- Kommunikation
 - Unterstützung für AMI-, HDB3-, BnZS-, CMI-, MLT3- und NRZ-kodierte Signale. Bereitstellung mit Opt. MTM.
 - I2C
 - Triggern auf Start, wiederholten Start, Stopp, fehlende Bestätigung, Adresse (7 oder 10 Bit), Daten (1-5 Byte) oder Adresse und Daten auf I2C-Bussen bis 10 Mb/s. Bereitstellung mit Opt. SR-EMBD.
 - SPI
 - Triggern auf Slave Select, Leerlaufzeit oder Daten (1-6 Wörter) auf SPI-Bussen bis zu 10 Mb/s. Bereitstellung mit Opt. SR-EMBD.
 - CAN
 - Triggern auf Segmentbeginn, Segmenttyp (Daten, Remote, Fehler oder Überlastung), Kennung, Daten, Kennung und Daten, Segmentende, fehlende Bestätigung, Bit-Stuffing-Fehler oder CRC-Fehler auf CAN-Bussen bis zu 1 Mb/s. Bereitstellung mit Opt. SR-AUTO.
 - LIN-Bustrigger
 - Triggern auf Synchronisation, Kennung, Daten, Kennung und Daten, Wakeup-Segment, Sleep-Segment und Fehler auf LIN-Bussen bis zu 1 Mb/s. Bereitstellung mit Opt. SR-AUTO.
 - FlexRay
 - Triggern auf Indikator-Bits (Normal, Payload, Null, Synchronisation, Start), Zykluszählung, Header-Felder (Indikator-Bits, Kennung, Payload-Länge, Header-CRC und Zykluszählung), Kennung, Daten, Kennung und Daten, Segmentende und Fehler auf FlexRay-Bussen bis zu 10 Mb/s. Bereitstellung mit Opt. SR-AUTO.
 - MIL-STD-1553B
 Triggern auf Synchronisation, Befehlswort, Statuswort, Datenwort, Leerlaufzeit und Fehler auf MIL-STD-1553-Bussen bis zu 1 Mb/s. Bereitstellung mit Opt. SR-AERO.
- RS-232/422/485/UART
 Triggern auf Start-Bit, Paketende, Daten (1-5 Wörter) und Paritätsfehler auf RS-232-Bussen bis zu 10 Mb/s. Bereitstellung mit Opt. SR-COMP.
- USB 2.0 Low-Speed
 Triggern auf Synchronisation, Reset, Standby, Wiederaufnahme, Paketende, Token(-Adress)-Paket, Datenpaket, Handshake-Paket, Spezialpaket, Fehler. Bereitstellung mit Opt. SR-USB.
Tokenpaket-Trigger – Jeder beliebige Tokentyp, SOF, OUT, IN, SETUP; eine Adresse kann für jeden beliebigen Tokentyp, OUT, IN und SETUP angegeben werden. Die Adresse kann weiter zum Triggern auf ≤, <, =, >, ≥, != für einen bestimmten Wert oder innerhalb bzw. außerhalb eines Bereichs angegeben werden. Die Frame-Nummer kann bei SOF-Token mit Binär- und Hexadezimalziffern, vorzeichenlosen Dezimalziffern und beliebigen Ziffern angegeben werden.
Datenpaket-Trigger – Jeder beliebige Datentyp, DATA0, DATA1; Daten können weiter zum Triggern auf ≤, <, =, >, ≥, != für einen bestimmten Datenwert oder innerhalb bzw. außerhalb eines Bereichs angegeben werden.
Handshake-Paket-Trigger – Jeder beliebige Handshake-Typ, ACK, NAK, STALL.
Spezialpaket-Trigger – Jeder beliebige Spezialtyp, Reserviert.
Fehler-Trigger – PID-Prüfung, CRC5 oder CRC16, Bit-Stuffing.
- USB 2.0 Full-Speed
 Triggern auf Synchronisation, Reset, Standby, Wiederaufnahme, Paketende, Token(-Adress)-Paket, Datenpaket, Handshake-Paket, Spezialpaket, Fehler. Bereitstellung mit Opt. SR-USB.
Tokenpaket-Trigger – Jeder beliebige Tokentyp, SOF, OUT, IN, SETUP; eine Adresse kann für jeden beliebigen Tokentyp, OUT, IN und SETUP angegeben werden. Die Adresse kann weiter zum Triggern auf ≤, <, =, >, ≥, != für einen bestimmten Wert oder innerhalb bzw. außerhalb eines Bereichs angegeben werden. Die Frame-Nummer kann bei SOF-Token mit Binär- und Hexadezimalziffern, vorzeichenlosen Dezimalziffern und beliebigen Ziffern angegeben werden.
Datenpaket-Trigger – Jeder beliebige Datentyp, DATA0, DATA1; Daten können weiter zu Triggern auf ≤, <, =, >, ≥, != für einen bestimmten Datenwert oder innerhalb bzw. außerhalb eines Bereichs angegeben werden.
Handshake-Paket-Trigger – Jeder beliebige Handshake-Typ, ACK, NAK, STALL.
Spezialpaket-Trigger – Jeder beliebige Spezialtyp, PRE, Reserviert.
Fehler-Trigger – PID-Prüfung, CRC5 oder CRC16, Bit-Stuffing.
- USB 2.0 High-Speed
 Keine Triggerung auf Protokollebene. Bereitstellung mit Opt. SR-USB.
Anmerkung:
USB 2.0-Hochgeschwindigkeits-Decodierung und -Suche nur bei Modellen ≥1 GHz verfügbar.
Signalanalyse
- Suchen und Markieren von Ereignissen
 Verwenden Sie die erweiterte Such- und Markerfunktion, um Ereignisse automatisch zu markieren und Signale zu dokumentieren. Suchen nach positiven/negativen Steigungen oder beidem, Glitches, Runts, Pulsbreiten, Übergangsrate, Setup/Hold, Timeout, Fenstern oder beliebigen Bit- oder Statusmustern, bis zu 8 verschiedenen Ereignisarten auf einem der 4 analogen Kanäle. Durchsuchen von DDR-Lese- oder Schreib-Bursts mit Opt. DDRA.
Wenn ein zu untersuchendes Ereignis mit einem Hardware-Trigger gefunden wird, können weitere ähnliche Ereignisse gefunden werden, indem die Option zum Markieren aller Triggerereignisse in der Aufzeichnung in den Pinpoint-Trigger-Steuerfenstern verwendet wird.
In der Ereignistabelle werden alle gefundenen Ereignisse zusammengefasst. Alle Ereignisse werden mit einer auf die Triggerposition bezogenen Zeitmarke versehen. Sie können Erfassungen anhalten, wenn ein Ereignis gefunden wird.
- Signalmessungen
 - Cursor
 - Auf Signal und Bildschirm bezogene Cursor
 - Automatische Messungen
 53, wovon jeweils 8 gleichzeitig auf dem Bildschirm angezeigt werden können
- Messstatistik
 - Mittelwert, Min, Max, Standardabweichung
 - Referenzpegel
 Vom Benutzer definierbare Referenzpegel für automatische Messungen können in Prozent oder Einheiten angegeben werden
- Gattersteuerung
 Isolierung von bestimmten Ereignissen innerhalb einer Erfassung, für die Messungen durchgeführt werden, entweder mithilfe des Bildschirmcursors oder mithilfe des Signalcursors
- Amplitudenbezogen
 Amplitude, High, Low, Maximum, Minimum, Peak-zu-Peak, Mittelwert, Zyklusmittelwert, Effektivwert, Zykluseffektivwert, positives Überschwingen, negatives Überschwingen
- Zeitbezogen
 Anstiegszeit, Abfallzeit, positive Breite, negative Breite, positives Tastverhältnis, negatives Tastverhältnis, Periode, Frequenz, Verzögerung
- Kombination
 - Bereich, Zyklusbereich, Phase, Burstbreite
 - Histogrammbezogen
 Signalzählung, Treffer in Feld, Peak-Treffer, Median, Max, Min, Peak-zu-Peak, Mittelwert (μ), Standardabweichung (Sigma), μ+1Sigma, μ+2Sigma, μ+3Sigma
- Augendiagrammbezogen
 Extinktionsverhältnis (absolut, %, dB), Augenhöhe, Augenbreite, Augenoberkante, Augenunterkante, Durchgang %, Jitter (Sp-Sp, Effektivwert, 6sigma), Rauschen (Sp-Sp, Effektivwert), Signal-Rausch-Verhältnis, Duty-Cycle-Verzerrung, Q-Faktor
- Signalhistogramme
 Ein Signalhistogramm umfasst eine Reihe von Datenwerten, die die Gesamtzahl der Treffer in einem benutzerdefinierten Bereich der Anzeige darstellen. Ein Signalhistogramm ist sowohl eine visuelle Darstellung der Trefferverteilung als auch eine Menge von numerischen Werten, die gemessen werden können. Quellen – Kanal 1, Kanal 2, Kanal 3, Kanal 4, Ref 1, Ref 2, Ref 3, Ref 4, Mathematik 1, Mathematik 2, Mathematik 3, Mathematik 4
Arten – vertikal, horizontal
- Signalverarbeitung/Mathematik
 - Zahl der berechneten Signale
 Bis zu 4
- Arithmetisch
 - Addieren, Subtrahieren, Multiplizieren und Dividieren von Signalen und Skalaren
 - Algebraische Termini
 Definieren umfangreicher algebraischer Ausdrücke, die Signale, Skalare, vom Benutzer anpassbare Variablen und Ergebnisse parametrischer Messungen enthalten. Durchführung von mathematischen Berechnungen mit komplexen Gleichungen, z B. (Integral (CH1 – Mittelwert(CH1)) × 1,414 × VAR1)
- Mathematische Funktionen
 Mittelwert, Invertieren, Integrieren, Differenzieren, Quadratwurzel, Exponentialfunktionen, Log mit Basis 10, Log mit Basis e, Absolutwert, Aufrunden, Abrunden, Min, Max, Sin, Cos, Tan, ASin, ACos, ATan, Sinh, Cosh, Tanh
- Relational
 - Ergebnis Boolescher Vergleiche >, <, ≥, ≤, ==, !=
 - Frequenzbereichsfunktionen
 - Spektralwert und -phase, reale und imaginäre Spektren
 - Vertikale Einheiten FFT
 - Größe: Linear, dB, dBm Phase: Grad, Radiant, Gruppenverzögerung
 - FFT-Fensterfunktionen
 Rechteck, Hamming, Hanning, Kaiser-Bessel, Blackman-Harris, Gauss, Flattop2, Tek Exponential
- Signaldefinition
 - Als arbiträrer mathematischer Ausdruck
 - Filterfunktionen
 Benutzerdefinierbare Filter. Benutzer spezifizieren eine Datei mit den Koeffizienten des Filters. Mehrere Filterdateien werden als Beispiel bereitgestellt
- Benutzerdefinierte Funktionen über die Math-Plug-In-Schnittstelle
 Über eine bereitgestellte Schnittstelle können Benutzer eigene angepasste mathematische Funktionen in MATLAB oder Visual Studio erstellen
- Maskenfunktion
 Generiert aus einem Abtastsignal eine Pixelmap für die Signaldatenbank. Die Zahl der Abtastpunkte kann festgelegt werden
Software
- IVI-Treiber
 Stellt eine Standardschnittstelle zur Geräteprogrammierung für gängige Anwendungen wie LabVIEW, LabWindows/CVI, Microsoft .NET und MATLAB bereit. Standardmäßig IVI-COM
- Webschnittstelle LXI Klasse C
 Ermöglicht die Verbindung mit Oszilloskopen der DPO7000C-Serie über einen standardmäßigen Internet-Browser. Geben Sie einfach die IP-Adresse des Oszilloskops in die Adresszeile des Browsers ein. Die Webschnittstelle ermöglicht die Anzeige des Gerätestatus und der Konfiguration sowie des Status und der Änderungen von Netzwerkeinstellungen. Alle Web-Interaktionen entsprechen den Anforderungen der Spezifikation LXI Klasse C
Anzeigesystem
- Displaytyp
 - 307,3 mm (12,1 Zoll) LCD-Aktiv-Matrix-Farbdisplay
 
- Bildschirmauflösung
 - 1024 (horizontal) x 768 Pixel (vertikal) (XGA)
 
- Signalformen
 - Vektoren, Punkte, variable Nachleuchtdauer, unendliche Nachleuchtdauer
 
- Farbpaletten
 - Normal, grün, grau, Temperatur, spektral und benutzerdefiniert
 
- Format
 - YT, XY
 
- Horizontale Skalenteile
 - 10
 
- Vertikale Skalenteile
 - 10
 
Computersystem und Peripheriegeräte
- Betriebssystem
 Microsoft Windows 10 Enterprise IoT Edition
- CPU
 - Intel i7-2600 Prozessor, Quad-Core, 3,4 GHz
 
- Arbeitsspeicher
 - 8 GB
 
- Solid-State-Drive
 Entnehmbar, 512 GB
- CD/DVD-Laufwerk
 - CD-R/W-, DVD-R-Laufwerk am Frontpaneel
 
- Maus
 - Optische Maus mit Mausrad, USB-Schnittstelle
 
- Tastatur
 Bestellnummer 119-7083-xx für kleine Tastatur; USB-Schnittstelle und -Hub
Eingangs-/Ausgangsanschlüsse
- USB 2.0-Hochgeschwindigkeits-Hostanschlüsse
 - Unterstützt USB-Massenspeichergeräte, -Drucker, -Tastatur und -Maus. Anschlüsse auf dem Frontpaneel und an den Seitenwänden des Geräts. Kann deaktiviert werden
 
- USB 3.0 SuperSpeed-Hostanschlüsse
 - Unterstützt USB-Massenspeichergeräte, -Drucker, -Tastatur und -Maus. Anschlüsse am seitlichen Bedienfeld des Geräts. Kann deaktiviert werden
 
- GPIB-Schnittstelle
 - Rückseite. Standard IEEE 488.2
 
- LAN-Anschluss
 - RJ-45-Anschluss, unterstützt 10BASE-T, 100BASE-T und 1000BASE-T
 
- Videoausgang
 DVI-I- und VGA-Anschlüsse für die Übertragung der Bilddaten auf dem Display des Oszilloskops an einen externen Monitor oder Projektor. Unterstützung für erweiterten Desktop und Klonmodus
- Audio-Eingang/Ausgang
 - Mini-Klinkenbuchsen für Stereo-Mikrofoneingang und Stereo-Leitungsausgang
 
- Tastaturanschluss
 - PS/2-kompatibel
 
- Mausanschluss
 - PS/2-kompatibel
 
- Aux-Eingang
 - Frontpaneel. Siehe Triggerspezifikationen
 
- Aux-Ausgang (über Software umschaltbar)
 Triggerausgang: Ein TTL-kompatibler Impuls, wenn das Oszilloskop triggert
Zeitbasis-Referenzausgang: Ein TTL-kompatibler Ausgang des internen 10-MHz-Referenzoszillators
- Externer Zeitbasis-Referenzeingang
 Ermöglicht die phasenstarre Kopplung eines Zeitbasissystems mit einem externen Referenzsignal von 10 MHz (10 MHz ±1 %)
- Analoger Signalausgang
 Der BNC-Anschluss liefert eine gepufferte Version des Ch3-Signals. 50 mV/div ±20 % bei einer Last von 1 MΩ, 25 mV/div ±20 % bei einer Last von 50 Ω. Die Bandbreite beträgt 100 MHz bei einer Last von 50 Ω
- Tastkopfkompensationsausgang
 Kontaktstifte an der Frontplatte
Amplitude: 1 V ±20 % bei einer Last von ≥50 Ω
Frequenz: 1 kHz ±5%
- Taktrückgewinnung (nur DPO7254C und DPO7354C)
 (Aktiviert durch Opt. ST1G.) BNC-Anschluss, ≤1,25 Gb/s, Ausgangsschwankung ≥130 mVSp-Spbei 50 Ω
- Datenrückgewinnung (nur DPO7254C und DPO7354C)
 (Aktiviert durch Opt. ST1G.) BNC-Anschluss, ≤1,25 Gb/s, Ausgangsschwankung ≥200 mV bei 50 Ω
- LXI-Webschnittstelle (LAN eXtensions for instrumentation)
 - Klasse: LXI Klasse C
 
Stromversorgung
- Stromversorgung
 100 bis 240 V ±10 %, 47 bis 63 Hz, <550 W
115 Veff±10%, 360 bis 440 Hz, <500 VA
Maße und Gewichte
- Abmessungen
 mm Zoll Höhe 292 11,48 Breite 451 17,75 Tiefe 265 10,44 
- Abmessungen bei Gestelleinbau
 mm Zoll Höhe 331 12,25 Breite 479 18,85 Tiefe (von der Halterung für Gestelleinbau bis zur Geräterückseite) 231,75 9,12 
- Gewicht
 kg lbs Netto 15 32 Versand 28,9 63,75 
- Gewicht bei Gestelleinbau
 kg lbs Netto 17,4 37,5 Kit 2,5 5,5 
- Kühlung – Erforderlicher Abstand
 mm Zoll Oben 0 0 Unten 0 0 Links 76 3 Rechts 0 0 Vorne 0 0 Hinten 0 0 
Umgebung
- Temperatur
 - Betrieb
 - +5 bis +45 °C, nicht kondensierend
 - Lagerung
 -40 bis +71 °C, mit max. Anstieg von 15 °C/Std., kein CD/DVD-Medium im Laufwerk
- Feuchte
 - Betrieb
 8 bis 80 % relative Luftfeuchtigkeit bei einer max. WBGT von 29 °C bei max. +45 °C, nicht kondensierend. Oberer Grenzwert herabgesetzt auf 30 % rel. Luftfeuchtigkeit bei +45 °C
- Lagerung
 5 bis 90 % relative Luftfeuchtigkeit bei einer max. WBGT von 29 °C bei max. +60 °C, nicht kondensierend. Oberer Grenzwert herabgesetzt auf 20 % rel. Luftfeuchtigkeit bei +60 °C
- Höhe über NN
 - Betrieb
 - 3.000 m
 - Lagerung
 - 12.192 m
 
- Gesetzliche Bestimmungen
 - Elektromagnetische Verträglichkeit
 - 2004/108/EG
 - Zertifizierungen
 UL61010-1; CSA61010-1, EN61010-1; IEC 61010-1
Bestellinformationen
Modelle der Serie DPO7000C
- DPO7054C
 Digital-Phosphor-Oszilloskop mit 4 Kanälen, 500 MHz, 5/10/20 GS/s (Kanäle 4/2/1), Aufzeichnungslänge 25 Mio. Punkte
- DPO7104C
 Digital-Phosphor-Oszilloskop mit 4 Kanälen, 1 GHz, 5/10/20 GS/s (Kanäle 4/2/1), Aufzeichnungslänge 25 Mio. Punkte
- DPO7254C
 Digital-Phosphor-Oszilloskop mit 4 Kanälen, 2,5 GHz, 10/20/40 GS/s (Kanäle 4/2/1), Aufzeichnungslänge 25 Mio. Punkte
- DPO7354C
 Digital-Phosphor-Oszilloskop mit 4 Kanälen, 3,5 GHz, 10/20/40 GS/s (Kanäle 4/2/1), Aufzeichnungslänge 25 Mio. Punkte
Standardzubehör
- P6139B
 - Ein passiver Spannungstastkopf pro Analogkanal (500 MHz, 10-fach, 8 pF)
 - —
 - Frontschutzabdeckung
 - 071-298x-xx
 - Benutzerhandbuch (bitte bei der Bestellung die Sprache angeben)
 - —
 - PDF-Datei mit der GPIB-Programmierreferenz
 - —
 - PDF-Datei mit der Verfahrensbeschreibung für die Leistungsprüfung
 - —
 - Erweiterte Suche und Markierung, DPOJET Essentials, visuelle Trigger und Suche und Grenzwertprüfung standardmäßig im Lieferumfang enthalten
 - —
 - Zubehörbeutel
 - —
 - Maus
 - —
 - Kalibrierungszertifikat zur Dokumentation der Rückführbarkeit auf Messstandards der nationalen Metrologieinstitute, Z 540-1-Konformität und ISO9001
 - —
 - Netzkabel (bitte bei der Bestellung die gewünschte Netzsteckeroption angeben)
 - —
 - 1-Jahres-Garantie
 
Gerätezubehör
- Optionen für die Aufzeichnungslänge
 - Opt. 5RL
 - max. 250 Mio., 50 Mio./Kanal
 - Opt. 10RL
 - nur DPO7254C und DPO7354C, max. 500 Mio., 125 Mio./Kanal
 
- Optionen für die Abtastrate
 - Opt. 2SR
 - Doppelte maximale Echtzeit-Abtastrate bis 40/20/10 GS/s auf 1/2/4 Kanälen (nur DPO7104C)
 
- Speicheroptionen
 - Opt. SSD
 - Solid-State-Drive; vom Kunden installierbares Wechsellaufwerk mit Microsoft Windows 10, TekScope und Anwendungssoftware (bereits installiert)
 
- Erweiterte Analyse-Optionen
 Option Beschreibung Opt. BRR BroadR-Reach/100BASE-T1 und 1000BASE-T1 Konformitätsprüfungen (Erfordert TF-GBE-BTP- und TF-BRR-CFD-Testvorrichtungen) (Nur für Modelle mit einer Bandbreite ≥1 GHz) Opt. DDRA DDR-Speicherbus-Analyse (Erfordert Opt. DJA) (Nur für Modelle mit einer Bandbreite ≥1 GHz) Opt. DJA Werkzeuge zur Jitter- und Augendiagrammanalyse – Advanced (DPOJET) Opt. DJAN DPOJET Werkzeuge zur Rauschen-, Jitter- und Augendiagrammanalyse (Erfordert Opt. DJA) Opt. D-PHY MIPI D-PHY-Essentials – Lösung für Signalgeber-Debugging, Charakterisierung und Konformitätstests (Erfordert Opt. DJA) (Nur für Modelle mit einer Bandbreite ≥2,5 GHz) Opt. ET3 Software für Ethernet-Konformitätstests (Erfordert TF-GBE-BTP- oder TF-GBE-ATP-Ethernet-Testvorrichtung) Opt. MOST Software zum Testen der Einhaltung elektrischer Spezifikationen und zur Fehlerbeseitigung für MOST50 und MOST150 (Erfordert Opt. DJA) Opt. MTM Maskentest für ITU-T, ANSI T1.102, Ethernet, SONET/SDH, Fibre Channel, USB 2.0, IEEE 1394b, Rapid I/O, OIF, CPRI und Serial Video; (beinhaltet Hardware-Taktrückgewinnung auf DPO7254C/DPO7354C) Opt. NBASE-T TekExpress-Software für automatisierte NBASE-T und IEEE802.3bz (2,5G und 5G) Konformitätsprüfungen (Erfordert Testvorrichtung TF-XGbt) (Nur für Modelle mit einer Bandbreite ≥2,5 GHz) Opt. PWR Leistungsmessungs- und Analysesoftware Opt. SR-AERO Serielle Triggerung und Analyse in der Luftfahrt (MIL-STD-1553). Ermöglicht das Triggern auf Informationen auf Paketebene bei MIL-STD-1553-Bussen und stellt Analysewerkzeuge bereit, wie z. B. Busansichten, Paketdecodierung, Suchwerkzeuge und Paketdecodierungstabellen mit Zeitmarkeninformationen Opt. SR-AUTO Serielle Triggerung und Analyse für Fahrzeuge (CAN/LIN/FlexRay). Ermöglicht das Triggern auf Informationen auf Paketebene bei CAN-, LIN- und FlexRay-Bussen und stellt Analysewerkzeuge bereit, wie z. B. digitale Signalansichten, Busansichten, Paketdecodierung, Suchwerkzeuge und Paketdecodierungstabellen mit Zeitmarkeninformationen Opt. SR-COMP Serielle Triggerung und Analyse für Computer (RS-232/422/485/UART). Ermöglicht das Triggern auf Informationen auf Paketebene bei RS-232/422/485/UART-Bussen und stellt Analysewerkzeuge bereit, wie z. B. digitale Signalansichten, Busansichten, Paketdecodierung, Suchwerkzeuge und Paketdecodierungstabellen mit Zeitmarkeninformationen Opt. SR-DPHY Serielle Analyse MIPI® D-PHY. Ermöglicht die Analyse von MIPI DSI-1- und CSI-2-Bussen mit Analysewerkzeugen wie digitale Signalansichten, Busansichten, Paketdecodierung, Suchwerkzeuge und Paketdecodierungstabellen mit Zeitmarkeninformationen Opt. SR-EMBD Serielle Triggerung und Analyse für integrierte Systeme (I2C, SPI). Ermöglicht das Triggern auf Informationen auf Paketebene bei I2C- und Zweileiter- bzw. Dreileiter-SPI-Bussen und stellt Analysewerkzeuge bereit, wie z. B. digitale Signalansichten, Busansichten, Paketdekodierung, Suchwerkzeuge und Paketdekodierungstabellen mit Zeitmarkeninformationen. Opt. SR-ENET Serielle Analyse für Ethernet (10BASE-T, 100BASE-TX). Ermöglicht die Analyse von Ethernet-Bussen und stellt Analysewerkzeuge bereit, wie z. B. Busansichten, Paketdecodierung, Suchwerkzeuge und Paketdecodierungstabellen mit Zeitmarkeninformationen Opt. SR-PCIE Serielle Analyse für PCI Express. Ermöglicht die Analyse von PCI Express-Bussen mit Analysewerkzeugen wie digitale Signalansichten, Busansichten, Paketdecodierung, Suchwerkzeugen und Paketdecodiertabellen mit Zeitstempelinformationen (Nur für Modelle mit einer Bandbreite ≥1 GHz) (Aufgrund der großen Datenmenge wird die Verwendung einer Standardfestplatte mit hoher Kapazität statt der kleineren SSD empfohlen.) Opt. SR-USB Serielle Triggerung und Analyse für USB 2.0 (LS, FS, HS). Ermöglicht das Triggern auf Informationen auf Paketebene bei seriellen Low-Speed-, Full-Speed- und High-Speed-USB-Bussen. Stellt außerdem Analysewerkzeuge bereit, wie z. B. Busansichten, Paketdecodierung, Suchwerkzeuge und Paketdecodierungstabellen mit Zeitmarkeninformationen für serielle Low-Speed-, Full-Speed- und High-Speed-USB-Busse. USB-High-Speed wird nur auf Modellen ≥1 GHz unterstützt Opt. SR-810B Serielle Analyse für 8b/10b. Ermöglicht die Analyse von 8b/10b-Bussen mit Analysewerkzeugen wie digitale Signalansichten, Busansichten, Paketdecodierung, Suchwerkzeuge und Paketdecodierungstabellen mit Zeitmarkeninformationen Opt. ST1G Serieller 64 Bit-NRZ-Trigger und Decodierung von seriellem 8b/10b-Protokoll (umfasst Opt. SR-810B) (Nur für Modelle mit einer Bandbreite ≥2,5 GHz) Opt. SVA AM/FM/PM-Audiosignalanalyse (Erfordert Opt. SVE) Opt. SVE SignalVu Essentials – Software zur Vektorsignalanalyse Opt. SVM Allgemeine Modulationsanalyse mit SignalVu (Erfordert Opt. SVE) Opt. SVO Flexible OFDM-Analyse mit SignalVu (Erfordert Opt. SVE) Opt. SVP Erweiterte Signalanalyse mit SignalVu (einschließlich Impulsmessungen) (Erfordert Opt. SVE) Opt. SVT Messungen der Frequenz- und Phaseneinschwingzeit mit SignalVu (Erfordert Opt. SVE) Opt. SV23 WLAN 802.11a/b/g-Messanwendung (Erfordert Opt. SVE) (Nur für Modelle mit einer Bandbreite ≥2,5 GHz) Opt. SV24 WLAN 802.11n Messanwendung (Erfordert Opt. SVE und SV23) (Nur für Modelle mit einer Bandbreite ≥2,5 GHz) Opt. SV26 APCO P25-Messungen mit SignalVu® (Erfordert Opt. SVE) Opt. SV27 Grundlegende Bluetooth-LE-TX-SIG-Messungen mit SignalVu® (Erfordert Opt. SVE) (Nur für Modelle mit einer Bandbreite ≥2,5 GHz) Opt. SV28 HF-Messungen bei LTE-Downlinks mit SignalVu®(Erfordert Opt. SVE) (Nur für Modelle mit einer Bandbreite ≥1 GHz) Opt. USB2 Automatisierte USB 2.0-Konformitätstestanwendung (Erfordert TDSUSBF (USB-Testvorrichtung). Erfordert Bandbreite ≥ 2 GHz für High-Speed-USB) Opt. USBPWR Automatische Konformitätstestlösung für USB-Netzteile Opt. XGBT2 TekExpress-Software für automatisierte 10GBASE-T-Konformitätstest (Erfordert Testvorrichtung TF-XGbt) (Nur für Modell DPO7354C) 
- TekExpress Anwendungsframework – Optionen
 Option Beschreibung TEKEXP TekExpress Automatisierungsframework Opt. D-PHYTX D-PHY Automatisierte Lösung (Erfordert Opt. DJA) (Nur für Modelle mit einer Bandbreite ≥2,5 GHz) 
- Paketoptionen
 - Diese Paketkomponenten müssen zusammen mit dem Gerät erworben werden. 
Option Beschreibung Opt. PS2 Leistungslösungspaket: DPOPWR, THDP0200, TCP0030A, 067-1686-xx (Deskew-Vorrichtung) Opt. PS3 Leistungslösungspaket: DPOPWR, TMDP0200, TCP0020, 067-1686-xx (Deskew-Vorrichtung)  
Optionen für Floating-Lizenzen
Floating-Lizenzen bieten eine alternative Methode zur Verwaltung Ihrer Tektronix-Produkte. Floating-Lizenzen ermöglichen den unkomplizierten Einsatz von durch Lizenzschlüssel aktivierten Optionen auf allen Tektronix-Oszilloskopen der MSO/DPO5000-, DPO7000- und DPO/DSA/MSO70000-Serien. Floating-Lizenzen sind für die folgenden Optionen mit Lizenzschlüsselaktivierung erhältlich.
Weitere Informationen zu Floating-Lizenzoptionen finden Sie unterhttp://www.tek.com/products/oscilloscopes/floating-licenses.
| Option | Beschreibung | 
|---|---|
| DPOFL-BRR | BroadR-Reach/100BASE-T1 und 1000BASE-T1 Konformitätsprüfungen (Erfordert TF-GBE-BTP- und TF-BRR-CFD-Testvorrichtungen) (Nur für Modelle mit einer Bandbreite ≥1 GHz) | 
| DPOFL-DDRA | DDR-Speicherbus-Analyse (Erfordert Opt. DJA) (Nur für Modelle mit einer Bandbreite ≥1 GHz) | 
| DPOFL-DJA | Werkzeuge zur Jitter- und Augendiagrammanalyse – Advanced (DPOJET) | 
| DPOFL-DJAN | DPOJET Werkzeuge zur Rauschen-, Jitter- und Augendiagrammanalyse (Erfordert Opt. DJA) | 
| DPOFL-D-PHY | Fehlerbehebungs-, Charakterisierungs- und Konformitätsprüfungslösung für MIPI D-PHY-Empfänger (Erfordert Opt. DJA) – (Nur für Modelle mit einer Bandbreite ≥2,5 GHz) | 
| DPOFL-ET3 | Ethernet-Konformitätstest (Erfordert TF-GBE-BTP- oder TF-GBE-ATP-Ethernet-Testvorrichtung) | 
| DPOFL-MOST | Software zum Testen der Einhaltung elektrischer Spezifikationen und zur Fehlerbeseitigung für MOST50 und MOST150 (Erfordert Opt. DJA) | 
| DPOFL-MTM | Maskentest für ITU-T, ANSI T1.102, Ethernet, SONET/SDH, Fibre Channel, USB 2.0, IEEE 1394b, Rapid I/O, OIF, CPRI und Serial Video; (beinhaltet Hardware-Taktrückgewinnung auf DPO7254C/DPO7354C) | 
| DPOFL-NBASE-T | TekExpress-Software für automatisierte NBASE-T und IEEE802.3bz (2,5G und 5G) Konformitätsprüfungen (Erfordert Testvorrichtung TF-XGbt) (Nur für Modelle mit einer Bandbreite ≥2,5 GHz) | 
| DPOFL-PWR | Leistungsmessung und Analyse | 
| DPOFL-SR-AERO | Serielle Triggerung und Analyse in der Luftfahrt (MIL-STD-1553). Ermöglicht das Triggern auf Informationen auf Paketebene bei MIL-STD-1553-Bussen und stellt Analysewerkzeuge wie Digitalansicht des Signals, Busansichten und Paketdecodierung bereit | 
| DPOFL-SR-AUTO | Serielle Triggerung und Analyse für Fahrzeuge (CAN/LIN/FlexRay). Ermöglicht das Triggern auf Informationen auf Paketebene bei CAN-, LIN- und FlexRay-Bussen und stellt Analysewerkzeuge wie Digitalansicht des Signals, Busansichten und Paketdecodierung bereit | 
| DPOFL-SR-COMP | Serielle Triggerung und Analyse für Computer (RS-232/422/485/UART). Ermöglicht das Triggern auf Informationen auf Paketebene bei RS-232/422/485/UART-Bussen und stellt Analysewerkzeuge wie Digitalansicht des Signals, Busansichten und Paketdecodierung bereit | 
| DPOFL-SR-DPHY | Serielle Analyse MIPI® D-PHY. Ermöglicht die Analyse von MIPI DSI-1- und CSI-2-Bussen mit Analysewerkzeugen wie Digitalansicht des Signals, Busansichten und Paketdecodierung | 
| DPOFL-SR-EMBD | Serielle Triggerung und Analyse für integrierte Systeme (I2C, SPI). Ermöglicht das Triggern auf Informationen auf Paketebene bei I2C und SPI-Bussen und stellt Analysewerkzeuge wie Digitalansicht des Signals, Busansichten und Paketdekodierung bereit. | 
| DPOFL-SR-ENET | Serielle Analyse für Ethernet (10BASE-T und 100BASE-TX). Ermöglicht die Analyse von Ethernet-Bussen mit Analysewerkzeugen wie digitale Signalansichten, Busansichten und Paketdecodierung | 
| DPOFL-SR-PCIE | Serielle Analyse für PCI Express. Ermöglicht die Analyse von PCI Express-Bussen mit Analysewerkzeugen wie digitale Signalansichten, Busansichten und Paketdecodierung (Nur für Modelle mit einer Bandbreite ≥1 GHz) (Aufgrund der großen Datenmenge wird die Verwendung einer Standardfestplatte mit hoher Kapazität statt der kleineren SSD empfohlen) | 
| DPOFL-SR-USB | Serielle Triggerung und Analyse für USB 2.0 (LS, FS, HS). Ermöglicht das Triggern auf Informationen auf Paketebene bei seriellen Low-Speed-, Full-Speed- und High-Speed-USB-Bussen. Stellt außerdem Analysewerkzeuge bereit, z. B. Digitalansicht des Signals, Busansichten und Paketdecodierung für serielle Low-Speed-, Full-Speed- und High-Speed-USB-Busse. USB-High-Speed wird nur auf Modellen ≥1 GHz unterstützt | 
| DPOFL-SR-810B | Serielle Analyse für 8b/10b. Ermöglicht die Analyse von 8b/10b-Bussen mit Analysewerkzeugen wie Digitalansicht des Signals, Busansichten und Paketdecodierung | 
| DPOFL- ST1G | Serieller 64 Bit-NRZ-Trigger und Decodierung von seriellem 8b/10b-Protokoll (umfasst Opt. SR-810B) (Nur für Modelle mit einer Bandbreite ≥2,5 GHz) | 
| DPOFL-SVA | AM/FM/PM-Audiosignalanalyse mit SignalVu (Erfordert Opt. SVE) | 
| DPOFL-SVE | SignalVu Essentials – Software zur Vektorsignalanalyse | 
| DPOFL-SVM | Allgemeine Modulationsanalyse mit SignalVu (Erfordert Opt. SVE) | 
| DPOFL-SVO | Flexible OFDM-Analyse mit SignalVu (Erfordert Opt. SVE) | 
| DPOFL-SVP | Erweiterte Signalanalyse mit SignalVu (einschließlich Impulsmessungen) (Erfordert Opt. SVE) | 
| DPOFL-SVT | Messungen der Frequenz- und Phaseneinschwingzeit mit SignalVu (Erfordert Opt. SVE) | 
| DPOFL-SV23 | WLAN 802.11a/b/g-Messanwendung (Erfordert Opt. SVE) (Nur für Modelle mit einer Bandbreite ≥2,5 GHz) | 
| DPOFL-SV24 | WLAN 802.11n Messanwendung (Erfordert Opt. SVE und SV23) (Nur für Modelle mit einer Bandbreite ≥2,5 GHz) | 
| DPOFL-SV26 | APCO P25-Messungen mit SignalVu® (Erfordert Opt. SVE) | 
| DPOFL-SV27 | Grundlegende Bluetooth-LE-TX-SIG-Messungen mit SignalVu® (Erfordert Opt. SVE) (Nur für Modelle mit einer Bandbreite ≥2,5 GHz) | 
| DPOFL-SV28 | HF-Messungen bei LTE-Downlinks mit SignalVu®(Erfordert Opt. SVE) (Nur für Modelle mit einer Bandbreite ≥1 GHz) | 
| DPOFL-USB2 | Automatisierte USB 2.0-Konformitätstestanwendung (Erfordert TDSUSBF USB-Testvorrichtung) Erfordert Bandbreite ≥ 2 GHz für High-Speed-USB. | 
| DPOFL-USBPWR | Automatische Konformitätstestlösung für USB-Netzteile | 
| DPOFL-XGBT2 | TekExpress-Software für automatisierte 10GBASE-T-Konformitätstest (Erfordert Testvorrichtung TF-XGbt) (Nur für Modell DPO7354C) | 
Netzsteckeroptionen
- Opt. A0
 - Nordamerika (115 V, 60 Hz)
 - Opt. A1
 - Europa allgemein (220 V, 50 Hz)
 - Opt. A2
 - Großbritannien (240 V, 50 Hz)
 - Opt. A3
 - Australien (240 V, 50 Hz)
 - Opt. A5
 - Schweiz (220 V, 50 Hz)
 - Opt. A6
 - Japan (100 V, 50/60 Hz)
 - Opt. A10
 - China (50 Hz)
 - Opt. A11
 - Indien (50 Hz)
 - Opt. A12
 - Brasilien (60 Hz)
 - Opt. A99
 - Kein Netzkabel
 
Sprachoptionen
- Opt. L0
 - Handbuch in Englisch
 - Opt. L1
 - Handbuch in Französisch
 - Opt. L3
 - Handbuch in Deutsch
 - Opt. L5
 - Handbuch in Japanisch
 - Opt. L7
 - Handbuch in Chinesisch (vereinfacht)
 - Opt. L8
 - Handbuch in Chinesisch (traditionell)
 - Opt. L9
 - Handbuch in Koreanisch
 - Opt. L10
 - Handbuch in Russisch
 
Serviceoptionen
- Opt. C3
 - 3-Jahres-Kalibrierservice
 - Opt. C5
 - 5-Jahres-Kalibrierservice
 - Opt. D1
 - Kalibrierungsdatenbericht
 - Opt. D3
 - Kalibrierungsdatenbericht für 3 Jahre (mit Opt. C3).
 - Opt. D5
 - Kalibrierungsdatenbericht für 5 Jahre (mit Opt. C5).
 - Opt. R3
 - Reparaturservice, 3 Jahre (einschließlich Garantie)
 - Opt. R5
 - Reparaturservice, 5 Jahre (einschließlich Garantie)
 
Die Garantie und Serviceleistungen für das Oszilloskop erstrecken sich nicht auf Tastköpfe und Zubehör. Die jeweiligen Garantie- und Kalibrierungsbedingungen finden Sie im Datenblatt für die betreffenden Tastköpfe und Zubehörmodelle.
Empfohlenes Zubehör
- Tastköpfe
 Tektronix bietet über 100 verschiedene Tastköpfe an, um Ihren Anwendungsanforderungen zu entsprechen. Eine umfassende Liste der erhältlichen Tastköpfe finden Sie unter www.tek.com/probes.
- TAP3500
 - Aktiver asymmetrischer Tastkopf, 3,5 GHz, TekVPI
 - TAP2500
 - Aktiver asymmetrischer Tastkopf, 2,5 GHz, TekVPI
 - TAP1500
 - Aktiver asymmetrischer Tastkopf, 1,5 GHz, TekVPI
 - TDP3500
 Differentialspannungstastkopf mit ±2 V Differentialeingangsspannung, TekVPI, 3,5 GHz
- TDP1500
 Differentialspannungstastkopf mit ±8,5 V Differentialeingangsspannung, TekVPI, 1,5 GHz
- TDP1000
 Differentialspannungstastkopf mit ±42 V Differentialeingangsspannung, TekVPI, 1 GHz
- TDP0500
 TekVPI-Differentialspannungstastkopf, 500 MHz, ±42 V Differentialeingangsspannung
- TIVM1
 Differenztastkopf; 1 GHz, bis zu 50-fach, ±50 V, TekVPI, 3-m-Kabel
- TIVM1L
 Differenztastkopf; 1 GHz, bis zu 50-fach, ±50 V, TekVPI, 10-m-Kabel
- TIVH08
 Differenztastkopf; 800 MHz, bis zu 1000-fach,> 1000 V, TekVPI, 3-m-Kabel
- TIVH08L
 Differenztastkopf; 800 MHz, bis zu 1000-fach,> 1000 V, TekVPI, 10-m-Kabel
- TIVH05
 Differenztastkopf; 500 MHz, bis zu 1000-fach,> 1000 V, TekVPI, 3-m-Kabel
- TIVH05L
 Differenztastkopf; 500 MHz, bis zu 1000-fach,> 1000 V, TekVPI, 10-m-Kabel
- TIVH02
 Differenztastkopf; 200 MHz, bis zu 1000-fach,> 1000 V, TekVPI, 3-m-Kabel
- TIVH02L
 Differenztastkopf; 200 MHz, bis zu 1000-fach,> 1000 V, TekVPI, 10-m-Kabel
- TCP0150
 - AC/DC-Stromtastkopf, 20 MHz, TekVPI™, 150 A
 - TCP0030A
 - AC/DC-TekVPI-Stromtastkopf, 120 MHz, 30 A
 - TCP0020
 - AC/DC-TekVPI-Stromtastkopf, 50 MHz, TekVPI, 20 A
 - TRCP0300
 - Wechselstromtastkopf, 30 MHz, 250 mA bis 300 A
 - TRCP0600
 - Wechselstromtastkopf, 30 MHz, 500 mA bis 600 A
 - TRCP3000
 - Wechselstromtastkopf, 16 MHz, 500 mA bis 3000 A
 - TMDP0200
 - Hochspannungs-Differentialtastkopf, ±750 V, 200 MHz
 - THDP0200
 - Hochspannungs-Differentialtastkopf, ±1,5 kV, 200 MHz
 - THDP0100
 - Hochspannungs-Differentialtastkopf, ±6 kV, 100 MHz
 - P5100A
 - Passiver Hochspannungstastkopf, 2,5 kV, 500 MHz, 100-fach
 - P6015A
 - Passiver Hochspannungstastkopf, 20 kV, 75 MHz
 
- Zubehör
 - 077-0076-xx
 - Servicehandbuch, PDF auf Festplatte (nur PDF)
 - 077-0010-xx
 - Programmierhandbuch (nur PDF)
 - 077-0063-xx
 - Leistungsprüfung und Pflichtenheft (nur PDF)
 - 016-1985-xx
 - Gestelleinbausatz
 - 119-7275-xx
 - Mini-Multimediatastatur
 - 016-1970-xx
 - Transportkoffer
 - 020-3071-xx
 - DPO Demo 3-Baugruppe mit USB-Kabel Dual-A auf Single-B
 - DPO7AFP
 - Zusätzliches Frontbedienfeld
 
- Kabel
 - 012-0991-xx
 - GPIB-Kabel (1 m)
 - 012-0991-xx
 - GPIB-Kabel (2 m)
 
- Testvorrichtungen
 - 067-1686-xx
 - Tastkopfkalibrierung/Leistungs-Deskew-Testvorrichtung
 - TDSUSBF
 - Testvorrichtung zur Verwendung mit Opt. USB2
 - TF-BRR-CFD
 - Ethernet-Konformität für Fahrzeuge, Taktfrequenzteiler-Vorrichtung
 - TF-GBE-ATP
 - Erweitertes 10/100/1000BASE-T-Testpaket (umfasst PCB-Testvorrichtungssatz, RJ45-Verbindungskabel und 1000BASE-T-Jitter-Testkanalkabel)
 - TF-GBE-BTP
 - 10/100/1000BASE-T-Basistestpaket (umfasst PCB-Testvorrichtungssatz und RJ45-Verbindungskabel)
 - TF-GBE-EE
 Zusätzliche Testvorrichtung für Energy Efficient Ethernet-Messungen. Bestellung über Crescent Heart Software (http://www.c-h-s.com)
- Adapter
 - TPA-BNC
 - BNC-Adapter TekVPI auf TekProbe
 - P6701B
 - Umwandler optische Signale/elektrische Signale (Mehrfach-Modus). BNC-Adapter (TPA-BNC) von TekVPI® auf TekProbe erforderlich.
 - P6703B
 - Umwandler optische Signale/elektrische Signale (Einzel-Modus). BNC-Adapter (TPA-BNC) von TekVPI® auf TekProbe erforderlich.
 
- Software
 - TekScopeNL-BAS
 TekScope Anywhere™ Signalanalyse und Visualisierung – Maschinenbezogene Lizenz.
- TekScopeFL-BAS
 - TekScope Anywhere™ Signalanalyse und Visualisierung – Floating-Lizenz.
 - TekScopeNL-DJA
 - Erweiterte Jitter-Analyse für TekScope Anywhere™ – Maschinenbezogene Lizenz.
 - TekScopeFL-DJA
 - Erweiterte Jitter-Analyse für TekScope Anywhere™ – Floating-Lizenz.
 - GRL-USB-PD
 USB-Stromversorgung – elektrische Konformität und Decodierung.
Aufrüstoptionen
Geben Sie zum Aufrüsten Ihres DPO7000C-Oszilloskops die Bestellnummer DPO-UP zusammen mit der gewünschten Option (siehe unten) an. Wenn Sie zum Beispiel Option DDRA, DDR Memory Technology Analysis Package Softwarepaket für die DDR-Speicheranalyse), hinzufügen möchten, bestellen Sie DPO-UP DDRA.
- Aufrüsten der Aufzeichnungslänge:
 - RL25
 - Von der Standardkonfiguration mit 25 Mio./Kanal auf die Konfiguration mit Opt. 5RL
 - RL210
 Von der Standardkonfiguration mit 25 Mio./Kanal auf die Konfiguration mit Opt. 10RL
- RL510
 Von der Konfiguration mit Opt. 5RL auf die Konfiguration mit Opt. 10RL
- Hinzufügen einer SSD-Festplatte:
 - SSD
 Zusätzliches, vom Kunden installierbares SSD-Wechsellaufwerk mit Microsoft Windows 7, TekScope und Anwendungssoftware (bereits installiert) hinzufügen
- DPO7SSD-W10
 Zusätzliches, vom Kunden installierbares SSD-Wechsellaufwerk mit Microsoft Windows 10, TekScope und Anwendungssoftware (bereits installiert) hinzufügen Hinweis: Bestellen Sie DPO7SSD-W10, nicht DPO-UP für diese SSD-Festplatte.
- Festplattenlaufwerk hinzufügen:
 - HDD7
 - Wechselfestplattenlaufwerk, mindestens 500 GB, mit Microsoft Windows 7, TekScope-Software und Anwendungssoftware (bereits installiert)
 
- Aufrüsten der DPO7000C-Serie mit:
 - BRR
 - Opt. BRR hinzufügen – BroadR-Reach/100BASE-T1 und 1000BASE-T1 Konformitätsprüfungen (Erfordert TF-GBE-BTP- und TF-BRR-CFD-Testvorrichtungen) (Nur für Modelle mit einer Bandbreite ≥1 GHz)
 - DDRA
 - Opt. DDRA hinzufügen – (Erfordert Opt. DJA) (Nur für Modelle mit einer Bandbreite ≥1 GHz)
 - DJAM
 Opt. DJA hinzufügen – Werkzeuge zur Jitter- und Augendiagrammanalyse – Advanced (DPOJET)
- DJAN
 - Opt. DJAN hinzufügen – DPOJET Werkzeuge zur Rauschen-, Jitter- und Augendiagrammanalyse (Erfordert Opt. DJA)
 - D-PHY
 - Opt. D-PHY hinzufügen – Fehlerbehebungs-, Charakterisierungs- und Konformitätsprüfungslösung für MIPI® D-PHY-Empfänger (Erfordert Opt. DJA) – (Nur für Modelle mit einer Bandbreite ≥2,5 GHz)
 - ET3
 - Opt. ET3 hinzufügen – Ethernet-Konformitätstest (Erfordert TF-GBE-BTP- oder TF-GBE-ATP-Ethernet-Testvorrichtung)
 - MOST
 Opt. MOST hinzufügen – MOST Essentials – Messlösung für elektrische Konformität und Debugging für MOST50 und MOST150 (Erfordert Opt. DJA)
- MTM
 - Opt. MTM hinzufügen – Maskentest
 - NBASE-T
 - Opt. NBASE-T hinzufügen – TekExpress-Software für automatisierte NBASE-T und IEEE802.3bz (2,5G und 5G) Konformitätsprüfungen (Erfordert Testvorrichtung TF-XGbt) (Nur für Modelle mit einer Bandbreite ≥2,5 GHz)
 - PWR
 - Opt. PWR hinzufügen – Leistungsmessung und -analyse
 - SR-AERO
 Opt. SR-AERO hinzufügen – Serielle Triggerung und Analyse in der Luftfahrt (MIL-STD-1553). Ermöglicht das Triggern auf Informationen auf Paketebene bei MIL-STD-1553-Bussen und stellt Analysewerkzeuge wie Digitalansicht des Signals, Busansichten und Paketdecodierung bereit
- SR-AUTO
 Opt. SR-AUTO hinzufügen – Serielle Triggerung und Analyse für Fahrzeuge (CAN/LIN/FlexRay). Ermöglicht das Triggern auf Informationen auf Paketebene bei CAN-, LIN- und FlexRay-Bussen und stellt Analysewerkzeuge wie Digitalansicht des Signals, Busansichten und Paketdecodierung bereit
- SR-COMP
 Opt. SR-COMP hinzufügen – Serielle Triggerung und Analyse für Computertechnik (RS-232/422/485/UART)
- SR-DPHY
 Opt. SR-DPHY hinzufügen – Serielle Analyse MIPI® D-PHY (DSI-1 und CSI-2)
- SR-EMBD
 Opt. SR-EMBD hinzufügen – Serielle Triggerung und Analyse für integrierte Systeme (I2C, SPI)
- SR-ENET
 Opt. SR-ENET hinzufügen – Serielle Analyse für Ethernet (10BASE-T, 100BASE-TX)
- SR-PCIE
 Opt. SR-PCIE hinzufügen – Serielle Analyse von PCI Express. Ermöglicht die Analyse von PCI Express-Bussen mit Analysewerkzeugen wie digitale Signalansichten, Busansichten und Paketdecodierung (Nur für Modelle mit einer Bandbreite ≥1 GHz) (Aufgrund der großen Datenmenge wird die Verwendung einer Standardfestplatte mit hoher Kapazität statt der kleineren SSD empfohlen.)
- SR-USB
 Opt. SR-USB hinzufügen – Serielle Triggerung und Analyse für USB 2.0 (LS, FS, HS)
- SR-810B
 Opt. SR-810B hinzufügen – Serielle Analyse für 8b/10b. Ermöglicht die Analyse von 8b/10b-Bussen mit Analysewerkzeugen wie Digitalansicht des Signals, Busansichten und Paketdecodierung
- SSD
 - Opt. SSD hinzufügen – SSD-Festplatte
 - ST1G
 Opt. ST1G hinzufügen – Serieller 64 Bit-NRZ-Trigger und Decodierung von seriellem 8b/10b-Protokoll (umfasst Opt. SR-810B) (Nur für Modelle mit einer Bandbreite ≥2,5 GHz)
- SVEM
 Opt. SVE hinzufügen – Vektorsignalanalyse mit SignalVu Essentials
- SVA
 - Opt. SVA hinzufügen – AM/FM/Direktaudio-Messungen mit SignalVu (Erfordert Opt. SVE)
 - SVM
 - Opt. SVM hinzufügen – Allgemeine Modulationsanalyse mit SignalVu (Erfordert Opt. SVE)
 - SVO
 - Opt. SVO hinzufügen – Flexible OFDM-Analyse mit SignalVu (Erfordert Opt. SVE)
 - SVP
 - Opt. SVP hinzufügen – Erweiterte Signalanalyse mit SignalVu Pulse (Erfordert Opt. SVE)
 - SVT
 - Opt. SVT hinzufügen – Einstellzeitmessungen mit SignalVu – Frequenz und Phase (Erfordert Opt. SVE)
 - SV23
 Opt. SV23 hinzufügen – WLAN 802.11a/b/g-Messanwendung (Erfordert Opt. SVE) (Nur für Modelle mit einer Bandbreite ≥2,5 GHz)
- SV24
 - Opt. SV24 hinzufügen – WLAN 802.11n Messanwendung (Erfordert Opt. SVE und SV23) (Nur für Modelle mit einer Bandbreite ≥2,5 GHz)
 - SV26
 - Opt. SV26 hinzufügen – APCO P25-Messungen mit SignalVu® (Erfordert Opt. SVE)
 - SV27
 - Opt. SV27 hinzufügen – Grundlegende Bluetooth-LE-TX-SIG-Messungen mit SignalVu® (Erfordert Opt. SVE) (Nur für Modelle mit einer Bandbreite ≥2,5 GHz)
 - SV28
 - Opt.SV28 hinzufügen – HF-Messungen bei LTE-Downlinks mit SignalVu®(Erfordert Opt. SVE) (Nur für Modelle mit einer Bandbreite ≥1 GHz)
 - USB2
 - Opt. USB2 hinzufügen – USB 2.0-Konformitätstestanwendung (Erfordert TDSUSBF (USB-Testvorrichtung). Erfordert Bandbreite ≥ 2 GHz für High-Speed-USB)
 - USBPWR
 - Opt. USBPWR hinzufügen – Automatische Konformitätstestlösung für USB-Netzteile
 - XGBT2
 Opt. XGBT2 hinzufügen – TekExpress-Software für automatisierte 10GBASE-T-Konformitätstest (Erfordert Testvorrichtung TF-XGbt) (Nur für Modell DPO7354C)

