
Kontaktaufnahme
Live-Chat mit Tektronix-Vertretern. Verfügbar von 9 bis 17 Uhr CET Geschäftstage.
Anrufen
Kontaktieren Sie uns telefonisch unter
Verfügbar von 9 bis 17 Uhr CET Geschäftstage.
Download
Laden Sie Handbücher, Datenblätter, Software und vieles mehr herunter:
Feedback
PSPL5542K Kelvin Bias Tee Datasheet
PSPL5542K Datasheet
Die Produkte dieses Datenblatts gehören nicht mehr zum Angebot von Tektronix.
Tektronix Encore nach aufgearbeiteten Testgeräten durchsuchen.
Garantie- und Supportstatus dieser Produkte überprüfen.

PSPL5542K Datasheet
The PSPL5542K is an ultra-broadband, coaxial dual bias insertion tee and DC blocking capacitor. It passes ultra-fast rise pulses with a minimum of waveform distortion. Its rise time is only 7 ps. The frequency response is flat over many decades, and the -3 dB bandwidth extends from 12 kHz to beyond 40 GHz. The 2.92 mm connector is mechanically and electrically compatible with SMA and 3.5 mm connectors. Both biasing networks are connected to the AC+DC Port. This bias tee is intended for Kelvin measurements in which a DC bias current is supplied through one biasing network, and the DC voltage is measured using the other. It is packaged in an extremely compact housing.
Key performance specifications
- 12 kHz to >40 GHz
- 7 ps rise time
- 16 V, 100 mA
Typical performance
In the following plots, the Linear sweep is from 0.04 to 40 GHz (4 GHz/div), the AC connector is input (port 1), and the AC+DC connector is output (port 2).

Insertion Loss, S21

Group Delay, S21

Return Loss, S11
Step Response, 20 ps/div

2% rho/div, 100 ps/div; 25 ps TDR of AC input port

Log sweep from 10 kHz to 50 GHz. Insertion loss scale is 0.5 dB/div. Return loss scale is 5 dB/div
Specifications
| Parameter | Symbol | Units | Minimum | Typical | Maximum | Comments |
|---|---|---|---|---|---|---|
| Impedance | Z | ohms | 50 | |||
| Upper 3 dB frequency | fc,h | GHz | 40 | |||
| Lower 3 dB frequency | fc,l | kHz | 12 | |||
| Rise time | tr | ps | 7 | 10 – 90% | ||
| Insertion loss | S21 | dB | 0.2 | Mid-band | ||
| Return loss | S11 | dB | >20 >13 |
1 MHz to 4 GHz | ||
| DC voltage | V | V | 16 | |||
| DC current | I | mA | 100 | Each path | ||
| Capacitance | C | μF | 0.22 | -50%, +80% | ||
| Inductance | L | mH | 1.5 | +/-20% each path | ||
| Resistance | R | ohms | 5.6 | Each path | ||
| RF power | P | W | 5 | Avg., f |
||
| Isolation | S13 | dB | >50 | f > 100 MHz | ||
| DC path bandwidth | fc,DC | kHz | 8 | |||
| Delay | Td | ps | 140 | AC to AC+DC port | ||
| RF Connectors | 2.9 mm jacks (f) | |||||
| DC Connectors | Solder pin | |||||
| Warranty | One year | |||||
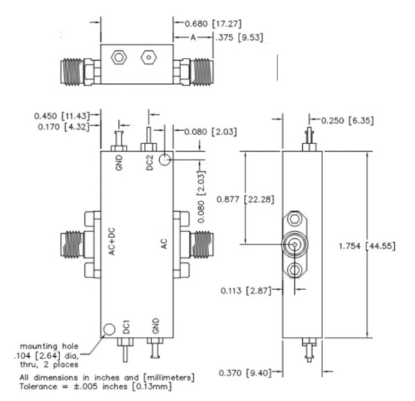
Mechanical dimensions

Ordering information
Models
- PSPL5542K
- KELVIN BIAS TEE

