
Kontaktaufnahme
Live-Chat mit Tektronix-Vertretern. Verfügbar von 9 bis 17 Uhr CET Geschäftstage.
Anrufen
Kontaktieren Sie uns telefonisch unter
Verfügbar von 9 bis 17 Uhr CET Geschäftstage.
Download
Laden Sie Handbücher, Datenblätter, Software und vieles mehr herunter:
Feedback
PSPL5865 12.5 Gb/s Driver Amplifier Datasheet
PSPL5865 Datasheet
Die Produkte dieses Datenblatts gehören nicht mehr zum Angebot von Tektronix.
Tektronix Encore nach aufgearbeiteten Testgeräten durchsuchen.
Garantie- und Supportstatus dieser Produkte überprüfen.

PSPL5865 Datasheet
The Model PSPL5865 Driver Amplifier is intended for use driving Lithium Niobate modulators or as a linear amplifier. This device includes internal temperature compensation for excellent output stability over temperature, and exhibits both high output and low power dissipation. It also incorporates internal sequencing circuitry, making it insensitive to power supply application sequence.
Key performance specifications
- 7.5 V output amplitude 12.5 Gb/s Modulator Driver
- Linear amplifier with 26 dB gain
- 30 kHz to 12 GHz bandwidth
- Temperature compensated design for output stability
- Includes bias network, crossing point control & adjustable output voltage
Typical 10.66 Gb/s eye measurements
Input from Tektronix PPG1601, PRBS=223–1, 500 mv

Output amplitude > 8 V
Instructions for use
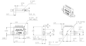
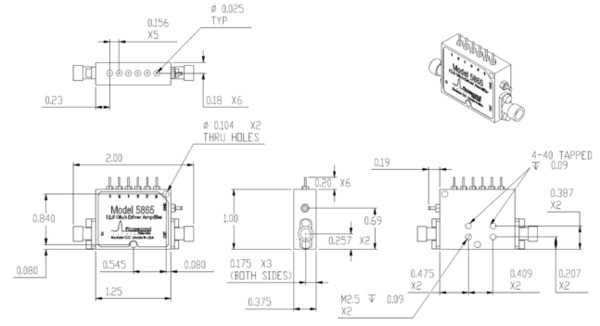
The PSPL5865 12.5 Gb/s modulator driver can be operated using only three of the available 7 pins. The DC pins required for operation are 1, 3, and 7. The connectors and pins are shown in the following diagram and table. Warning: To prevent damage to the PSPL5865, a ground connection is required at pin 7 before applying voltage to the PSPL5865.

| Pin # | Pin Lable | Description |
|---|---|---|
| IN | SMA, signal input, Vamp≤ 1.5 V (damage threshold) | |
| 1 | +V | Positive DC voltage supply, 8 V () 12 |
| 2 | GC | Vgc, Variable output control, -15 V≤Vgc≤ 0 V 3 |
| 3 | -V | Negative DC voltage supply, -5.25 V ≤ V ≤ -4.75 V 4 |
| 4 | CP | Crossing point adjust, -5 V ≤ Vcp 5 V 5 |
| 5 | VB | DC Voltage bias, -17 ≤ VB +33 6 |
| 6 | NC | No connection / Not used |
| 7 | GND | Ground connection |
| OUT | SMA, signal output |
1 At 8V, approximately 2.3 W is dissipated.
2 No power sequencing is necessary. Voltages may be applied in any order after ground is applied.
3 Output Control: With VGC at 0 V, or left floating (disconnected), the driver will provide maximum gain and maximum output voltage. The user may decrease VGC to decrease the RF signal gain when the driver is operating in the linear regime, or to reduce the output voltage level when the driver is operated in saturation (this will also reduce the power dissipated).
4 No power sequencing is necessary. Voltages can be applied in any order after ground is applied.
5 The crossing point may vary until unit achieves thermal equilibrium. VCP > 0 V will lower the output crossing point and increase power dissipation. Care must be taken to ensure that the positive supply current does not exceed 320 mA.
6 Voltage Bias: The VB pin allows the user to apply a low current (less than 3.5 mA) DC offset to the Signal Output for biasing electro-optic modulators through a 2.5 kΩ resistor.
Typical performance

Typical performance plots

Specifications
| Parameter | Symbol | Units | Minimum | Typical | Maximum | Comments |
|---|---|---|---|---|---|---|
| Impedance | Z | Ohms | 50 | |||
| Upper 3 dB freq. | fc,h | GHz | 12 | Relative to gain at 2 GHz | ||
| Lower 3 dB freq. | fc,I | kHz | 30 | Relative to gain at 2 GHz | ||
| Small signal gain | S21 | dB | 26.5 | Measured at 2 GHz | ||
| Max Power Out (-1 dB gain comp) |
P1 dB | dBm | 23.5 | Measured at 2 GHz | ||
| Output Eye Voltage with VGC = 0 V |
VOUT | Vamp | 7.0 | 7.5 | Vin = 0.5 Vamp, 12.5 Gb/s PRBS | |
| Output Eye Voltage with VGC = -15 V |
VOUT | Vamp | 1.0 | 2.0 | Vin = 0.5 Vamp, 12.5 Gb/s PRBS | |
| Return Loss, Input and Output | S11 S22 |
dB | -14 -11 |
-12 -9 |
50 MHz 5 GHz ≤ f | |
| Rise Time | tr | ps | 22 | 28 | 20-80%,Vin = 0.5 Vamp, 12.5 Gb/s PRBS | |
| Fall Time | tf | ps | 24 | 30 | ||
| Additive Jitter RMS Peak-to-Peak |
ps pspp |
0.7 4 |
2.0 8 |
Vin = 0.5 Vamp, 12.5 Gb/s PRBS, measured at crossing point | ||
| Overshoot | % | 5 | 12.5 Gb/s PRBS | |||
| Undershoot | % | 5 | 12.5 Gb/s PRBS | |||
| Eff. Input RMS Noise Voltage | μV rms | 120 | ||||
| Noise Figure | NF | dB | 5.75 | 6.5 | f = 1 GHz | |
| Output Eye Voltage Variation | Δ VOUT | % | +/-3 | +/-5 | Vgc = 0 V, Vin = 0.5 V amp, TCASE = -5 to 75 °C | |
| Crossing Point Adjust | % | +/- 15 | +/- 20 | +/- 5 V input at Vcp, Vin = 0.5 Vamp | ||
| Crossing Point Variation | % | +/- 1.0 | +/- 2.0 | Vin = 0.5 Vamp, 12.5 Gb/s PRBS, TCASE = -5 to 75 °C | ||
| Polarity | Non-Inverting | |||||
| Coupling | AC, input and output | |||||
| RF Connectors | SMA jacks (f) | |||||
| DC Connector | Solder pins | |||||
| Voltage Supply (+) | +VDC | V | 8 | 8 | 8.25 | |
| Voltage Supply (-) | -VDC | V | -5.25 | -5 | -4.75 | |
| Supply Current (+) | +IDC | mA | 275 | Vout = 7.5 Vamp 1 | ||
| Supply Current (-) | -IDC | mA | 20 | |||
| Power Dissipation | Pdiss | W | 2.3 | 2.6 | Vout = 7.5 Vamp 2 | |
| Max Allowed Input | Vamp | 1.5 | Input damage threshold | |||
| Output Voltage Bias | Vbias | VDC | -17 | 0 | 33 | No connection required 3 |
| Gain Control Bias | Vgc | VDC | -15 | 0 | 0 | No connection required |
| Crossing Point Bias | Vcp | VDC | -5 | 0 | 5 | No connection required |
| Operating Temp | TCASE | Deg C | -5 | 75 | Case temperature | |
| Storage Temp | Tstor | Deg C | -40 | 125 | ||
| Warranty | One Year | |||||
1 The PSPL5865 may be damaged by excessive heat that is produced when driving low duty cycle positive pulses. To ensure the amplifier will not be damaged by overheating, it is recommended the positive supply voltage has its current limit set to 320 mA.
2 Vgc may be utilized to lower the output level and power dissipated. Vcp > 0 V will lower the crossing point and increase the power dissipated.
3 A 2.5 kΩ resistor is connected to the output from the Vbias pin for adding a low current (≤ 3.5 mA) DC bias
Mechanical dimensions

Ordering information
Models
- PSPL5865
- Driver Amplifier, 12.5 Gb/s
