

How do you deal with electromagnetic interference (EMI) when you don’t know where it’s coming from and in what form it exists? For decades, engineers have found ways to battle and win against this disturbance, but it’s never going to go away permanently. So, what can we do to speed up finding the source of unwanted EMI and mitigating it?
The RSA306 USB Spectrum Analyzer is an affordable solution for easy and conservative EMI pre-compliance testing. There is a lot of risk with EMI, even if you are using a packaged pre-tested wireless module in your internet of things (IoT) design. The RSA306 gives low cost insurance that you won’t have a larger EMI issue when you go for final certification. For context, here’s what a certification lab looks like (see image above) – it’s not difficult to infer that full compliance testing is expensive and time-consuming. To mitigate the chances of a failure, the RSA306’s powerful software, SignalVu-PC, has a “spurious” test setup that allows you to run pre-compliance measurements thereby making your life before EMI certification easier.

Now let’s take a step back…
When the FCC first stepped in to regulate the effects of equipment that was prone to create or enhance interference with consumer electronic products, these rules were written to accommodate analog voice and video transmission; the rules conformed mainly to the CISPR (International Special Committee on Radio Interference) standards. With the emergence of digitally modulated data and ultra wideband (UWB) transmissions, the need for detecting EMI caused by fast moving bursts that occur infrequently became increasingly imperative.
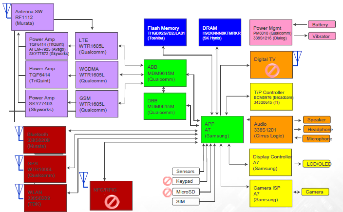
For instance, if you teardown your smartphone, you’ likely to notice several components packed into the ~10-square-inch device (see figure below). The proximity of these components to one another increases the chances of interference. As devices get more densely packed, EMI pre-compliance testing is becoming more important than ever.

Real-time spectrum analyzers allow you to view these infrequently occurring bursts because of their wide instantaneous bandwidth (also known as capture BW or analysis BW). In fact, some spectrum analyzers, like the RSA306, include built-in EMI pre-compliance packages. Pre-compliance is typically performed once system integration is complete. Testing at this stage helps uncover potential problems that could manifest during full compliance testing at certification labs. In other words, pre-compliance testing can help save you tens of thousands of dollars in the form of debugging time, circuit board re-spins, and design changes avoided. The figure below shows the RSA306 catching a spurious emission and reporting the relevant details in the display table.


I’d now like to point you in the direction of a very interesting radiation immunity experiment, especially applicable if you are attempting to test EMI in the presence of strong electric fields. The setup generates close to 50 V/m – a very useful E-Field level for MIL-STD-461F pre-compliance testing, in particular.

For more details, here’s a Tektronix application note on the setup shown above, and experiments for low cost EMI pre-compliance testing. And if you’re in a hurry, check out this video for a quick overview of how the RSA306 can be used to test for EMI pre-compliance.
