1. はじめに
三相交流電動機(三相ACモータ)は、電気エンジニアリングの黎明期から産業に大きく貢献してきました。三相ACモータは信頼性が高く、効率的で、コスト効率がよく、メンテナンスもほとんど不要です。また、誘導電動機やリラクタンス・モータなどのACモータは、ロータ(回転子)に電気的な接続が不要なため、鉱山など危険な環境でも使用できる、耐火性のモータが容易に製造できます。
ACモータのスピードを適切に制御するためには、電圧と周波数の 両方を変化させられる三相電源を供給する必要があります。この ような電源は、ステータに可変速度回転磁界を発生させることが でき、低いすべりでロータを必要な回転速度で回すことができま す(図1参照)。このようなACモータは、ゼロ・スピードからフル・ スピードまでフル・トルクで効率的に運転できます。さらに、必 要であればオーバ・スピードで運転でき、位相回転を変えること により、簡単に回転方向を変えて運転できます。このような特性 のドライブ・システムは、PWM(Pulse Width Modulated、パ ルス幅変調)モータ・ドライブとして知られています。

長年にわたってPWMドライブの理論は理解されてきていますが、 パワー半導体、電子制御回路、マイクロプロセッサの技術進歩に より、さらにその用途が拡がり続けています。さらに、ベクトル 制御の使用により、ACドライブにDCモータ・ドライブの機能と 柔軟性が与えられ、用途の拡がりが加速しています。現在では、 PWMモータ・ドライブは可変速度モータ制御の主流であり、工業 用途だけでなく、電気自動車や家庭用エアコンなどでも使用され ています。
PWMドライブでは、モータへの出力、ドライブへの電源の両方において複雑な波形を発生させます。このアプリケーション・ノートでは、このようなドライブにおける一般的な電気測定について説明します。

2. PWMモータ・ドライブの動作原理
PWMモータ・ドライブの基本要素を示すブロック図を、図2に示します。
三相電源は整流、フィルタリングされ、ドライブ回路のインバータ部にDC電源を供給します。 インバータは、3ペアの半導体スイッチ(MOSFET、GTO、パワー・トランジスタ、IGBTなど)とダイオードで構成されています。スイッチの各ペアは、モータの1つの相の電源を出力します。

半導体スイッチの各ペアは、制御回路によってドライブされます。図3は、各相の出力で生成される高周波方形キャリア・パルス波形を示しています。

図4に示すように、キャリア・パルス波形が3つの相で同じである場合、モータ巻線の各相間にかかる電圧はゼロになります。
この場合のキャリアは変調されておらず、ドライブ・パワーはモータにはかかっていないと言えます。
モータを駆動するには、制御回路は各スイッチング回路ペアのキャリア・パルスを変調させ、互いに120°ずれた低周波正弦波を発生させます。図5a、5bに示すように、各キャリア・サイクル内の正のパルス幅と負のパルス幅は、その相の低周波正弦波の振幅に応じて変調されます。
モータ巻線間の電圧は、図5a、5bに示されるような電圧波形間の差分になります。図6はこの差分波形を示しています。
モータ巻線にかかる平均電圧は、ほぼ正弦波になります。モータ巻線の他の2つの相も、互いに120°ずれた同様の平均電圧になります。




モータ巻線にかかるパルス幅変調電圧波形には必要な周波数の成分が含まれていますが、多数の他の高周波成分も含まれています。例えば、図6の相間電圧波形には、図7に示すような周波数スペクトラムが含まれています。
ほとんどの場合、モータはインバータの出力電圧に対するインダクタと見ることができます。インダクタは高い周波数で大きなインピーダンスを持つため、モータに流れるほとんどの電流は、図8に

示すようなPWM出力波形の低周波成分になります。このため、モータに流れる電流の形状はほぼ正弦波になります。
変調波形の振幅と周波数を制御することで、PWMドライブは、要求されるスピードでモータを駆動するために必要な電圧と周波数の三相電源をモータに出力することができます。

3. PWMモータ・ドライブの電気特性
電圧と周波数の関係
PWMモータ・ドライブの特性は、図9に示すような、モータの1つの相の単純化された等価回路を考えることでよく理解できます。
この等価回路のRとLは電源から見た時のモータの抵抗とインダクタンスを表し、Eはモータ回転によって生ずる逆起電力を表しています。

逆起電力の振幅と周波数は、モータの速度に比例します。したがっ て、PWMドライブは電圧と周波数の両方を調整してモータのス ピードを調節します。この時、逆起電力よりもわずかに高い出力 電圧でRとLのインピーダンスに電流を流します。実際には、ドラ イブ回路は図10のような電圧/周波数特性で出力する必要があり ます。この特性のオフセットはこのインピーダンスの電圧降下を 打ち消して電流を流すためのものであり、これにより低速または 停止の状態でも必要な電流を流すことができます。
| 高周波キャリア | |
| 長所 | 短所 |
| モータにおける低損失 (電流が、より正弦波に近い) |
インバータでの スイッチング損失増加 |
| キャリアによる可聴ノイズがない | 放射無線周波数ノイズの可能性 |
表1. 高周波キャリアの長所と短所
キャリア周波数の選択
ほとんどのPWMドライブは、使用される最も高い出力周波数よりも4~5倍以上高い固定のキャリア周波数で動作します。工業用ドライブの出力周波数は数Hzから100Hz程度であるため、キャリア周波数は2kHzから10kHz程度のレンジで使用されています。
パワー半導体の進化に伴い、キャリア周波数は超音波周波数(18kHz以上)まで上がる傾向にありますが、これには表1のような長所と短所の両方があります。
したがって、キャリア周波数の選択にはバランスが必要で、ドライブの入出力を慎重に測定して最適な周波数を選択する必要があります
PWM 出力の高調波成分とキャリア周波数成分の影響
PWM出力電圧には、基本波以外に数多くの周波数成分が含まれていますが、これらの高調波成分は一般に周波数が高く、モータ巻線のインダクタンスによって抑えられています。
しかし、図9の等価回路からもわかるように、モータは単純なインダクタではなく、逆起電力を発生します。
残念ながら、モータの逆起電力は基本周波数の正弦波電圧であるため、高調波、高周波電流をキャンセルする逆方向の電流は流れません。このため、基本波と比較した時のこれらの高周波電流は、モータが仮に純粋なインダクタである場合に比べて大きくなります。
したがって、巻線の電流を発生させるために設計されるキャリア 周波数の変調は、できる限り正弦波に近くすることが重要になり ます。特に、低次の高調波電圧のレベルを最小にする必要があり ます。これは、この電圧におけるモータのインダクタンスは非常 に小さいからです。実際には、ドライブによって以下が発生します。
a. 基本周波数の必要な電流成分
b. 基本周波数の倍数の周波数(高調波)における不要な電流成分と、キャリア周波数に関連した周波数における不要な電流成分
モータ電流の不要な成分は、モータにおいて次のような影響があります。
1. 基本波以外の電流成分はモータのステータとロータの巻線に電流を発生させるため、熱の発生とモータ効率の低下につながります。
2. 不要な成分は負またはゼロ位相シーケンスの磁界をステータに発生させ、負またはブレーキのトルクを発生します。結果として、モータで利用可能なパワーを低下させます。
モータ駆動における、これらの不要成分の影響は、インバータの基本波のパワーとトータル出力パワーの測定、電圧、電流波形の高調波解析およびモータのトルク/スピードの測定によって把握できます。
モータに供給される有効なパワーは、基本周波数におけるもののみです。高調波またはキャリア周波数に関連するパワーは、モータの有効な回転には貢献しません。最も効率の良いPWMドライブとは、コンバータ内の損失を最小にするだけでなく、最も純粋な電流波形を生成してモータ自身のパワーとトルクの損失を最小にできるものです。

| ドライブ・セクション | パラメータ | 該当するアプリケーション・ノートの章 |
| モータ出力測定 | 速度、トルク、回転軸パワー | 5章 |
| ドライブ出力測定 | トータル出力パワーと力率 基本波出力パワーと力率 実効出力電圧/電流 基本波出力電圧/電流 高調波の電圧/電流/パワー 出力周波数 |
6章 |
| ドライブDCバス測定 | DCバスの電圧/電流/パワー | 7章 |
| ドライブ入力測定 | 入力電圧/電流 入力パワーと力率 入力の皮相電力(VA)と無効電力(VAR) 入力高調波電流(IEC61000-3-2などの高調波規格 への適合性チェックを含む) |
8章 |
| 効率測定 | PWMドライブの各部の効率、 モータ効率、全体の効率 |
9章 |
| 接続 | パワー・アナライザとPWMドライブの接続 | 10章 |
| 動的負荷条件での測定 | ドライブ出力の電圧、電流、電力、力率などのリアルタイム・アナログ出力 | 11章 |
表2. PWMモータ・ドライブの代表的な測定項目
4. PWMモータ・ドライブの測定項目
PWMモータ・ドライブおよびモータの代表的な測定項目を、表2に示します。

5. モータ出力測定
図12はモータ出力測定を示しており、モータの出力シャフトに速度とトルクの変換用トランスデューサを組込んでいます。
5.1 トルクと速度のセンサ
トルクと速度のトランスデューサは、モータのトルクと回転速度に比例した電気信号を出力します。この信号を測定することで、モータの速度とトルクがわかり、この測定からモータ・パワーを計算することができます。
5.2 トルク
モータ・トルクは出力シャフトによる回転力であり、ニュートンメータ(Nm)またはフットパウンド(1 foot-lb=1.3558Nm)の単位で測定されます。トルク定格は、小型モータでは1Nm未満、大型モータでは数千Nmにもなります。
トルクは、回転ストレイン・ゲージ、固定近接センサ、磁気抵抗センサ、磁気弾性センサで測定します。そのいずれも温度で変化します。回転センサはシャフトに取り付けますが、スペースの関係で常に取り付けられるわけではありません。
トルク測定では、もっぱらストレイン・ゲージが使用され、シャフトに直接取り付けます。シャフトは回転するため、トルク・センサはスリップ・リング、無線通信、または誘導カップリングなどで接続します。
5.3 速度
モ ー タ の 回 転 速 度 は1分 の 回 転 数(RPM、Revolutions PerMinute)で表わされます。
速度センサの出力は、速度に比例したアナログ電圧あるいは速度に比例した周波数のパルスになります。一般的に使用されるのはモータ・シャフトに取り付けたディスクであり、TTLパルスが出力されます。TTL信号の周波数を測定し、係数をかけると回転速度がわかります。
例えば、回転ディスクの1回転でnパルスが出力され、周波数がfの場合、回転速度(RPM)は次のように計算できます。

5.4 トルク/速度と電気計算の組み合せ
モータとドライブを組み合せた効率を求めるには、システムの電気入力と、モータの出力によって得られる機械パワーの両方を考える必要があります。モータの出力パワーはトルクと速度の掛け算で求められます。

システム効率は、次の式で求められます。

これを測定するため、PA4000型パワー・アナライザにはトルクと速度のトランスデューサからの出力(アナログ信号またはパルス信号)を取込めるセンサ入力機能が装備されています。ドライブ入力で消費された電力とモータ出力のトルクと速度を測定することにより、1台の計測器でシステム効率が測定できます。


6. ドライブ出力測定
PWMドライブの出力波形は非常に複雑であり、キャリアによる高周波成分と、基本波による低周波成分がミックスされたものになります。
多くのパワー・アナライザにおける問題点は、高周波を測定する場合は波形の低周波数情報が消えてしまい、PWM波形にフィルタをかけて低周波を測定すると高周波データが消えるということです。
このような問題は、キャリア波形が低い周波数で変調されるために発生します。したがって、トータルの実効値電圧、トータルの電力などは高い周波数で、しかも出力波形の低周波成分の整数倍のサイクルで測定する必要があります。
| フィルタ | アプリケーション |
| 5~500Hz | 速度が5Hz出力まで低下するPWMドライブ出力 |
| 0.5~25Hz | 速度が0.5Hzまで低下する低速測定 |
| 0.1~25Hz | 速度が0.1Hzまで低下する超低速測定 |
表3. PWMモータ・ドライブ・システムの周波数レンジに対応したアプリケーション・フィルタ
テクトロニクスのPA4000型パワー・アナライザは、PWM出力測定用の専用動作モードを使用することでこの問題を解決します。データは高速にサンプリングされ、すべての高調波、キャリア成分を含むトータルの量はリアルタイムに計算されます。同時に、サンプルされたデータは低周波測定用にデジタル的にフィルタリングされ、基本波測定、出力周波数測定などが実行されます。
この手法により1回の測定で低い周波数、高い周波数の両方の測定が行えるだけでなく、高周波測定と低周波信号が同期できます。これは、高周波測定を優れた確度と安定度で実行する唯一の方法です。
測定する出力周波数レンジによって、表3のような3種類のフィルタが用意されています。
測定はフィルタなしのデータで実行されるため、どのフィルタを選択しても高周波成分の測定には影響を及ぼしません。しかし、低周波を正しく測定するには、アプリケーションに応じた適切なフィルタを選択する必要があります。

6.1 PA4000 型を使用したドライブ出力測定
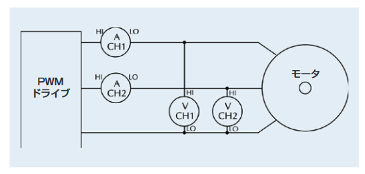
計測器は、三相3線方式で出力に接続しています(2ワットメータ法とも呼ばれます。2ワットメータ法の詳細については、アプリケーション・ノート「三相測定の基礎」をご参照ください)。30Aまでの出力電流のPWMドライブでは、図15に示すようにPA4000型の内蔵電流シャントを経由してドライブの出力に直接接続します。
30A以上の出力電流のPWMドライブの場合は、外付けの電流ト ランスデューサまたは外付けの電流シャントを使用します。テク トロニクスは、1000Aまでのさまざまな固定コア電流トランス デューサをご用意しています。トランスデューサには接続用ケー ブルも含まれているため、PA4000型にすばやく接続でき、 PA4000型に内蔵のオプションの15VDCの電源も容易に利用で きます。PA4000型と外付けシャントを使用する場合、シャント は外部シャント電圧入力に接続します。この入力は、-3Vから +3Vまでのシャント出力を測定できます。電流トランスデューサ、 外付けシャントのいずれの場合でも、スケール(倍率)を正しく 設定することが大切です。
低電流ドライブの場合、PA4000型はPWM出力に直接接続することもできます。これは、AC電流変換器、ホール効果を利用する電流変換器は大電流では優れた確度が得られますが、数アンペアの電流ではあまり良い結果が得られないためです。
PA4000型の入力回路は、PWMドライブ出力で生ずる非常に高いコモンモード電圧にもかかわらず、電流シャントでも優れた結果が得られるように最適化されています。シャントの両端で発生する電圧はわずか数mVですが、グランドに対するシャントの電位は数百Vのレベルで上下し、そのスルー・レートは数kV/μsにもなります。
PA4000型を使用して2ワットメータ法で測定する場合、2つのチャンネルしか使用しませんが、PA4000型は三番目の(測定しない)ワイヤの電流値をベクトル計算により算出します。これにより、負荷のバランスをチェックできます。また、2ワットメータ法では、アナライザの三番目のチャンネルが不要なため、7章で説明するようなPWMドライブのDCバスの測定のためにこのチャンネルを利用できます。
アナライザを接続して設定すると、選択されたフィルタでドライブの出力パワーを測定します。周波数の測定が難しい場合は、フィルタの周波数レンジが正しく選択されていることを確認します。
Vrms、Arms、Wattsの値はフィルタ前で測定されたものであり、すべての周波数成分を含んでいます。一方、基本波の値のみがモータ動作に貢献します。実効値と基本波の電圧に大きな差があることは、よくあることです。通常、電流と電力には大きな差はありませんが、これは誘導モータが電流をフィルタするためです。
高周波損失は、SUMチャンネル(コラム)の読みで得られる、トータル電力と基本波電力の差として推定できます。この差分の電力もPWMドライブによって供給されますが、機械出力パワーには貢献せず、モータの発熱になります。
高周波損失=トータル電力-基本波電力
これは、PWMドライブの比較に便利な測定です。
7. ドライブDCバス測定
PWMドライブの入力、出力セクション間のリンクはDCバスと呼ばれますが、このバスの電圧、電流は純粋なDCとはほど遠いため、測定には注意が必要です。
図16に示すように、DCバスの測定は蓄積キャパシタの入力側で行います。ここを流れる電流は基本的にAC電源からの低周波キャパシタ充電パルスであり、インバータ部からの高周波電流パルスはありません。
DCバスのみを測定する場合は、アナライザのch1を使用します。しかし、DCバス測定はドライブの入力または出力の三相3線測定(2ワット・メータ法)と関連付けて行うことが多くあります。このような場合、DCバスは独立して動作する、残りの一つのチャンネルで測定します。
例えば、6章、8章で説明している入力または出力の測定では、ch1およびch2に接続します。ch3は、図16に示すようにDCバスに接続します。PWMモータ・ドライブの入力または出力を選択し、ch3を独立に設定します。

| 測定項目 | 理由 |
| W | DCバスのトータル・パワー。 効率計算で使用できる |
| Arms | DCバスの実効充電電流。 導体またはヒューズのサイズを決めるのに便利 |
| AH0 | DCバスの電流のDC成分。 Armsよりも小さい |
| VH0 | 平滑/充電キャパシタにかかる平均電圧 |
| Vpk | 平滑/充電キャパシタにかかるピーク電圧 |
表4. DCバスの重要な測定パラメータ


8. ドライブ入力測定
ほとんどのPWMモータ・ドライブの入力回路は、図17のように、三相ダイオード整流子ブリッジとキャパシタ・フィルタで構成されています。



各入力位相の電流波形は、蓄積キャパシタを充電するパルスになっています。1つの相の電流波形を図18に示します。電源周波数の基本波成分になっていますが、多くの高調波成分も含まれています。
ドライブのインバータ・セクションにおいて、入力回路へのコンスタントな電流負荷がある場合は、各相の電流は、図18、19のような一定振幅の歪んだ波形になります。
しかし、PWMドライブのインバータ・セクションでは入力回路へ のコンスタントな負荷ではなく、キャパシタの負荷電流は出力周 波数の成分によって影響を受けます。AC電源からの電流は、複雑 で歪んだライン周波数の電流波形であり、駆動モータ周波数の成 分で変調されています。この波形を図20に示します。変調は、特 に低いドライブ速度において、測定に影響を及ぼしますが、ドラ イブ出力波形の整数倍のサイクルまで測定間隔を拡張することで 対応できます。
PA4000型は、低いモータ周波数であっても入力電力を正確に測定できます。入力電力測定はACライン周波数に同期しますが、表示更新レートと平均回数設定を調整することにより、拡張した時間間隔で測定できます。
| ドライブ出力周波数 | 表示更新時間 | 平均回数 |
| fout > 2Hz | 0.5s | 10 |
| 5Hz > fout > 20Hz | (10/fout)S | 10 |
| fout < 5Hz | 2s | 10 |
表5. ドライブ出力周波数がドライブ入力電力測定に及ぼす影響を最小にするための表示更新時間と平均回数の選択
20Hz以上の出力周波数では、PA4000型のデフォルト設定により安定した結果が得られます。デフォルトの設定を以下に示します。
表示更新レート:0.5s
平均回数:10
出力周波数が5~20Hzの場合、平均回数を10に設定することで安定度が増し、表示更新時間を、測定したPWM出力周期(1/f)の整数倍が入るようにします。周期を10とするのは経験値によります。
例えば
出力周波数=5.5Hz
表示更新レート=10/(5.5Hz)=1.8s
出力周波数が5Hz未満の場合は、表示更新レートを長く(2秒)、平均回数を10に設定します。
単相ドライブの測定などで測定表示が頻繁に変わる場合は、平均回数を10より大きな値に設定することで安定した測定になります。
アナライザは、図21のように三相3線で入力に接続します(2ワットメータ法と呼びます。アプリケーション・ノート「三相測定の基礎」によると、n線でシステムに電源を供給する場合、n-1ワットメータ法で測定します。)
この接続では、アナライザの残りの3、4チャンネルでドライブの出力またはドライブ内のDCバスも測定できます。

9. 損失/効率測定
どのようなシステムであっても、損失と効率の測定は、図22のようにシステムの入力と出力を同時に測定することで求めます。
これは、PWMドライブなどの高効率のシステムにおいて特に重要です。これは、入力と出力を別々に測定し、測定のたびに電源を切っていては、それぞれの測定においてまったく同じ負荷条件を作り出すことが難しいためです。気づかいないような負荷条件の差が、測定損失のエラーになります。
例えば、
セットアップ#1-入力の測定

システムの電源を切り、出力測定用に接続しなおし、再び電源を入れます。
セットアップ #2-出力の測定(しかし、条件はわずかに変化している)

見かけの損失=1052.6W-1020W=32.6W
実際の損失=1073.7W-1020W=53.7W
このように、測定された損失には大きな誤差が発生します。
このような誤差を防ぐためには、PA4000型などの4チャンネル機器を使用することにより、図23のように入力と出力を、2ワットメータ法で同時に測定します。

この方法により、入出力間の測定で条件が少し変化しても正確に測定することができます。入力と出力を同時に測定して効率を求めるため、多少条件が変化しても問題ありません。
10. 接続
モータ・ドライブの電圧測定では、位相間電圧を測定するため、接続は簡単な作業です。一方、電流測定の接続は難しい作業です。
電流測定のための接続には2つの方法があります。その一つは、導体を切断して直列に電流シャントを挿入し、電流シャントに電流が流れることによってその両端に発生する電圧降下を測定します。この方法は小さな電力の場合には有効ですが、電流が大きい場合には適していません。
大きな電流では、電流トランスデューサを使用します。電流トランスデューサに導体を通し、この導体に一次電流を流します。電流トランスデューサは、一次電流に比例した二次電流を発生します。
電流トランスデューサを使用する理由
電流トランスデューサを使用する理由を以下に示します。
1. 測定する信号は、計測器に適合しないことがあります。例えば、多くのベンチ計測器は、大型モータ/ドライブなどで見られる100A以上の電流を測定することはできません。
2. 計測器を、測定する信号から切り離すため。PWM(パルス幅変調)ドライブでは、測定する出力信号には高速スイッチング電圧(dV/dt)によって生ずる、非常に高いコモンモード成分が含まれています。
高いコモンモード電圧は、電流測定で誤差を生じます。電流トランスデューサを使用することにより、アナライザの電流入力を電圧スイングから切り離すことができるため、コモンモードによって生ずる誤差を除去することができます。
3. 使いやすく安全なため。モータ・システムには高電圧が含まれることがあり、しかも非常に低いソース・インピーダンスで供給されます。正しく接続しないと、大きなエネルギーが流れることがあります。
正しい電流トランスデューサの選択
電流トランスデューサには数多くの種類がありますが、モータ測定では次の4種類が使用されます。
1. 電流クランプ
2. クローズド・ループのホール効果
3. ITタイプのクローズド・ループ
4. 電流変圧器
モータ・ドライブ信号の一般的な帯域では、クローズド・ループ・タイプのトランスデューサが適しています。ドライブ入力では電流変圧器とクランプが使用できますが、ドライブ出力では機能しません。これは、電流変圧器は低周波(遅いドライブ速度)では性能が悪く、スイッチングによる高周波測定ではその能力が発揮できないためです。
トランスデューサの選択では、測定する信号と計測器を考慮することが重要です。測定する信号の、ピークを含めた最大値に対応できる最大入力レンジを持ったトランスデューサを選択する必要があります。これによりトランスデューサの測定レンジを最大限に有効活用できます。
また、オーバーレンジになることなく、計測器に対してなるべく大きな出力のあるトランスデューサであることが必要になります。計測器の入力信号が大きければ信号対ノイズ比も大きくなり、より確度の高い測定が行えます。
電流トランスデューサの使用
ホール素子内蔵のクローズド・ループの電流トランスデューサでは、接続に注意が必要です。このタイプのトランスデューサには電源が必要で、正/負両極の電源、10~50mA程度の電流が必要です。
トランスデューサは計測器のなるべく近くに配置し、二次リード線による電圧と磁界のカップリングを抑えます。
トランスデューサの出力は、1つの電流出力と、信号、電源のためのコモン・リターンです。出力は、計測器の電流入力のHi端子に直接接続します。計測器の電流入力のLo端子は、トランスデューサの電源と同じリターンに接続します。繰り返しになりますが、すべてのリード線は短くします。出力は電源接続の近くに置き、理想としては3つの線は互いにツイストします。

PWMドライブの環境では、必要に応じて、よりしっかりとしたグランドとシールドをとることが重要です。スタッカブルな(分岐可能な)4mmバナナ・コネクタ・ケーブルによるLow端子への接続により、Low端子をより簡単にグランドに接続できます。
ケーブルをシールドすることで性能は向上します。シールドは、トランスデューサの電源のコモン端子に、さらに可能であればトランスデューサのグランドにも接続します。電源の接続および信号の両方をシールドします。
一次側の電流が定格に対して小さなパーセンテージであるか、トランスデューサの出力が計測器の電流定格に対して小さい場合は、電流を通す導体をトランスデューサに複数ターン巻きつけることで回路性能を上げることができます。
例えば、1000Aに対して1A、すなわち1000:1のトランスデューサしかなく、それでも10Aを測定したい場合の出力電流は10mAにしかなりません。測定システムをより有効に活用するために、一次導体をトランスデューサに10回巻きつけることにより、出力電流は100mAになります。一次側に注目すると、一次電流は10Aから100Aに増加したことになります。
すべての電流トランスデューサの使用において、計測器は電流を正しく読み取れるようにスケーリング(倍率)を設定する必要があります。1000:1の電流トランスデューサの例では、測定する電流は実際の電流の1/1000になります。したがって、電流入力は計測器において1000倍にする必要があります。
PA4000 型における電流トランスデューサの使用
PA4000型は、外付けのトランスデューサを使用する場合を想定して次のように設計されています。
1. 最も多く使用されているクローズド・ループ・タイプの電流トランスデューサに電源を供給できるよう、オプションで±15Vの電源が内蔵されています。
2. チャンネル毎に独立した電流のスケーリング設定(倍率設定)が可能です。
3. シールドの接続、電流測定のためのグランド接続が容易になるように、後部パネルに大地グランド・コネクタが設けられています。
4. 1A rmsのシャントが内蔵されており、電流トランスデューサ出力からの入力に適しています。
テクトロニクスの電流クランプまたはCT(Curent Transformer)は、その出力が4mmのセーフティ・バナナ接続になっています。このため、付属のケーブルをPA4000型の電流シャント入力に直接接続できます。CTまたは電流クランプの一般的な出力は1A未満ですので、内蔵の1Aシャントは最適です。
正確に測定するには、2つのパラメータを設定するだけです。
1. シャントを選択します。これは、グループ単位で設定します。
2. 電流入力のスケーリング(倍率)を設定します。これは、チャンネル単位で設定します。
倍率は、次のようになります。

クローズド・ループの電流トランスデューサを使用する場合は、トランスデューサに電源を供給する必要があります。PA4000型は、オプションで±15Vの電源を内蔵することができます。+15Vと-15Vの電源は、図24のようにPA4000型から電流トランスデューサに接続します。
トランスデューサの出力は、チャンネル入力のAHiまたはA1Aのコネクタに接続します。クローズド・ループのトランスデューサの出力は、その多くが1A未満のため、A1Aのコネクタに接続することをお勧めします。次に、電流チャンネルのAloコネクタと、トランスデューサの電源コネクタのコモン端子を接続します。
高い性能で測定するため、3つの接続をまとめてツイストし、シールドし、このシールドをトランスデューサ電源のコモン端子に接続します。トランスデューサ電源のコモンは、PA4000型後部パネルの大地グランド端子に接続します。

11. 動的負荷条件におけるドライブ性能
PWMドライブの電力消費と出力特性は、モータの負荷によって変化します。評価試験では特定の決められたラインまたは負荷の条件による測定が要求されますが、変化する条件におけるパワー特性のチェックも要求される場合があります。負荷が変化する状態でのパワー特性の評価には膨大な量のデータが必要になりますが、適切なソフトウェアと、それと適合するアナライザがあれば、PCを使用し、負荷や他の条件の変化における測定値を収集し、解析することができます。

このようなアプリケーションでは、パワー・アナライザは精密な測定システムとして機能し、迅速にデータをPCに供給します。PCはデータを保存し、詳細に解析します。
図25は、テクトロニクスのPWRVIEWソフトウェアを使用して、単相ライン入力および三相ドライブ出力のPWMドライブに接続され たPA4000型 に よ る 測 定 値 を 収 集 し、 表 示 し た 例 で す。PWRVIEWソフトウェアはデータを収集するだけでなく、パワー・アナライザを制御できるため、PCでアナライザを設定することもできます。図26は、三相入力の測定値を読み込み、電圧、電流、電力のトレンドの詳細にグラフにした例です。
12. まとめ
現在では、PWMモータ・ドライブは可変速度モータ制御の主流であり、工業用途だけでなく、電気自動車や家庭用エアコンなどでも使用されています。PWMドライブでは、モータへの出力、ドライブへの電源の両方において複雑な波形を作り出します。テクトロニクスのPA4000型パワー・アナライザは、業界初のスパイラル・シャント技術と、ドライブ基本周波数への安定したトラッキングを実現する動的周波数同期により、この問題に対応しています。
PA4000型はこの技術と、PWM出力用の専用モードにより、常に正確な測定を可能にします。データは高速にサンプリングされ、すべての高調波、キャリア成分を含むトータルの量はリアルタイムに計算されます。同時に、サンプルされたデータはデジタル的にフィルタリングされ、基本波や出力周波数といった低周波測定が実行されます。PA4000型は、PWMドライブの測定に理想的なソリューションです。
