電気回路設計の中には、一般に出回っている任意波形/ファンク ション・ジェネレータの出力電圧以上の振幅が必要になるものがあ ります。アプリケーションとしては、カー・エレクトロニクス・シ ステム、スイッチング電源などで広く使われているMOSFETや IGBTなどのパワー半導体、ガス・クロマトグラフや質量分析検出 器用のアンプ、その他科学/工業分野にも及びます。
一般に、任意波形/ファンクション・ジェネレータは、50Ω負荷で 10V p-p、オープン回路で20V p-pの振幅を出力します。MOSFETや IGBTには、この2倍以上の入力レンジで動作するものがあります。 従来、このようなデバイスを動作レンジ以上でテストする場合、ア ンプを使用して標準的なジェネレータの出力を中間増幅する必要が ありました。この方法では、テストのためのセットアップが複雑に なります。また、アンプ出力での有効振幅が不確かであり、アンプ のための追加コストもかかります。

このアプリケーション・ノートでは、まず外部アンプを使用して高 い振幅を得る、従来の方法について説明します。次に、高振幅出力 が可能な最新の任意波形/ファンクション・ジェネレータによる代 表的なアプリケーションとその利点について説明します。アプリ ケーション例としては、カー・エレクトロニクスにおけるパワー半 導体のタイミング/スイッチング特性と、ガス・クロマトグラフ検 出器のアンプ特性の測定について説明します。
従来の方法
図1は、一般的な任意波形/ファンクション・ジェネレータと外部 アンプを使用して、必要とされる振幅まで増幅するための測定セッ トアップ例を示します。ジェネレータの出力を、アンプの入力に接 続します。アンプによっては、差動ソース、負荷インピーダンスと マッチングするように入出力を設定できるものもあります。一般に、 アンプには出力状態の表示機能がないため、実際の出力振幅はオシ ロスコープやその他の測定機器でモニタしなければなりません。こ のため、測定のためのセットアップが複雑になり、テストで振幅レ ベルを調整したり、確認したりするのに余計な時間がかかります。


パワーMOSFETのスイッチング時間測定
パワーMOSFETは、自動車のモーション・コントロール、パワー・ マネジメント、空調制御などのアプリケーションで使用されていま す。駆動するデバイスとしては、小型モータ、ソレノイド、アンチ ロック・ブレーキ、電動パワー・ステアリング、電子安定制御プロ グラム・システム、H.I.D.ランプの点灯回路などがあります。また、 パワーMOSFETはスタータ/オルタネータの重要な部品でもあり ます。
図2は、Hブリッジ接続でDCモータを駆動するMOSFETの例を示します。この構成では、正転、逆転、ブレーキ機能があります。
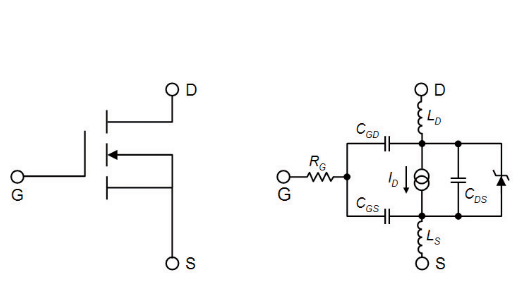
スイッチとして使用する場合、MOSFETの基本機能はゲート信号 でドレイン電流を制御することです。このアプリケーションでは、 回路設計エンジニアにとってはスイッチング時間が部品選定におい て重要な要素となります。MOSFETのスイッチング性能は、内部 コンデンサにかかる電圧変化が確立するのに要する時間で決まりま す(図3の等価回路を参照)。ドレイン電流が流れるには、まずゲー ト - ソース電圧によってMOSFETの入力コンデンサCGSが所定の スレッショルド・レベルまで充電される必要があります。


時間に関するパラメータで重要となるのが、ターンオン遅延、ター ンオフ遅延、立上り時間、立下り時間です。これらのパラメータ測 定では、シグナル・ジェネレータから幅の狭いパルス信号を MOSFETのゲートに入力します。ゲートとドレインの電圧は、オ シロスコープで測定します(図4を参照)。外部アンプの代わりに高 出力電圧の任意波形/ファンクション・ジェネレータを使用するこ とで、MOSFETの入力回路の実際の信号振幅を直接確認すること ができ、オシロスコープで振幅を測定する必要がありません。
ターンオン遅延時間は、従来、オシロスコープに表示される波形か らカーソルを使って測定していました。ターンオン遅延時間は、 ゲート - ソース電圧のトップラインの10%に達する瞬間から、ド レイン - ソース電圧が最終値の90%に低下する瞬間までの時間で す。同様に、ターンオフ遅延時間は、ゲート - ソース電圧がトッ プラインの90%に低下する瞬間から、ドレイン - ソース電圧が トップラインの10%に達する瞬間までの時間です。最新のオシ ロスコープには自動測定機能があり、ドレイン - ソース電圧の立 上り/立下り時間は自動的に測定できます。


IGBTのスイッチング波形解析
IGBT(Insulated Gate Bipolar Transistor、絶縁ゲート・バイ ポーラ・トランジスタ)には、高速のスイッチング速度、大電流対 応、大きなブロッキング電圧、シンプルなゲート・デバイス特性で ありながら、オン時における少ない伝導損失、電圧低下という特性 があり、電力産業やカー・エレクトロニクスのアプリケーションに おいてMOSFETと置き換わりつつあります。
IGBTの電力産業用アプリケーションとしては、運輸関連、可変速 モータ回路、無停電電源装置(UPS)、誘導(IH)加熱、溶接、通 信やサーバ・システム用の高周波スイッチング電源などが挙げられ ます。自動車関連では、イグニッション・コイルの駆動回路、モー タ制御回路、安全システムなどで大きな需要があります。
IGBTは、バイポーラ・トランジスタとMOSFETを足して2で割っ たようなものです。出力のスイッチングと伝導特性は、バイポー ラ・トランジスタに似ています。一方、バイポーラ・トランジスタ は電流制御ですが、IGBTはMOSFETのように電圧制御です。完全 な飽和と短絡電流防止のために、+15Vのゲート・ドライブ電圧が 推奨されています。
IGBTは、MOSFETのようにゲート、エミッタ、コレクタ間に静電 容量が存在します。ゲートとエミッタ間に電圧が印加されると、 ゲート抵抗RGを経由して入力容量はIGBTの特性スレッショルド電 圧まで指数関数的に充電され、コレクタ - エミッタ間の導通が確立します。同様に、ゲート - エミッタ間の入力容量は所定のプラ ト電圧まで放電されるとコレクタ - エミッタ間の導通は遮断され、 IGBTはターンオフとなります。

IGBTの動的なターンオン/ターンオフ特性は、ゲート抵抗に大き く影響されます。ゲート抵抗が小さいと、IGBTのゲート - エミッ タ間の静電容量は急速に充放電され、スイッチング時間は短く、ス イッチング損失は小さくなります。しかし、小さいゲート抵抗はま た、IGBTのゲート - エミッタ間の容量とリードの浮遊インダクタ ンスのために発振を引き起こすことになります。ターンオフ損失を 低減し、誘導性負荷による実質的なコレクタ - エミッタ電圧の変 化率によって印加される、IGBTのノイズ耐性を改善するために は、ゲート・ドライブ回路に十分なオン/オフ・バイアスを含める ことが推奨されています。
IGBTの最適性能はアプリケーションによって異なるため、ゲート・ ドライブ回路はアプリケーションに応じて適切に設計されなければ なりません。モータ駆動回路や無停電電源装置など、ハードなスイッ チング・アプリケーションでは、ゲート・ドライブのパラメータは、 スイッチング波形がIGBTの安全動作領域を越えないように設定す る必要があります。これは、スイッチング損失を大きくしないため に、スイッチング速度を高速にできないということを意味します。 ソフトなスイッチング・アプリケーションでは、スイッチング波形 は十分に安全動作領域にあるため、ゲート・ドライブ回路は短いス イッチング時間、小さなスイッチング損失で設計できます。

IGBTのゲート・ドライブ回路を最適に設計するためには、設計エ ンジニアは実際の負荷状態におけるデバイスのスイッチング特性を 理解しておく必要があります。スイッチング特性を解析するために は、IGBTのゲートに連続した単発パルスを入力し、オシロスコー プでゲート - エミッタ電圧、コレクタ - エミッタ電圧、コレクタ 電流を測定します。AFG3011型任意波形/ファンクション・ジェ ネレータは高い電圧のパルスが出力できるため、このような用途に は最適です。IGBTのコレクタ - エミッタ間電圧は、誘導負荷にお いて非常に広いダイナミック・レンジがあるため、その測定には高 電圧差動プローブが必要になります。ゲート - エミッタ間電圧は 標準の受動電圧プローブで、コレクタ電流は回路を切断しないタイ プの電流プローブで測定します。
図9は、IGBTの代表的なスイッチング波形と誘導負荷を示します。 設計エンジニアは、この波形からスイッチング・エネルギとオン状態の損失を知ることができ、IGBTが安全動作領域内で動作してい るかどうかを確認することができます。また、測定データを元に、 パルスの繰返し周波数、振幅、エッジ・トランジションが適切であ るか知ることができます。調整が必要な場合は、AFG3011型の前 面パネルにある専用ボタンですべてのパルス・パラメータを直接設 定することができます。また、汎用ノブや数値キーを使用すること で、タイミング・グリッチを発生させることなく、またテストを中 断することなくパラメータを変更できます。
測定においては、伝播遅延(スキュー)、オフセット、プローブ固有のノイズなど、さまざまな要素を考慮する必要があります。オシロスコープとソフトウェアを組合せることで、プローブに関連する問題、スイッチング・パワー損失の計算、IGBTの安全動作領域の特定が簡単になります。

ガス・クロマトグラフ・アンプの特性評価
ガス・クロマトグラフィは、複雑なサンプルから化学物質の存在と 濃縮を分離、解析する手法です。試料は気化され、連続的に流れる 不活性キャリア・ガスに注入されます。キャリア・ガスには、熱伝 導度の良いヘリウムが使用されます。キャリア・ガスに含まれるサ ンプル特性の検出には、さまざまなタイプの検出器があり、それぞ れに長所、短所があります。
最も一般的なガス・クロマトグラフの検出器がTCD(Thermal Conductivity Detector、熱伝導度検出器)です。より感度の高い、特殊な検出器もありますが、TCDはその簡単な構造、堅牢性、汎用性、感度、直線性、低価格のために今でも広く使用されています。
TCDは、サンプル・セルとリファレンス・セルから成ります。サン プル・セルは、試料の特性を明らかにするために使用します。リファ レンス・セルには、キャリア・ガスのみが入ります。各セルにはガスの流路にヒータ・エレメントがあり、温度制御されています。 TCDによる測定では、試料ガスの流れによって生ずる温度変化によ るヒータ・エレメントの抵抗の変化を測定します。
ヒータ・エレメントは、フィラメントまたはサーミスタです。温度が上がると、フィラメントの抵抗値は増え(抵抗の正係数)、サーミスタの抵抗値は小さくなります(抵抗の負係数)。ヒータ・エレメントは、セル内部の温度と測定対象の特性によって選択します。
セルにキャリア・ガスのみがある場合は、熱エネルギはヒータ・エ レメントから検出器本体まで安定した割合で流れます。試料がサン プル・セルに入るとセル内部の熱伝導度は変化し、ヒータ・エレメ ントが加熱してその抵抗が変化します。サンプルのヒータ・エレメ ントとリファレンス・セルは、図10のようにホイートストン・ブ リッジに組込まれることがあります。このようにすると、サンプ ル・セル内のヒータ・エレメントの抵抗が変化することで、ブリッ ジの出力電圧が変化します。

TCDの感度は、ヒータ・エレメントを流れる電流とセル内の温度に依存します。電流が大きいと測定ブリッジの電圧変化が大きくなって高い温度になりますが、フィラメントの寿命も短くなります。電気回路をレイアウトする場合、このトレードオフを考慮する必要があります。一般に、ブリッジの出力電圧は15~20Vです。
測定ブリッジの出力は、アンプに接続されます。アンプ入力部の抵抗ネットワークにより、さまざまな感度レンジが選択できます。アンプの出力はアナログ - デジタル変換器によってデジタルに変換され、デジタル・プロセッサで処理します。
測定アンプの設計エンジニアは、アンプの周波数帯域、スルー・ レート、ステップ応答、直線性、ダイナミック・レンジなどの特性 を評価する必要があります。このためには、さまざまな波形形状、 周波数、振幅を持った入力信号が必要になります。これらすべての入力信号を、TCDを使用した実際の測定によって出力するのは現実 的ではありません。最新の任意波形/ファンクション・ジェネレー タを使用して、ホイートストン・ブリッジから信号を出力するのが 便利な方法であり、さまざまな信号が出力できます。図11に測定 セットアップを示します。アンプの出力はオシロスコープで測定し ます。
任意波形/ファンクション・ジェネレータの最大出力振幅が50Ωで 10Vp-pしかない場合は、外部アンプを使用して、ホイートスト ン・ブリッジで必要となる15~20Vの信号レベルまで増幅しなけれ ばなりません。テクトロニクスのAFG3011型任意波形/ファンク ション・ジェネレータはこのような高い振幅レベルで出力できるた め、測定セットアップが簡単になります。また、アンプに入力され るテスト信号の実際の振幅を確認し、直接設定することもできます。
信号振幅と負荷インピーダンス
シグナル・ジェネレータの出力電圧は、接続される負荷または DUT(Device Under Test、被測定デバイス)のインピーダン スによって異なります。これは、ジェネレータの出力インピー ダンスと関連があるためです。例として、図xはAFG3011型の出 力等価回路を示しています。振幅設定に応じてIという電流が流れ ます。ジェネレータの出力にZDUTという50Ωの負荷が接続される と、Iの半分の電流はジェネレータの出力インピーダンスZOUTに、 もう半分はZDUTに流れます。ZDUTのインピーダンスがZOUTに比べ て著しく大きい場合、Iのほとんどの電流はZOUTに流れるため、50 Ωに比べてほとんど2倍の出力電圧になります。
一般に、任意波形/ファンクション・ジェネレータの仕様には、50Ω負荷とハイ・インピーダンス負荷における最大出力電圧が記載されています。例えば、AFG3011型の出力振幅は、50Ω負荷で20Vp-p、オープン回路で40V p-pとなっています。その他の負荷インピーダンスにおける最大出力電圧は、次の式で計算できます。
一般的な任意波形/ファンクション・ジェネレータでは、負荷 インピーダンスは50Ωに設定されています。その他のインピー ダンスでは、正しい振幅、オフセット値が表示されるようにイン ピーダンスの値を設定します。AFG3000シリーズでは、Sineな どの関数ボタンを押して表示されるOutputメニューから負荷イン ピーダンスを設定します。


負荷インピーダンス設定は、ジェネレータの出力インピーダンス も負荷インピーダンスそのものも変更するものではないことにご 注意ください。単に振幅とオフセット表示に影響するだけであり、 接続される負荷における実際の振幅が正しい値になるように表示 するためのものです。
アンプの帯域を測定するには、ファンクション・ジェネレータをス イープ・モードにし、振幅、開始/終了周波数を選択し、設計の仕 様に合わせてスイープ時間を設定します。AFG3011型は、前面パ ネルの専用ショートカット・キーとスクリーン・メニューにより、 これらのパラメータを設定します。大型のディスプレイには、振幅 と波形形状が一目でわかるように表示され、確実に設定することが できます。スイープの開始ごとにオシロスコープをトリガすること ができ、アンプの応答波形を観測することができます。
オシロスコープに表示される波形から、水平カーソルを使って -3dB振幅レベルを見つけます。これは、ピーク値の70.71%に相 当します。次に、オシロスコープで波形を観測しながら、波形が下 限帯域から始まり上限帯域で終わるまで、シグナル・ジェネレータ の開始/終了周波数を調整してスイープ・レンジを狭めていきます。 アンプの帯域は、シグナル・ジェネレータにおける開始/終了周波 数の最後に設定した読み値になります。


もう1つの測定例として、アンプの立上り時間について考えてみま す。先の手順では、キャリア・ガスのサンプルの波形数によって パルスが発生するため、どの程度の狭いピークが測定できるかとい うアンプの能力がわかります。トリガ接続は必要ないということ以 外は、測定セットアップは図11と同じです。任意波形/ファンクショ ン・ジェネレータは、パルスを出力するように設定します。最新の デジタル・オシロスコープでは、アンプのステップ応答を測定し、 信号の立上り/立下り時間を自動測定することができます。
まとめ
AFG3011型など、最新の任意波形/ファンクション・ジェネレー タは、外部アンプなしに50Ω負荷で最大20Vp-pの振幅を持った信 号を出力することができます。これにより、多くのアプリケーション でテスト・セットアップが簡単になり、設備コストを削減できます。 また、ディスプレイ上に実際の振幅を表示できるため、別途電圧計 で振幅を測定する必要がありません。これにより測定時間を短縮す ることもできます。
このアプリケーション・ノートで説明したテスト・アプリケーション の他にも、高出力電圧の任意波形/ファンクション・ジェネレータ は、ディスプレイ装置の試験、マイクロマシン技術、ソレノイドの テスト、さらに質量分析やその他の科学アプリケーションにも使用 できます。
