お問い合わせ
ダウンロード
マニュアル、データシート、ソフトウェアなどのダウンロード:
フィードバック
三相パワー解析
4シリーズMSO Opt. 4-3PHASE アプリケーション・データシート

4シリーズMSOはアナログ・チャンネルを最大6チャンネル利用できるため、三相パワー測定に最適です。この三相解析オプション(4-3PHASE)を使用することで、4シリーズMSOは、三相総電力、高調波歪み、位相パラメータなど、主要な三相電力系測定に必要な計算をセットアップし、実行することができます。解析パッケージは、柔軟な測定値のトレンド・プロットや自動レポート生成機能を備えているため、設計の検証に最適です。パワー・コンバータでは、多くの場合、パルス幅変調(PWM)が使用されており、変調サイクルにロックオンするのが難しく、測定が複雑になります。解析オプションには、PWM波形の安定した変調ロックオン測定を可能にするフィルタリング機能が搭載されています。このため、高速サンプリングのオシロスコープによる詳細な三相信号解析とPWM変調波形の安定した測定を両立できます。DC~三相 AC コンバータをサポートしているため、電気自動車システムの解析にも最適なパッケージです。測定には、4 シリーズMSOの直感的なタッチ・パネル・インタフェースを使用できます。12ビットADC(ハイレゾ・モードでは最大16ビットの分解能)が正確な測定を可能にすると同時に、三相電力解析ソフトウェアが測定を容易にし、測定再現性を高めます。
主な特長と仕様
- 4シリーズMSOの直感的なドラッグ・アンド・ドロップ・インタフェースを使用して、測定項目をすばやく追加、構成することが可能
- 三相PWM信号の正確な詳細解析ができ、その変調同期用にフィルタリングされて自動算出されたPWM波形も参照用表示
- 三相オートセット機能により、オシロスコープの水平軸、垂直軸、トリガ、アクイジションの各設定を三相信号の取込みに最適化して自動設定
- 実効電力、皮相電力、無効電力、力率などの一般的な三相電力測定をすばやく実行
- フェーザ図により、電圧と電流の位相関係のほか、基本周波数での実効値と振幅を一目で把握可能
- IEC 6100-3-2、IEEE-519 規格、またはカスタム・リミット値に従って三相の高調波を測定し、Pass/Fail判定
- アクイジション単位、または複数アクイジションによる主要なパワー測定項目の平均値、最小値、最大値、標準偏差を取得
- 1つのアクイジション内、または複数のアクイジションによる測定値の経時的なトレンドのプロット表示
- 線間電圧またはライン-ニュートラル間電圧の読み値を簡単に切り替え、自動変換することが可能
- MHT またはPDFフォーマットのレポートを自動生成
測定の概要
4シリーズMSOでの三相解析は、電気解析グループの主要な電気測定を自動化します。測定はコンバータの入力結線用または出力結線用に構成、設定することができます。

1V1I(単相2線)、2V2I(単相3線)、2V2I(三相3線)、1V1I(単相2線DC)、3V3I(三相3線)、3V3I(三相4線)などの測定を設定できるため、さまざまな結線の構成に対応できます。さらに、線間(L-L)またはライン-ニュートラル間(L-N)での測定も行えるため、デルタ結線やY(スター)結線にも対応できます。
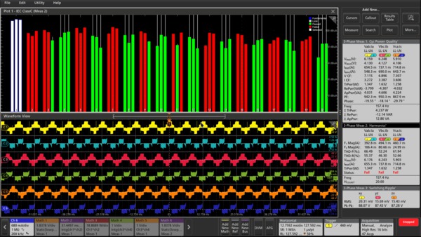
高調波
電力波形がきれいな正弦波を示すのは稀です。高調波測定では、非正弦波の電圧または電流波形を、正弦波成分に分解し、それぞれの周波数と振幅を表示します。
高調波解析では、200次の高調波まで解析できます。必要に応じて、測定構成画面で次数範囲を指定することで、最大高調波次数を設定することができます。THD-F、THD-R、基本波は各相について測定されます。測定値は、IEEE-519、IEC 61000 3-2規格のほか、カスタム・リミットに対しても合否判定できます。テスト結果は、パス/フェイル結果を示す詳細レポートに記録されます。
高調波プロットでは、三相のすべてのテスト結果がグループ化されて表示されるため、各相の結果を容易に比較できます。高調波バーは、合格条件の範囲であれば緑でハイライトされますが、リミットを超過すると赤になります。
電力品質
この機能では、以下のような重要な三相パワー測定が行えます。
- 周波数と電圧と電流の振幅実効値
- 電圧および電流の波高率(クレスト・ファクタ)
- PWM周波数
- 各相の位相角

さらに、ライン-ニュートラル結線構成では、三相すべてについて、有効電力、無効電力、皮相電力の成分が表示されます。フェーザ図に電圧と電流のベクトルが表示されるので、各相の位相シフトや相間のバランスをすばやく判断することができます。各ベクトルはRMS値で表され、位相は離散フーリエ変換(DFT)法を用いて計算されます。


効率
効率は入力電力に対する出力電力の比率を測定します(DC入力-AC出力、2V2I構成、および1V1I)。効率測定は、4シリーズMSOの6チャンネルすべてを利用して、システム全体の効率を計算します(入力側に1つの電圧ソースと1つの電流ソース、出力側に2つの電圧ソースと2つの電流ソース)。
リップル解析
リップルとは、DC電源の残留または不要なAC電圧です。三相コンバータ・システムでは、通常はDCバス上で測定されます。この測定は、入力側のAC-DCからの信号がどの程度効率よく変換されているかを測定します。また、出力側のPWM信号に不要な成分がどのように影響しているかを把握するのに役立ちます。
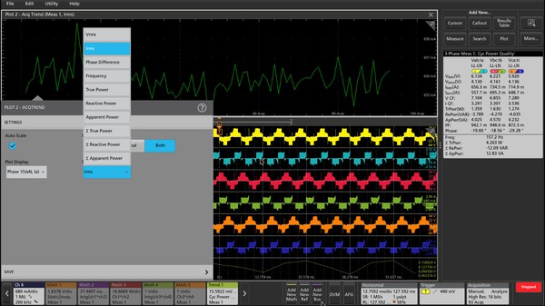
トレンド解析によるダイナミック測定
三相解析における一般的な要件として、より長い試験時間にわたってシステムの応答を注視しなければならないことが挙げられます。それは負荷条件を変化させながらDUTの動作を監視する必要があるためです。トレンド解析を使用することで、電圧、電流、電力、周波数などのパラメータ間の相互の関係や、負荷条件におけるそれぞれのパラメータの変動を解析するのに必要なデータが得られます。
三相ソリューションでは、そうした要件に対応するために、電力品質測定において2種類の独自のトレンド・プロット、時間トレンドとアクイジション・トレンドが用意されています。それぞれのプロットには特長があり、任意の電力品質測定項目のプロットで使用できます。時間トレンド・プロットは、サイクルごとの、または取り込んだ波形(レコード内)ごとの測定値のトレンドを表示します。アクイジション・トレンドでは、レコードごと、すなわち複数のアクイジション毎の測定平均値を経時的トレンド・プロットとして表示します。アクイジション回数は、テスト設定時にユーザによって設定できます。そのため、ユーザは長いデータ・レコードを取り込み、詳細なレコード解析を行うことで、システムの応答の動的な挙動を把握できます。プロットはCSVフォーマットで保存できるため、オフライン解析にも利用できます。
レポート生成
三相ソフトウェアは、データの収集、アーカイブ、設計の文書化、開発プロセスを簡素化します。MHTまたはPDF形式のレポートを作成できるため、パス/フェイル結果の解析が容易になります。
仕様
- 結線の構成
- 1V1I(単相2線)、2V2I(単相3線)、2V2I(三相3線)、3V3I(三相3線)、および3P4W(三相4線)
- L-L - L-N変換
- 三相3線(3V3I)で使用可能1
- 電気解析
- 電力品質、高調波2、リップル、効率3
- 三相オートセット
- すべての測定項目に対応
- プロット
- フェーザ図、時間トレンド、アクイジション・トレンド、高調波バー・グラフ4
- レポート
- MHTおよびPDFフォーマット、CSVフォーマットによるデータのエクスポートが可能
- 消磁/デスキュー(静的)
- プローブの自動検出とオートゼロ機能。各チャンネルのメニューからデスキュー(電圧プローブと電流プローブ)や消磁(電流プローブ)を実行できます。
- 測定ソース
- ライブ信号(アナログ)、リファレンス波形、演算波形
1三相4線(3V3I)の場合、接続は常にL-Nであり、三相3線(2V2I)の場合はL-Lです。
2カスタム・テスト・リミットもサポート。
3効率は特定の結線構成のみでサポートされています。
4測定の構成の一部としてレンジ・フィルタを使用。
ご注文の際は以下の型名をご使用ください。
型名
| 製品名 | 型名 | 対応機器 | 利用可能な周波数帯域 |
|---|---|---|---|
| 新規にオシロスコープをご発注の場合のオプション名 | Opt. 4-3PHASE | 4シリーズMSO(MSO46型) | 200MHz、350MHz、500MHz、1GHz、1.5GHz |
| アップグレード時の型名 | SUP4-3PHASE | ||
| フローティング・ライセンス | SUP4-3PHASE-FL |
ソフトウェア・バンドル
| バンドル・オプション | 対応機器5 | 概要 |
|---|---|---|
| 4-PRO-POWER-1Y | 4シリーズMSO | Pro Power Bundle(1年更新、4シリーズMSO用) |
| 4-PRO-POWER-PER | 4シリーズMSO | Pro Power Bundle(永続ライセンス、4シリーズMSO用) |
| 4-PRO-AUTO-1Y | 4シリーズMSO | Pro Power Automotive Bundle(1年更新、4シリーズMSO用) |
| 4-PRO-AUTO-PER | 4シリーズMSO | Pro Power Automotive Bundle(永続ライセンス、4シリーズMSO用) |
| 4-ULTIMATE-PER | 4シリーズMSO | Ultimate Power Bundle(永続ライセンス、4シリーズMSO用) |
5三相電力解析には6チャンネルの機器が必要です。
推奨プローブ
| プローブ・モデル | 概要 | 数量 |
|---|---|---|
| TCP0030A | 電流プローブ | 3本(3V3I結線) |
| THDP0200またはTMDP0200 | 高電圧差動プローブ | 3本(3V3I結線) |



