Contactez-nous
Chat en direct avec un représentant Tek. Service disponible de 9 h à 17 h, CET jours ouvrables.
Appelez-nous au
Disponible de 9 h à 17 h CET jours ouvrables.
Télécharger
Télécharger des manuels, des fiches techniques, des logiciels, etc. :
Feedback
B MSO série 6
Fiche technique de l’oscilloscope à signaux mixtes
Plus d’informations
- Oscilloscope à signaux mixtes MSO 64B, 66B, et 68B
 - Assistance produit
 - Découvrez d'autres modèles Oscilloscope
 
Lire en ligne :

Des mesures fiables
Des voies d'entrée
- 4,6 ou 8 entrées FlexChannel®
 - Chaque FlexChannel offre : 
- Un signal analogique qui peut être affiché sous forme de vue de signal, de vue spectrale ou les deux en même temps
 - Huit entrées logiques numériques avec une sonde logique TLP058
 
 
Bande passante (toutes les voies analogiques)
- 1 GHz, 2,5 GHz, 4 GHz, 6 GHz, 8 GHz, 10 GHz (mise à niveau possible)
 
Fréquence d'échantillonnage (toutes les voies analogiques/numériques)
- Temps réel : 50 Géch./s (2 voies), 25 Géch./s (4 voies), 12,5 Géch./s (> 4 voies)
 - Interpolé : 2,5 Téch./s
 
Longueur d’enregistrement (toutes les voies analogiques/numériques)
- 62,5 millions de points en standard
 - 125, 250, 500 millions de points, ou 1 milliard de points (en option)
 
Taux de capture de signaux
- > 500 000 signaux/s
 
Résolution verticale
- 12 bits ADC
 - Jusqu’à 16 bits en mode Haute résolution
 
Types de déclenchement standard
- Front, Largeur d’impulsion, Petite impulsion, Délai d’attente, Fenêtre, Logique, Établissement et Maintien, Temps de montée/descente, Bus parallèle, Séquence, Déclenchement visuel, Vidéo (en option), Représentation RF/Temps (en option)
 - Déclenchement auxiliaire ≤ 5 Vrms, 50 Ω, 400 MHz (déclenchement sur front uniquement)
 
Analyse standard
- Curseurs : Forme d’onde, Barres V, Barres H, Barres V&H
 - Mesures : 36
 - Vue Spectre : analyse du domaine de fréquences avec commandes indépendants pour les domaines de fréquence et les domaines temps
 - FastFrameTM : mode d’acquisition à mémoire segmentée avec une vitesse maximum de déclenchement > 5 000 000 de signaux par seconde
 Tracés : Évolution chronologique, Histogramme, Spectre et Bruit de phase
- Fonctions mathématiques : arithmétique basique sur la forme d’onde, FFT et éditeur d’équations avancé
 - Recherche : sur n’importe quel critère de déclenchement
 - Gigue : TIE et Bruit de phase
 
Analyse en option
- Analyses avancées de la gigue et des diagrammes de l’œil
 - Vue Spectre avancée
 - Représentations RF/Temps (amplitude, fréquence, phase)
 - Gestion de l'alimentation numérique
 - Test masque/limite
 - Onduleurs, moteurs et lecteurs
 - Débogage et analyse LVDS
 - Analyse PAM3
 - Analyse et mesure de puissance avancées
 
Décodage, analyse et déclenchement de bus série en option
- I2C, SPI, I3C, RS-232/422/485/UART, SPMI, CAN, CAN FD, LIN, FlexRay, SENT, PSI5, Ethernet automobile,MIPI D-PHY, USB 2.0, eUSB2, Ethernet, Audio, MIL-STD-1553, ARINC429, Spacewire, 8B/10B, NRZ, Manchester, SVID, MDIO
 
Ajouter un test de conformité en série (en option)
- Ethernet, USB 2.0, Ethernet automobile, Ethernet industriel, MIPI D-PHY 1.2
 
Analyse de mémoire en option
- Débogage DDR3, analyse et test de conformité
 
Générateur arbitraire/Générateur de fonctions1
- Génération de signal 50 MHz
 - Types de forme d’onde : arbitraire, sinusoïdale, carré, impulsion, rampe, triangle, niveau DC, gaussienne, Lorentz, montée/descente exponentielle, sin(x)/x, bruit aléatoire, demi-sinus verse, cardiaque
 
Voltmètre numérique2
- Mesures de tension RMS DC+AC, DC, AC 4 digits
 
Compteur de fréquence de déclenchement2
- 8 digits
 
Écran
- 15,6 pouces (396 mm), couleur, TFT
 - Résolution haute définition (1 920 x 1 080)
 - Écran tactile capacitif (multipoint)
 
Connectivité
- Hôte USB (7 ports), appareil USB 3.0 (1 port), LAN (Ethernet Base-T 10/100/1000), Display Port, DVI-I, VGA
 
e*Scope®
- Affichez et contrôlez l’oscilloscope à distance via une connexion réseau, au moyen d’un navigateur web standard.
 
Garantie
- Garantie standard de 1 an,
 
Dimensions
- H 309 mm x L 454 mm x P 204 mm
 - Poids : < 12,88 kg
 
Avec le plus faible bruit d’entrée du marché et une bande passante analogique 8 GHz atteignant , l’oscilloscope MSO Série 6 offre une fidélité de signal optimale pour l’analyse et le débogage de systèmes embarqués d’aujourd’hui avec des vitesses d’horloge et de bus en GHz. Avec l’interface tactile novatrice, le plus grand écran haute définition du secteur et à 8 entrées FlexChannel®qui vous permettent de mesurer un signal analogique ou huit signaux numériques par voie, l’oscilloscope MSO Série 6 est prêt à relever tous les défis, d’aujourd’hui et de demain.
1En option et possibilité de mise à jour.
2Gratuit avec l’enregistrement du produit
Ne laissez plus jamais un nombre de voies insuffisant ralentir votre processus de vérification et de débogage !
L’oscilloscope MSO Série 6 offre une visibilité améliorée sur les systèmes complexes, en proposant des modèles à quatre, six et huit voies, dotés d’un grand écran 15,6" haute définition (1 920 x 1 080). Nombre d’applications, telles que les systèmes embarqués, les appareils électroniques à alimentation triphasée, les équipements électroniques automobiles, la conception d’alimentations électriques et l’intégrité de l’alimentation, nécessitent d’observer plus de quatre signaux analogiques, afin de vérifier et de caractériser les performances de l’appareil, et de résoudre les problèmes système complexes.
La plupart des ingénieurs se sont déjà retrouvés dans une situation de débogage d’un problème particulièrement complexe, souhaitant bénéficier d’une meilleure visibilité sur le système et d’un contexte plus large, avec malheureusement un oscilloscope limité à deux ou quatre voies analogiques. Utiliser un deuxième oscilloscope implique un travail supplémentaire d’alignement des points de déclenchement, la difficulté à déterminer la relation de synchronisation entre les deux écrans et un casse-tête documentaire.
Si vous imaginiez qu’un oscilloscope de six et huit voies coûtait 50 % à 100 % de plus qu’un instrument à quatre voies, vous serez agréablement surpris de découvrir que le surcoût n’est que de 25 % environ pour les modèles à six voies et de 67 % (ou moins) environ pour les modèles à huit voies. Les voies analogiques supplémentaires sont en outre rapidement rentabilisées, en vous permettant de terminer vos projets actuels et futurs dans les temps.
La technologie FlexChannel®offre une flexibilité optimale et une visibilité élargie sur le système.
Le modèle MSO Série 6 réinvente la définition d’un oscilloscope à signal mixte (MSO). La technologie FlexChannel permet d’utiliser chaque entrée de voie comme une seule voie analogique, huit entrées logiques numériques (avec la sonde logique TLP058) ou des vues analogiques et spectrales simultanées . avec des commandes d’acquisition indépendantes pour chaque domaine. Imaginez la flexibilité et les possibilités de configuration que cela représente !
Vous pouvez modifier la configuration à tout moment en ajoutant ou en supprimant simplement les sondes logiques TLP058, de façon à avoir toujours le nombre de voies numériques souhaité.

Les modèles d’oscilloscope MSO précédents imposaient des compromis, du fait que les voies numériques présentaient des fréquences d’échantillonnage plus faibles ou des longueurs d’enregistrement plus courtes que les voies analogiques. Le modèle MSO Série 6 permet un niveau d’intégration inédit des voies numériques. Les voies numériques partagent la même fréquence d’échantillonnage (jusqu’à 50 Géch./s) et la même longueur d’enregistrement (jusqu’à 1depoints) que les voies analogiques.



Fonctionnalité d’affichage du signal sans précédent
Le remarquable écran 15,6" (396 mm) du modèle MSO Série 6 est le plus grand du marché dans le secteur . Cet écran à la résolution optimale Full HD (1 920 x 1 080) vous permet d’afficher simultanément un grand nombre de signaux, tout en laissant de la place pour les mesures et analyses critiques.
La zone d’affichage a été optimisée afin de garantir un espace vertical maximum pour les formes d’onde. La barre Results (Résultats) située à droite de l’écran peut être masquée pour afficher les formes d’onde en pleine largeur.

L’oscilloscope MSO Série 6 propose un nouveau mode d’affichage empilé révolutionnaire. Historiquement, les oscilloscopes ont toujours présenté tous les signaux les uns sur les autres, dans le même réticule, imposant de délicates gymnastiques :
Pour que chaque signal soit visible, vous devez donc ajuster l’échelle verticalement et positionner chaque signal de façon à ce qu’ils ne se chevauchent pas. Chaque signal utilise un faible pourcentage de la plage ADC disponible, ce qui donne des mesures moins précises.
Pour garantir la précision des mesures, vous devez ajuster l’échelle verticalement et positionner chaque signal de façon à ce qu’il couvre la totalité de l’écran. Les signaux se chevauchent, ce qui rend difficile de distinguer les détails de chacun.
Le nouveau mode d’affichage empilé élimine toutes ces contraintes. Il ajoute et supprime automatiquement des « tranches » horizontales de signal (réticules supplémentaires) à mesure que les signaux sont créés et supprimés. Chaque tranche couvre la totalité de la plage ADC du signal. Les signaux sont visuellement séparés les uns des autres, tout en couvrant la totalité de la plage ADC, offrant une visibilité et une précision optimales. Et tout se fait automatiquement, à mesure que les signaux sont ajoutés ou supprimés ! Les voies peuvent facilement être réorganisées en mode d'affichage empilé en glissant et déposant les vignettes des voies et des formes d'onde dans la barre des paramètres en bas de l'écran. Vous pouvez également superposer des groupes de voie dans une tranche, afin de simplifier la comparaison visuelle des signaux.
Le écran du modèle MSO Série 6 offre également un espace d’affichage pour les éléments annexes aux signaux : les tracés, les tableaux de résultats de mesure, les tableaux de décodage de bus, et bien plus encore. Vous pouvez en outre facilement redimensionner et déplacer les différentes vues, en fonction de vos besoins.

Une interface utilisateur particulièrement simple qui vous permet de vous concentrer sur la tâche à accomplir
Barre Settings (Paramètres) : principaux paramètres et gestion du signal
Les paramètres de signaux et de fonctionnement de l’oscilloscope s’affichent dans une série de « vignettes », situées dans la barre Settings (Paramètres) placée en bas de l’écran, sur toute la longueur. La barre Settings (Paramètres) permet un accès immédiat aux principales fonctions de gestion du signal. D’une simple pression du doigt, vous pouvez ainsi :
- Activer des voies
 - Ajouter des signaux mathématiques
 - Ajouter des signaux de référence
 - Ajouter des signaux de bus
 - Activer le générateur de fonctions arbitraires (AFG) intégré (en option)
 - Activer le voltmètre numérique (DVM) intégré (en option)
 
Barre Results (Résultats) : analyse et mesures
La barre Results (Résultats) située à droite de l’écran permet d’accéder instantanément aux outils d’analyse les plus courants, tels que les curseurs, les mesures, les recherches, les tableaux de résultats de mesure et de décodage bus, les tracés et les légendes.
Les vignettes de voltmètre, de mesure et de résultats de recherche s’affichent dans la barre Results (Résultats), sans encombrer la zone d’affichage du signal, le cas échéant. Pour agrandir cette zone d’affichage, il est cependant possible de masquer la barre Results (Résultats), puis de la rappeler dès qu’elle est nécessaire.

Une interaction tactile enfin au point !
Cela fait des années que les oscilloscopes sont dotés d’écrans tactiles, mais cette fonction a toujours été un ajout après-coup. Sur le modèle MSO Série 6, l’écran tactile capacitif de 15,6" a été intégré pour offrir la première interface d’oscilloscope véritablement conçue pour un fonctionnement tactile.
Vous retrouvez ainsi sur l’oscilloscope MSO Série 6 des interactions tactiles similaires à celles des téléphones et des tablettes, ce qu’on peut attendre d’un appareil tactile.
- Faites glisser les formes d’onde vers la gauche/droite ou vers le haut/bas, afin d’ajuster leur position horizontale et verticale ou d’effectuer un panoramique sur une vue zoomée.
 - Rapprochez ou écartez vos doigts pour changer d’échelle ou effectuer un zoom avant/arrière, dans le sens horizontal ou vertical.
 - Faites glisser les éléments hors de l'écran pour les supprimer
 - Faites glisser votre doigt de droite à gauche pour afficher la barre Results (Résultats) masquée ou de haut en bas pour accéder aux menus situés dans le coin supérieur gauche de l’écran.
 
Les commandes réactives et simples de la face avant vous permettent d’effectuer les réglages souhaités à l’aide des boutons et molettes habituels. Vous pouvez également ajouter une souris ou un clavier, pour un troisième mode d’interaction.
Taille de police variable
Depuis toujours, les interfaces utilisateur des oscilloscopes ont été conçues avec des tailles de police fixes pour optimiser l’affichage des signaux et des mesures. Cette configuration est idéale lorsque tous les utilisateurs disposent des mêmes préférences d’affichage, mais ce n’est pas le cas. Les utilisateurs passent beaucoup de temps à regarder des écrans et Tektronix en a bien conscience. L’oscilloscope MSO Séries 6 offre à l’utilisateur la possibilité de modifier la taille de police et de la réduire jusqu’à 12 points ou de l’augmenter jusqu’à 20 points. Lorsque vous ajustez la taille de la police, l’interface utilisateur se met à l'échelle de façon dynamique afin que vous puissiez facilement choisir la meilleure taille pour votre application.


Un vrai souci du détail dans les commandes de la face avant
Traditionnellement, la face avant d’un oscilloscope est composée pour moitié d’un écran d’affichage et pour moitié de commandes. Cependant, l’écran de l’oscilloscope MSO Série 6 représente 85 % de la face avant de l’instrument. Pour obtenir une telle configuration, la face avant a été rationalisée de manière à ne conserver que les commandes essentielles, nécessaires à une utilisation simple et intuitive, avec un nombre réduit de boutons de menu permettant d’accéder directement aux autres fonctions grâce à des objets sur l’écran.
Des voyants LED à code couleur entourent d’un ruban lumineux les boutons de commande, indiquant la source de déclenchement, ainsi que la position/l’échelle verticale. De larges boutons dédiés Run/Stop (Démarrer/Arrêter) et Single Sequence (Séquence unique) sont visibles et accessibles en haut à droite de l’appareil. D’autres fonctions sont également accessibles sur le panneau de commande avant, à l’aide de boutons dédiés : Force Trigger (Forcer le déclenchement), Trigger Slope (Pente de déclenchement), Trigger Mode (Mode de déclenchement), Default Setup (Configuration par défaut), Auto-set (Réglage auto) et Quick-save (Enregistrement rapide).
Windows ou pas, à vous de choisir !
Le modèle MSO Série 6 est vous offre la possibilité d’intégrer le système d’exploitation Microsoft Windows™.
L’oscilloscope MSO Série 6 est fourni de série avec un SSD amovible qui contient un système d’exploitation embarqué en circuit fermé qui démarrera en mode oscilloscope seul, et ne permet pas d’exécuter ni d’installer d’autres programmes. Un disque SSD connecté avec le système d’exploitation Windows 10 est disponible et permet de démarrer Windows 10 en configuration ouverte, ce qui vous permet de réduire l’application oscilloscope et d’accéder à un bureau Windows standard via lequel vous pouvez installer et exécuter diverses applications sur l’oscilloscope. Vous pouvez également raccorder d’autres moniteurs et étendre votre bureau. Il suffit d’échanger les disques selon les besoins via un panneau d'accès situé dans la partie inférieure de l'instrument.
Que vous choisissiez ou non d’exécuter Windows, l’oscilloscope fonctionne exactement de la même manière, avec la même ergonomie et la même interaction avec l’interface utilisateur.
Il vous faut une densité de voie plus élevée ?
La série 6 est également disponible sous forme de numériseur à profil bas - le LPD64. Avec quatre voies d’entrée SMA et une entrée de déclenchement auxiliaire, le tout dans un package 2U et des CAN 12 bits, le numériseur à profil bas Série 6 définit une nouvelle norme en matière de performances dans les applications où des densités de voies extrêmes sont nécessaires.

Des performances hors norme
Avec une bande passante analogique de 10 GHz, des fréquences d’échantillonnage atteignant 50 Géch./s, un nombre d’échantillons standard de 62,5 millions et un convertisseur analogique-numérique 12 bits, l’oscilloscope MSO Série 6 offre les performances dont vous avez besoin pour capturer des signaux avec la meilleure fidélité et la meilleure résolution possibles, permettant d’afficher les détails les plus infimes.
Technologie à phosphore numérique avec capture rapide de signaux FastAcq™
Pour déboguer un problème de conception, vous devez d’abord l’identifier. La technologie à phosphore numérique avec FastAcq offre un aperçu rapide du fonctionnement réel de votre système. Grâce à sa vitesse d’acquisition de signaux élevée (supérieure à 500 000 signaux par seconde), vous avez davantage de chances de pouvoir visualiser les problèmes rares qui se produisent dans les systèmes numériques : petites impulsions, parasites, problèmes de temporisation, etc. Pour améliorer la visibilité de ces événements rares, l’intensité variable permet d’indiquer la fréquence des phénomènes transitoires rares par rapport aux caractéristiques normales des signaux.

Meilleure résolution verticale du secteur
L’oscilloscope MSO Série 6 offre les performances nécessaires pour capturer les signaux qui vous intéressent, tout en minimisant les effets du bruit indésirable lorsque vous souhaitez capturer des signaux de haute amplitude en visualisant les plus petits détails du signal. Les modèles MSO Série 6 sont centrés sur des convertisseurs analogique-numérique 12 bits (ADC) offrant une résolution verticale 16 fois supérieure à celle des convertisseurs traditionnels 8 bits.
Le nouveau mode haute résolution applique un filtre matériel à réponse impulsionnelle finie (FIR) novateur, basé sur la fréquence d’échantillonnage sélectionnée. Ce filtre FIR maintient la bande passante la plus élevée possible pour cette fréquence d’échantillonnage, tout en empêchant le crénelage et en éliminant le bruit au niveau des convertisseurs ADC et des amplificateurs de l’oscilloscope au-delà de la bande passante utilisable pour la fréquence d’échantillonnage sélectionnée.
Le mode Haute résolution offre toujours au moins 12 bits de résolution verticale et peut atteindre 16 bits aux fréquences d’échantillonnage ≤ 625 Méch./s et à une bande passante de 200 MHz. Le tableau suivant indique le nombre de bits de résolution verticale pour chaque réglage de fréquence d’échantillonnage en mode Haute résolution.
| Fréquence d’échantillonnage | Nombre de bits de résolution verticale | 
|---|---|
| 50 Géch./s | 8 | 
| 25 Géch./s | 8 | 
| 12,5 Géch./s | 12 | 
| 6,25 Géch./s | 13 | 
| 3,125 Géch./s | 14 | 
| 1,25 Géch./s | 15 | 
| ≤625 Méch./s | 16 | 
Les nouveaux amplificateurs frontaux à faible bruit améliorent la capacité du modèle MSO Série 6 à déterminer les détails les plus fins du signal.

Un nouvel amplificateur frontal TEK061 établit une nouvelle norme pour l’acquisition à faible niveau de bruit, offrant la meilleure fidélité de signal pour capturer de petits signaux avec une haute résolution.

Le niveau de bruit est une caractéristique essentielle pour l’affichage fin des détails de signal sur les petits signaux à haute vitesse. Plus le bruit intrinsèque d’un système de mesure est élevé, moins le niveau de détail véritable est visible. Ce paramètre devient critique sur un oscilloscope lorsque les réglages verticaux sont configurés sur une sensibilité élevée (par ex. ≤ 10 mV/div) dans le but d’afficher les petits signaux très courants dans les topologies de bus haute vitesse. L’oscilloscope MSO Série 6 dispose d’un nouveau module d’entrée ASIC, le TEK061, qui offre des performances de bruit exceptionnelles avec les paramètres de sensibilité les plus élevés. La version « B » du MSO Série 6 a une nouvelle fréquence d’échantillonnage entrelacé à faible niveau de bruit de 50 Géch/s sur deux voies qui réduit le bruit de près de 3 dB à des valeurs volts/div plus élevées, ce qui renforce l'avantage sur les oscilloscopes concurrents en matière de performances à faible niveau de bruit. Le tableau ci-dessous présente une comparaison des performances de bruit typiques de l’oscilloscope MSO Série 6 et des générations précédentes d'oscilloscopes Tektronix dans cette gamme de bande passante.
Bande passante  | V/div | B MSO série 6 | DPO7000C | MSO/DPO70000C | 
|---|---|---|---|---|
| 1 GHz | 1 mV | 51.8 µV | 90 µV 1 | S/O | 
| 10 mV | 82,9 µV | 279 µV | S/O | |
| 100 mV | 829 µV | 2,7 mV | S/O | |
| 4 GHz | 1 mV | 97,4 µV | S/O | S/O | 
| 10 mV | 171 µV | S/O | 500 µV | |
| 100 mV | 1,73 mV | S/O | 4,3 mV | |
| 8 GHz | 1 mV | 153 µV | S/O | S/O | 
| 10 mV | 287 µV | S/O | 580 µV | |
| 100 mV | 2,94 mV | S/O | 4,5 mV | 
1Bande passante limitée à 200 MHz.
Déclenchement
La détection d’une défaillance dans un appareil est seulement la première étape. Vous devez ensuite capturer l’événement qui permettra d’identifier son origine. Le modèle MSO Série 6 propose une palette complète de déclenchements évolués, tels que :
- Petite impulsion
 - Logique
 - Largeur de pulse
 - Fenêtre
 - Temps de maintien
 - Temps de montée/temps de descente
 - Violation du Setup et Hold
 - Paquet série
 - Données parallèles
 - Séquence
 - Vidéo
 - Déclenchement visuel
 - Fréquence RF/Temps
 - Amplitude RF/Temps
 
Grâce à une longueur d’enregistrement allant jusqu’à 1 milliard de points, vous pouvez capturer de nombreux événements intéressants, voire des milliers de paquets série, au cours d’une seule acquisition, offrant une résolution élevée pour zoomer sur des détails précis du signal et enregistrer des mesures fiables.

Déclenchement visuel - Recherche rapide du signal souhaité
La recherche du cycle correct d’un bus complexe peut prendre des heures de collecte et de tri de milliers d'acquisitions pour un événement intéressant. Définir un déclenchement qui isole l’événement souhaité accélère les tâches de débogage et d’analyse.
Le déclenchement visuel étend les capacités de déclenchement du modèle MSO Séries 6 en balayant toutes les acquisitions de formes d'onde et en les comparant à des zones à l'écran (formes géométriques). Un nombre illimité de zones peuvent être créées à l’aide d’une souris ou d’un écran tactile et diverses formes (triangles, rectangles, hexagones ou trapèzes) peuvent être utilisées pour indiquer le comportement de déclenchement recherché. Une fois que ces formes sont créées, elles peuvent être modifiées de façon interactive pour créer des formes personnalisées et des conditions de déclenchement idéales.

En se déclenchant uniquement sur les événements de signal les plus importants, le déclenchement visuel permet de gagner des heures de capture et de recherche manuelle dans les acquisitions. En quelques secondes ou minutes, vous pouvez trouver les événements importants et terminer vos tâches de débogage et d’analyse. Le déclenchement visuel fonctionne même sur plusieurs voies, ce qui étend son utilité aux tâches complexes de dépannage et de débogage du système.

Une fois que plusieurs zones sont définies, une équation logique booléenne peut être utilisée pour configurer des conditions de déclenchement à l’aide de fonctionnalités d’édition à l’écran.

Interface de la sonde TekVPI
L’interface de la sonde TekVPI®est une référence en matière de simplicité d’utilisation. Nombre de sondes TekVPI, outre leur connexion fiable et sûre, sont équipées de voyants d’état et de commandes, ainsi que d’un bouton de menu pour sonde situé directement sur le boîtier de compensation. Ce bouton affiche un menu de sonde sur l’écran de l’oscilloscope, avec tous les réglages et commandes correspondant à la sonde. L’interface TekVPI permet la connexion directe des sondes de courant sans alimentation séparée. Les sondes TekVPI peuvent se commander à distance par interface USB ou via un réseau local (LAN), offrant ainsi des solutions polyvalentes pour les systèmes de test automatique. L’oscilloscope MSO Série 6 offre jusqu’à 80 W de puissance pour les connecteurs de la face avant, une puissance suffisante pour alimenter toutes les sondes TekVPI connectées sans avoir besoin d’une alimentation complémentaire.
Sonde de tension passive à haut débit pratique
Les sondes de tension passives de la série TPP intégrées sur chaque modèle MSO Série 6 offrent tous les avantages des sondes universelles, à savoir une large plage dynamique, des options de connexion flexibles et une conception mécanique robuste, tout en offrant les performances des sondes actives. La bande passante analogique jusqu’à 1 GHz vous permet d’afficher les composantes haute fréquence de vos signaux, tandis que la charge capacitive extrêmement faible de 3,9 pF minimise les effets indésirables pour vos circuits et supporte plus facilement les grandes longueurs de câble de masse.
De plus, une version 2X à faible atténuation des sondes TPP est disponible en option pour mesurer les basses tensions. Contrairement aux autres sondes passives à faible atténuation, la sonde TPP0502 est dotée d’une bande passante élevée (500 MHz), ainsi que d’une faible charge capacitive (12,7 pF).

Sondes TriMode de la gamme TDP7700
Les sondes TriMode de la gamme TDP7700 offrent la plus haute fidélité de test existante pour les oscilloscopes en temps réel. Le modèle TDP7700 est conçu pour fonctionner avec l’oscilloscope MSO Série 6, avec étalonnage AC de la sonde et chemin du signal de l’extrémité basés sur les modèles uniques de paramètre S. La sonde communique les paramètres S à l’oscilloscope par l’intermédiaire de l’interface de sonde TekVPI, et le modèle MSO Série 6 les inclut pour réaliser la meilleure fidélité du signal possible à partir de l’extrémité de la sonde vers la mémoire d’acquisition. Les innovations en matière de connectivité, telles que les pointes intégrées avec la mémoire tampon d'entrée de la sonde montée à quelques millimètres seulement de l'extrémité, les sondes TDP7700 offrent une facilité d'utilisation inégalée pour la connexion aux conceptions électroniques les plus complexes d'aujourd'hui.

Avec la sonde TriMode, le paramétrage d’une seule sonde permet d'effectuer avec précision des mesures en mode différentiel, asymétrique et commun. Cette fonctionnalité unique vous permet de travailler plus efficacement, en passant entre des mesures en mode différentiel, asymétrique et commun sans être obligé de déplacer le point de connexion de la sonde.
IsoVu™ : système de mesure isolé
Que ce soit pour concevoir un onduleur, optimiser une alimentation électrique, tester des voies de communication, effectuer des mesures sur une résistance shunt, déboguer des problèmes d’EMI ou d’ESD, ou encore tenter d’éliminer des boucles de terre dans votre installation de test, les ingénieurs ont souvent dû jusqu’à présent avancer en aveugle dans leurs tâches de conception, de débogage, d’évaluation et d’optimisation, du fait des interférences en mode commun.
La technologie révolutionnaire IsoVu™ de Tektronix utilise les communications optiques et l’alimentation par la fibre pour garantir une isolation galvanique totale. Combiné au modèle MSO Série 6 et à son interface TekVPI, vous obtenez le premier et unique système de mesure capable de résoudre avec précision les signaux différentiels à bande passante élevée, en présence de tensions en mode commun importantes, avec les caractéristiques suivantes :
Isolation galvanique totale
Bande passante jusqu’à 1 GHz
Réjection de mode commun 1 million pour 1 (120 dB) à 100 MHz
Réjection de mode commun 10 000 pour 1 (80 dB) en bande passante maximale
Plage dynamique différentielle jusqu’à 2 500 V
Plage de tension de mode commun 60 kV

Analyse complète pour des résultats rapides
Analyse de signaux de base
Pour vérifier que les performances de votre prototype sont conformes aux simulations et répondent aux objectifs de conception du projet, une analyse minutieuse est nécessaire, qui peut aller d’un simple contrôle des temps de montée et des largeurs d’impulsion à une analyse avancée des pertes de puissance, la caractérisation des horloges système et la recherche des sources de bruit.
Le modèle MSO Série 6 propose une palette complète d’outils d’analyse standard, qui incluent :
- Des curseurs à l’écran et sur les signaux
 - 36 mesures automatisées : les résultats de mesure incluent toutes les instances dans l’enregistrement, la possibilité de naviguer d’une occurrence à la suivante et une visualisation immédiate du résultat minimum ou maximum trouvé dans l’enregistrement
 - Un signal mathématique de base
 - Une analyse FFT de base
 - Une fonction de signal mathématique avancée, comprenant la modification des équations arbitraires avec des filtres et des variables
 - Vue Spectre, analyse du domaine de fréquences avec commandes indépendantes pour les domaines temporel et de fréquence
 - La mémoire segmentée de FastFrame™ vous permet d’optimiser l’utilisation de la mémoire d’acquisition de l’oscilloscope en capturant plusieurs événements de déclenchement dans un seul enregistrement tout en éliminant les larges intervalles de temps entre les événements intéressants. Visualisez et mesurez les segments individuellement ou superposés.
 
Les tableaux de résultats de mesure fournissent des vues statistiques complètes sur les résultats, pour l’acquisition en cours comme pour l’ensemble des acquisitions.

Légendes


La documentation des résultats et des méthodes de test est essentielle lorsqu’il s’agit de partager des données au sein d’une équipe, de recréer une mesure à une date ultérieure ou de fournir un rapport au client. En quelques clics tactiles sur l’écran, vous pouvez créer autant de légendes personnalisées que nécessaire, ce qui vous permet de documenter les détails spécifiques de vos résultats de test. Vous pouvez personnaliser le texte, l’emplacement, la couleur, la taille de la police et la police de chaque légende.
Navigation et recherche
La détection d’un événement digne d’intérêt sur un long enregistrement de signal peut prendre du temps si vous ne disposez pas des bons outils de recherche. Comme les longueurs d’enregistrement actuelles dépassent le million de points de données, la localisation de votre événement peut consister à faire défiler des milliers d’écrans d’activité de signal.
L’oscilloscope MSO Série 6 offre les fonctionnalités de navigation et de recherche les plus complètes du marché, avec les nouvelles commandes Wave Inspector®. Ces commandes accélèrent le déplacement et l’agrandissement de votre enregistrement. Au moyen d’un système unique d’angle de rotation, vous passez d’une extrémité de votre enregistrement à l’autre en quelques secondes seulement. Vous pouvez également utiliser la fonction tactile intuitive Glisser et Rapprocher/Agrandir pour examiner les zones qui vous intéressent dans un enregistrement long.
La fonction Search (Recherche) vous permet de rechercher automatiquement des événements définis par l’utilisateur sur l’ensemble d’une longue acquisition. Toutes les occurrences d’un événement sont signalées par des marques de recherche et sont facilement accessibles à l’aide des boutons Précédent (←) et Suivant (→) situés sur la face avant ou via la vignette Search (Recherche) sur l’écran. Les types de recherche incluent : front, largeur de pulse, temps de maintien, runt, fenêtre, logique, setup et hold, temps de descente/de montée et contenu de paquet de bus parallèle/série. Vous pouvez créer autant de recherches individuelles que vous le souhaitez.
Vous pouvez également accéder rapidement à la valeur minimum ou maximum des résultats de recherche, en utilisant les boutons Min et Max de la vignette Search (Recherche).

Masque et test des valeurs limites (en option)

Que vous vous concentriez sur l’intégrité du signal ou sur la mise en place de conditions de réussite ou d'échec pour la production, le test de masque est un outil efficace pour caractériser le comportement de certains signaux dans un système. Créez rapidement des masques personnalisés en dessinant des segments de masque à l’écran. Adaptez un test à vos besoins spécifiques et définissez les mesures à prendre lorsqu’un coup de masque est enregistré, ou lorsqu’un test complet est réussi ou a échoué.
Le test des valeurs limites est un moyen intelligent de surveiller le comportement à long terme des signaux, vous aidant à caractériser une nouvelle conception ou à confirmer les performances du matériel lors des tests des lignes de production. Les tests des valeurs limites comparent votre signal actif à une version idéale ou de « référence » de ce même signal, avec des tolérances verticales et horizontales définies par l'utilisateur.
Vous pouvez facilement adapter un test de masque ou de valeurs limites à vos besoins spécifiques en
- attribuant une durée à plusieurs signaux limite
 - en définissant un seuil de violation qui indiquera si le test a échoué
 - en comptant les violations/échecs et en reportant les informations statistiques
 - en définissant des actions en cas de violations, d'échec ou de réussite du test
 
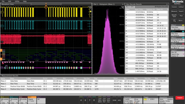
Déclenchement et analyse de protocole série (en option)
Lors des opérations de débogage, il peut être très utile de suivre le flux d’activité sur l’ensemble d’un système, en observant le trafic au niveau d’un ou de plusieurs bus série. Si plusieurs minutes peuvent être nécessaires pour décoder manuellement un paquet série unique, imaginez le temps qu’il faudrait pour les milliers de paquets d’une longue acquisition ?
De plus, en sachant que l’événement qui vous intéresse et que vous tentez de capturer a lieu lors de l’envoi d’une commande donnée sur un bus série, ne souhaiteriez-vous pas pouvoir effectuer le déclenchement sur cet événement ? Malheureusement, cela n’est pas aussi simple qu’un déclenchement spécifié sur un front ou une largeur d’impulsion.

L’oscilloscope MSO Séries 6 offre une solide palette d’outils pour travailler sur les bus série les plus couramment utilisés dans les systèmes embarqués : I2C, SPI, I3C, RS-232/422/485/UART, SPMI, CAN, CAN FD, LIN, FlexRay, SENT, PSI5, Ethernet automobile, MIPI D-PHY, USB LS/FS/HS, eUSB 2.0, Ethernet 10/100, Audio (I2S/LJ/RJ/TDM), MIL-STD-1553, ARINC 429, Spacewire, 8B/10B, MDIO, SVID,Manchester et NRZ.
La recherche de protocole série vous permet d’effectuer une recherche au sein d’une longue acquisition de paquets série, afin de trouver ceux présentant le contenu que vous avez spécifié. Chaque occurrence est mise en évidence par un marqueur de recherche. Pour naviguer rapidement entre les marqueurs, il vous suffit d’appuyer sur les boutons Précédent ( ← ) et Suivant ( → ) situés sur la face avant ou via la vignette Search (Recherche) de la barre Results (Résultats).
Les outils décrits pour les bus série fonctionnent également avec les bus parallèles. La prise en charge des bus parallèles est proposée de série sur le modèle MSO Série 6. Les bus parallèles peuvent aller jusqu’à 64 bits de largeur et inclure une combinaison de voies analogiques et numériques.
Le déclenchement sur protocole série vous permet d’effectuer le déclenchement sur la base d’un contenu de paquet spécifique, par exemple le début du paquet, des adresses spécifiques, un contenu de données spécifique, des identifiants uniques et des erreurs.
Les signaux de bus offrent une vue combinée de haut niveau pour les signaux individuels (horloge, données, autorisation du circuit, etc.) qui composent votre bus, facilitant ainsi l’identification du début et de la fin des paquets et celle des sous-paquets, comme l’adresse, les données, l’identificateur, le contrôle de redondance cyclique, etc.
Le signal de bus est aligné temporellement sur tous les autres signaux affichés, permettant de mesurer facilement la relation de synchronisation entre les différentes parties du système testé.
Les tableaux de décodage de bus offrent une vue tabulaire de l’ensemble des paquets décodés sur une acquisition, assez similaire à un listing logiciel. Les paquets sont horodatés et répertoriés consécutivement dans des colonnes pour chaque composant (Adresse, Données, etc.).
Vue Spectre

Il est souvent plus facile de déboguer un problème en affichant un ou plusieurs signaux dans le domaine de fréquences. Les oscilloscopes intègrent depuis des décennies des FFT mathématiques, dans le but de répondre à ce besoin précis. Cependant, les FFT sont reconnues être difficiles à utiliser pour deux raisons principales.
D’abord, lorsque vous effectuez des analyses de domaine de fréquences, vous pensez aux commandes, telles que la fréquence centrale, la plage et la bande passante de résolution (RBW) comme vous les trouveriez normalement sur un analyseur de spectre. Vous utilisez alors une FFT, là où vous êtes bloqué par des commandes habituelle d’oscilloscope, comme la fréquence d’échantillonnage, la longueur d’enregistrement et la plage de temps/division, et vous devez effectuer toutes les translations mentales pour essayer d’obtenir la vue que vous recherchez dans le domaine de fréquence.
Cependant, les FFT (transformées de Fourier) sont prises en charge par le même système d’acquisition que celui chargé de délivrer la vue de domaine temps analogique. Lorsque vous optimisez les paramètres d’acquisition pour la vue analogique, la vue du domaine temps n’est alors plus celle que vous souhaiteriez. À l’inverse, si la vue du domaine temps est correcte, votre vue analogique ne l’est plus. Avec des FFT basées sur une fonction mathématique, il est donc quasi impossible d’obtenir une vue optimisée dans les deux domaines.
La vue Spectre résout ce problème. La technologie brevetée de Tektronix offre un décimateur pour le domaine temps et un convertisseur-abaisseur numérique pour le domaine de fréquences, derrière chaque FlexChannel. Les deux chemins d’acquisition vous permettent d’observer simultanément la vue du domaine temps et la vue du domaine de fréquences pour le signal d’entrée, avec des paramètres d’acquisition indépendants pour chaque domaine. Les autres fabricants proposent diverses offres d’« analyse spectrale » qui se targuent d’être simples d’utilisation, mais qui en réalité présentent les limitations décrites précédemment. Seule la vue Spectre offre à la fois une simplicité d’utilisation exceptionnelle et la capacité de proposer simultanément une vue optimale de chacun des domaines.

Visualisation des variations du signal RF (en option)
Les traces de domaine temporel RF facilitent la compréhension de ce qui se produit avec un signal RF variable. Il existe trois représentations RF provenant des données I et Q sous-jacentes de la vue Spectre :
- L'amplitude : l'amplitude instantanée du spectre par rapport au temps.
 - La fréquence : la fréquence instantanée du spectre, relative à la fréquence centrale par rapport au temps.
 - La phase : la phase instantanée du spectre, relative à la fréquence centrale par rapport au temps
 
Il est possible d'activer/désactiver indépendamment chaque représentation et d’afficher les trois simultanément.

Déclenchement sur des variations dans le signal RF (en option)
Que vous ayez besoin de trouver la source d’interférence électromagnétique ou de comprendre le comportement d'un oscillateur commandé par tension (VCO), les déclenchements matériels pour les RF/Temps permettent d'isoler, de capturer et de comprendre facilement le comportement du signal RF. Déclenchement sur le front, les largeurs d’impulsion et comportement du délai d'attente de l’amplitude RF par rapport au temps et fréquence RF par rapport au temps.
Analyse complète des signaux vectoriels avec SignalVu-PC (en option)
Entrez ici une brève description de votre concept (en option)
Lorsque l’analyse doit aller au-delà du spectre de base, de l’amplitude, de la fréquence et de la phase par rapport à la durée, vous pouvez employer l’application de l’analyse des signaux vectoriels SignalVu-PC. Cela permet une analyse en profondeur du signal RF transitoire, une caractérisation détaillée de l’impulsion RF et une analyse complète de la modulation RF analogique et numérique.
Trois options sont nécessaires pour permettre à SignalVu-PC de fonctionner sur votre oscilloscope série 6. Tout d’abord, à moins que vous ne prévoyiez d'exécuter l'application à partir d'un PC Windows séparé, le SSD Windows (6-WIN) doit être installé. Ensuite, l’option de la vue Spectre Traces RF/traces temp. (6-SV-RFVT) doit être installée dans l’oscilloscope pour permettre le transfert de données I/Q. Enfin, la licence de connexion (CONxx-SVPC) doit être installée dans SignalVu-PC pour activer les fonctionnalités de base de SignalVu-PC, parmi lesquelles plus de 16 mesures et affichages RF.
Les convertisseurs-abaisseurs numériques RF et les moteurs de mesure intégrés derrière chaque voie couvre vos besoins complexes en matière d’analyse de signaux mixtes et d’analyse multidomaine en un seul instrument.
Analyse de la gigue
L’oscilloscope MSO Série 6 est fourni avec le logiciel DPOJET Essentials d’analyse de la gigue et du diagramme de l’œil, ce qui enrichit les capacités de mesure de l’instrument pour effectuer des mesures sur des cycles contigus d’horloge ou de données au cours d’une seule acquisition en temps réel. Cela permet de mesurer les principaux paramètres d’analyse de la gigue et de la synchronisation, tels que l’erreur d’intervalle de temps et le bruit de phase, pour faciliter la caractérisation d’éventuels problèmes de synchronisation du système.
Des outils d’analyse, tels que des courbes de tendances chronologiques et des histogrammes, illustrent la variation des paramètres de synchronisation dans le temps ; l’analyse du spectre montre rapidement la fréquence et l’amplitude précises de la gigue et des sources de modulation.
Le système 6-DJA en option offre une fonctionnalité d’analyse de la gigue supplémentaire, afin de mieux caractériser les performances de votre appareil. Les 31 mesures supplémentaires permettent une analyse complète de la gigue et du diagramme de l’œil, ainsi que des algorithmes de décomposition de la gigue, permettant de détecter les problèmes d’intégrité du signal et les sources associées dans les conceptions actuelles de systèmes de communication, numériques et série haute vitesse. Le système 6-DJA en option offre également un diagramme de l’œil test de masque pour une procédure automatisée pour les tests de réussite/échec.

Analyse de puissance (option)
L’oscilloscope MSO Série 6 intègre également le package facultatif d’analyse de puissance 6-PWR dans le système de mesure automatique de l’oscilloscope pour permettre une analyse rapide et répétable de la mesure qualité de la puissance, de la capacité d’entrée, du courant de démarrage, des harmoniques, de la perte de commutation, de la zone de fonctionnement sûr, de la modulation, de l’ondulation, des mesures magnétiques, des mesures efficaces de l’amplitude et de la synchronisation, du diagramme de Bode de la réponse de boucle de commande, taux de réjection de l’alimentation (PSRR).
L’automatisation des mesures optimise la qualité et la répétabilité de ces dernières sur simple pression d’un bouton, sans avoir besoin d’un ordinateur externe ou de configurer un logiciel complexe.

Analyse du moteur de l’onduleur (IMDA) (en option)

Lors de la conception et de la validation des systèmes qui utilisent l’alimentation triphasée, il peut être difficile de corréler les systèmes de contrôle et l'électronique de puissance avec les performances de l’ensemble du système.
Cela vous donnera plus d’informations vous permettant de déboguer la conception, l’efficacité et la fiabilité des éléments suivants :
- Onduleurs, convertisseurs, alimentations électriques triphasés et conceptions automatisées triphasées pour la topologie DC/AC
 - Moteurs (AC sans balais, DC sans balais, induction, aimant permanent, universel, pas à pas, rotor)
 - Disques(AC, DC, fréquence variable, servo)
 
Les mesures automatisées comprises avec les 6 IMDA sont les suivantes :
- Analyse des entrées
- Qualité de l’alimentation avec diagramme du phaseur
 - Harmoniques
 - Tension d’entrée
 - Courant d’entrée
 - Alimentation d’entrée
 
 -  Analyse de l’ondulation 
- Ondulation de ligne
 - Ondulation de commutation
 
 -  Analyse de sortie 
- Diagramme du phaseur
 - Efficacité
 
 -  Configuration de câblage 
- 1 Volt/1 Courant - 1P2W
 - 2 Volt/2 Courant - 1P3W
 - 2 Volt/2 Courant - 3P3W
 - 3 Volt/3 Courant - 3P3W
 - 3 Volt/3 Courant - 3P4W
 
 
Test de conformité
L'un des principaux domaines d’intérêt des concepteurs de systèmes embarqués est l’essai de diverses technologies embarquées et d'interface pour vérifier leur conformité. Cela garantit que le périphérique passe la certification du logo lors des tests de raccordement et qu'il obtienne une interopérabilité réussie lorsqu'il fonctionne avec d'autres appareils conformes.
Les spécificités du test de conformité pour les normes série haute vitesse comme USB, Ethernet, Memory, Display et MIPI sont mises au point par les consortiums respectifs ou les organes directeurs. En étroite collaboration avec ces consortiums, Tektronix a développé des applications de conformité basées sur des oscilloscopes qui se concentrent non seulement sur l’obtention de résultats de réussite/échec mais qui offrent également des informations plus détaillées sur les défaillances en proposant des outils de mesure pertinents tels que l'analyse de la gigue et de temps pour déboguer les conceptions défaillantes.
Ces applications de conformité automatisées sont conçues sur une architecture qui offre :
Une couverture complète des tests selon la spécification.
Des durées de test rapides avec des acquisitions optimisées et des séquencements de test basés sur des paramètres personnalisés.
Des analyses basées sur des signaux acquis précédemment permettant à l’appareil testé d’être déconnecté de la configuration une fois toutes les acquisitions effectuées. Cela permet également d’analyser les formes d’onde acquises sur un oscilloscope différent ou capturées dans un laboratoire distant, ce qui facilite un environnement de test très collaboratif.
La validation des signaux pendant l’acquisition pour garantir la capture des bons signaux.
Des mesures paramétriques supplémentaires pour le débogage de la conception.
Le diagramme de l’œil, test de masque personnalisé pour avoir un aperçu de la marge de conception.
Des rapports détaillés en plusieurs formats avec des informations d’installation, des résultats, des marges, des captures de formes d’onde et des images de tracé.

Conçu pour répondre à vos besoins
Connectivité
L’oscilloscope MSO Série 6 est doté de divers ports que vous pouvez utiliser pour connecter l’instrument à un réseau, directement à un PC ou à un autre appareil de test.
Deux ports USB 2.0 hôte et un port USB 3.0 hôte situés à l’avant et quatre ports USB supplémentaires situés à l’arrière (deux 2.0 et deux 3.0) facilitent le transfert des captures d’écran, des réglages de l’instrument et des données des signaux vers un périphérique de stockage USB. Vous pouvez également brancher une souris et un clavier sur les ports USB hôte, pour la saisie de données et le contrôle de l’instrument.
Le port USB du panneau arrière est utile pour contrôler l’oscilloscope à distance depuis un PC.
Le port Ethernet standard 10/100/1000BASE-T arrière, compatible LXI Core 2011, permet de connecter facilement l’instrument à des réseaux.
les ports DVI-D, Display Port et VGA situés à l’arrière de l’instrument vous permettent de dupliquer l’affichage de l’instrument sur un écran ou un projecteur externe.

Fonctionnement à distance pour améliorer la collaboration
Vous souhaitez collaborer avec une équipe de conception travaillant à l’autre bout du monde ?
La fonction intégrée e*Scope®permet de prendre rapidement le contrôle de l’oscilloscope via une connexion réseau, au moyen d’un navigateur Web standard. Il vous suffit de saisir l’adresse IP ou le nom de l’oscilloscope sur le réseau et une page Web s’ouvre dans le navigateur. Vous contrôlez ensuite l’oscilloscope à distance, de la même manière qu’en direct. Vous pouvez aussi utiliser la fonctionnalité de bureau distant Microsoft Windows Remote Desktop™ pour vous connecter directement à l’oscilloscope et le contrôler à distance.
L’interface de protocole standard TekVISA™ est intégrée, vous permettant d’utiliser et d’améliorer les applications Windows d’analyse des données et de documentation. Les pilotes d’instrumentation IVI-COM sont également inclus pour faciliter la communication avec l’oscilloscope via un réseau local ou des connexions USBTMC, depuis un PC externe.

Analyse basée sur un PC et connexion à distance à votre oscilloscope
Bénéficiez de la capacité d’analyse d’un oscilloscope primé sur votre PC. Analysez les formes d’onde partout, à tout moment. L’application logicielle est gratuite et vous permet de mesurer et mettre à l’échelle les formes d’onde. Les options achetées permettent d’ajouter des fonctionnalités avancées, telles que l’analyse de plusieurs oscilloscopes,le décodage de bus, l’analyse de puissance et de gigue.

Les principales fonctionnalités du logiciel d’analyse TekScope comprennent les
sessions de rappel de l’oscilloscope Tektronix et les fichiers de forme d’onde des équipements fabriqués par Tektronix et d’autres fournisseurs. .wfm, .isf, .csv, .h5, tr0, .trc et bin sont les formats de fichiers de forme d’onde pris en charge
- Connectez-vous à distance aux oscilloscopes MSO Séries 4/5/6 de Tektronix pour acquérir des données en temps réel
 - Partagez des données à distance avec vos collègues pour qu’ils puissent effectuer des analyses et des mesures comme s’ils étaient assis devant l’oscilloscope
 - Synchronisez des signaux à partir de plusieurs oscilloscopes en temps réel
 - Effectuez des analyses avancées même si votre oscilloscope n’est pas suffisamment équipé
 
Générateur de fonctions arbitraires (AFG)
Cet instrument comprend un générateur de fonctions arbitraires intégré en option, parfait pour simuler les signaux de capteurs dans une étude ou ajouter du bruit aux signaux afin d’effectuer des tests aux limites. Ce générateur crée des signaux prédéfinis jusqu'à 50 MHz ayant les formes suivantes : Sinus, Carré, Impulsion, Rampe/triangle, DC, Bruit, Sin(x)/x (Sinc), Gaussien, Lorentz, Montée exponentielle, Montée/descente exponentielle, Demi-sinus verse et Cardiaque. Le générateur AFG peut charger des enregistrements de signal jusqu’à 128 000 points à partir d’un emplacement interne ou d’un périphérique USB de stockage de masse.
La fonction AFG est compatible avec le logiciel sur PC de création et de modification des signaux Tektronix ArbExpress, qui accélère et facilite la création de signaux complexes.
Voltmètre numérique (DVM) et compteur de fréquences de déclenchement
Cet instrument comprend un voltmètre numérique (DVM) intégré à 4 chiffres et un compteur de fréquences de déclenchement à 8 chiffres. Toutes les entrées analogiques peuvent être la source du voltmètre avec les sondes déjà montées, pour une utilisation de l’oscilloscope en mode général. Le compteur de fréquences de déclenchement offre une mesure très précise de la fréquence de l’événement sur lequel le déclenchement est effectué.
Le voltmètre et le compteur de fréquences de déclenchement sont tous deux disponibles gratuitement et activés lorsque vous enregistrez votre instrument.
Option de sécurité améliorée
L’option de sécurité facultative 6-SEC améliorée permet l’activation/désactivation par mot de passe de tous les ports E/S de l’instrument et les mises à jour du microprogramme. En outre, un BIOS protégé par un mot de passe est installé, ce qui permet de protéger les modifications apportées à la plate-forme de calcul. L’option 6-SEC est développé conformément aux exigences du National Industrial Security Program Operating Manual (NISPOM) DoD 5220.22-M, chapitre 8 et de la Defense Security Service Manual for the Certification and Accreditation of Classified Systems du NISPOM. Cela vous garantit la possibilité de déplacer l’instrument hors d’une zone sécurisée.
La désinfection de l'instrument est facile, il suffit de retirer le SSD de l'instrument et de couper l’alimentation. Vous pouvez ensuite retirer l’instrument d’un environnement sécurisé pour l'étalonner ou le déplacer vers un nouvel emplacement.
Une aide lorsque vous en avez besoin
L’oscilloscope MSO Série 6 inclut diverses ressources utiles qui vous aideront à répondre rapidement aux questions que vous vous posez, sans avoir à consulter un manuel ou un site Web :
- Des images et des textes explicatifs sont utilisés dans de nombreux menus pour présenter rapidement les fonctionnalités.
 - Tous les menus contiennent une icône en forme de point d’interrogation, en haut à droite de la fenêtre, qui vous permet d’accéder directement à la section correspondante dans l’aide système intégrée.
 - Un court manuel de démonstration sur l’interface utilisateur est inclus dans le menu d’aide, pour aider les nouveaux utilisateurs à se familiariser en quelques minutes avec l’instrument.
 

Caractéristiques
Toutes les caractéristiques sont garanties et s’appliquent à tous les modèles, sauf indication contraire.
Présentation du modèle
| MSO64B | MSO66B | MSO68B | |
|---|---|---|---|
| Entrées FlexChannel | 4 | 6 | 8 | 
| Nombre maximum de voies analogiques | 4 | 6 | 8 | 
| Nombre maximum de voies numériques (avec sondes logiques en option) | 32 | 48 | 64 | 
| Bande passante (temps de montée calculé) | 1 GHz (400 ps), 2,5 GHz (160 ps), 4 GHz (100 ps), 6 GHz (66,67 ps), 8 GHz (50 ps), 10 GHz (40 ps) | ||
| Précision du gain DC | 50 Ω : ± 2,0 % 1, à >2 mV/div (± 2 % à 2.0 mV/div, ± 4 % à 1 mV/div, standard) 50 Ω : ± 1,0 % 2, à pleine échelle à >2 mV/div (± 1,0 % à pleine échelle à 2 mV/div standard, ± 2 % à 1 mV/div, standard) 1 MΩ : ±2,0 %1 à >2 mV/div (±2 % à 2 mV/div, ±2,5 % à 1 mV/div standard et 500 μV/div standard) 1 MΩ : ±1,0 %2 à pleine échelle à >2 mV/div, (±1,0 % à pleine échelle à 2 mV/div standard, ±1,25 % à 1 mV/div et 500 μV/div, standard)  | ||
| Résolution ADC | 12 bits | ||
| Résolution verticale | 8 bits à 50 Géch./s ; 10 GHz sur 2 voies  				   8 bits à 25 Géch./s ; 10 GHz sur 4 voies 12 bits à 12,5 Géch./s ; 5 GHz sur toutes les voies 13 bits à 6,25 Géch./s (Haute résolution) ; 2 GHz sur toutes les voies 14 bits à 3,125 Géch./s (Haute résolution) ; 1 GHz sur toutes les voies 15 bits à 1,25 Géch./s (Haute résolution) ; 500 MHz sur toutes les voies 16 bits à ≤625 Géch./s (Haute résolution) ; 200 MHz sur toutes les voies  | ||
| Fréquence d’échantillonnage | 50 Géch./s sur 2 voies analogiques/numériques (résolution 20 ps) ; 25 Géch./s sur 4 voies analogiques/numériques (résolution 40 ps) ; 12,5 Géch./s sur > 4 voies analogiques/numériques (résolution 80 ps) | ||
| Longueur d'enregistrement | 62,5 millions de points sur toutes les voies analogiques/numériques, (125 millions de points, 250 millions de points, 500 millions de points et 1 milliard de points sur toutes les voies analogiques/numériques en option) | ||
| Taux de capture de signaux | > 500 000 signaux/s (détection de crête, mode d’acquisition Enveloppe),  				   > 30 000 signaux/s (tous les autres modes d’acquisition)  | ||
| Générateur de fonctions arbitraires (en option) | 13 types de signal prédéfinis avec une sortie jusqu’à 50 MHz | ||
| Voltmètre numérique (DVM) | DVM à 4 chiffres (gratuit avec l’enregistrement du produit) | ||
| Compteur de fréquence de déclenchement | Compteur de fréquences à 8 digits (gratuit avec l’enregistrement du produit) | ||
1Spécification garantie, immédiatement après SPC, ajouter 2 % pour chaque modification de 5 °C de la température ambiante.
2Spécification garantie, immédiatement après SPC, ajouter 1 % pour chaque modification de 5 °C de la température ambiante.
Système vertical - Voies analogiques
- Couplage d’entrée
 - DC, AC
 
- Impédance d’entrée 1 MΩ, couplée DC
 1 MΩ ±1 %
- Capacité d'entrée, 1 MΩ couplée DC, standard
 14,5 pF ± 1,5 pF
- Impédance d’entrée 50 Ω, couplée DC
 50 Ω ± 3 %
- Plage de sensibilité d’entrée
 - 1 MΩ
 - 500 µV/div à 10 V/div, dans une séquence 1-2-5
 - Remarque : 500 μV/div correspond à 2 fois le zoom numérique de 1 mV/div.
 - 50 Ω
 - 1 mV/div à 1 V/div dans une séquence 1-2-5
 - Remarque : 1 mV/div correspond à 2 fois le zoom numérique de 2 mV/div.
 
- Tension d’entrée maximum
 50 Ω : 2,3 Veffà des tensions < 100 mV/div, avec crêtes ≤ ± 20 V (rapport cyclique ≤ 6,25 %)
50 Ω : 5.5 Veffà des tensions ≥ 100 mV/div, avec crêtes ≤ ± 20 V (rapport cyclique ≤ 6,25 %)
1 MΩ : 300 Veff
Pour 1 MΩ, déclassement de 20 dB/décade de 4,5 MHz à 45 MHz ;
Déclassement de 14 dB/décade de 45 MHz à 450 MHz ; > 450 MHz, 5,5 Veff
- Nombre de bits effectifs (ENOB), standard
 - 2 mV/div, mode Haute résolution, 50 Ω, entrée 10 MHz avec plein écran à 90 %
 Bande passante ENOB 5 GHz 5,7 4 GHz 5,9 3 GHz 6,1 2,5 GHz 6,2 2 GHz 6,35 1 GHz 6,8 500 MHz 7,25 350 MHz 7,5 250 MHz 7,65 200 MHz 7,85 20 MHz 9,25 - 50 mV/div, mode Haute résolution, 50 Ω, entrée 10 MHz avec plein écran à 90 %
 Bande passante ENOB 5 GHz 7,4 4 GHz 7,6 3 GHz 7,85 2,5 GHz 7,95 2 GHz 8,1 1 GHz 8,45 500 MHz 8,65 350 MHz 8,8 250 MHz 8,85 200 MHz 8,9 20 MHz 9,85 - 2 mV/div, mode Echantillon, 50 Ω, entrée 10 MHz avec plein écran à 90 %
 Bande passante ENOB 10 GHz 4,95 9 GHz 5,1 8 GHz 5,2 7 GHz 5,35 6 GHz 5,55 - 50 mV/div, mode Echantillon, 50 Ω, entrée 10 MHz avec plein écran à 90 %
 Bande passante ENOB 10 GHz 6,6 9 GHz 6,75 8 GHz 6,85 7 GHz 7 6 GHz 7,15 
- Plage de positions
 - ± 5 divisions
 
- Plages de décalage, maximum
 Le signal d’entrée ne doit pas dépasser la tension d’entrée maximum pour le chemin d’entrée 50 Ω.
Valeur volts/div Plage de décalage maximum, entrée 50 Ω 1 mV/div - 99 mV/div ±1 V 100 mV/div - 1 V/div ±10 V Valeur volts/div Plage de décalage maximum, entrée 1 MΩ 500 µV/div - 63 mV/div ±1 V 64 mV/div - 999 mV/div ±10 V 1 V/div - 10 V/div ±100 V 
- Précision de décalage
 - 50 Ohm DC-couplé
 ≥5mV/div : ± (0,003 X |décalage – position| + 0,087 div)
≥2mV/div : ± (0,003 X |décalage – position| + 0,13 div)
≥1mV/div : ± (0,003 X |décalage – position| + 0,224 div)
- Sélections de bandes passantes
 - Modèle 10 GHz, 50 Ohm
 - 20 MHz, 200 MHz, 250 MHz, 350 MHz, 500 MHz, 1 GHz, 2 GHz, 2,5 GHz, 3 GHz, 4 GHz, 5 GHz, 6 GHz, 7 GHz, 8 GHz, 9 GHz et 10 GHz
 - Modèle 8 GHz, 50 Ohm
 - 20 MHz, 200 MHz, 250 MHz, 350 MHz, 500 MHz, 1 GHz, 2 GHz, 2,5 GHz, 3 GHz, 4 GHz, 5 GHz, 6 GHz, 7 GHz et 8 GHz
 - Modèle 6 GHz, 50 Ohm
 - 20 MHz, 200 MHz, 250 MHz, 350 MHz, 500 MHz, 1 GHz, 2 GHz, 2,5 GHz, 3 GHz, 4 GHz, 5 GHz et 6 GHz
 - Modèle 4 GHz, 50 Ohm
 - 20 MHz, 200 MHz, 250 MHz, 350 MHz, 500 MHz, 1 GHz, 2 GHz, 2,5 GHz, 3 GHz et 4 GHz
 - Modèle 2,5 GHz, 50 Ohm
 - 20 MHz, 200 MHz, 250 MHz, 350 MHz, 500 MHz, 1 GHz, 2 GHz et 2,5 GHz
 - Modèle 1 GHz, 50 Ohm
 - 20 MHz, 200 MHz, 250 MHz, 350 MHz, 500 MHz et 1 GHz
 - 1 M Ohm
 - 20 MHz, 200 MHz, 250 MHz, 350 MHz et complet (500 MHz)
 
- Filtrage de la bande passante optimisé pour
 - Planéité ou réponse transitoire
 
- Bruit aléatoire, efficace, standard
 - 50 Ω, standard
 50 Géch/s, mode Echantillon, efficace V/div 1 mV/div 2 mV/div 5 mV/div 10 mV/div 20 mV/div 50 mV/div 100 mV/div 1 V/div 10 GHz 183 μV 188 μV 228 μV 346 μV 602 μV 1,39 mV 3,58 mV 27,4 mV 9 GHz 167 μV 172 μV 208 μV 315 μV 549 μV 1,27 mV 3,22 mV 25 mV 8 GHz 153 μV 156 μV 192 μV 287 μV 501 μV 1,15 mV 2,94 mV 23,1 mV 7 GHz 139 μV 141 μV 175 μV 262 μV 457 μV 1,07 mV 2,68 mV 21,1 mV 6 GHz 124 μV 127 μV 156 μV 234 μV 412 μV 949 μV 2,39 mV 19 mV 25 Géch/s, mode Haute résolution, efficace V/div 1 mV/div 2 mV/div 5 mV/div 10 mV/div 20 mV/div 50 mV/div 100 mV/div 1 V/div 5 GHz 111 μV 112 μV 134 μV 197 μV 338 μV 772 μV 1,99 mV 15,4 mV 4 GHz 97,4 μV 98,7 μV 117 μV 171 μV 291 μV 672 μV 1,73 mV 13,3 mV 3 GHz 83,8 μV 85 μV 101 μV 144 μV 245 μV 559 μV 1,46 mV 11,2 mV 2,5 GHz 75,6 μV 76,6 μV 90,7 μV 128 μV 219 μV 498 μV 1,3 mV 9,85 mV 2 GHz 68,9 μV 69,9 μV 81,7 μV 116 μV 195 μV 444 μV 1,17 mV 8,78 mV 1 GHz 51,1 μV 51,8 μV 59,9 μV 82,9 μV 138 μV 314 μV 829 μV 6,22 mV 500 MHz 37,5 μV 38 μV 43,4 μV 60 μV 99,9 μV 230 μV 607 μV 4,61 mV 350 MHz 31,9 μV 32,3 μV 36,9 μV 49,9 μV 82,1 μV 185 μV 499 μV 3,62 mV 250 MHz 28,1 μV 28,5 μV 32,5 μV 44 μV 71,5 μV 161 μV 440 μV 3,19 mV 200 MHz 24,2 μV 24,5 μV 28 μV 37,9 μV 62,3 μV 140 μV 383 μV 2,78 mV 20 MHz 8,68 μV 8.8 μV 10,1 μV 13,8 μV 22,9 μV 52,8 μV 136 μV 1,04 mV - 1 MΩ, mode Haute résolution (efficace), standard
 V/div 1 mV/div 2 mV/div 5 mV/div 10 mV/div 20 mV/div 50 mV/div 100 mV/div 1 V/div 500 MHz 186 μV 202 μV 210 μV 236 μV 288 μV 522 μV 1,25 mV 13,4 mV 350 MHz 134 μV 138 μV 145 μV 163 μV 216 μV 391 μV 974 μV 10,6 mV 250 MHz 108 μV 110 μV 114 μV 131 μV 182 μV 374 μV 838 μV 9,63 mV 200 MHz 106 μV 108 μV 109 μV 117 μV 149 μV 274 μV 674 μV 8,01 mV 20 MHz 73 μV 73,2 μV 78,1 μV 99,6 μV 158 μV 361 μV 801 μV 8,29 mV 
- Diaphonie (isolement des voies), standard
 ≥50 dB jusqu’à 2 GHz
≥45 dB jusqu’à 5 GHz
≥40 dB jusqu’à 10 GHz
pour deux voies définies sur 200 mV/div, quelles qu’elles soient.
Système vertical - Voies numériques
- Nombre de voies
 - 8 entrées numériques (D7-D0) par sonde TLP058 installée (échange contre une voie analogique)
 
- Résolution verticale
 - 1 bit
 
- Taux de commutation maximum en entrée
 500 MHz
- Largeur d’impulsion minimum détectable, standard
 1 ns
- Seuils
 - Un seuil par voie numérique
 
- Plage de seuil
 - ±40 V
 
- Résolution de seuil
 - 10 mV
 
- Précision du seuil
 ± [100 mV + 3 % de la définition du seuil après étalonnage]
- Hystérésis d’entrée, standard
 - 100 mV à l’extrémité de la sonde
 
- Plage dynamique d’entrée, standard
 - 30 Vpp pour Fin ≤ 200 MHz, 10 Vpp pour Fin > 200 MHz
 
- Tension d’entrée maximum absolue, standard
 ±42 V crête
- Commutation de tension minimum, standard
 400 mV crête-à-crête
- Impédance d’entrée, standard
 - 100 kΩ
 
- Charge de la sonde, standard
 - 2 pF
 
Système frontal et RF (toutes les mesures sont typiques)
- Sensibilité/Densité de bruit
 - -157 dBm/Hz (1 mV/div, -38 dBm, 1,0001 GHz CF, plage de 500 kHz, 3 kHz RBW)
 
- Niveau de bruit moyen affiché (DANL)
 -163 dBm/Hz 10 MHz à 6 GHz, 1 mV/div
-160 dBm/Hz 6 MHz à 10 GHz, 1 mV/div
- Schéma du bruit
 - 17 dB (1 mV/div, -38 dBm, 1,001 GHz, plage de 500 kHz,RBW de 3 kHz)
 
- RSB/Plage dynamique
 - 112 dB (transporteur d’entrée 1 GHz, plage d’entrée de l’oscilloscope 0 dBm, CF 1 GHz, plage de 100 MHz, RBW de 1 kHz, mesuré à ±20 MHz du centre)
 
- Précision absolue de l'amplitude
 - ±1 dB (0 - 8 GHz) pour max 10 GHz de bande passante
 
- Bruit de phase à 1 GHz
 Décalage de 10 MHz : -140 dBc/Hz
Décalage de 1 MHz : -132 dBc/Hz
Décalage de 100 kHz : -118 dBc/Hz
Décalage de 10 kHz : -118 dBc/Hz
- EVM (256 QAM)
 0,5 % à 20 MSymboles/s
1,1 % à 800 MSymboles/s
1,5 % à 1,2 GSymboles/s
1,6 % à 2 GSymboles/s
- SFDR
 60 dB à la plage de 3 GHz, 5 GHz
70 dB à la plage de 2,35 GHz, 1,5 GHz
- Désadaptation globale (<100 mV/div)
 12 dB <5 GHz
8 dB 5 GHz à 10 GHz
- Distorsion harmonique
 2ème harmonique : -58 dBC avec un signal de 0 dBm, 1 GHz
3ème harmonique : -55 dBC avec un signal de 0 dBm, 1 GHz
- Point d’interception de troisième ordre à deux tonalités (à 99 mV/div)
 25 dBm 10 MHz à 6 GHz
20 dBm 6 GHz à 8 GHz
12 dBm 8 GHz à 10 GHz
Système horizontal
- Plage de la base de temps
 - 40 ps/div à 1 000 s/div
 
- Plage de fréquences d’échantillonnage
 6,25 éch./s à 50 Géch./s (temps réel - la valeur maximum dépend des voies utilisées)
25 Géch./s à 2,5 Téch./s (interpolé - la valeur maximum dépend des voies utilisées)
- Plage de longueurs d’enregistrement
 Applicable aux voies analogiques et numériques. Tous les modes d’acquisition offrent une longueur d’enregistrement standard de 1 milliard de points maximum, avec un minimum de 1 000, réglable par incréments de 1 échantillon.
Standard : 62,5 millions de points
Option 6-RL-1 : 125 millions de points
Option 6-RL-2 : 250 millions de points
Option 6-RL-3 : 500 millions de points
Option 6-RL-4 : 1 milliard de points
- Plage s/div
 Modèle 1 K 10 K 100 K 1 M 10 M 62,5 M 125 M 250 M 500 M 1 G MSO6xB Standard 62,5 M 40 ps - 16 s 400 ps - 160 s 4 ns - 1000 s 2,5 μs - 1 000 s S/O S/O S/O S/O MSO6xB Option 6-RL-1 125 M 40 ps - 16 s 400 ps - 160 s 4 ns - 1000 s 2,5 μs - 1 000 s 5 μs - 1 000 s S/O S/O S/O MSO6xB Option 6-RL-2 250 M 40 ps - 16 s 400 ps - 160 s 4 ps - 1 000 s 2,5 μs - 1 000 s 5 μs - 1 000 s 10 μs - 1 000 s S/O S/O MSO6xB Option 6-RL-3 500 M 40 ps - 16 s 400 ps - 160 s 4 ps - 1 000 s 2,5 us - 1 000 s 5 us - 1 000 s 10 us - 1 000 s 20 us - 1 000 s S/O MSO6xB Option 6-RL-4 : 1 milliard de points 40 ps - 16 s 400 ps - 160 s 4 ps - 1 000 s 2,5 us - 1 000 s 5 us - 1 000 s 10 us - 1 000 s 20 us - 1 000 s 40 us - 1 000 s 
- Imprécision d’ouverture (gigue d’échantillonnage)
 Durée Gigue standard < 1 μs 80 fs 1 ms 130 fs 
- Précision de la base de temps
 ± 1,0 x 10-7au-delà de tout intervalle de temps ≥1 ms
Description Spécification Tolérance d’usine ± 12 ppbÀ l’étalonnage, 25 °C en température ambiante, pour tout intervalle ≥1 ms Stabilité thermique ±20 ppb sur l’ensemble de la plage de fonctionnement de 0 °C à 50 °C, après un temps d’immersion suffisant à températureTesté aux températures de fonctionnement Vieillissement des cristaux ± 300 ppb. La tolérance de fréquence change à 25 °C sur une période d’un an 
- Précision de la mesure de l'écart de temps, nominal
 
(en supposant la forme de front résultant de la réponse du filtre gaussien)
La formule pour calculer la précision de la mesure de temps Delta (DTA) pour la configuration et le signal d'entrée d'un instrument donné est disponible ci-dessous en supposant un signal insignifiant au dessus de la fréquence de Nyquist :
SR1= vitesse de montée (1erfront) à proximité du 1erpoint pour la mesure
SR2= vitesse de montée (2ndfront) à proximité du 2ndpoint pour la mesure
N = RSS d'entrée-bruit référencée (Veff) et estimation de bruit dynamique (Tension efficace)

TBA = précision de la base de temps ou erreur de la fréquence de référence (qui est de 20 ppb)
T j= incertitude d’ouverture (sec eff -- 80 fs pour les courtes durées)
t p= durée de mesure de l'écart de temps (sec)
- Durée maximum à la fréquence d’échantillonnage la plus élevée
 1,25 s (standard) ou2, ms (en option 6-RL-1, 125 millions de points), 5 ms (en option 6-RL-2, 250 millions de points), 10 ms (en option 6-RL-3, 500 millions de points) ou 20 ms (en option 6-RL-4, 1 milliard de points)
- Plage de retard de la base de temps
 - -10 divisions à 5 000 s
 
- Plage de compensation
 -125 ns à +125 ns avec une résolution de 40 ps (pour les modes d’acquisition Détection de crête et Enveloppe).
-125 ns à +125 ns avec une résolution de 1 ps (pour tous les autres modes d’acquisition).
- Retard entre les voies analogiques, pleine bande passante, standard
 ≤ 10 ps pour deux voies, quelles qu’elles soient, avec impédance d’entrée définie sur 50 Ω, couplage DC avec valeur Volts/div équivalente ou supérieure à 10 mV/div
- Retard entre des voies numériques et analogiques FlexChannels, standard
 - < 1 ns lors de l’utilisation d’un TLP058 et d’une sonde passive correspondant à la bande passante de l’oscilloscope, sans limites de bande passante appliquées
 
- Retard entre deux voies numériques FlexChannels, standard
 - 320 ps
 
- Retard entre deux bits de voie numérique FlexChannel, standard
 - 160 ps
 
Système de déclenchement
- Modes de déclenchement
 - Auto, Normal et Simple
 
- Couplage du déclenchement
 DC, réjection HF (atténue les signaux >50 kHz), réjection BF (atténue les signaux <50 kHz) et réjection de bruit (réduit la sensibilité)
- Bande passante de déclenchement (front, impulsion et logique), standard
 Modèle Type de déclenchement Bande passante de déclenchement MSO6xB 10 GHz Front 10 GHz MSO6xB 10 GHz Impulsion, Logique 4 GHz MSO6xB 8 GHz Front 8 GHz MSO6xB 8 GHz Impulsion, Logique 4 GHz MSO6xB 6 GHz Front 6 GHz MSO6xB 6 GHz Impulsion, Logique 4 GHz MSO6xB 4 GHz, 2,5 GHz, 1 GHz Front, Impulsion, Logique Bande passante produit 
- Sensibilité de déclenchement sur front, couplé DC, standard
 Chemin Plage Spécification Chemin 1 MΩ (tous les modèles) 0,5 mV/div à 0,99 mV/div 5 mV de DC à la bande passante de l’instrument ≥ 1 mV/div Valeur la plus élevée de 5 mV ou 0,7 div de DC à la valeur la plus faible entre 500 MHz et la bande passante de l’instrument, et 6 mV ou 0,8 div à la valeur la plus élevée entre 500 MHz et la bande passante de l’instrument Chemin de 50 Ω 1 mV/div à 1,99 mV/div 3,5 div de DC à la bande passante de l’instrument 2 mV/div à 4,99 mV/div 2 div de DC à la bande passante de l’instrument ≥ 5 mV/div < 5 div de DC à la bande passante de l’instrument Ligne Tension de ligne 90 V à 264 V à une fréquence de ligne de 50 - 60 Hz 103,5 V à 126,5 V Entrée déclenchement auxiliaire 250 mVPP, DC à 400 MHz 
- Sensibilité de déclenchement sur front, non couplé DC, standard
 Couplage du déclenchement Sensibilité typique REJET BRUIT 2,5 fois les limites couplées DC REJET HF 1 fois les limites de couplage DC, de DC à 50 kHz. Atténue les signaux au-dessus de 50 kHz. REJET BF 1,5 fois les limites de couplage DC, pour les fréquences supérieures à 50 kHz. Atténue les signaux en dessous de 50 kHz. 
- Gigue de déclenchement, standard
 ≤ 1,5 pseffpour le mode échantillonnage et un déclenchement sur front
≤ 2 pseffpour un déclenchement sur front et le mode FastAcq
≤ 80 psPPpour les modes de déclenchement autres que front
- Gigue de déclenchement, entrée AUX, standard
 ≤ 200 pseffpour un déclenchement sur front et le mode FastAcq
- Distorsion de déclenchement d’entrée auxiliaire entre instruments, standard
 Gigue de ±100 ps sur chaque instrument avec distorsion de 1,5 ns ; ≤1,7 ns total entre instruments. Avec l’élimination des distorsions des voies individuelles, la distorsion totale de l'instrument peut atteindre 200 ps entre les différentes voies de l'instrument.
La distorsion s’améliore avec des d’impulsion sinusoïdales≥1 Vpp
- Plages de niveaux de déclenchement
 Source Plage Toute voie ± 5 divisions du centre de l’écran Entrée déclenchement auxiliaire ± 5 V Ligne Constante à environ 50 % de la tension de la ligne Cette spécification s’applique aux seuils logique et impulsion.
- Compteur de fréquence de déclenchement
 8 chiffres (gratuit avec l’enregistrement du produit)
- Types de déclenchement
 - Front :
 - Pente positive, négative ou indifférente sur n’importe quelle voie. Le couplage inclut DC, AC, réjection du bruit, réjection HF et réjection BF.
 - Largeur d’impulsion :
 Déclenchement possible sur la largeur d’impulsions positives ou négatives. L’événement peut être qualifié en temps ou en logique.
- Délai d’attente :
 - Déclenchement sur un événement qui reste haut, bas ou l’un ou l’autre pendant une durée spécifiée. L’événement peut être qualifié en logique.
 - Runt :
 - Déclenchement sur une impulsion franchissant un seuil, mais ne parvenant pas à franchir un second seuil avant de franchir à nouveau le premier. L’événement peut être qualifié en temps ou en logique.
 - Fenêtre :
 - Déclenchement sur un événement qui entre, sort, reste à l’intérieur ou à l’extérieur d’une fenêtre définie par deux seuils réglables par l’utilisateur. L’événement peut être qualifié en temps ou en logique.
 - Logique :
 - Déclenchement lorsque le mot logique devient vrai, faux ou se produit simultanément avec un front d’horloge. Mot logique (AND, OR, NAND, NOR) spécifié pour toutes les voies d’entrée, définies comme haute, basse ou indifférente. Le mot logique devenant vrai peut être qualifié en temps.
 - Setup et Hold :
 - Déclenchement sur les violations de setup et hold entre une horloge et des données présentes sur une des voies d’entrée analogiques et numériques.
 - Temps de montée / de descente :
 - Déclenchement sur les fréquences de front d’impulsion supérieures ou inférieures à la vitesse spécifiée. La pente peut être positive, négative ou nulle. L’événement peut être qualifié en logique.
 - Vidéo (option 6 -VID) :
 - Déclenchement sur toutes les lignes, paires, impaires ou toutes les trames des signaux vidéo NTSC, PAL et SECAM.
 - Séquence :
 Déclenchement sur l’événement B X temps ou sur N après le déclenchement A avec remise à zéro à l’événement C. En général, les événements de déclenchement A et B peuvent être définis sur n’importe quel type de déclenchement, à quelques exceptions près : la qualification logique n’est pas prise en charge, si l’événement A ou B est défini sur Établissement et maintien, l’autre doit être défini sur Front ; la liaison Ethernet et USB haut débit (480 Mb/s) n’est pas prise en charge.
- Déclenchement visuel
 - Qualifie les déclenchements standard en analysant toutes les acquisitions de signal et en les comparant aux zones affichées à l’écran (formes géométriques). Vous pouvez définir un nombre illimité de zones, en leur attribuant à chacune un qualificatif : Dedans, Dehors ou Sans importance. Vous pouvez définir une expression booléenne intégrant la combinaison de votre choix de zones de déclenchement visuel, afin de qualifier plus en détail les événements enregistrés dans la mémoire d’acquisition. Les formes disponibles incluent : rectangle, triangle, trapèze, hexagone et forme définie par l’utilisateur
 - Bus parallèle :
 - Déclenchement sur une valeur de données de bus parallèle. Le bus parallèle peut afficher une taille comprise entre 1 et 32 bits (à partir des voies numériques et analogiques). Les bases binaires et hexadécimales sont prises en charge
 - Bus I2C (option 6-SREMBD) :
 - Déclenchement sur départ, départ répété, arrêt, accusé de réception manquant, adresse (7 ou 10 bits), données ou adresse et données sur bus I2C jusqu'à 10 Mbits/s
 - Bus SPI (option 6-SREMBD) :
 - Déclenchement sur SS (Slave Select), durée d’inactivité ou données (1 à 16 mots) sur bus SPI jusqu’à 20 Mb/s
 - Bus RS-232/422/485/UART (option 6-SRCOMP) :
 - Déclenchement sur bit de début, fin de paquet, données et erreur de parité jusqu’à 15 Mb/s
 - Bus CAN (option 6-SRAUTO) :
 - Déclenchement sur début de trame, type de trame (données, distant, erreur ou surcharge), identificateur, données, identificateur et données, fin de trame, accusé de réception absent et erreur de bourrage des bits sur bus CAN jusqu’à 1 Mbits/s
 - Bus CAN FD (option 6-SRAUTO) :
 - Déclenchement sur début de trame, type de trame (données, distant, erreur ou surcharge), identificateur (standard ou étendu), données (1-8 octets), identificateur et données, fin du trame, erreur sur bus CAN FD jusqu’à 16 Mb/s (accusé de réception. manquant, erreur de bourrage, erreur de formulaire FD, toute erreur)
 - Bus LIN (option 6-SRAUTO) :
 - Déclenchement sur synchro, identificateur, données, identificateur et données, trame de réveil, trame de veille et erreur sur bus LIN jusqu’à 1 Mb/s
 - Bus FlexRay (Option 6-SRAUTO) :
 - Déclenchement sur début de trame, bits indicateurs (normal, charge, null, sync, démarrage), ID de trame, nombre de cycles, champs d’en-tête (bits indicateurs, identificateur, longueur de la charge, CRC d’en-tête et nombre de cycles), identificateur, données, identificateur et données, fin de trame et erreur sur bus FlexRay jusqu’à 10 Mb/s
 - Bus SENT (option 6-SRAUTOSEN) :
 - Déclenchement sur début de paquet, données et statut de voie Fast, données et ID de message de voie et erreur CRC
 - Bus SPMI (option 6-SRPM) :
 - Déclenchement sur condition de début de séquence, réinitialisation, veille, arrêt, activation, authentification, lecture maître, écriture maître, lecture de registre, écriture de registre, lecture de registre étendue, écriture de registre étendue, lecture de registre étendue longue, écriture de registre étendue longue, lecture maître de bloc descripteur d’appareil, lecture esclave de bloc descripteur d’appareil, écriture 0 de registre, propriété du bus de transfert et erreur de parité
 - Bus USB 2.0 LS/FS/HS (option 6-SRUSB2) :
 - Déclenchement sur synchro, réinitialisation, arrêt momentané, reprise, fin de paquet, paquet de jeton (adresse), paquet de données, paquet d’établissement de liaison, paquet spécial, erreur sur bus USB jusqu’à 480 Mb/s.
 - Bus Ethernet (option 6-SRENET) :
 - Déclenchement sur début de trame, adresses MAC, Q-Tag MAC, longueur/type MAC, données MAC, en-tête IP, en-tête TCP, données TCP/IPV4, fin de paquet et erreur FCS (CRC) sur les bus 10BASE-T et 100BASE-TX.
 - Bus audio (I2S, LJ, RJ, TDM) (option 6-SRAUDIO) :
 - Déclenchement sur sélection de mot, synchronisation de trames ou données. Le débit maximal des données pour I2S/LJ/RJ est égal à 12,5 Mbits/s. Le débit maximal des données pour TDM est égal à 25 Mbits/s.
 - Bus MIL-STD-1553 (option 6-SRAERO) :
 - Déclenchement sur synchro, Commande (bit de transmission/réception, adresse secondaire/mode, compte de mots/compte de mode, adresse RT), État (parité, erreur de messages, instrumentation, demande d’entretien, commande de diffusion reçue, occupé, marqueur d’adresse secondaire, acceptation de contrôle de bus dynamique, marqueur terminal), Données, Temps (RT/IMG) et Erreur (erreur de parité, erreur de synchro, erreur Manchester, données non contigües) sur bus MIL-STD-1553
 - Bus ARINC 429 (option -SRAERO) :
 - Déclenchement sur Début de mot, Libellé, Données, Libellé et données, Fin de mot et Erreur (toute erreur, erreur de parité, erreur de mot, erreur d’intervalle) sur bus ARINC 429 jusqu’à 1 Mbit/s
 
- Amplitude RF/Temps et fréquence RF/Temps (en option 6-SV-RFVT)
 - Déclenchement sur front, largeur d’impulsion et événements de délai d’attente
 
- Plage d’inhibition du déclenchement
 - 0 ns à 10 secondes
 
Système d'acquisition
- Échantillonnage
 - Acquisition de valeurs échantillonnées.
 
- Détection de crête
 - Capture les parasites aussi faibles que 160 ps à toutes les vitesses de balayage
 
- Moyennage
 - De 2 à 10, 240 signaux
 
- Enveloppe
 - Enveloppe mini/maxi reflétant les données de détection de crête pour plusieurs acquisitions
 
- Haute résolution
 Applique un filtre à réponse impulsionnelle finie (FIR) pour chaque fréquence d’échantillonnage qui maintient la bande passante la plus élevée possible pour cette fréquence d’échantillonnage, tout en empêchant le crénelage et en éliminant le bruit au niveau des convertisseurs ADC et des amplificateurs de l’oscilloscope au-delà de la bande passante utilisable pour la fréquence d’échantillonnage sélectionnée.
Le mode Haute résolution offre toujours au moins 12 bits de résolution verticale et peut atteindre 16 bits aux fréquences d’échantillonnage ≤625 Méch./s
- FastAcq®
 La fonction FastAcq optimise l'instrument pour l'analyse de signaux dynamiques et la capture d'événements rares.
Vitesse maximale d'acquisition des signaux :
> 500 000 signaux/s (détection de crête ou mode d’acquisition Enveloppe)
> 30 000 signaux/s (tous les autres modes d’acquisition)
- Mode Défilement
 Fait défiler les échantillons séquentiels sur l’écran dans un mouvement horizontal de droite à gauche à des vitesses de base de temps de 40 ms/div et plus lentes en mode de déclenchement automatique.
- FastFrame™
 Mémoire d’acquisition divisée en segments.
Vitesse de déclenchement maximum > 5 000 000 de signaux par seconde
Taille de trame minimum = 50 points
Pour les longueurs d’enregistrement jusqu’à 250 M et pour une taille de trame ≥ 1 000 points, nombre maximum de trames = longueur d’enregistrement/taille de trame.
Pour des longueurs d’enregistrement de 500 M et lorsque seules des voies capables d’une fréquence maximum d’échantillonnage d’au moins 25 Géch./s sont utilisées, nombre maximum de trames = longueur d’enregistrement/taille de trame.
Pour des longueurs d’enregistrement de 500 M et lorsque n’importe quelle voie capable d’une fréquence maximum d’échantillonnage de 12,5 Géch./s est utilisée, le nombre maximum de trames est ≥ 250 000.
Pour des longueurs d’enregistrement de 1 G et lorsque seules des voies capables d’une fréquence maximum d’échantillonnage d’au moins 25 Géch./s sont utilisées, nombre maximum de trames ≥ longueur d’enregistrement/taille de trame/2.
Pour des longueurs d’enregistrement de 1 G et lorsque seules des voies capables d’une fréquence maximum d’échantillonnage de 12,5 Géch./s sont utilisées, nombre maximum de trames ≥ longueur d’enregistrement/taille de trame/4.
Pour des trames de 50 points, nombre de trames maximum = 1 000 000
Mesures des signaux
- Types de curseur
 - Signal, Barres V, Barres H, Barres V et H et Polaire (tracés XY/XYZ uniquement)
 
- Précision de mesure de tension DC, mode d’acquisition moyennage
 Type de mesure Précision DC (en volts) Moyenne sur ≥ 16 signaux ±(Précision du gain DC) × |mesure - (décalage - position)| + précision du décalage + 0,15 div + 0,6 mV) Écart en volts entre deux moyennes basses sur au moins 16 signaux capturés dans les mêmes conditions ambiantes et de configuration d’oscilloscope ± (Précision du gain DC * | mesure | + 0,15 div + 1,2 mV) 
- Mesures automatiques
 36, que vous pouvez afficher en nombre illimité, soit sous forme de vignettes de mesure individuelles, soit collectivement dans un tableau de résultats de mesure
- Mesures d’amplitude
 Amplitude, Maximum, Minimum, Crête-à-crête, Suroscillation positive, Suroscillation négative, Moyenne, Valeur efficace, Valeur CA efficace, Haut, Base et Surface
- Mesures temporelles
 Période, Fréquence, Intervalle unité, Débit de données, Largeur d’impulsion positive, Largeur d’impulsion négative, Distorsion, Retard, Temps de montée, Temps de descente, Phase, Vitesse de montée, Vitesse de descente, Largeur de salve, Rapport cyclique positif, Rapport cyclique négatif, Niveau temporel extérieur, Temps d’établissement, Temps de maintien, Durée N périodes, Valeur temporelle élevée et Valeur temporelle faible
- Mesures de gigue (standard)
 - TIE et Bruit de phase
 
- Statistiques de mesure
 - Moyenne, Écart type, Maximum, Minimum et Population. Les statistiques sont disponibles sur l’acquisition en cours et sur l’ensemble des acquisitions.
 
- Niveaux de référence
 - Des niveaux de référence personnalisés pour les mesures automatiques peuvent être spécifiés en pourcentage ou en unités. Les niveaux de référence peuvent être définis globalement pour l’ensemble des mesures, par voie ou signal source, ou pour chaque mesure individuelle.
 
- Fenêtrage
 - Ecran, Curseurs, Logique, Recherche ou Temps. Indique la région où les mesures d’acquisition seront effectuées. L’option Fenêtrage peut être définie sur Mondial (affecte l’ensemble des mesures ainsi configurées) ou Local (toutes les mesures peuvent posséder un paramètre Fenêtre de temps individuel ; une seule fenêtre Local est disponible pour les actions Ecran, Curseurs, Logique et Recherche).
 
- Tracés de mesure
 - Histogramme, Évolution chronologique, Spectre, Diagramme de l’œil (mesure TIE uniquement) et Bruit de phase (mesure des bruits de phase uniquement)
 
- Limites de mesure
 - Test réussi/échoué pour les limites configurables par l’utilisateur sur des valeurs de mesure. Action sur événement pour les échecs de valeurs de mesure inclut Enregistrer la capture d’écran, Enregistrer le signal, Demande de service (SRQ) et Arrêter les acquisitions
 
- Analyse de la gigue (option 6-DJA) ajoute les éléments suivants :
 - Mesures
 Synthèse de la gigue, TJ@BER, RJ- δδ, DJ- δδ, PJ, RJ, DJ, DDJ, DCD, SRJ, J2, J9, NPJ, F/2, F/4, F/8, Hauteur de l’œil, Hauteur de l’œil au BER, Largeur de l’œil, Largeur de l’œil au BER, Œil haut, Œil bas, Facteur Q, Bit haut, Bit bas, Amplitude de bit, Mode commun DC, Mode commun AC (crête-à-crête), Convergence différentielle, Rapport T/nT, Déviation de fréquence SSC, Taux de modulation SSC
- Tracés de mesure
 - Diagramme de l’œil et courbe de gigue en baignoire
 - Rendu rapide de l’œil : affiche les intervalles d’unités qui définissent les limites de l’œil ainsi qu’un nombre spécifié par l’utilisateur d’intervalles d’unités environnantes pour ajouter un contexte visuel
 - Rendu de l’œil nu complet : affiche tous les intervalles d’unités
 - Limites de mesure
 - Test réussi/échoué pour les limites configurables par l’utilisateur sur des valeurs de mesure. Action sur événement pour les échecs de valeurs de mesure inclut Enregistrer la capture d’écran, Enregistrer le signal, Demande de service (SRQ) et Arrêter les acquisitions
 - Diagramme de l’œil, Test de masque
 Procédure automatisée de tests Réussite/Echec de masque
- L’analyse de puissance (option 6-PWR) ajoute les éléments suivants :
 - Mesures
 Analyse d’entrée (fréquence, Veff, Ieff, facteurs de crête de tension et de courant, puissance réelle, puissance apparente, puissance réactive, facteur de puissance, angle de phase, harmoniques, courant de démarrage, capacité d’entrée)
Analyse d’amplitude (amplitude de cycle, sommet de cycle, base de cycle, maximum de cycle, minimum de cycle, crête-à-crête de cycle)
Analyse du temps (période, fréquence, rapport cyclique négatif, rapport cyclique positif, largeur d'impulsion négative, largeur d'impulsion positive)
Analyse de commutation (perte de commutation, dv/dt, di/dt et zone de fonctionnement sûr, RDSon)
Analyse de sortie (ondulation de ligne, ondulation de commutation, efficacité, temps d’activation, temps de désactivation)
Analyse magnétique (Inductance, I par rapport à Intg (V), perte magnétique, propriété magnétique)
Analyse de la réponse de fréquence (diagramme de Bode de la réponse de boucle de commande, taux de réjection de l’alimentation, impédance)
- Tracés de mesure
 - Graphique en barres des harmoniques, tracé de trajectoire de perte de commutation et zone de fonctionnement sûr
 - Limites de mesure
 - Test réussi/échoué pour les limites configurables par l’utilisateur sur des valeurs de mesure. Action sur événement pour les échecs de valeurs de mesure inclut Enregistrer la capture d’écran, Enregistrer le signal, Demande de service (SRQ) et Arrêter les acquisitions
 
- L’analyse du moteur de l’onduleur (option 6-IMDA) ajoute les éléments suivants :
 - Mesures
 Analyse d’entrée (Qualité de la puissance, Harmoniques, Tension d’entrée, Courant d’entrée, Puissance d’entrée)
Analyse de l’ondulation (Ondulation de ligne, Ondulation de commutation)
Analyse de sortie (Diagramme de phaseur, Efficacité)
Analyse DQ0 (DQ0) Nécessite l’option 6-IMDA-DQ0
- Tracés de mesure
 Graphique en barre des harmoniques, Diagramme de phaseur
- Gestion de l’alimentation numérique (option 6-DPM) ajoute les éléments suivants :
 - Mesures
 Analyse de l’ondulation (Ondulation)
Analyse transitoire (suroscillation, sous-oscillation, Activer la suroscillation, Tension DC des rails)
Analyse de la séquence d’alimentation (Activation, Désactivation)
Analyse de la gigue (TIE, PJ, RJ, DJ, Hauteur de l’œil, Largeur de l’œil, Œil haut, Œil bas)
- L’option d’analyse et de débogage de la mémoire DDR3/LPDDR3 (6-DBDDR3) ajoute les éléments suivants :
 - Mesures
 Mesures d’amplitude (AOS, AUS, Vix(ac), AOS Per tCK, AUS Per tCK, AOS Per UI, AUS Per UI)
Mesures de temps (tRPRE, tWPRE, tPST, Hold Diff, Setup Diff, tCH(avg), tCK(avg), tCL(avg), tCH(abs), tCL(abs), tJIT(duty), tJIT(per), tJIT(cc), tERR(n), tERR(m-n), tDQSCK, tCMD-CMD, tCKSRE, tCKSRX)
- Option de débogage et analyse LVDS (option 6-DBLVDS) ajoute les éléments suivants :
 - Mesures des lignes de données
 Test générique (Intervalle d’unité, Temps de montée, Temps de descente, Largeur des données, Distorsion entre les données (PN), Distorsion entre les données (ligne à ligne), Données crête à crête)
Test de gigue (Synchronisation AC, Temps d’établissement des données de l’horloge, Temps de maintien des données de l’horloge, diagramme de l’œil (TIE), TJ@BER, DJ Delta, RJ Delta, DDJ, Niveau de désaccentuation)
Fonction mathématique sur les signaux
- Nombre de signaux mathématiques
 - Illimité
 
- Arithmétique
 - Addition, soustraction, multiplication et division des signaux et des valeurs scalaires
 
- Expressions algébriques
 - Définition d’expressions algébriques complexes, y compris sur les signaux, les variables réglables par l’utilisateur et les résultats des mesures paramétrées. Opérations mathématiques utilisant des équations complexes. Ex. (Intégrale (CH1 – Moyenne (CH1)) × 1,414 × VAR1)
 
- Fonctions mathématiques
 - Inversion, Intégration, Différentielle, Racine carrée, Exponentielle, Log 10, Log e, Abs, Plafond, Plancher, Mini, Maxi, Degrés, Radians, Sin, Cos, Tan, ASin, ACos et ATan
 
- Opérations relationnelles
 - Résultat logique des comparaisons >, <, ≥, ≤, = et ≠
 
- Logique
 - AND, OR, NAND, NOR, XOR et EQV
 
- Fonction de filtrage
 - Filtres configurables par l’utilisateur. Les utilisateurs spécifient un fichier qui contient les coefficients du filtre.
 
- Fonctions FFT
 - Amplitude spectrale et phase, spectres réel et imaginaire
 
- Unités verticales FFT
 Amplitude : Linaire et Log (dBm)
Phase : Degrés, Radians et Retard groupé
- Fonctions de fenêtrage FFT
 - Hanning, Rectangulaire, Hamming (fenêtrage), Blackman-Harris, Flattop2, gaussien, Kaiser-Bessel et TekExp
 
Vue Spectre
- Fréquence centrale
 - Limitée par la bande passante analogique de l’instrument
 
- Plage
 - 74,5 Hz - 1,25 GHz
74,5 Hz - 2 GHz (avec option 6-SV-BW-1)
Réglage approximatif dans une séquence 1-2-5
 
- Représentations RF/Temps
 - Amplitude/temps, fréquence/temps, phase/temps (avec option 6-SV-RFVT)
 
- Déclenchement RF/Temps
 - Déclenchement sur le front, les largeurs d’impulsion et les délais d'attente de l’amplitude RF par rapport au temps et fréquence RF par rapport au temps (avec option 6-SV-RFVT).
 
- Bande passante de résolution (RBW)
 93 μHz à 62,5 MHz
93 μHz à 100 MHz (avec option 6-SV-BW-1)
- Types de fenêtre et facteurs
 Type de fenêtre Facteur Blackman-Harris 1,90 Flat-Top 2 3,77 Hamming 1,30 Hanning 1,44 Kaiser-Bessel 2,23 Rectangulaire 0,89 
- Temps du spectre
 - Facteur de fenêtre FFT / RBW
 
- Niveau de référence
 - Le niveau de référence est défini automatiquement par le paramètre Volts/div de la voie analogique 
Plage de configuration : -42 dBm à +44 dBm
 
- Position verticale
 - -100 à +100 divisions
 
- Unités verticales
 - dBm, dBµW, dBmV, dBµV, dBmA, dBµA
 
- Mise à l’échelle verticale
 - Linéaire, Log
 
- Échelle horizontale
 - Linéaire, Log
 
Recherche
- Nombre de recherches
 - Illimité
 
- Types de recherche
 Recherche dans les enregistrements longs afin de trouver toutes les occurrences des critères spécifiées par l’utilisateur, notamment : fronts, largeurs d’impulsion, délais d’attente, petites impulsions, violations de fenêtre, séquences logiques, violations d’établissement et de maintien, temps de montée/descente et événements de protocole de bus. Vous pouvez consulter les résultats de la recherche dans la fenêtre d’affichage du signal ou dans le tableau des résultats.
Enregistrer
- Type de signal
 - Données de signal Tektronix (.wfm), valeurs séparées par des virgules (.csv), MATLAB (.mat)
 
- Fenêtrage de signal
 - Curseurs, Ecran, Re-échantillonnage (enregistrer chaque échantillon nth)
 
- Type de capture d’écran
 - Portable Network Graphic (*.png), Bitmap 24 bits (*.bmp), JPEG (*.jpg)
 
- Type de configuration
 - Tektronix Setup (.set)
 
- Type de rapport
 - Documents portables Adobe (.pdf), Pages web à fichier unique (.mht)
 
- Type de session
 - Tektronix Session Setup (.tss)
 
Affichage
- Type d’écran
 - 15,6 po Écran couleur TFT à cristaux liquides (395 mm)
 
- Résolution
 - Horizontal 1 920 pixels x Vertical 1 080 pixels (haute définition)
 
- Modes d’affichage
 Chevauchement : affichage d’oscilloscope traditionnel où les tracés se chevauchent.
Empilé : mode d’affichage où chaque signal est placé dans sa propre tranche, permettant de visualiser l’ensemble de la plage ADC tout en séparant clairement les différents signaux. Vous pouvez également superposer des groupes de voie dans une tranche, afin de simplifier la comparaison visuelle des signaux.
- Zoom
 - Prise en charge du zoom horizontal et vertical dans toutes les vues de signal et de tracé.
 
- Interpolation
 - Sinus(x)/x et linéaire
 
- Styles de signaux
 - Vecteurs, points, persistance variable et persistance infinie.
 
- Réticules
 - Réticules fixes et mobiles, sélectionnables dans les modes Grille, Temps, Complet et Aucun
 
- Palettes de couleurs
 - Normale et inversée pour les captures d’écran 
L’utilisateur peut sélectionner des couleurs de signal individuelles
 
- Polices
 - Taille de police de 12 à 20 (par défaut 15) sélectionnable par l’utilisateur
 
- Format
 - YT, XY et XYZ
 
- Interface utilisateur en langue locale
 - Anglais, Japonais, Chinois simplifié, Chinois traditionnel, Français, Allemand, Italien, Espagnol, Portugais, Russe, Coréen.
 
- Aide en langue locale
 - Anglais, Japonais, Chinois simplifié
 
Générateur de fonctions arbitraires (en option)
- Types de fonction
 - Arbitraire, sinusoïdale, carré, impulsion, rampe, triangle, niveau CC, gaussienne, lorentz, montée/descente exponentielle, sinus(x)/x, bruit aléatoire, demi-sinus verse, cardiaque
 
- Plage d'amplitude
 - Les valeurs indiquées correspondent à des tensions crête-à-crête. 
Signal 50 Ω 1 MΩ Arbitraire 10 mV à 2.5 V 20 mV à 5 V Sinus 10 mV à 2,5 V 20 mV à 5 V Carré 10 mV à 2,5 V 20 mV à 5 V Impulsion 10 mV à 2,5 V 20 mV à 5 V Rampe 10 mV à 2,5 V 20 mV à 5 V Triangle 10 mV à 2,5 V 20 mV à 5 V Gaussien 10 mV à 1,25 V 20 mV à 2,5 V Lorentz 10 mV à 1,2 V 20 mV à 2,4 V Montée exponentielle 10 mV à 1,25 V 20 mV à 2,5 V Descente exponentielle 10 mV à 1,25 V 20 mV à 2,5 V Sinus(x)/x 10 mV à 1,5 V 20 mV à 3,0 V Bruit aléatoire 10 mV à 2,5 V 20 mV à 5 V Demi-sinus verse 10 mV à 1,25 V 20 mV à 2,5 V Cardiaque 10 mV à 2,5 V 20 mV à 5 V  
- Signal sinusoïdal
 - Plage de fréquences
 - 0,1 Hz à 50 MHz
 - Résolution de la définition de fréquence
 - 0,1 Hz
 - Précision de la fréquence
 - 130 ppm (fréquence ≤ 10 kHz), 50 ppm (fréquence > 10 kHz) 
Ceci concerne les signaux Sinus, Rampe, Carré et Impulsion uniquement.
 - Plage d’amplitude
 - 20 mVcrête-crête à 5 Vcrête-crête sur haute impédance 10 mVcrête-crête à 2,5 Vcrête-crête sur 50 Ω
 - Planéité d’amplitude, standard
 ±0,5 dB (par rapport à un niveau de 1 kHz) à 30 MHz
±1,0 dB (par rapport à un niveau de 1 kHz) à 50 MHz
- Distorsion harmonique totale, standard
 1 % pour une amplitude ≥ 200 mV crête-crête dans la charge 50 Ω
2,5 % pour une amplitude > 50 mV ET < 200 mV crête-crête sur charge 50 Ω
- Plage dynamique libre pour les parasites, standard
 40 dB (Vcrête-crête≥ 0,1 V); 30 dB (Vcrête-crête≥ 0,02 V), charge 50 Ω
- Signal carré ou d’impulsion
 - Plage de fréquences
 - 0,1 Hz à 25 MHz
 - Résolution de la définition de fréquence
 - 0,1 Hz
 - Précision de la fréquence
 - 130 ppm (fréquence ≤ 10 kHz), 50 ppm (fréquence > 10 kHz)
 - Plage d’amplitude
 - 20 mVpp à 5 Vpp dans Hi-Z ; 10 mVpp à 2,5 Vpp dans 50 Ω
 - Plage de rapport cyclique
 - Valeur la plus élevée entre 10 % à 90 % et 10 ns d’impulsion minimum 
La durée d’impulsion minimum s’applique aussi bien au temps de début et au temps d’arrêt, le rapport cyclique maximum sera donc réduit aux fréquences élevées, pour conserver un temps d’arrêt de 10 ns.
 - Résolution du rapport cyclique
 - 0,1 %
 - Largeur d’impulsion minimum, standard
 - 10 ns. Il s’agit de la durée minimum des temps de fonctionnement ou d’arrêt.
 - Temps de montée/descente, standard
 - 5 ns, 10 % - 90 %
 - Résolution de la largeur d’impulsion
 - 100 ps
 - Suroscillation, standard
 - < 6 % pour les mesures de signal supérieures à 100 mVpp
Cela s’applique à la suroscillation de la transition sur front ascendant (Suroscillation +) et sur front descendant (Suroscillation -)
 - Asymétrie, standard
 - ± 1 % ± 5 ns, pour un rapport cyclique de 50 %
 - Gigue, standard
 - < 60 ps TIEeff, ≥ 100 mVpp d’amplitude, 40 %-60 % de rapport cyclique 
Signaux carrés et d’impulsion, mesures 5 GHz BW.
 
- Signal de rampe ou triangulaire
 - Plage de fréquences
 - 0,1 Hz à 500 kHz
 - Résolution de la définition de fréquence
 - 0,1 Hz
 - Précision de la fréquence
 - 130 ppm (fréquence ≤ 10 kHz), 50 ppm (fréquence > 10 kHz)
 - Plage d’amplitude
 - 20 mVpp à 5 Vpp dans Hi-Z ; 10 mVpp à 2,5 Vpp dans 50 Ω
 - Symétrie variable
 - 0 % - 100 %
 - Résolution de la symétrie
 - 0,1 %
 
- Plage de niveaux CC
 ± 2,5 V dans Hi-Z
± 1,25 V dans 50 Ω
- Plage d’amplitudes de bruit aléatoire
 20 mVppà 5 Vppdans Hi-Z
10 mVppà 2,5 Vppdans 50 Ω
- Sinus(x)/x
 - Fréquence maximum
 - 2 MHz
 
- Impulsion gaussienne, Demi-sinus verse et impulsion Lorentz
 - Fréquence maximum
 - 5 MHz
 
- Impulsion Lorentz
 - Plage de fréquences
 - 0,1 Hz à 5 MHz
 - Plage d’amplitude
 - 20 mVpp à 2,4 Vpp dans Hi-Z ; 
10 mVppà 1,2 Vppdans 50 Ω
 
- Cardiaque
 - Plage de fréquences
 - 0,1 Hz à 500 kHz
 - Plage d’amplitude
 - 20 mVpp à 5 Vpp dans Hi-Z 
10 mVppà 2,5 Vppdans 50 Ω
 
- Arbitraire
 - Profondeur mémoire
 - 1 à 128 k
 - Plage d’amplitude
 - 20 mVpp à 5 Vpp dans Hi-Z 
10 mVppà 2,5 Vppdans 50 Ω
 - Vitesse de répétition
 - 0,1 Hz à 25 MHz
 - Fréquence d’échantillonnage
 - 250 M éch./s
 
- Précision de l’amplitude du signal
 - ±[ (1,5 % du réglage de l’amplitude crête/crête) + (1,5 % du réglage du décalage CC absolu) + 1 mV ] (fréquence = 1 kHz)
 
- Résolution de l’amplitude du signal
 1 mV (Hi-Z)
500 μV (50 Ω)
- Plage de décalage CC
 ± 2,5 V dans Hi-Z
± 1,25 V dans 50 Ω
- Résolution du décalage CC
 1 mV (Hi-Z)
500 μV (50 Ω)
- Précision du décalage CC
 +/-[ (1,5 % du paramètre de tension de décalage absolu) + 1 mV ]
Ajouter 3 mV d’incertitude par variation de 10 °C à partir de la température ambiante de 25 °C
Voltmètre numérique (DVM)
- Types de mesures
 DC, ACrms+DC, ACrmset mesure de la fréquence de déclenchement
- Résolution de tension
 - 4 chiffres
 
- Précision de la tension
 - DC :
 ± (1,5 % |mesure - décalage - position|) + (0,5 % |(décalage - position)|) + (0,1 * Volts/div))
Déclassement à 0,100 %/°C de |mesure - décalage - position| au dessus de 30 °C
Signal ± 5 divisions par rapport au centre de l’écran
- AC :
 ± 3 % (40 Hz à 1 kHz) sans contenu d’harmonique hors de la plage 40 Hz à 1 kHz
AC, standard : ± 2 % (20 Hz à 10 kHz)
Pour les mesures AC, les réglages verticaux de la voie d’entrée doivent permettre au signal d’entrée Vcrête-crêtede couvrir de 4 à 10 divisions, et être parfaitement visibles à l’écran.
Compteur de fréquence de déclenchement
- Résolution
 8 chiffres
- Précision
 ± (1 compte + précision de la base de temps * fréquence d’entrée)
Le signal doit être d’au moins 8 mVcrête-crêteou 2 div, à la plus haute valeur des deux.
- Fréquence d'entrée
 10 Hz à la bande passante maximum de la voie analogique
Le signal doit être d’au moins 8 mVppou 2 div, à la plus haute valeur des deux.
Processeur
- Processeur hôte
 - Intel Core i5-8400H à 2,5 GHz, 64 bits, processeur Quad Core
 
- SSD standard avec SE embarqué
 Disque dur SSD amovible de rechange ≥ 250 Go
- Système d'exploitation
 Instrument avec option 6-WIN installée : Microsoft Windows 10
- Disque Solid State Drive (SSD) avec un système d’exploitation Microsoft Windows 10 (option 6-WIN)
 Disque SSD ≥ 500 Go. Format : disque SSD 2,5 pouces avec interface SATA-3. Ce disque est à installer par le client et inclut le système d’exploitation Microsoft Windows 10 Enterprise IoT 2016 LTSB (64 bits).
Ports d’entrée/sortie
- Connecteur DisplayPort
 Connecteur DisplayPort 20 broches, qui permet d’afficher l’écran de l’oscilloscope sur un écran ou un projecteur externe.
- Connecteur DVI
 Connecteur DVI-I 29 broches, qui permet d’afficher l’écran de l’oscilloscope sur un écran ou un projecteur externe.
- VGA
 Connecteur femelle DB-15, qui permet d’afficher l’écran de l’oscilloscope sur un écran ou un projecteur externe.
- Signal compensateur de sonde, standard
 - Connexion :
 - Connecteurs situés en bas à droite de l’instrument.
 - Amplitude :
 - 0 à 2,5 V
 - Fréquence :
 - 1 kHz
 - Impédance de source :
 - 1 kΩ
 
- Entrée de référence externe
 - Le système de base de temps peut effecteur un verrouillage de phase sur la référence externe 10 MHz . 
Il y a deux plages pour l’horloge de référence.
L’instrument peut accepter une horloge de référence haute précision de 10 MHz ± 2 ppm ou une horloge de référence de moindre précision de 10 MHz ± 1 kppm.
 
- Interface USB (Hôte, ports périphériques)
 Ports USB hôte sur face avant : deux ports USB 2.0 haut débit, un port USB 3.0 très haut débit
Ports USB hôte sur panneau arrière : deux ports USB 2.0 haut débit, deux ports USB 3.0 très haut débit
Ports périphériques USB sur panneau arrière : un port USB 3.0 très haut débit offrant la prise en charge USBTMC.
- Interface Ethernet
 - 10/100/1000 Mb/s
 
- Sortie auxiliaire
 Connecteur BNC sur la face arrière La sortie peut être configurée pour fournir une impulsion négative ou positive lorsque l’oscilloscope se déclenche, la sortie interne d’horloge de référence de l’oscilloscope, ou encore une impulsion de synchronisation AFG.
Caractéristique Limites Tension de sortie (HI) ≥ 2,5 V en circuit ouvert ; ≥ 1,0 V pour une charge de 50 Ω à la terre Tension de sortie (LO) ≤ 0,7 V pour une charge de ≤ 4 mA ; ≤ 0,25 V pour une charge de 50 Ω à la terre 
- Verrou Kensington
 - La fente de sécurité de la face arrière peut accueillir un verrou Kensington standard.
 
- LXI
 Classe : LXI Core 2011
Version : 1.5
Source d’alimentation
- Alimentation
 - Consommation électrique
 500 Watts maximum
- Tension de source
 - 100 - 240 V ±10 % à 50 Hz-60 Hz 
115 V ±10% à 400 Hz
 
Caractéristiques physiques
- Dimensions
 Hauteur : 309 mm (12,2 po) pieds repliés, poignée repliée à l’arrière
Hauteur :371 mm (14,6 po) pieds repliés, poignée en haut
Largeur : 454 mm (17,9 po), de poignée à poignée (centre)
Profondeur : 205 mm (8,0 po), de l’arrière des pieds à l’avant des boutons, poignée en haut
Profondeur : 297,2 mm (11,7 po) pieds repliés, poignée repliée à l’arrière
- Poids
 < 12,88 kg
- Refroidissement
 - L’espacement requis pour un refroidissement adéquat est d’au moins 50,8 mm à droite de l’instrument (en le regardant de face) et à l’arrière de l’instrument.
 
- Configuration pour montage en baie
 - 7U (Kit pour montage en baie avec RM5 en option)
 
Spécifications environnementales
- Température
 - En fonctionnement
 - -0 °C à +50 °C (-32 °F à +122 °F)
 - Hors fonctionnement
 -20 °C à +60 °C
- Humidité
 - En fonctionnement
 5 % à 90 % d'humidité relative (% HR) jusqu'à 40 °C
5 % à 55 % d’humidité relative au dessus de +40 °C jusqu’à +50 °C, non-condensée
- Hors fonctionnement
 5 à 90 % d'humidité relative (% HR) jusqu'à +60 °C, sans condensation
- Altitude
 - En fonctionnement
 - Jusqu'à 3 000 mètres (9 843 pieds)
 - Hors fonctionnement
 - Jusqu’à 12 000 mètres (39 370 pieds)
 
CEM (compatibilité électromagnétique), environnement et sécurité
- Réglementation
 Marquage CE pour l’Union Européenne et agrément UL pour les États-Unis et le Canada
Conforme RoHS
Logiciel
- Logiciel
 - Pilote IVI
 Fournit une interface de programmation d'instruments standard pour des applications courantes comme LabVIEW, LabWindows/CVI, Microsoft .NET et MATLAB. Compatible avec Python, C/C++/C# et de nombreux autres langages, via VISA.
- e*Scope®
 Permet de contrôler l’oscilloscope sur une connexion réseau au moyen d’un navigateur web standard. Il vous suffit de saisir l’adresse IP ou le nom de l’oscilloscope sur le réseau et une page Web s’ouvre dans le navigateur. Transférez et enregistrez les réglages, les signaux, les mesures et les copies d’écran ou modifiez les commandes en direct directement à partir du navigateur web.
- Interface Web LXI
 Connectez-vous à l’oscilloscope au moyen d’un navigateur Web standard, en saisissant simplement l’adresse IP de l’oscilloscope ou le nom du réseau dans la barre d’adresses du navigateur. L’interface Web permet d’afficher l’état et la configuration de l’instrument, l’état et les modifications des paramètres réseau, et de contrôler l’instrument via la télécommande sur le web e*Scope.
- Exemples de programmation
 La programmation sur les plates-formes Série 4/5/6 n’a jamais été aussi facile ! Le manuel du programmateur et le site GitHub vous offrent de nombreux exemples et commandes qui vous aideront à faire vos premiers pas dans l’automatisation à distance de votre instrument. Reportez-vous à la section https://github.com/tektronix/Programmatic-Control-Examples.
Informations de commande
Observez les étapes suivantes pour sélectionner l’instrument et les options qui conviennent le mieux, en fonction de vos besoins de mesure.
Étape 1
- Commencez par sélectionner le modèle.
 Modèle Nombre de voies FlexChannels MSO64B 4 MSO66B 6 MSO68B 8 
Chaque modèle comprend les éléments suivants : Une sonde TPP1000 1 GHz par FlexChannel Un manuel d’instructions d’installation et de sécurité (en anglais, japonais, chinois simplifié, ) Aide intégrée Un capot de protection avant avec sacoche à accessoires intégrée Une souris Un cordon d’alimentation Un certificat d’étalonnage indiquant la traçabilité conformément aux Instituts nationaux de métrologie et à la qualification au système de qualité ISO9001/ISO17025 Une garantie d’un an couvrant les pièces et la main-d'œuvre de l'instrument. 
Une garantie d’un an couvrant toutes les pièces et la main-d’œuvre des sondes incluses
Étape 2
- Configuration de l’oscilloscope en sélectionnant la bande passante de voie analogique souhaitée
 - Sélectionnez la bande passante souhaitée parmi les options suivantes. Vous pourrez effectuer la mise à niveau ultérieurement, en achetant une option de mise à niveau. 
Option de bande passante Bande passante 6-BW-1000 1 GHz 6-BW-2500 2,5 GHz 6-BW-4000 4 GHz 6-BW-6000 6 GHz 6-BW-8000 8 GHz 6-BW-10000 10 GHz Remarque : pour les instruments disposant d’une bande passante de 4, 6, 8 ou 10 GHz, envisagez l’utilisation d’un adaptateur BNC-SMA pour optimiser la connexion à bande passante élevée avec l’oscilloscope. Référence Tektronix 103-0503-XX.
 
Étape 3
- Ajout d’une fonctionnalité d’instrument
 - Vous pouvez acheter une fonctionnalité en même temps que l’instrument ou ultérieurement à l’aide d’un kit de mise à niveau. 
Option d’instrument Fonctionnalité intégrée 6-RL-1 Longueur d’enregistrement rallongée de 62,5 millions de points/voie à 125 millions de points/voie 6-RL-2 Longueur d’enregistrement rallongée de 62,5 millions de points/voie à 250 millions de points/voie 6-RL-3 Longueur d’enregistrement rallongée de 62,5 millions de points/voie à 500 millions de points/voie 6-RL-4 Longueur d’enregistrement rallongée de 62,5 millions de points/voie à 1 milliard de points/voie 6-AFG Ajout d’un générateur de fonctions arbitraires 6-SEC 1 Ajoutez une sécurité améliorée pour la déclassification d’instrument et l’activation/désactivation par mot de passe de tous les ports USB USB et des mises à niveau du firmware. 6-WIN Ajout d’un SSD amovible équipé d’une licence de système d’exploitation Microsoft Windows 10 operating  
1Cette option doit être achetée en même temps que l’instrument. Non disponible en tant que mise à niveau.
Étape 4
- Ajout de fonctionnalités de recherche, de décodage et de déclenchement de bus série en option
 - Choisissez la prise en charge série dont vous avez besoin aujourd’hui, parmi les options d’analyse série suivantes. Vous pouvez mettre cet élément à niveau ultérieurement, en achetant un kit de mise à niveau. 
Option d’instrument Bus série pris en charge 6-SRAERO Aérospatiale (MIL-STD-1553, ARINC 429) 6-SRAUDIO Audio (I2S, LJ, RJ, TDM) 6-SRAUTO Automobile (CAN, CAN FD, LIN, FlexRay et décodage des symboles CAN) 6-SRAUTOEN1 Analyse série Automotive Ethernet 100BASE-T1 6-SRAUTOSEN Capteur automobile (SENT) 6-SRCOMP Informatique (RS-232/422/485/UART) 6-SRDPHY MIPI D-PHY (DSI-1, CSI-2 décodage et recherche uniquement) 6-SREMBD Embarqué (I2C, SPI) 6-SRENET Ethernet (10BASE-T, 100BASE-TX) 6-SR8B10B 8B/10B(décodage et recherche uniquement) 6-SRI3C MIPI I3C (I3C décodage et recherche uniquement) 6-SRMANCH Manchester (décodage et recherche uniquement) 6-SRMDIO MDIO (décodage et recherche uniquement) 6-SRNRZ NRZ (décodage et recherche uniquement) 6-SRPM Gestion de l’alimentation (SPMI) 6-SRPSI5 PSI5 (décodage et recherche uniquement) 6-SRSPACEWIRE Spacewire (décodage et recherche uniquement) 6-SRSVID SVID (décodage et recherche uniquement) 6-SRUSB2 USB (USB2.0 LS, FS, HS) 6-SREUSB2 eUSB2.0 (décodage et recherche uniquement)  
- Ajouter des capacités de décodage et d’analyse de bus série provenant de tierces parties
 - Des applications tierces sont disponibles et fournissent des capacités de décodage et d’analyse de bus série à utiliser sur l’oscilloscope MSO Séries 6 B . Les références Tektronix énumérées ci-dessous peuvent être commandées directement auprès de Tektronix ou par l’intermédiaire d’un distributeur agréé. L’application logicielle commandée sera expédiée directement par la tierce partie. L’utilisation d’applications logicielles tierces nécessite un disque SSD fonctionnant sous Windows 10 (option 6-WIN) 
Référence Tektronix Bus série pris en charge PGY-EMMC Mémoire pour contrôleur multimédia embarqué (eMMC) PGY-QSPI Interface de périphérique série Quad (QSPI) - 2 lignes d’E/S améliorées pour SPI PGY-SDIO Entrée Sortie numérique sécurisée (SDIO)  
Étape 5
- Ajouter un test de conformité des bus série (en option)
 - Choisissez les packages de test de conformité en série dont vous avez besoin aujourd’hui, parmi les options suivantes. Vous pourrez effectuer la mise à niveau ultérieurement en achetant un kit de mise à niveau. Toutes les options du tableau ci-dessous nécessitent l’option 6-WIN (SSD avec système d’exploitation Microsoft Windows 10). 
Option de l’instrument Serial Bus pris en charge 6-CMAUTOEN Solution automatique de test de conformité pour Ethernet automobile (100Base-T1, 1000Base-T1). 
≥2 GHz de bande passante requise pour 1000BASE-T16-CMAUTOEN10 Solution automatique de test de conformité pour Ethernet automobile (10BASE-T1S Portée courte). 6-AUTOEN-BND Conformité pour Ethernet automobile, Séparation des signaux, Analyse PAM3, Logiciel de décodage 100Base-T1 (nécessite les options 6-DJA et 6-WIN) 6-AUTOEN-SS Séparation des signaux Ethernet automobile 6-CMINDUEN10 Solution automatique de test de conformité pour Ethernet industriel (10Base-T1L Portée longue) 6-CMDPHY Solution automatique de test de conformité pour MIPI D-DPHY 1.2. 6-CMENET Solution automatique de test de conformité pour Ethernet (10BASE-T/100BASE-T/1000BASE-T). 
Bande passante ≥1 GHz requise pour 1000BASE-T6-CMNBASET Solution automatique de test de conformité pour Ethernet 2,5 et 5 GBASE-T. 
2,5 GHz est recommandé6-CMXGBT Solution automatique de test de conformité pour Ethernet 10 GBASE-T. 
≥4 GHz est recommandé6-CMUSB2 Solution automatique de test de conformité USB2.0. 
Nécessite le montage de test TDSUSBF USB
Bande passante d’au moins 2 GHz indispensable pour USB haut débit 
Étape 6
- Ajout d’une analyse de mémoire en option
 Option d’instrument Analyse avancée 6-DBDDR3 Analyse et débogage DDR3 et LPDDR3 6-CMDDR3 Solution de test de conformité automatisée DDR3 et LPDDR3 utilisant la plate-forme d’automatisation TekExpress. 
Nécessite les options 6-DBDDR3, 6-DJA et 6-WIN (SSD avec système d’exploitation Microsoft Windows 10)
≥ 4 GHz requis, 8 GHz recommandé pour tester à toutes les vitesses DDR3.
Étape 7
- Ajout de fonctionnalités d’analyse en option
 Option d’instrument Analyse avancée 6-DBLVDS Solution de test LVDS automatisé TekExpress (nécessite les options 6-DJA et 6-WIN) 6-DJA Analyses avancées de la gigue et de l’œil 6-DPM Gestion de l'alimentation numérique 6-IMDA 1 Analyse du moteur de l’onduleur 6-IMDA-DQ0 1 Fonction DQ0 pour l’analyse du moteur de l’onduleur 6-MTM Masque et test des valeurs limites 6-PAM3 Analyse PAM3 (nécessite les options 6-DJA et 6-WIN) 6-PS2 2 Solution complète d'analyse de la puissance (montage de compensation 6-PWR, THDP0200, TCP0030A, 067-1686-XX) 6-PWR 3 Mesure et analyse de la puissance 6-SV-BW-1 Vue Spectre, augmentation de la bande passante de capture à 2 GHz 6-SV-RFVT Vue Spectre, analyse RF/Temps et transfert à distance des données I&Q 6-VID Déclenchement vidéo NTSC, PAL et SECAM 
1Cette option n’est pas compatible avec MSO64B.
2Cette option n’est pas compatible avec l’option 6-PWR.
3Cette option n’est pas compatible avec l’option 6-PS2.
Étape 8
- Ajout de sondes numériques
 - Chaque entrée FlexChannel peut être configurée en 8 voies numériques simplement en connectant une sonde logique TLP058. 
Pour cet instrument Commande Pour ajouter MSO64B 1 à 4 sondes TLP058 8 à 32 voies numériques MSO66B 1 à 6 sondes TLP058 8 à 48 voies numériques MSO68B 1 à 8 sondes TLP058 8 à 64 voies numériques  
Étape 9
- Ajout de sondes et d’adaptateurs
 - Ajout d’adaptateurs et de sondes supplémentaires recommandés 
Sonde/adaptateur recommandés Description TAP1500 Sonde de tension simple active référencée à la masse 1,5 GHz TekVPI®, tension d’entrée ±8 V TAP2500 Sonde de tension simple active référencée à la masse 2,5 GHz TekVPI®, tension d’entrée ±4 V TAP3500 Sonde de tension simple active référencée à la masse 3,5 GHz TekVPI®, tension d’entrée ±4 V TAP4000 Sonde de tension simple active référencée à la masse 4 GHz TekVPI®, tension d’entrée ±4 V TCP0020 Sonde de courant TekVPI® 20 A AC/DC, 50 MHz de bande passante TCP0030A Sonde de courant TekVPI® 30 A AC/DC, 120 MHz de bande passante TCP0150 Sonde de courant TekVPI® 150 A AC/DC, 20 MHz de bande passante TCPA300 Sonde de courant 100 MHz, amplificateur (nécessite une sonde) ; utilisation recommandée de l’adaptateur TPA-BNC pour assurer la mise à l’échelle automatique. TCP312A Sonde de courant AC/DC , DC-100 MHz ; 30 Amp DC TRCP0300 Sonde de courant AC 30 MHz, 250 mA à 300 A TRCP0600 Sonde de courant AC 30 MHz, 500 mA à 600 A TRCP3000 Sonde de courant AC 16 MHz, 500 mA à 3 000 A TDP0500 Sonde de tension différentielle TekVPI® 500 MHz, tension d’entrée différentielle ±42 V TDP1000 Sonde de tension différentielle TekVPI® 1 GHz, tension d’entrée différentielle ±42 V TDP1500 Sonde de tension différentielle TekVPI® 1,5 GHz, tension d’entrée différentielle ±8,5 V TDP3500 Sonde de tension différentielle TekVPI® 3,5 GHz, tension d’entrée différentielle ±2 V TDP4000 Sonde de tension différentielle TekVPI® 4 GHz, tension d’entrée différentielle ±2 V TDP7704 Sonde de tension TriMode™ 4 GHz TDP7706 Sonde de tension TriMode™ 6 GHz TDP7708 Sonde de tension TriMode™ 8 GHz THDP0100 Sonde différentielle haute tension TekVPI® ±6 kV, 100 MHz THDP0200 Sonde différentielle haute tension TekVPI® ±1,5 kV, 200 MHz TMDP0200 Sonde différentielle haute tension TekVPI® ±750 V, 200 MHz TPR1000 Sonde de tension asymétrique 1 GHz, TekVPI® Power-Rail ; inclut un kit d’accessoires TPR4KIT TPR4000 Sonde de tension asymétrique 4 V GHz, TekVPI® Power-Rail ; inclut un kit d’accessoires TPR4KIT TIVH02 Sonde isolée ; 200 MHz, ±2 500 V, TekVPI, câble de 3 mètres TIVH02L Sonde isolée ; 200 MHz, ±2 500 V, TekVPI, câble de 10 mètres TIVH05 Sonde isolée ; 500 MHz, ±2 500 V, TekVPI, câble de 3 mètres TIVH05L Sonde isolée ; 500 MHz, ±2 500 V, TekVPI, câble de 10 mètres TIVH08 Sonde isolée ; 800 MHz, ±2 500 V, TekVPI, câble de 3 mètres TIVH08L Sonde isolée ; 800 MHz, ±2 500 V, TekVPI, câble de 10 mètres TIVM1 Sonde isolée ; 1 GHz, ±50 V, TekVPI, câble de 3 mètres TIVM1L Sonde isolée ; 1 GHz, ±50 V, TekVPI, câble de 10 mètres TPP0502 Sonde de tension passive 500 MHz, 2X TekVPI®, capacité d’entrée 12,7 pF TPP0850 Sonde haute tension passive 2,5 kV, 800 MHz, 50X TekVPI® P6015A Sonde haute tension passive 20 kV, 75 MHz TPA-BNC 1 Adaptateur BNC TekVPI®à TekProbe™ 103-0503-xx Adaptateur BNC à SMA ; prévu pour 12 GHz TEK-DPG Source du signal du générateur d'impulsions pour la compensation des sondes TekVPI 067-1686-xx Matériel de compensation et d'étalonnage des mesures d’alimentation  
1Recommandé pour raccorder vos sondes TekProbe existantes aux oscilloscopes à bas profil MSO Série 6 .
Étape 10
- Ajout d’accessoires
 - Ajout d’accessoires de transport ou de montage 
Accessoires en option Description HC5 Étui de transport rigide RM5 Kit de montage en baie Adaptateur GPIB-Ethernet Commander le modèle 4865B (adaptateur GPIB-Ethernet pour l’interface de l’instrument) directement sur le site de ICS Electronics 
www.icselect.com/gpib_instrument_intfc.html 
Étape 11
- Sélectionnez une option de cordon d’alimentation
 Option de cordon d’alimentation Description A0 Prise électrique Amérique du Nord (115 V, 60 Hz) A1 Prise électrique universelle Europe (220 V, 50 Hz) A2 Prise électrique Royaume-Uni (240 V, 50 Hz) A3 Prise électrique Australie (240 V, 50 Hz) A5 Prise électrique Suisse (220 V, 50 Hz) A6 Prise électrique Japon (100 V, 50/60 Hz) A10 Prise électrique Chine (50 Hz) A11 Prise électrique Inde (50 Hz) A12 Prise électrique Brésil (60 Hz) A99 Aucun cordon d’alimentation 
Étape 12
- Ajout d’options de service étendu et d’étalonnage
 Option de service Description T3 Plan de protection totale de trois ans comprenant la réparation ou le remplacement des pièces en usure normale, les dommages accidentels et dus aux décharges électrostatiques et aux surcharges électriques. T5 Plan de protection totale de cinq ans comprenant la réparation ou le remplacement des pièces en usure normale, les dommages accidentels et dus aux décharges électrostatiques et aux surcharges électriques. R3 Garantie standard prolongée à 3 ans. Couvre les pièces, la main d’œuvre et l’expédition en deux jours sur le territoire national. Garantit un délai de réparation plus court qu’en l’absence de couverture spéciale. Toutes les réparations incluent une étalonnage et une mise à jour. Mise en place facile du dossier d’assistance, par simple appel téléphonique. R5 Garantie standard prolongée à 5 ans. Couvre les pièces, la main d’œuvre et l’expédition en deux jours sur le territoire national. Garantit un délai de réparation plus court qu’en l’absence de couverture spéciale. Toutes les réparations incluent une étalonnage et une mise à jour. Mise en place facile du dossier d’assistance, par simple appel téléphonique. C3 Service d’étalonnage 3 ans. Inclut un étalonnage avec traçabilité ou une vérification fonctionnelle de l’instrument, le cas échéant, pour les étalonnages recommandés. La couverture comprend l’étalonnage initial, plus deux ans supplémentaires d’étalonnage. C5 Service d’étalonnage 5 ans Inclut un étalonnage avec traçabilité ou une vérification fonctionnelle de l’instrument, le cas échéant, pour les étalonnages recommandés. La couverture comprend l’étalonnage initial, plus quatre ans supplémentaires d’étalonnage. D1 Rapport de données d’étalonnage D3 Rapport de données d’étalonnage 3 ans (avec option C3) D5 Rapport de données d’étalonnage 5 ans (avec option C5) 
Mise à niveau des fonctionnalités après achat
- Ajoutez par la suite des mises à niveau pour votre instrument.
 - Sur les instruments de la Série 6, vous disposez de plusieurs possibilités pour ajouter des fonctionnalités après l’achat initial. Les licences fixes activent de façon permanente des fonctionnalités disponibles en option, pour un produit donné. Les licences flottantes permettent de transférer facilement des options achetées sous licence entre différents instruments compatibles. 
Fonctionnalité de mise à niveau Mise à niveau de la licence pour un poste Mise à niveau de la licence flottante Description Ajouter des fonctions à l’instrument SUP6-AFG SUP6-AFG-FL Ajouter un générateur de fonctions arbitraires SUP6-RL-1 SUP6-RL-1-FL Augmenter la longueur d’enregistrement de 62,5 à 125 millions de points/voie SUP6-RL-2 SUP6-RL-2-FL Augmenter la longueur d’enregistrement de 62,5 à 250 millions de points/voie SUP6-RL-3 SUP6-RL-3-FL Augmenter la longueur d’enregistrement de 62,5 à 500 millions de points/voie SUP6-RL-4 SUP6-RL-4-FL Augmenter la longueur d’enregistrement de 62,5 à 1 milliard de points/voie SUP6-RL-1T2 SUP6-RL-1T2-FL Augmenter la longueur d’enregistrement de 125 à 250 millions de points/voie SUP6-RL-1T3 SUP6-RL-1T3-FL Augmenter la longueur d’enregistrement de 125 à 500 millions de points/voie SUP6-RL-1T4 SUP6-RL-1T4-FL Augmenter la longueur d’enregistrement de 125 à 1 milliard de points/voie SUP6-RL-2T3 SUP6-RL-2T3-FL Augmenter la longueur d’enregistrement de 250 à 500 millions de points/voie SUP6-RL-2T4 SUP6-RL-2T4-FL Augmenter la longueur d’enregistrement de 250 à 1 milliard de points/voie SUP6-RL-3T4 SUP6-RL-3T4-FL Augmenter la longueur d’enregistrement de 500 à 1 milliard de points/voie Ajouter l’analyse de protocole SUP6-SRAERO SUP6-SRAERO-FL Déclenchement et analyse série pour l’aérospatiale (MIL-STD-1553, ARINC 429) SUP6-SRAUDIO SUP6-SRAUDIO-FL Déclenchement et analyse audio (I62.5S, LJ, RJ, TDM) SUP6-SRAUTO SUP6-SRAUTO-FL Déclenchement et analyse pour l’automobile (CAN, CAN FD, LIN, FlexRay et décodage des symboles CAN) SUP6-SRAUTOEN1 SUP6-SRAUTOEN1-FL Analyse série Ethernet 100BASE-T1 pour l’automobile SUP6-SRAUTOSEN SUP6-SRAUTOSEN-FL Déclenchement et analyse série pour les capteurs automobiles (SENT) SUP6-SRCOMP SUP6-SRCOMP-FL Déclenchement et analyse série pour les ordinateurs (RS-232/422/485/UART) SUP6-SRDPHY SUP6-SRDPHY-FL Analyse série MIPI D-PHY (DSI-1, CSI-2) SUP6-SREMBD SUP6-SREMBD-FL Déclenchement et analyse série intégrés (I2C, SPI) SUP6-SRENET SUP6-SRENET-FL Déclenchement et analyse série Ethernet (10Base-T, 100Base-TX) SUP6-SREUSB2 SUP6-SRESUB2-FL Analyse et décodage série intégrés USB2 (eUSB2) SUP6-SRI3C SUP6-SRI3C-FL Analyse et décodage série MIPI I3C SUP6-SRMANCH SUP6-SRMANCH-FL Analyse série Manchester SUP6-SRMDIO SUP6-SRMDIO-FL Analyse et décodage série Gestion des données d’entrée/sortie (MDIO) SUP6-SR8B10B SUP6-SR8B10B-FL Analyse et décodage série 8b/10b SUP6-SRNRZ SUP6-SRNRZ-FL Analyse et décodage série NRZ SUP6-SRPM SUP6-SRPM-FL Analyse et décodage série Gestion de l’alimentation (SPMI) SUP6-SRPSI5 SUP6-SRPSI5-FL Analyse et décodage série PSI5 SUP6-SRSPACEWIRE SUP6-SRSPACEWIRE-FL Analyse série Spacewire SUP6-SRSVID SUP6-SRSVID-FL Analyse et décodage série Identification de la tension en série (SVID) SUP6-SRUSB2 SUP6-SRUSB2-FL Déclenchement et analyse de bus série USB 2. (LS, FS, HS) Ajouter la conformité série 
Tous les produits de conformité nécessitent l’option 6-WIN (disque dur SSD avec le système d’exploitation Microsoft Windows 10)SUP6-CMAUTOEN SUP6-CMAUTOEN-FL Solution de test de conformité automatisée pour Ethernet automobile (100BASE-T1 et 1000BASE-T1) SUP6-CMAUTOEN10 SUP6-CMAUTOEN10-FL Solution de test de conformité automatisée pour Ethernet automobile (10BASE-T1S Portée courte) SUP6-AUTOEN-BND Conformité pour Ethernet automobile, séparation des signaux, analyse PAM3, analyse série 100Base-T1 (nécessite les options 6-DJA et 6-WIN) SUP6-AUTOEN-SS SUP6-AUTOEN-SS-FL Séparation des signaux Ethernet automobile SUP6-CMINDUEN10 SUP6-CMINDUEN10-FL Solution de test de conformité automatisée Ethernet industriel (10Base-T1L Longue portée) SUP6-CMDPHY SUP6-CMDPHY-FL Solution de test de conformité automatisée MIPI D-PHY 1.2 SUP6-CMENET SUP6-CMENET-FL Solution de test de conformité automatisée Ethernet (10BASE-T, 100BASE-T, and 1000BASE-T) Disque dur SSD avec système d’exploitation Microsoft Windows 10 requis SUP6-CMNBASET SUP6-CMNBASET-FL Test de conformité automatisé Ethernet 2,5 et 5 G BASE-T (2,5 GHz est recommandé) SUP6-CMUSB2 SUP6-CMUSB2-FL Solution de test de conformité automatisée USB 2.0 Ajouter l’analyse avancée SUP6-DBLVDS SUP6-DBLVDS-FL Analyse et débogage LVDS (nécessite les options 6-DJA et 6-WIN) SUP6-DJA SUP6-DJA-FL Analyses avancées de la gigue et de l’œil SUP6-DPM SUP6-DPM-FL Gestion de l’alimentation numérique SUP6-MTM SUP6-MTM-FL Masque et test des valeurs limites SUP6-PAM3 SUP6-PAM3-FL Analyse PAM3 (nécessite les options 6-DJA et 6-WIN) SUP6-PS2 S/O Solution complète d’analyse de la puissance (6-PWR, THDP0200, TCP0030A et équipement de compensation 067-1686-XX) SUP6-PWR SUP6-PWR-FL Analyse et mesures de puissance avancées SUP6-SV-BW-1 SUP6-SV-BW-1-FL Spectre, augmentation de la bande passante de capture à 2 GHz SUP6-SV-RFVT SUP6-SV-RFVT-FL Vue Spectre, analyse RF/Temps et déclenchement SUP6-VID SUP6-VID-FL Déclenchement vidéo NTSC, PAL et SECAM SUP6B-IMDA SUP6B-IMDA-FL Analyse du moteur de l’onduleur SUP6B-IMDA-DQ0 SUP6B-IMDA-DQ0-FL DQ0 Caractéristique de l’analyse du moteur de l’onduleur Ajouter l’analyse de mémoire SUP6-DBDDR3 SUP6-DBDDR3-FL Analyse et débogage DDR3 et LPDDR3 SUP6-CMDDR3 SUP6-CMDDR3-FL Solution de test de conformité automatisée DDR3 et LPDDR3 au moyen de la plate-forme d’automatisation. 
Nécessite les options 6-DBDDR3, 6-DJA et un disque SSD avec Microsoft Windows 10.
≥ 4 GHz requis, 8 GHz recommandé pour tester à toutes les vitesses DDR3.Ajouter un voltmètre numérique SUP6-DVM S/O Ajouter un voltmètre numérique et un compteur de fréquences de déclenchement (Gratuit avec l’enregistrement du produit sur www.tek.com/register6mso) Fonction de mise à niveau Mise à niveau Description Ajouter un disque SSD supplémentaire avec le système d’exploitation Windows SUP6B-WIN Ajouter un disque SSD amovible avec le système d’exploitation Windows 10 Ajouter un disque SSD supplémentaire au système d’exploitation intégré SUP6B-LNX Ajouter un disque SSD amovible au système d’exploitation intégré  
Mise à niveau de la bande passante après achat
- Mettez à niveau la bande passante de votre instrument ultérieurement.
 Vous pouvez améliorer la bande passante analogique de vos Série 6 après l’achat initial. Les mises à niveau de la bande passante s’achètent en fonction du nombre d’entrées FlexChannels, de la bande passante actuelle et de la bande passante souhaitée. Toutes les mises à niveau de bande passante peuvent être effectuées sur site, en installant une licence logicielle et un nouvel autocollant sur la face avant.
Il est également possible d’acheter un rapport de données d’étalonnage avec la mise à niveau de la bande passante. (Acheter SUP6B-BWx-DATA avec l’option D1, où « x » correspond à 4, 6 ou 8 en fonction du nombre de FlexChannels sur votre instrument.)
Modèle d’oscilloscope possédé Produit de mise à niveau de la bande passante Option de mise à niveau Description de l’option de mise à niveau MSO64B SUP6B-BW4 6B-BW10T25-4 Licence ; mise à niveau de la bande passante pour l’oscilloscope B MSO Série 6 ; mise à niveau de la bande passante de 1 GHz à 2,5 GHz sur un (4) modèle FlexChannel 6B-BW10T40-4 Licence ; mise à niveau de la bande passante pour l’oscilloscope B MSO Série 6 ; mise à niveau de la bande passante de 1 GHz à 4 GHz sur un (4) modèle FlexChannel 6B-BW10T60-4 Licence ; mise à niveau de la bande passante pour l’oscilloscope B MSO Série 6 ; mise à niveau de la bande passante de 1 GHz à 6 GHz sur un (4) modèle FlexChannel 6B-BW10T80-4 Licence ; mise à niveau de la bande passante pour l’oscilloscope B MSO Série 6 ; mise à niveau de la bande passante de 1 GHz à 8 GHz sur un (4) modèle FlexChannel 6B-BW10T100-4 Licence ; mise à niveau de la bande passante pour l’oscilloscope B MSO Série 6 ; mise à niveau de la bande passante de 1 GHz à 10 GHz sur un (4) modèle FlexChannel 6B-BW25T40-4 Licence ; mise à niveau de la bande passante pour l’oscilloscope B MSO Série 6 ; mise à niveau de la bande passante de 2,5 GHz à 4 GHz sur un (4) modèle FlexChannel 6B-BW25T60-4 Licence ; mise à niveau de la bande passante pour l’oscilloscope B MSO Série 6 ; mise à niveau de la bande passante de 2,5 GHz à 6 GHz sur un (4) modèle FlexChannel 6B-BW25T80-4 Licence ; mise à niveau de la bande passante pour l’oscilloscope B MSO Série 6 ; mise à niveau de la bande passante de 2,5 GHz à 8 GHz sur un (4) modèle FlexChannel 6B-BW25T100-4 Licence ; mise à niveau de la bande passante pour l’oscilloscope B MSO Série 6 ; mise à niveau de la bande passante de 2,5 GHz à 10 GHz sur un (4) modèle FlexChannel 6B-BW40T60-4 Licence ; mise à niveau de la bande passante pour l’oscilloscope B MSO Série 6 ; mise à niveau de la bande passante de 4 GHz à 6 GHz sur un (4) modèle FlexChannel 6B-BW40T80-4 Licence ; mise à niveau de la bande passante pour l’oscilloscope B MSO Série 6 ; mise à niveau de la bande passante de 4 GHz à 8 GHz sur un (4) modèle FlexChannel 6B-BW40T100-4 Licence ; mise à niveau de la bande passante pour l’oscilloscope B MSO Série 6 ; mise à niveau de la bande passante de 4 GHz à 10 GHz sur un (4) modèle FlexChannel 6B-BW60T80-4 Licence ; mise à niveau de la bande passante pour l’oscilloscope B MSO Série 6 ; mise à niveau de la bande passante de 6 GHz à 8 GHz sur un (4) modèle FlexChannel 6B-BW60T100-4 Licence ; mise à niveau de la bande passante pour l’oscilloscope B MSO Série 6 ; mise à niveau de la bande passante de 6 GHz à 10 GHz sur un (4) modèle FlexChannel 6B-BW80T100-4 Licence ; mise à niveau de la bande passante pour l’oscilloscope B MSO Série 6 ; mise à niveau de la bande passante de 8 GHz à 10 GHz sur un (4) modèle FlexChannel MSO66B SUP6B-BW6 6B-BW10T25-6 Licence ; mise à niveau de la bande passante pour l’oscilloscope B MSO Série 6 ; mise à niveau de la bande passante de 1 GHz à 2,5 GHz sur un (6) modèle FlexChannel 6B-BW10T40-6 Licence ; mise à niveau de la bande passante pour l’oscilloscope B MSO Série 6 ; mise à niveau de la bande passante de 1 GHz à 4 GHz sur un (6) modèle FlexChannel 6B- BW10T60-6 Licence ; mise à niveau de la bande passante pour l’oscilloscope B MSO Série 6 ; mise à niveau de la bande passante de 1 GHz à 6 GHz sur un (6) modèle FlexChannel 6B-BW10T80-6 Licence ; mise à niveau de la bande passante pour l’oscilloscope B MSO Série 6 ; mise à niveau de la bande passante de 1 GHz à 8 GHz sur un (6) modèle FlexChannel 6B-BW10T100-6 Licence ; mise à niveau de la bande passante pour l’oscilloscope B MSO Série 6 ; mise à niveau de la bande passante de 1 GHz à 10 GHz sur un (6) modèle FlexChannel 6B-BW25T40-6 Licence ; mise à niveau de la bande passante pour l’oscilloscope B MSO Série 6 ; mise à niveau de la bande passante de 2,5 GHz à 4 GHz sur un (6) modèle FlexChannel 6B-BW25T60-6 Licence ; mise à niveau de la bande passante pour l’oscilloscope B MSO Série 6 ; mise à niveau de la bande passante de 2,5 GHz à 6 GHz sur un (6) modèle FlexChannel 6B-BW25T80-6 Licence ; mise à niveau de la bande passante pour l’oscilloscope B MSO Série 6 ; mise à niveau de la bande passante de 2,5 GHz à 8 GHz sur un (6) modèle FlexChannel 6B-BW25T100-6 Licence ; mise à niveau de la bande passante pour l’oscilloscope B MSO Série 6 ; mise à niveau de la bande passante de 2,5 GHz à 10 GHz sur un (6) modèle FlexChannel 6B-BW40T60-6 Licence ; mise à niveau de la bande passante pour l’oscilloscope B MSO Série 6 ; mise à niveau de la bande passante de 4 GHz à 6 GHz sur un (6) modèle FlexChannel 6B-BW40T80-6 Licence ; mise à niveau de la bande passante pour l’oscilloscope B MSO Série 6 ; mise à niveau de la bande passante de 4 GHz à 8 GHz sur un (6) modèle FlexChannel 6B-BW40T100-6 Licence ; mise à niveau de la bande passante pour l’oscilloscope B MSO Série 6 ; mise à niveau de la bande passante de 4 GHz à 10 GHz sur un (6) modèle FlexChannel 6B-BW60T80-6 Licence ; mise à niveau de la bande passante pour l’oscilloscope B MSO Série 6 ; mise à niveau de la bande passante de 6 GHz à 8 GHz sur un (6) modèle FlexChannel 6B-BW60T100-6 Licence ; mise à niveau de la bande passante pour l’oscilloscope B MSO Série 6 ; mise à niveau de la bande passante de 6 GHz à 10 GHz sur un (6) modèle FlexChannel 6B-BW80T100-6 Licence ; mise à niveau de la bande passante pour l’oscilloscope B MSO Série 6 ; mise à niveau de la bande passante de 8 GHz à 10 GHz sur un (6) modèle FlexChannel MSO68B SUP6B-BW8 6B-BW10T25-8 Licence ; mise à niveau de la bande passante pour l’oscilloscope B MSO Série 6 ; mise à niveau de la bande passante de 1 GHz à 2,5 GHz sur un (8) modèle FlexChannel 6B-BW10T40-8 Licence ; mise à niveau de la bande passante pour l’oscilloscope B MSO Série 6 ; mise à niveau de la bande passante de 1 GHz à 4 GHz sur un (8) modèle FlexChannel 6B-BW10T60-8 Licence ; mise à niveau de la bande passante pour l’oscilloscope B MSO Série 6 ; mise à niveau de la bande passante de 1 GHz à 6 GHz sur un (8) modèle FlexChannel 6B-BW10T80-8 Licence ; mise à niveau de la bande passante pour l’oscilloscope B MSO Série 6 ; mise à niveau de la bande passante de 1 GHz à 8 GHz sur un (8) modèle FlexChannel 6B-BW10T100-8 Licence ; mise à niveau de la bande passante pour l’oscilloscope B MSO Série 6 ; mise à niveau de la bande passante de 1 GHz à 10 GHz sur un (8) modèle FlexChannel 6B-BW25T40-8 Licence ; mise à niveau de la bande passante pour l’oscilloscope B MSO Série 6 ; mise à niveau de la bande passante de 2,5 GHz à 4 GHz sur un (8) modèle FlexChannel 6B-BW25T60-8 Licence ; mise à niveau de la bande passante pour l’oscilloscope B MSO Série 6 ; mise à niveau de la bande passante de 2,5 GHz à 6 GHz sur un (8) modèle FlexChannel 6B-BW25T80-8 Licence ; mise à niveau de la bande passante pour l’oscilloscope B MSO Série 6 ; mise à niveau de la bande passante de 2,5 GHz à 8 GHz sur un (8) modèle FlexChannel 6B-BW25T100-8 Licence ; mise à niveau de la bande passante pour l’oscilloscope B MSO Série 6 ; mise à niveau de la bande passante de 2,5 GHz à 10 GHz sur un (8) modèle FlexChannel 6B-BW40T60-8 Licence ; mise à niveau de la bande passante pour l’oscilloscope B MSO Série 6 ; mise à niveau de la bande passante de 4 GHz à 6 GHz sur un (8) modèle FlexChannel 6B-BW40T80-8 Licence ; mise à niveau de la bande passante pour l’oscilloscope B MSO Série 6 ; mise à niveau de la bande passante de 4 GHz à 8 GHz sur un (8) modèle FlexChannel 6B-BW40T100-8 Licence ; mise à niveau de la bande passante pour l’oscilloscope B MSO Série 6 ; mise à niveau de la bande passante de 4 GHz à 10 GHz sur un (8) modèle FlexChannel 6B-BW60T80-8 Licence ; mise à niveau de la bande passante pour l’oscilloscope B MSO Série 6 ; mise à niveau de la bande passante de 6 GHz à 8 GHz sur un (8) modèle FlexChannel 6B-BW60T100-8 Licence ; mise à niveau de la bande passante pour l’oscilloscope B MSO Série 6 ; mise à niveau de la bande passante de 6 GHz à 10 GHz sur un (8) modèle FlexChannel 6B-BW80T100-8 Licence ; mise à niveau de la bande passante pour l’oscilloscope B MSO Série 6 ; mise à niveau de la bande passante de 8 GHz à 10 GHz sur un (8) modèle FlexChannel 





