Свяжитесь с нами
Живой чат с представителями Tektronix. С 9:00 до 17:00 CET
Позвоните нам
С 9:00 до 17:00 CET
Загрузить
Загрузить руководства, технические описания, программное обеспечение и т. д.:
Обратная связь
Wide Bandgap – Double Pulse Test Analysis
4/5/6 Series B MSO Option 4-WBG-DPT/5-WBG-DPT/6-WBG-DPT Datasheet
Дополнительные сведения
- Осциллограф смешанных сигналов MSO Серии 4
- Серия 5 B MSO
- MSO серии 6 B
- Explore more Software models
Читать на веб-сайте:

Semiconductor materials used in power electronics are transitioning from Silicon to Wide Bandgap (WBG) semiconductors such as Silicon Carbide (SiC) and Gallium Nitride (GaN) due to their superior performance at higher power levels in automotive and industrial applications. Due to its high operating voltage levels, SiC technology is finding applications in EV power trains, whereas GaN is primarily used in fast chargers for laptops, mobile devices, and other consumer devices.
Double Pulse Test (DPT) is an industry standard technique for measuring a range of important parameters during turn on, turn off, and reverse recovery.
In DPT, the DUT can either be the power device or a diode. The power device can be a Si, SiC, or GaN MOSFET or IGBTs.
The Wideband Gap Double Pulse Test application (Opt. WBG-DPT) on the 4/5/6 Series B MSO offers precise Wideband Gap measurements that make device and system validation easier. The application is compatible with all Tektronix VPI probes and, when used with the Tektronix IsoVu™ probes it helps uncover all the hidden artifacts of SiC or GaN devices at the circuit level.
The application offers automated measurements as per JEDEC and IEC standards. It offers unique features such as per-cycle analysis with annotation, flexibility with custom reference level settings, configurable integration points, and power preset that can be set based on the DUT designs.
The WBG-DPT application saves the designers time and cost. It’s quick to set up and measure, allowing design and test engineers to focus on debugging and improving target designs.
Key features and specifications
- 19 key double pulse test measurements as per JEDEC and IEC standards
- Ability to test SiC and GaN WBG devices as well as Si MOSFET and IGBTs
- Specify pulse regions such as the first, second, or multiple pulses of interest and correlate with the scalar results in the badge
- Annotations on waveforms to show the regions of interest
- Easily navigate the pulse region of interest for multi-pulse use case
- Unique edge refinement algorithm to analyze noisy waveforms
- Programmatic interface to all measurements and configurations enable the complete automation in test system applications
- Support of Auto and Custom reference levels helps to precisely identify Start and Stop regions effectively
- Hysteresis level configuration on the gate source helps to avoid false edges
- Quickly add and configure measurements through the intuitive drag and drop interface on the 4/5/6 Series B MSO
- Overlapped plot for Reverse Recovery (Trr) measurement
- Support of search directions (forward, backward) for effective debugging of pulse regions
- Support for gate driver (AFG31000 Series) control for double pulse signal generation
- Automated WBG specific Deskew feature for switching analysis
- Assessment of Dynamic Rds(on) of SiC and GaN devices
The application is designed based on the following standard references:
- Double Pulse Test (DPT)
- IEC 60747-9
- JEP182
- IEC 60747-8
- Diode Reverse Recovery
- JESD24-10
- IEC 60747-9
Following measurements are performed:
- Low side switching parameters and high side diode reverse recovery measurements
- Low side and high side switching parameters
- Dynamic Rds(on) measurement on the low side
Test setup
The following schematic shows the measurement setup of the Double Pulse Test. This is an example of a half-bridge gate driver for a power MOSFET with both low and high side switching. On the high side, the source to gate pin is shorted to measure the diode reverse recovery current parameters.
The 4/5/6 Series B MSO are ideally suited for double pulse testing. Four channels are sufficient to test the high or low side switching separately, but if you would like to monitor the gate voltage as a source and diode reverse recovery parameters, then you may need more than four channels, in which case a oscilloscope with six or eight channels are ideal.
For DPT switching parameters, you need to acquire Vds, Id, and Vgs on the low side. Similarly, you need to check for Vgs on the high side when testing both high-side and low-side MOSFETs (refer to Double Pulse test on the low side and diode reverse recovery on the high side). The diode reverse recovery is generally measured on High side, which needs Irr and Vrr. Tektronix recommends gate voltage as a qualifier source to avoid false detection of edges.
To accurately make the measurements on the high-side Vgs measurement, we need a measurement system that combines high bandwidth, high common mode voltage, and high common mode rejection. Along with its complete galvanic isolation, the Tektronix IsoVu system offers 1 GHz bandwidth, 2000 V common mode voltage, and 1 million to 1 (120 dB) common mode rejection ratio. It is a combination of these specifications that makes these kind of difficult measurements possible.
The IsoVu measurement system shows the details of what is occurring in the design and makes stable and repeatable measurements. The coupling due to parasitics between the switch node and the high and low-side MOSFETs are apparent, and the IsoVu measurement system has enough bandwidth to measure this dead time correctly.

| Low side |
|
| High side |
|
- TPP1000 - Use this probe if voltage is less than 400 V.
- TPP0850 - Use this probe if voltage is less than 850 V.
AFG31000 as a gate driver stimulus
The Tektronix AFG31000 Series is a high-performance AFG with built-in arbitrary waveform generation, real-time waveform monitoring, and a large touchscreen. Providing advanced waveform generation and programming capabilities, waveform verification, and a modern touch-screen interface, the AFG31000 is an ideal choice of equipment that acts as a gate driver device. The AFG31000 includes the Double Pulse Test application, a downloadable plugin software application that enables double pulse applications for the power and semiconductor markets. The Double Pulse Test on the AFG31000 offers design and test engineers the ability to generate voltage pulses with varying pulse widths on their DUTs. The design and test engineers are able to perform the Double Pulse Test in less than one minute, saving hours when compared to using a PC software or a microcontroller to perform the test with varying configurations.
The application also allows you to specify pulse regions of interest such as First pulse, Second pulse, and Multiple pulses. This input is used to validate and analyze the acquired waveforms on the oscilloscope and perform the WBG measurements.
Refer Application note on the AFG31000 for more details.
You can configure the AFG 31000 Series from the WBG-DPT application to generate a double pulse signal of required amplitude and pulse widths. The width of each pulse can vary from 10 ns to 1 ms. The AFG output stimulus should be given to the gate driver of the power device to measure switching, timing, capacitance, and reverse recovery parameters of the device.


Power supplies
Based on the DUT requirements, a proper power supply must be chosen to power on the DUT. Designers can either use a DC power supply or a Source Measure Unit (SMU). The SMU is an instrument that can precisely source voltage or current and simultaneously measure voltage and/or current. It varies from a typical DC power supply in providing greater speed and precision, a wider operating range and better resolution, and built-in sweep capabilities.
Here are some of the recommended options for Tektronix power supplies that could be used for the Double Pulse Test.
- High voltage power supply:
- EA-PSI 10000, bi-directional DC power supply
- 2657 A high voltage Source Meter Unit (SMU)
- 2260B-800-2, programmable DC power supply
- Power supply to gate drive circuit:
- 2230 or 2280S Series DC power supply
Probing and Accessories
When an engineer consider switching the designs from legacy silicon to WBG devices, some of the questions that arise are:
- Is my test equipment capable of accurately measuring the fast switching dynamics exhibited by SiC devices?
- How can I accurately optimize gate drive performance and deadtime?
- Will common-mode transients affect the accuracy of measurements?
- Is the observed ringing real or a result of probe response?
The traditional method for making a gate voltage measurement is by using a standard differential probe with MMCX connectors. This is important for gate voltage measurements on the high side. Measuring the gate voltage of a SiC power device is challenging since it is a low voltage signal (~20 Vpp) that is referenced to a node that may have a high DC offset and high dv/dt relative to the oscilloscope ground.
The Tektronix TIVP Series Isolated probes play a crucial role in making these floating gate measurements in a precise manner. The probe helps uncover the fast and floating signals that non-isolated probes are hiding. IsoVu™ Probe Technology virtually eliminates common mode interference using optical isolation. This delivers accurate differential measurements on reference voltages slewing ±60 kV at 100 V/ns or faster. With the IsoVu Generation 2 design, designers get all the benefits of IsoVu technology at 1/5 of the size.
The probes also offer versatile MMCX connectors and an unmatched combination of bandwidth, dynamic range, and common mode rejection to meet all the DPT test needs.
The best performance from the IsoVu measurement system is achieved when an industry standard MMCX connectors are inserted close to the test points. These connectors offer high signal fidelity and are recommended for precise and repeatable results. On the low side, use TPP with square pin to MMC adapter for Vgs probing, while on the high side, use TIVP with MMCX accessory.
Current probes
- Current probes are required in the WBG setup to accurately make Id measurements. Tektronix offers a range of current probes to choose from.
- The TICP Series IsoVu™ isolated current probes deliver exceptional bandwidth, noise rejection, accuracy, and ease of use for current measurements. Complete galvanic isolation using the RF isolation technique eliminates ground loops and enables very high common mode rejection. In a 1X configuration, the probe’s 50 Ω input offers extremely low noise of <3.6 nV/√Hz, making it ideal for accurate measurements on current shunts or CVRs.
- TCP0030A is a high-performance, easy-to-use AC/DC current probe designed for use with and direct connection to oscilloscopes with the TekVPI™ probe interface. This AC/DC current measurement probe provides greater than 120 MHz of bandwidth with selectable 5 A and 30 A measurement ranges. It also provides exceptional low current measurement capability and accuracy to current levels as low as 1 mA, which is important for meeting the challenging current measurement needs.
- For higher current needs, it's recommended to test with TCP0150 probes. In addition to the TCP family of probes, Tektronix offers the TRCP Series Rogowski current probes that are equipped with a BNC connector and work with any instrument supporting the BNC interface. Rogowski probes allow you to easily connect to large connection points such as bus bars or connect to small IC legs on a MOSFET or IGBT.
Here are the recommended probing details for DPT on Low side and diode reverse recovery setup on the High side:
- Low side probing
- Ch1: Vds - TPP or THDP Series voltage probe
- Ch2: Vgs - TPP Series with MMCX adapter tips
- Ch3: Id - TICP Series (with shunts or CVRs) or TCP Series
- High side probing
- Ch4: Irr - TICP Series (with shunts or CVRs) or TCP Series
- Ch5: Vds - THDP Series voltage probe
Here are the recommended probing details for DPT on Low side and High side:
- Low side probing
- Ch1: Vds - TPP or THDP Series voltage probe
- Ch2: Vgs - TPP Series with MMCX adapter tips
- Ch3: Id - TICP Series (with shunts or CVRs) or TCP Series
- High Side Probing
- Ch4: Vgs - TIVP Isolated probes with MMCX adapter tips
- Ch5:Vds - THDP Series voltage probe
Measurements
Measurements offered by option WBG-DPT can be used to test power devices like MOSFET and IGBT as shown in the image below.

Power preset
The preset setting is useful to setup the oscilloscope for an optimal vertical scale, horizontal time base, sample rate, trigger source and level, and number of pulses for a specified Vds and Vgs levels. 
Measurement configuration

By default, the pulse region is defined as per the standard. For example, Eon in DPT is measured on the second pulse and Eoff is measured on the first pulse. However, you can configure the pulses as per your custom requirements. You can also choose the multiple pulse configuration to test more than two pulses. This offers greater flexibility based on the designs.
Generally, designers test with multiple pulses at different levels of drain current rather than making double pulse test. When switching the devices multiple times in continuous operation, this can stress the power devices and check for switching reliability.
Auto levels indicates the Start and Stop levels of the pulse regions as per JEDEC/IEC standards.

During this operation, it is important to measure the turn on and turn off switching parameters of multiple edges. Multiple pulses are supported as part of the measurement configuration.
Since real world WBG waveforms are non-ideal and noisy in nature, you can define the sources by specifying custom start and stop levels in percentage units. This helps ease debug especially when Vds and Id are noisy and contain oscillations.

WBG Deskew

WBG Deskew calculates the skew between the Drain to Source Voltage (Vds) and Drain Current (Id) or Collector to Emitter Voltage (Vce) and Collector Current (Ic) when Power Device is MOSFET or IGBT respectively. The skew value is then applied on to the source to which Vds or Vce signal is configured on the oscilloscope.
WBG Deskew differs from the conventional scope-based Deskew operation. Conventionally, skew between probes is computed before starting any measurement on the test setup. In WBG-DPT, the skew of the measurement system is performed as a post-acquisition operation.
The Tektronix method of performing WBG deskew does not require any connection modification on the device. The deskew method models the Vds based on the acquired Id, Vgs, and circuit parameters (probe resistance, effective inductance). The values of Bias Voltage and Effective Inductance are determined automatically. The mathematically modeled Vds is created and shown as Math. The acquired Vds signal and modeled Vds are overlapped to compute the skew and this skew is applied on the acquired Vds signal. This deskew procedure is simpler compared to conventional methods.
Switching Parameter Analysis

Eon
Turn-on energy for a MOSFET is measured as the integral of a power waveform computed from 10% of Id to 10% of Vds during turn-on condition or specified levels.
Turn-on energy for an IGBT is measured as the integral of a power waveform computed from 10% of Vge to 2% of Vce during turn-on condition or specified levels.


Eoff
Turn-off energy for a MOSFET is measured as the integral of power waveform computed between 10% of Vds and 10% of Id during turn-off condition or specified levels.
Turn-off energy for an IGBT is measured as the integral of a power waveform computed from 90% of Vge to 2% of Ic during turn-off condition or specified levels.


Vpeak
Voltage peak is the maximum voltage peak value in the power device during turn-off condition of collector current or drain current pulse. Usually, the voltage peak is measured in Eoff region.
Ipeak
Current peak is the maximum current peak value in the power device during turn-on condition of a collector current or drain current pulse. Usually, the current peak is measured in Eon region.
RDS(ON)
Dynamic ON resistance is calculated as the average RDS(ON) trend during the turn-on of a power device (supports only MOSFET). The RDS(ON) trend is computed as the ratio of the Drain-Source Voltage (Vds) and the Drain Current (Id). The measurement combines the full scale Vds and clipped scale Vds to reconstructs a low noise Vds with the high resolution.

Switching Timing Analysis

Td(on)
Turn on delay time for a MOSFET is the time interval between 10% of increasing Vgs to 90% of decreasing Vds during turn on condition or specified levels.
Turn on delay time for an IGBT is the time interval between 10% of increasing Vge to 10% of increasing Ic during turn on condition or specified levels.
Td(off)
Turn off delay time for a MOSFET is the time interval between 90% of the decreasing Vgs to 90% of increasing Vds during turn off condition or specified levels.
Turn off delay time for an IGBT is the time interval between 90% of the decreasing Vge to 90% of decreasing Ic during turn off condition or specified levels.
Tr
Rise time for a MOSFET is the time interval between 90% and 10% of the Vds during turn on condition or specified levels.
Rise time for an IGBT is the time interval between 10% and 90% of the Ic during turn on condition or specified levels.
Tf
Fall time for a MOSFET is the time interval between 10% and 90% of the Vds during turn off condition or specified levels.
Fall time for an IGBT is the time interval between 90% and 10% of the Ic during turn off condition or specified levels.
Ton
Turn on time is the sum of the turn on delay time and the rise time. It is the time interval between the rising of a voltage pulse across the input terminals which switches the power device from off-state to on-state.
Toff
Turn off time is the sum of the turn off delay time and the fall time. It is the time interval between the fall of a voltage pulse across the input terminals which switches the power device from on-state to off-state.
d/dt
Switching d/dt measures the rate of change of the voltage or current (slew rate), as it rises from the base reference level to the top reference level or as it falls from the top reference level to the base reference level.

Tdt
Dead time is the time delay between turn on time of the high side MOSFET and turn on time of the low side MOSFET during the simultaneous switching. It is the time interval between the configured falling edge level of one gate voltage and the configured rising edge level of another gate voltage. The default rising and falling edge levels are 50%.
Reverse Recovery Analysis


Trr
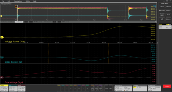
Reverse recovery time (Trr) is the time interval between the instant when the current passes through zero when changing from the forward direction to the reverse direction and the instant when extrapolated reverse current between A and B points reaches zero.
The Trr is comprised of two time intervals Ta and Tb when rectifiers respond with their own peak reverse recovery current Irr as shown in above figure. The Ta begins at the moment forward current has been ramped down and intersects the zero-current axis, and concludes at the rectifier Irr peak response point.
Reverse recovery current rise time (Ta)
Ta is defined as time taken by reverse recovery current to reach its maximum reverse peak value IRM.
Reverse recovery current fall time (Tb)
Tb is defined as time taken by reverse recovery current (or extrapolated current) to recovery back to zero from its reverse peak value. Hence, Trr = Ta + Tb.
Recovery Softness Factor (RSF)
RSF is defined as ratio of reverse recovery current fall time (Tb) to the reverse recovery current rise time (Ta).
Qrr
Reverse recovery charge (Qrr) is the total charge recovered from the power device during a specified integration time of a single collector current or drain current pulse, when the power device is switched from a specified forward current condition to a specified reverse voltage condition with forward biased gate condition.
The recovered charge is measured as:

Where:
t0 is the instant when the current passes through zero.
ti is the specified integration time, preferably when the current has reached 2% of Irr.
Err
The Reverse recovery energy (Err) is the energy dissipated within the power device during a specified integration time of a single collector current or drain current pulse, when the power device is switched from a specified forward current condition to a specified reverse voltage condition with forward biased gate condition.
The switching energy is the result of the integration of the product from the device voltage and current during the integration time ti.

Irrm
Reverse recovery current (Irrm) is the maximum reverse current that occurs during the reverse recovery time interval.
Diode d/dt
Diode d/dt measures the rate of change of voltage or current (slew rate) during the specified start and stop integration levels. Diode d/dt can be measured during rising or falling edge.



Capacitance analysis

Qoss
Qoss measurement is the charge that must be supplied to the parasitic output capacitances of the power device during each switching cycle. This represents the output charge. The accurate measurement of output charge is of paramount importance as it directly affects switching speeds of a WBG device and capacitive property of SiC MOSFET body diode during turn on.


where,
t1 is the instance when the current passes through zero.
t2 is the specified time interval, preferably when Vds has reached 90% of the peak voltage.

Dynamic RDS(ON)
Tektronix introduces an innovative, software-based method to perform dynamic RDS(ON) measurements. This method uses a patented approach to measure the dynamic on the state resistance without any hardware changes or external clamping circuits. This technique captures two distinct waveforms simultaneously from the same probing points of the Vds.
- Full scale waveform: Acquires the complete Vds waveform to maintain the overall context of the signal.
- Clipped RDS(ON) waveform: Acquires the Vds waveform on a smaller oscilloscope vertical scale to enhance resolution, but it will include potential probe distortions.
The measurement processes these two waveforms to recreate the actual Vds signal, fixing errors from the measurement probe.
The dynamic RDS(ON) workflow overview is as below:
- Data acquisition: Use two THDP0100/THDP0200 high-voltage differential probes to capture both the full scale and clipped RDS(ON) of Vds waveforms simultaneously. Refer to the WBG-RDS(ON) measurement connection diagram.
- Error estimation and corrected Vds recreation: The clipped scale Vds waveform contains errors due to distortions in the probe and scope acquisition system. The software uses the full-scale waveform to estimate and fix these errors. It generates the low noise and high resolution Vds waveform by adjusting inaccuracies from the probe and the acquisition system. For accurate measurement, the algorithm requires eight double-pulse tests, which the software will execute automatically.
- RDS(ON) calculation: The dynamic RDS(ON) is calculated as the ratio of the combined Vds to Id, which is the drain current during the turn-on state of the MOSFET.
This method provides a strong and reliable way to quickly estimate the dynamic RDS(ON) performance. Its advantages include having no hardware changes, using slow-speed clamping circuits, managing parasitic elements in clamping circuits, and avoiding extra capacitances.


Specification
Switching Parameter Analysis measurements panel
| Measurement | Description |
|---|---|
| Eon | Measures the energy dissipated in the power device during turn on region using the configured levels. |
| Eoff | Measures the energy dissipated in the power device during turn off region using the configured levels. |
| Vpeak | Measures the peak voltage of the power device in the turn off region. |
| Ipeak | Measures the peak current of the power device in the turn on region. |
| RDS(ON) | Measures the mean dynamic resistance of the power device during the on region. |
Switching Timing Analysis measurements panel
| Measurement | Description |
|---|---|
| Td(on) | Measures the turn on delay time of the power device in the turn on region using the configured levels. |
| Td(off) | Measures the turn off delay time of the power device in the turn off region using the configured levels. |
| Tr | Measures the rise time of the power device in the turn on region using the configured levels. |
| Tf | Measures the fall time of the power device in the turn off region using the configured levels. |
| Ton | Measures the turn on time of the power device. It is the sum of the turn on delay time and the rise time. |
| Toff | Measures the turn off time of the power device. It is the sum of the turn off delay time and the fall time. |
| d/dt | Measures the rate of change of Drain to Source Voltage, or Drain Current between the specified levels. |
| Tdt | Measures the time delay of the power device during simultaneous switching. It is the time interval between the falling edge of the first gate voltage and the rising edge of the second gate voltage. |
Diode Recovery Analysis measurements panel
| Measurement | Description |
|---|---|
| Trr1 | Measures the reverse recovery time of the power device using the configured levels. |
| Qrr | Measures the reverse recovery charge in the power device using the configured levels. |
| Err | Measures the reverse recovery energy dissipated in the power device using the configured levels. |
| Irrm | Measures the reverse recovery current statistics. |
| Diode d/dt | Measures the rate of change of reverse recovery voltage or current between the specified levels. |
Capacitance Analysis measurements panel
| Measurement | Description |
|---|---|
| Qoss | Measures the charge that must be supplied to the parasitic output capacitances of a power device during each switching cycle. |
- Plots
- Waveform view with annotation, Recovery plot for Trr measurement.
- Report
- MHT and PDF formats, Data export to CSV format
- Degauss/Deskew (static)
- You can deskew voltage and current probes, degauss the current probes from the menus for each channel
- WBG Deskew
- Perform deskew between Vds and Id on the switching device2
- Source support
- Live analog signals, reference waveforms, and math waveforms
- Pass/Fail
- Test WBG-DPT measurements values against a specified limit and set actions for the instrument to take on failure2
Ordering information
Models and software licenses
| Product | Options | Supported instruments | Bandwidth available |
|---|---|---|---|
| New instrument purchase option | 4-WBG-DPT | 4 Series B MSO (MSO44B and MSO46B) |
|
| Product upgrade option | SUP4-WBG-DPT | ||
| Floating license | SUP4-WBG-DPT-FL | ||
| New instrument purchase option | 5-WBG-DPT | 5 Series B MSO (MSO54B, MSO56B, MSO58B and MSO58LP) |
|
| Product upgrade option | SUP5-WBG-DPT | ||
| Floating license | SUP5-WBG-DPT-FL | ||
| New instrument purchase option | 6-WBG-DPT | 6 Series B MSO (MSO64B, MSO66B, and MSO68B) |
|
| Product upgrade option | SUP6-WBG-DPT | ||
| Floating license | SUP6-WBG-DPT-FL |
Software bundles
| Supported instruments | Bundle options | Description |
|---|---|---|
| 4 Series B MSO | 4-PRO-POWER-1Y | 1 Year License Pro Power Bundle |
| 4-PRO-POWER-PER | Perpetual License Pro Power Bundle | |
| 4-ULTIMATE-1Y | 1 Year License Ultimate Bundle | |
| 4-ULTIMATE-PER | Perpetual License Ultimate Bundle | |
| 5 Series B MSO | 5-PRO-POWER-1Y | 1 Year License Pro Power Bundle |
| 5-PRO-POWER-PER | Perpetual License Pro Power Bundle | |
| 5-ULTIMATE-1Y | 1 Year License Ultimate Bundle | |
| 5-ULTIMATE-PER | Perpetual License Ultimate Bundle | |
| 5-PRO-AUTO-1Y | 1 Year License Pro Automotive Bundle | |
| 5-PRO-AUTO-PER | Perpetual License Pro Automotive Bundle | |
| 6 Series B MSO | 6-PRO-POWER-1Y | 1 Year License Pro Power Bundle |
| 6-PRO-POWER-PER | Perpetual License Pro Power Bundle | |
| 6-ULTIMATE-1Y | 1 Year License Ultimate Bundle | |
| 6-ULTIMATE-PER | Perpetual License Ultimate Bundle | |
| 6-PRO-AUTO-1Y | 1 Year License Pro Automotive Bundle | |
| 6-PRO-AUTO-PER | Perpetual License Pro Automotive Bundle |
Recommended probes
| Probe model | Description | Quantity |
|---|---|---|
| TICP Series, TCP0030A, TCP0150, or TRCP Series | Current probe for making Ids measurement | 1 |
| TIVP02, TIVP05, or TIVP1 | Voltage probe for making High-side Vgs measurement | 1 |
| TPP0100, TPP0200, TPP0500B, or TPP1000 | Voltage probe for making Low-side Vgs measurement | 1 |
| THDP0100, THDP0200, TMDP0200, TPP08503, or TPP10001 | Voltage probe for making Low-side Vds measurement | 1 |
Recommended function generators and power supply
Recommended function generators, gate driver source
| Model | Analog channels | Frequency range | Plug-in |
|---|---|---|---|
| AFG31000 Arbitrary Function Generator | 24 | 25 MHz, 50 MHz, 100 MHz, 150 MHz, 250 MHz | Double Pulse Test Plug-In Application on the AFG31000 |
Recommended power supplies
| Model | Rated voltage ranges | Rated current | Rated output power |
|---|---|---|---|
| 2470 SMU | Max 1000 V | Up to 1 A | 20 W |
| 2260B-800-2 | 0 - 800 V | 0 – 2.88 A | 720 W |
| 2657A | Max 3000 V | Max 120 mA | 180 W |

