연락처
텍트로닉스 담당자와 실시간 상담 6:00am-4:30pm PST에 이용 가능
전화 문의
9:00am-6:00PM KST에 이용 가능
다운로드
매뉴얼, 데이터 시트, 소프트웨어 등을 다운로드할 수 있습니다.
피드백
3상 전력 시스템에 대한 측정 및 분석은 단상 시스템보다 본질적으로 더 복잡합니다. 가변 주파수 모터 드라이브와 같은 펄스 폭 변조(PWM)에 기초한 전력 변환기는 PWM 신호에 대한 필터링 및 트리거가 어렵기 때문에 측정이 더 복잡해집니다.
디버깅 및 검증 단계 동안에는 높은 융통성과 속도를 제공하는 도구인 오실로스코프를 선택했습니다. 오실로스코프는 스위칭 전력 변환기 및 제어 회로의 성능을 정밀하게 측정할 수 있습니다. 올바른 프로브를 사용하면 넓은 범위에 걸쳐 높은 대역폭으로 측정할 수 있습니다.
특수 3상 인버터 모터 드라이브 분석 소프트웨어에서는 빠르고 반복적인 분석이 가능합니다.
Learn how to:
가변 주파수 드라이브(VFD)의 작동
일반적인 모터 드라이브 시스템은 드라이브 섹션이나 전력 변환기 섹션에 공급되는 3상 AC 입력에 의해 구동됩니다.
드라이브 섹션에는 세 개의 기본 블록이 있습니다.
- AC-DC를 변환하는 정류기
- DC 버스
- DC 전압을 AC 신호로 변환하는 DC-AC 인버터(대부분의 경우 PWM 파형).
이 다이어그램에는 표시되지 않지만 피드백 루프와 제어 로직은 모터 부하를 모니터링하고 드라이브 시스템을 조정하 토크 및 속도를 제어합니다. 시스템에서는 이를 통해 부하가 없는 조건부터 최대 부하 조건까지의 범위에서 모터를 구동할 수 있습니다.


3상 라인 측정
실험실에서 전력 품질 측정은 장비가 3상 AC 라인에서 공급되는 에너지를 소비하는 방식을 이해하는 데 사용됩니다.
각 단계에서 전력 품질 측정에는 일반적으로 다음 사항이 포함됩니다.
- 전압 및 전류의 RMS 및 진폭
- 유효 전력, 무효 전력, 피상 전력, 위상 각도 및 전력 계수
- 주파수
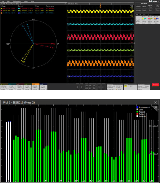
RMS 전압 및 전류의 수치적인 판독에 더해, 페이서 다이어그램(왼쪽에 표시)에서는 전압 및 전류 관계를 빠르게 확인하는 방법을 제공할 수 있습니다. 전력 계수에 영향을 주는 불균형 및 위상 변화가 바로 눈에 띕니다.
전력 계수는 최종 고객의 전기 요금에 직접적인 영향을 주기 때문에 모든 산업 장비에 중요한 사양입니다. 일부 드라이브에는 전력 계수를 제어할 수 있는 능동 회로가 포함됩니다.
고조파 또한 최종 고객의 시스템의 전반적인 효율성, 심지어 신뢰성에도 영향을 줄 수 있습니다. 이러한 이유로 고조파 왜곡은 종종 규제의 대상이 됩니다. IEEE-519 제한이 있는 고조파 막대 도표가 왼쪽에 표시됩니다. 마진 테스트에 사용자 정의된 제한을 사용할 수 있습니다.
리플 분석
리플은 정 DC 컴포넌트 상의 잔류 또는 원치 않는 AC 전압으로 정의됩니다. 일반적으로 DC 버스에서 측정됩니다. 이러한 측정은 입력 측에서 신호의 AC-DC 전환이 얼마나 효율적으로 이루어지는지, 그리고 원치 않는 컴포넌트가 출력 측의 PWM 신호에 미치는 영향을 이해하는 데 도움이 됩니다.
라인 리플 측정은 구성된 라인 주파수에서 RMS 값과 구성된 위상에 대한 시간 도메인 파형의 피크-피크를, 그리고 구성된 스위칭 주파수에서 스위칭 리플 측정 RMS와 구성된 위상에 대한 시간 도메인 파형의 피크-피크를 제공합니다.


직접 직교 제로(Direct Quadrature Zero, DQ0)
벡터 제어 시스템은 Clarke 및 Park 변환을 사용하여 3상 신호를 D 및 Q 제어 벡터로 단순화합니다. 이러한 벡터를 측정할 수 있으면 제어 시스템이 예상대로 작동하는지 확인할 수 있습니다. 안타깝게도, 이러한 중요한 변수들은 제어 시스템 깊숙한 곳에서 실시간으로 계산되는 경우가 많으며 외부 신호로 내보내지지 않습니다.
Tektronix 5/6 시리즈 오실로스코프의 DQ0 측정(Opt. IMDA-DQ0)은 신호 처리를 사용하여 드라이브의 출력 신호를 기반으로 D 및 Q 벡터를 계산 및 측정하므로 실제 성능과 예상 성능을 비교할 수 있습니다. 결과는 페이서, 변환된 파형 및 스칼라 값으로 표시됩니다.
DQ0 결과는 페이서, 변환된 파형 및 스칼라 값으로 표시됩니다.
드라이브 출력 측정
효율은 시스템의 전반적인 성능을 나타내는 지표로서 모터 드라이브 시스템의 중요한 척도 중 하나입니다.
효율성은 입력 전력 대비 출력 전력의 비율을 측정합니다. 각 단계의 효율성과 시스템의 총 효율성(평균)을 계산하고 표시합니다. 효율성 측정에는 8채널 오실로스코프에서 2V2I 구성(전력계 2개를 사용한 측정 방법)이 사용됩니다.


기계적 분석
IMDA 기계 분석 그룹(옵션 IMDA-MECH)은 모터 각도, 속도, 가속도 및 방향을 추적하기 위해 홀, 리졸버 및 QEI(Quadrature Encoder Interface) 센서를 지원합니다. 측정은 몇 가지 간단한 설정을 사용하여 구성됩니다.
패시브 또는 디퍼런셜 아날로그 프로브를 사용하여 측정할 수 있습니다. 홀 또는 QEI 센서는 8채널 TLP58 로직 프로브로 측정하여 다른 신호에 사용할 아날로그 채널을 저장할 수도 있습니다.
모터 시동 시퀀스 또는 긴 기록에 대한 감속을 표시하기 위해 속도 측정을 플로팅할 수 있습니다. 히스토그램 플롯을 통해 측정된 속도의 지터 프로파일에 관해 알아볼 수 있습니다.
IMDA-MECH는 실시간 토크 측정을 위한 두 가지 방법인 토크 센서 또는 로드 셀과 전기자 전류를 지원합니다. 전기자 전류 방법을 사용할 경우 RMS 모터 전류에 상수를 적용하여 토크를 계산합니다. 시스템의 기계적 동력은 토크 및 속도 값을 사용하여 계산하고 표시할 수 있습니다.
전압 및 전류 측정을 사용하여 드라이브의 입력에서 전력을 확인할 수 있습니다. 드라이브의 출력에 대한 토크 및 속도 측정을 사용하여 이 애플리케이션은 기계적 출력 전력과 전기 입력 전력의 비율을 측정할 수 있으므로 전체 시스템 효율성을 측정할 수 있습니다.
3상 VFD 문제 해결 및 특성화 참조 시스템
오실로스코프 기반의 3상 테스트 시스템에서는 VFD 회로를 관찰하는 동안 시스템 레벨 측정이 가능합니다. 높은 샘플 비율과 긴 레코드 길이는 Hz에서 GHz로의 상세한 뷰를 제공합니다. 이 애플리케이션에 대해서는 여러 다른 프로브를 사용할 수 있지만 다음과 같은 우수한 시스템의 예시가 있습니다.
5 시리즈 B MSO
8채널 및 12비트 ADC에 권장됨
옵션 IMDA
시리즈 MSO에서 3단계 측정을 자동화
THDP0200 x 3
고전압 차동 전압 프로브. 100MHz 및 최대 1,500V
TCP003A x 3
30A AC/DC 전류 프로브

Featured Content
FOC(Field Oriented Control) 시스템의 실시간 DQ0 분석
입문서
모터 제어 시스템에서 dq0 구성 요소 및 결과 드라이브 벡터를 측정하기 위해 오실로스코프에서 Clarke 및 Park 변환을 사용하는 방법에 대한 백서입니다.


