
연락처
텍트로닉스 담당자와 실시간 상담 6:00am-4:30pm PST에 이용 가능
전화
전화 문의
9:00am-6:00PM KST에 이용 가능
다운로드
매뉴얼, 데이터 시트, 소프트웨어 등을 다운로드할 수 있습니다.
피드백
PSPL5510V 60 GHz Attenuator
PSPL5510V Datasheet
이 데이터 시트의 제품은 텍트로닉스에서 더 이상 판매하지 않습니다.
리퍼브 테스트 장비에 대한 Tektronix Encore를 확인하십시오.
이러한 제품에 대한 지원 및 보증 상태를 살펴보십시오.

The PSPL5510V Attenuators address a need that has been totally ignored by other microwave component manufacturers who specify their products in the frequency domain, but ignore the time domain responses. For time domain measurements, it is important to also know the transient response of attenuators used in a test set-up. These 1.85 mm attenuators have 5 ps rise times and are recommended for measuring pulses with rise times of 13 ps or slower. For frequency domain measurements, the useful frequency range is DC to 60 GHz. The 1.85 mm connector is compatible with 2.4 mm connectors.
Key performance specifications
- 1.85 mm connectors
- DC to 60 GHz
- 5 ps Rise time
Typical performance


Specifications
| Parameter 1 | Value |
|---|---|
| Values available | 3, 6, 10, and 20 dB |
| Frequency range | DC to 60 GHz |
| Connectors | 1.85 mm jack (f) & plug (m) |
| Rise time (10% to 90%) | 5 ps, when tested with 10 ps rise time pulse |
| Impedance - DC | 50 Ω, |
| Delay | 90 ps (see typical performance plots) |
| DC Attenuation accuracy | ±0.5 dB maximum limits guaranteed |
| Return loss – DC
VSWR – DC |
> 30 dB typical, 23 dB minimum
> 1.06 typical, 1.15 maximum |
| Attenuation Flatness
(see Typical performance plots) |
|
| Return Loss – AC
(see Typical performance plots) |
> 20 dB, f > 15 dB, f > 12 dB, f |
| Max. Power Input | 2 W average at 25 °C, derated linearly to 1 W at 85 °C, 50 W peak for |
| Temperature Range | -55 to +85 °C operating, –55 to +125 °C storage, 0.001 dB/dB/ °C temp. coefficient. |
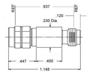
| Dimensions | 28.8 mm length, 8 mm diameter |
| Weight | 8 gm |
| Material | Stainless steel |
| Serial Number | Yes |
| Warranty | One Year |
1 All parameters listed are typical unless maximum or minimum guaranteed limits are provided.
Ordering information
Models
- PSPL5510V
- Attenuator, 60 GHz
Options
- Opt. 3DB
- 3 db attenuation
- OPT 6DB
- 6 db attenuation
- Opt. 10DB
- 10 db attenuation
- Opt. 20DB
- 20 db attenuation

