Свяжитесь с нами
Живой чат с представителями Tektronix. С 9:00 до 17:00 CET
Позвоните нам
С 9:00 до 17:00 CET
Загрузить
Загрузить руководства, технические описания, программное обеспечение и т. д.:
Обратная связь
Debugging and Validating Automotive Electronics
Oscilloscopes play a critical role in engineering automotive systems. Tektronix offers automotive oscilloscopes to meet the needs of engineers and technicians, ranging from basic troubleshooting instruments to advanced analysis platforms. When selecting the best, a number of considerations come into play.
Explore our recommended automotive oscilloscopes

How Automotive Oscilloscopes Help in Vehicle Design
Automotive oscilloscopes are indispensable tools for debugging and validating electronic components, subsystems and systems within vehicle designs. By displaying signal analysis and making electrical measurements, they enable engineers to delve deep into vehicle electronics.
- Working in the lab and the test track
- Debugging and validating electronics within ECUs
- Testing vehicle sensors, actuators, and control modules
- Optimizing power efficiency of EV traction inverters and chargers
- Evaluating signal integrity of in-vehicle networks such as CAN and automotive Ethernet
- Identifying sources of electrical noise
- Automating tests, sharing and documenting results
- EV battery testing
Automotive Oscilloscope Applications and Features
ECU Testing
Oscilloscopes are invaluable for debugging the microcontrollers, interfaces, memory and analog signal chains that make up ECUs. Scopes are used for checking power rails, measuring clocks, observing startup and troubleshooting noise problems.
Within the ECU, communication may be handled by buses such as I2C and SPI. Suitably equipped oscilloscopes can decode and trigger on these protocols.
Today’s control units incorporate some of the same high-speed interfaces found in modern servers, such as PCIe and DDR. High performance oscilloscopes are used to validate signal integrity in these applications.


Automotive Sensor and Actuator Testing
Vehicles depend on a wide range of sensors, motors, switches and actuators. Automotive oscilloscopes can help engineers check the quality of signals and timing relationships between signals. Having 4 or more channels provides visibility into more complex systems.
A mixed signal oscilloscope, equipped with digital logic channels, can help designers check timing on 16 or more switches or actuators at a time.
For electromechanical systems, long record length and roll mode are useful for capturing system behavior over longer durations.
Automotive Power Analysis
Managing electrical power has challenged generations of vehicle designers, but optimizing power management has taken on new importance with widespread powertrain electrification.
Accurate power measurements with an oscilloscope require simultaneous voltage and current measurements. Thus, robust voltage and current probes with appropriate ratings and ranges are critical.
Three-phase power converters, such as EV traction inverters, involve more complexity, with more channels and more calculations. The 5 Series and 6 Series MSOs offer specialized software for analyzing inverter, motor and drive systems. The software reduces the opportunity for measurement issues by automating setups and calculations.


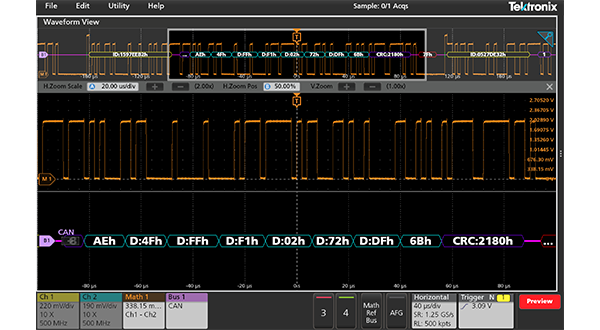
In-Vehicle Networks and Serial Buses
In both internal combustion and electric vehicles, digital buses, such as CAN, LIN and FlexRay are used to simplify wiring harnesses and provide advanced safety and convenience features. Analog sensor outputs have been replaced by buses such as SENT and PSI5. Data rates are increasing with network technology such as automotive Ethernet and emerging CAN and MIPI standards, to enable advanced driver assistance and sophisticated cockpit features.
Automotive oscilloscopes enable engineers to decode these protocols and trigger on them to confirm proper communication and observe timing between bus traffic and other signals. For high-speed network technology, high-performance oscilloscopes help designers meet rigorous standards of signal quality.
Electrical Noise Analysis and EMI Testing
From the early days of the automotive industry, radiated and conducted electrical noise have presented challenges to designers. Today’s vehicles can generate a maelstrom of noise. Designers are challenged to enable multiple wireless communications protocols, high-speed data networks and high-voltage traction inverters to coexist. The 4, 5 and 6 Series MSOs offer multichannel, synchronized spectrum analysis for mixed domain troubleshooting. The highly portable spectrum analyzer, RSA306B, can also help with fast, broadband scans in real time.


Moving Between the Lab and the Test Track
The ability to take a scope into the field can help test or troubleshoot under driving conditions. Portable oscilloscopes typically weigh less than 2 kg (about 4.5 lbs) and are easy to carry in and around vehicles. For example, the 2 Series MSO is a capable yet highly portable oscilloscope and it can be battery powered.
Still, some tasks require more oscilloscope horsepower. The 4, 5 and 6 Series MSOs offer a range of performance, perfect for the personal bench or lab station. All of them use the same user interface, making it easy for engineers to tackle any task.
Since automotive oscilloscopes must make a variety of measurements on a range of devices, they require multiple types of probes. Most oscilloscopes come with ground-referenced voltage probes, but many applications require differential voltage probes or current probes.
Documenting and Sharing Measurements
PC-based test automation frees engineers from unproductive, repetitive testing chores. Facilities for documenting, sharing and archiving test results also streamline engineering. Some automotive oscilloscopes offer programmable interfaces working over USB and LAN. Tektronix oscilloscopes have fully documented instruction sets and offer software to accelerate documentation and measurement storage.

Compare The Best Automotive Oscilloscopes for Automotive Engineering
These are a few of our oscilloscope families most often used for debugging and validating automotive systems.
Visit the Oscilloscope Page for a complete listing of Tektronix oscilloscopes.
| Feature | ![]() 2 Series MSO |
![]() 4 Series B MSO |
![]() 5 Series B MSO |
![]() 6 Series B MSO |
|---|---|---|---|---|
|
Bandwidth Range |
70 MHz - 500 MHz | 200 MHz - 1.5 GHz | 350 MHz - 2 GHz | 1 GHz - 10 GHz |
|
Maximum Record Length |
10 MS | 62.5 MS | 500 MS | 1 GS |
|
Analog Channels |
2, 4 | 4, 6 | 4, 6, 8 | 4, 6, 8 |
|
Battery Power |
Yes | - | - | - |
|
Automotive Serial Bus Decoders* |
CAN LIN I2C SPI RS-232 |
CAN LIN FlexRay SENT PSI5 I2C SPI RS-232 |
CAN LIN FlexRay SENT PSI5 I2C SPI RS-232 |
CAN LIN FlexRay SENT PSI5 I2C SPI RS-232 |
|
Advanced Analysis* |
Roll Mode |
Roll Mode Multi-channel Spectrum 3-phase Power Analysis Power Analysis |
Roll Mode Multi-channel Spectrum 3-phase Power Analysis Power Analysis |
Roll Mode Multi-channel Spectrum 3-phase Power Analysis Power Analysis Automotive Ethernet |
*Selected available options. See instrument datasheets for a complete list of available serial buses and analysis packages.
How to choose the best automotive oscilloscope: Specifications to Consider
When selecting an automotive oscilloscope for your electronic system development needs, consider these specifications and features:
- Bandwidth and sample rate: These specifications determine the maximum frequency of signals that can be accurately measured. For temperature sensors, electromechanical switches and actuators, relatively low bandwidth is ok. For signals inside ECUs, bandwidths in hundreds or even thousands of MHz are recommended.
- Channel count: Many measurements can be made with one or two channels, but more challenging problems are easier to diagnose with the ability to more signals. Mixed signal oscilloscopes can expand visibility further by adding digital logic channels that can be used to display switch signals, actuator signals and communications buses.
- Record length: This determines the amount of time an oscilloscope can capture for a particular sample rate. Note that long record length can mean a lot of data, so consider how the instrument helps you search and analyze that data.
- Bus decoding: The ability to decode automotive buses such as CAN, LIN and FlexRay is key for troubleshooting vehicular systems.
- Power analysis: Electrical power is critical in the design of most vehicles, but is even more important in electric vehicles. Today’s oscilloscopes include built-in power analysis capabilities ranging from basic channel math to switching loss analysis and 3-phase power analysis.
Select Automotive Oscilloscopes
Resources
Automotive Oscilloscope FAQs
What is an automotive oscilloscope?
An automotive oscilloscope is an instrument for visualizing and measuring signals in electrical and electronic systems typically found within vehicles, including inverters, engine systems, battery systems, safety systems, cockpit controls, infotainment, etc.
How are automotive oscilloscopes used?
Automotive oscilloscopes are used to look at signals by connecting probes to the device under test. Engineers use them during the design process to validate and debug products under development. Technicians use them in the field to diagnose failures.
What oscilloscope is best for automotive?
Because automotive systems and tasks are diverse, determining the best oscilloscope for automotive work requires consideration of bandwidth, record length, analysis capabilities, environmental factors (e.g., portability, temperature range) and, of course, cost.
Refer to the Oscilloscope Page to compare key oscilloscope specifications and access detailed datasheets to help find the right oscilloscope for any application.
What bandwidth oscilloscope do I need for automotive?
The bandwidth of an oscilloscope determines the highest frequency the instrument can measure without significantly reducing the amplitude of the signal. Generally, an oscilloscope should be several times faster than the signals being measured. In a digital system that operates on edges, the frequency content of the signals will be determined by the rise and fall times of the signals rather than the period of the signal. For observing signals in electromechanical systems that operate below a few kHz, an instrument with 100 MHz or less may be adequate. For making measurements on processor systems and serial buses, a bandwidth of 100 to 500 MHz may be preferred. For measurements on high-speed signals within ECUs or on network signals, 1 GHz or more may be needed.
Refer to the Oscilloscope Page to compare bandwidths and access detailed datasheets to help find the right oscilloscope for any application.














